Abstract
In this work, we reported the high ductility of an extruded AZ61 magnesium alloy tube achieved by electropulsing current-assisted tension. The elongation of the alloy reached up to about 45%, which is largely superior to the majority of AZ61 wrought Mg alloys. We found that the hardening capacity of the alloy seemed to slightly increase as the electropulsing frequency increased. Furthermore, electropulsing can arouse the serrated flow phenomenon. Here we proposed an equation describing the correlation between the average amplitude and frequency: Aa = C − 6 × 10−3f, where Aa is the average amplitude, f is the frequency, and C is the constant. In addition, introducing electropulsing current pronouncedly reduced the tendency of twinning, but the twinning fraction seemed to fail depending on the electropulsing frequency. Based on microstructure analysis, we concluded that the outstanding ductility of the studied alloy was mainly due to the combined role of the thermal effects from Joule heating, the athermal effects from electron wind, and the magnetic effects from the electropulsing current. The serrated flow phenomenon occurred along stress–strain curves after electropulsing treatment, and the underlying reasons also were uncovered.
1. Introduction
Magnesium alloys are of low density, high specific rigidity, and high specific strength, thus having a wide range of applications and development potential in military, automotive, consumer electronics, and other fields. However, wrought magnesium alloys usually have a strong basal texture, leading to poor formability at room temperature, which greatly limits further processing and more extensive applications [1,2,3,4].
The electroplasticity is of increasing interest because the energy consumption by pulsed current is usually less than that necessary to heat the material to a temperature that provides comparable ductility [5]. Therefore, electrically assisted forming is economically attractive for the improvement of formability in a variety of metallic materials, such as titanium alloys [6], magnesium alloys [3], aluminum alloys [7] and steels [8]. However, electroplasticity is only established phenomenologically; the underlying mechanisms are still not clear [4,5,6,7,8]. At the earliest, the thermal effect of pulsed current from Joule heating was believed to generate thermal softening, resulting in the improvement of ductility [6]. As the athermal effect of electric current during deformation is dominant over the thermal effect, the effect is called “electroplasticity”. Electroplasticity is usually demonstrated by dramatic increases in elongation during deformation under electric current without a significant elevation in temperature due to Joule heating. Various works have shown that the thermal effect alone is insufficient to explain this phenomenon, and other hypotheses of athermal effects of pulsed currents have been proposed, such as electron wind [9], magnetic effect [10], and pinch effect [11]. In particular, the electron wind theory is the most important consideration to explain the athermal effect of electroplasticity. During deformation of metal material, numerous electrons move quickly and act on the dislocations to open the dislocation tangles, giving rise to improved ductility [9,12]. In addition, imposing current pulses may lead to defect-level microstructural reconfiguration and dislocation recovery that promotes uniform plastic deformation [6,13]. For example, obvious improvement of a Ti-Al alloy originates from defect reconfiguration such as the transition of the dislocation substructure from planner slip to wavy slip due to electropulsing [6]. Moreover, the elongation of aluminum 5052-H32 alloy sheets achieved a considerable elongation of 230% with softening of the flow stress under the electric current. Furthermore, it was confirmed that the Joule thermal effect is not dominant regarding this softening, and dislocation recovery takes place due to the electric current [13]. Apart from the above effects, electropulsing can also cause other effects, such as charge imbalances along grain boundaries under electric current, weakening of the bonding strength under electric current, and variation of elastic modulus under electric current. Last but not least, the imposition of a pulsed current may lead to obvious microstructure modifications such as recrystallization, aging, dissolution, and microstructure healing. Unfortunately, the majority of investigations on electroplasticity mainly focus on other metals such as steels, Al alloys and Ti alloys, and so on, rather than Mg alloys. For Mg alloys, the origin of electroplasticity is still rarely investigated. More studies considered how to apply the electroplasticity effect in plastic forming of Mg alloys. As an example, Kuang et al. [14] investigated the rollability of AZ31 alloy by electroplastic rolling and hot rolling at the same temperature and concluded that electric current can enhance its rollability. It was shown that the frequency was important enough to affect the effect during electropulsing [15,16,17]. The AZ91 alloy exhibited better formability and lower twinning with increasing electropulsing frequency [15]. Therefore, it is necessary to explore the origin of electroplasticity in the Mg alloy to better understand and formulate a hot-working process. In this work, we investigated the underlying reasons of improved ductility in an AZ61 magnesium alloy tube due to a pulse current based on microstructure observation.
2. Experiments
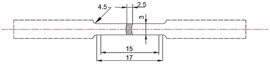
The samples used in this paper were cut from a kind of commercial magnesium alloy extruded pipe. The extrusion parameters of the pipes were shown as follows: the extrusion temperature was 400 °C, the extrusion die temperature was 220 °C, the extrusion speed was 10 mm/s, and the extrusion ratio was 30:1. The outer diameter of the pipe was 30 mm, the inner diameter was 25 mm, and the wall thickness was 2.5 mm. The samples were prepared as shown in Figure 1.
Figure 1.
The size of tensile samples in this work. (Unit: mm)
A WDW-200 microcomputer-controlled electronic universal testing machine (Kexin, Changchun, China), which had been modified and replaced at the jaw parts, was used in EPE tensile tests. At least five specimens were used in tension tests for each electropulsing experiment, and the representative stress–strain curves were shown in the paper. H90 brass, which has excellent electrical conductivity and structural strength, was used to produce the wedge-shaped jaws. An insulating layer was established at the junction where the jaw surface was in contact with the tensile testing machine. At the same time, the insulation guide rod and insulation compression block were used to fix the jaws to the tensile testing machine. In this way, an electric circuit containing a current-controlled current source, wires, jaws, and a sample was established. A CHANT-4000FN intelligent power (Annice, Wuxi, China) was used as the current-controlled current source, which could convert AC current into DC pulse current. The three main parameters of the DC pulse current are intensity, frequency, and duty cycle. The intensity represents the value of the current. The frequency is the number of pulses applied to the circuit per unit of time. The duty cycle refers to the percentage of the time the circuit is turned on in the entire work cycle. All three parameters can be set by the current-controlled current source.
Figure 2 shows the equivalent circuit diagram and the design of the experiment. The resistance of the samples would increase due to temperature and deformation during the tensile test, so a variable resistance was used to represent the samples in the equivalent circuit diagram. In the test, the tensile speed was set to v = 3 mm/min, the current intensity was set to I = 100 A, and the duty cycle was set to n = 50% in order to ensure the power of the external work on the sample at the beginning of the test remained the same. In the same way, the frequency was set to 200, 300, and 400 Hz to observe the electroplastic effect. A tensile test without electrical stimulation was set as a control test.
Figure 2.
Equivalent circuit diagram and test design.
The temperature of the sample during tension was measured with a FLIR-A300 infrared thermometer (FLIR Systems, Portland, OR, USA). The microstructure examinations were made by an optical microscopy (OM, Carl Zeiss AG, Jena, Germany), a scanning electron microscope (SEM, ZEISS EVO18, Jena, Germany), and a transmission electron microscope (TEM, JEM–2100F, Akishima, Tokyo, Japan). Samples for OM and SEM microstructure observations were polished and then etched in acetic picral solution. Samples for TEM observations were firstly ground to less than 40 mm in thickness, and then these foils were further thinned through a precision ion polishing system (PIPS, Gatan 691, Pleasanton, CA, USA) with cooling system with liquid nitrogen (milling parameters: Ar, 4–5 kV, 90–180 min). X-ray diffraction (XRD, D/Max 2500PC, Rigaku, Tokyo, Japan) was used to estimate dislocation density by XRD peak profile analysis. XRD tests were carried out utilizing Cu Kα radiation (λ = 0.15406 nm) at 36 kV and 40 mA (scanning range (2θ): 20°~80°, scanning rate: 2°/min). The peak broadening values were obtained by Jade 5.0 software to analyze XRD curves.
3. Results
3.1. Initial Microstructure
Figure 3 shows the microstructure of the studied alloy. It can be seen that the studied alloy exhibited complete recrystallization, and the recrystallized grain size in the studied alloy was not uniform from 5 μm to 25 μm (Figure 3a). This is possible because partial grains grow in size excessively after extrusion, owing to afterheat by friction. The SEM image shown in Figure 3b indicates that the studied alloy was mainly composed of α-Mg solid solution, with the occurrence of a few particles. Thus, the studied alloy was regarded as a quasi-single phase solid solution alloy. Figure 4 presents a bright TEM image of the studied alloy, in which there was almost no dislocation in the matrix, and with some indicators of complete recrystallization. Dynamic recrystallization consumed the stored energies by inducing dislocation, largely during hot extrusion; thus, there was free dislocation in the recrystallized grains.
Figure 3.
Microstructure of as-received samples: (a) OM and (b) SEM.
Figure 4.
TEM image of as-received samples showing almost no dislocation in the interior grain.
3.2. Tensile Properties
Figure 5 presents the representative engineering stress–strain curves. The corresponding tensile properties including ultimate tensile strength (UTS), tensile yield strength (TYS), elongation of failure (ε), and uniform elongation (δ) are summarized in Table 1. The as-received sample showed a moderate strength, such that TYS = 180 MPa, and good ductility, such that ε = 30.0% and δ = 20.8%. After electropulsing treatment, the ductility significantly improved, particularly regarding uniform elongation, although with some degradation of strength. Furthermore, the ductility strongly depends on the electropulsing frequency, namely elongation increases with increasing frequency. In particular, an excellent ductility (ε = 44.5%) was achieved when the frequency was 400Hz, which is significantly superior to that of conventional AZ61 wrought alloys such as ~27% in the AZ61 alloy, by friction stir processing [18], and 10~25% in the AZ61 alloy by hot-extrusion [19]. In addition, we observed frequent serrated plastic flow in the stress–strain curves of those electropulsing treated samples, but not in the as-received samples. Careful observation from amplifying the stress–strain curves revealed that the onset of serration emerged just after the yield point, and the period increased with increasing frequency. Furthermore, the amplitude of serration seemed to be inconsistent, but the amplitude overall was smaller in the case of 400 Hz than in the cases of 200 Hz and 300 Hz. Interestingly, the evolution rule of ductility with a variation of frequency seems too similar to that of serration. Therefore, we conjectured that the ductility of the studied alloy possibly was associated with serrated plastic flow after electropulsing treatment.
Figure 5.
The representative engineering stress–strain curves (a) of as-received samples subjected to electropulsing treatment with various frequencies during tensile deformation, (b) partial enlarged stress–strain curves showing obvious serrated plastic flow.
Table 1.
Mechanical properties of the alloys under various frequencies.
3.3. Work Hardening Behavior
The hardening capacity is considered as a crucial criterion to evaluate work hardening behavior of metallic materials. Afrin et al. [20] defined a normalized parameter of hardening capacity (Hc), which can be calculated as follow:
where σUTS and σYS are the true ultimate tensile strength and true yield strength, respectively. The values of hardening capacity before and after electropulsing treatment were 0.82, 1.14, 1.28, and 1.29 for 0, 200, 300, and 400 Hz, respectively. It can be seen, after electropulsing treatment, that the hardening capacity was enhanced. Specifically, the hardening capacity presented a tendency to gradually increase as frequency increased. As is known, the hardening capacity is associated with the yield strength of materials, which is influenced by the microstructure. For example, increasing the dislocation storage capacity can result in a higher hardening capacity. It was reported [21] that the electropulsing current can arouse instantaneous high energy as it passes through a metal sample with high-density dislocation, which influences dislocation slip. Thus, improved hardening capacity is related to dislocation multiplication affected by the electropulsing current.
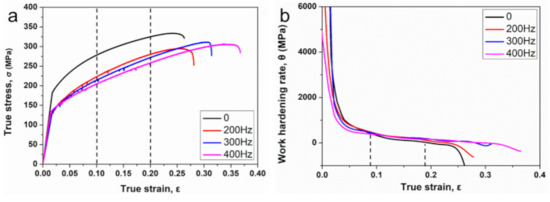
Figure 6a,b show the true stress–true strain curves and the plot of strain-hardening rate (θ = dσ/dε [22]) versus true strain (ε) at different electropulsing frequencies. At low strain ~0.1, four samples all exhibited a short elastoplastic transition stage, with no significant difference among them. Next, the strain-hardening rate of four samples similarly presented a near plateau stage after a strain of ~0.1. In particular, after a strain of ~0.2, the 400 Hz sample still presented a near plateau hardening stage, while the hardening rate of other samples decreased gradually, especially in the 0 Hz ample where the hardening rate rapidly reduced. This indicates there was almost no obvious difference of hardening rates in the initial deformation stage for the four samples, while the 400 Hz sample demonstrated a much larger hardening rate in the late deformation stage. Thus, the 400 Hz sample exhibited the best uniform plastic deformation capacity among the four samples, which is in agreement with the hardening capacity. Both suggest the 400 Hz sample is of superior ductility at room temperature, corresponding to the results of tensile properties.
Figure 6.
(a) True stress against true strain curves and (b) work hardening rate against true strain of as-received samples subjected to electropulsing treatment with various frequencies during tensile deformation.
3.4. Microstructure after Fracture
Figure 7 shows microstructures after the fracturing of four samples. One can observe numerous twins in the as-received sample, while a few emerged in the samples subjected to electropulsing current. In the as-received sample, the majority of grains were covered by tensile twins, and twin intersections occurred in several grains. Introducing electropulsing current markedly reduced the tendency of twinning, but the number fraction of twins seemed to fail depending on the electropulsing frequency.
Figure 7.
Microstructure after fracture of as-received samples subjected to electropulsing treatment with various frequencies during tensile deformation. Twins are marked with red arrows. (a) 0 Hz,(b) 200 Hz,(c) 300 Hz,(d) 400 Hz.
In order to explore the evolution of dislocation density during tensile deformation, the tensile tests of the 400 Hz sample were interrupted at an engineering strain of ~2.5% and ~25%, hereafter referred to as 2.5%-400 Hz and 25%-400 Hz samples, respectively. Accordingly, the dislocation densities of the as-received sample, the 2.5%-400 Hz sample, 25%-400 Hz sample, and the fractured 400 Hz sample were estimated based on XRD peak profile analysis. In this case, we assumed the peak broadening of the diffraction peak was caused by grain refinement and microstrain broadening. Since the grain size does not change during tensile deformation, the peak broadening is mainly influenced by the microstrain associated with dislocation density. Herein, the microstrain is estimated by the following equation [23]:
where B is the peak broadening, θ is the Bragg angle, K is constant (K = 0.9 for Mg), λ is the wavelength of Cu Kα radiation (λ = 0.15406 nm), d is the average grain size, and ε is the microstrain. We plotted the relationship between Bcosθ and sinθ, and then we carried out a linear regression analysis. Finally, the values of ε were attained by measuring the slope. Subsequently, dislocation density (ρ) was estimated according to the following equation [24]:
where C is a constant (C = 0.19483 for Mg [23]), and b is the Burgers vector (b = 0.32 nm for Mg). Therefore, the dislocation densities in the as-received sample, the 2.5%-400 Hz sample, 25%-400 Hz sample, and the fractured 400 Hz sample were estimated to be 2.81 × 1014, 1.12 × 1015, 9.84 × 1014, and 4.32 × 1014 m−2, respectively. It can be seen that dislocation density presented a tendency of an initial increase and then decrease with increasing electropulsing frequency. To ascertain the nature of the dislocation configuration, TEM two-beam imaging was carried out using the 25%-400 Hz sample, as shown in Figure 8. TEM observations revealed that grains were distributed inhomogeneously in the interior (Figure 6a). Figure 6b shows the corresponding selected electron diffraction patterns along with the zone axis of [10-10]. The majority of dislocations were invisible under g = [11-20], but they were visible under g = [0002]. Based on g.b = 0 (g is the diffraction vector and b is Burgers vector) invisible criterion [25], we concluded that most dislocations belonged to <c + a> dislocations, and a few were <a> dislocations.
Bcosθ = Kλ/d + εsinθ
Figure 8.
Dislocation configuration in 25%-400 Hz sample: (a) bright TEM image, (b) the corresponding selected electron diffraction patterns, B = [10-10], (c) and (d) bright TEM two-beam images.
4. Discussion
4.1. Enhanced Ductility
Based on the above experimental results, we can know that the studied alloy exhibited superior ductility due to the electropulsing treatment. Pulsing current-assisted tensile deformation will inevitably generate thermal effects from Joule heating, which is one of the factors of improved ductility. However, such Joule heating usually produces a lower temperature that does not lead to enough thermal softening [26]. Figure 9 gives temperature distribution images, recorded by a thermal imager, of sample surfaces at different strain levels during tensile deformation. It can be seen that the temperature of the sample surface increased with increasing strain, and then suddenly dropped at the instant of failure. The highest temperature was only 104 °C, indicating that the critical resolved shear stresses of nonbasal slips seemed to reduce slightly. However, it must be pointed out that the tendency of twinning notably decreased with increasing electropulsing frequency. Although twins can divide coarse grain so that they reduce the distance of dislocation slip and increase the flow stress, more twin boundaries can also act as sites for crack nucleation, possibly deteriorating ductility [27,28]. As a consequence, the thermal effect of electropulsing is critical for achieving high ductility. In fact, so-called electroplasticity is defined by ductility increases during deformation under pulsing current, in which the athermal effect plays a dominant role of increased ductility over the thermal effect. Several investigations also showed that the Joule thermal effect caused by electropulsing current is insufficient to explain the mechanical response under electric electropulsing current deformation [6,9,26,29]. As an example, Zhao et al. [6] recently reported that Ti-7Al alloy exhibited a better ductility over 15% under pulsing current that caused a temperature of only 28.5 °C, in contrast with an inferior ductility below 10% under continuous current accompanied by 185.4 °C. They proposed that electropulsing can enhance cross-slip, leading to a transition from localized planar slip to uniform wavy slip, thus contributing to high ductility at room temperature. In the 25%-400 Hz sample, most dislocations were <c + a> dislocations. Furthermore, careful observation found those <c + a> dislocations were curved, with a direct evidence of cross-slip of <c + a> dislocations [30]. Moreover, <c + a> dislocation often dissociated into the basal immobile structure after large deformation, then caused high hardening and limited ductility. However, in the studied alloy, the majority of <c + a> dislocations were mobile and cross-slip, which can result from the role of electropulsing. Accordingly, we conjectured that electropulsing assists cross-slip of <c + a> dislocation by suppressing basal dissociation of <c + a> dislocation, thus resulting in high ductility. Except for such defect-level microstructural reconfiguration by electropulsing, there are some hypotheses, such as electron wind [9] and magnetic effect [10], that are suggested as the origin of the athermal effect of electropulsing. With respect to electron wind effect, a current passing a metallic conductor can create an electron wind force that would facilitate dislocation slip. Specifically, electron wind force could “unlock” dislocation tangles or pile-up groups so as to facilitate dislocations to continue slipping, thereby resulting in more uniform plastic deformation [9]. According to the above calculation of dislocation density, initial plastic deformation leads to an increase in dislocation density, but dislocation density drops after 25% strain, possibly resulting from the electron wind. Moreover, the magnetic effect theory shows that the magnetic field induced by electropulsing can modify the local energy states at the dislocation cores, which might help to reinforce the depinning of dislocations from local obstacles such as solute atoms, immobile dislocations, and precipitates [10]. In the studied alloy, the matrix contains amounts of Al and Zn atoms, which can considerably strengthen the solute. Therefore, the magnetic effect could be important for obtaining high ductility. In summary, achieving high ductility in the studied alloy is attributed to the combined role of thermal effects form Joule heating, athermal effects from electron wind, and magnetic effects from the electropulsing current.
Figure 9.
Temperature distribution images in samples at different strain levels during tensile deformation, recorded by a thermal imager. (a) ε = 0, (b) ε = 0.02, (c) ε = 0.34, (d) ε = 0.44.
4.2. Serrated Flow Phenomenon
The serrated flow phenomenon occurred after electropulsing treatment. The serrated flow usually emerges at high-temperature deformation and has been found in several Mg alloys, such as AZ91 alloy [31], Mg-Y-Nd alloy [32], and Mg-Sm/Yb based alloy [33]. During plastic deformation at high temperatures, dynamic interaction between moving dislocations with diffusing solutes causes the serrated flow phenomenon. Usually, when solute velocity is higher than that of dislocation motions at higher temperature, any solute atmosphere formed can always move with dislocations, thus giving rise to the disappearance of serrations. In contrast, for plastic deformation at lower temperature, such as room temperature, solutes are difficult to diffuse such that mobile dislocations will be constantly pinned and unpinned by interacting with solute atoms, thus resulting in serrations. It must be noted that the temperature is still low under electropulsing, which is difficult to motivate solutes diffusion. Therefore, the thermal effect of electropulsing seems unlikely to account for the serrated flow phenomenon of the studied alloy. As previously mentioned, electron wind force could “unlock” dislocation tangles, and the magnetic effect can promote the depinning of dislocations from local obstacles. Accordingly, each unlocked dislocation tangle and depinned dislocation should decrease flow stress, which will lead to serration. Furthermore, electron wind force and magnetic field intensity changed with the variation of electropulsing frequency, which accounts for the smaller amplitude in the case of 400 Hz compared to 200 Hz and 300 Hz. This is because higher electropulsing frequency causes a smaller dislocation tangle; thus, the amplitude of serration is also smaller. Specifically, each unlocking of dislocation tangles will cause a drop in flow stress, exemplified by the serration that occurred in the stress–strain curves. To better understand the serrated flow phenomenon and frequency, we recorded the variation of the amplitude with strain under different frequencies, as shown in Figure 10a. It can be seen that, with an increase in frequency, the strain of the onset of serration was larger, and the strain of serration vanishing was also larger. To make it easier to quantify, Figure 10b gives the average amplitude as a function of frequency. By a linear regression analysis for Figure 10b, the correlations between the average amplitude and frequency can be characterized by the equation as follows:
where Aa is the average amplitude, f is the frequency, and C is the constant, where C = 5.78 in this work. One can see that the average amplitude strongly depends on the frequency. This is because a more drastic stress concentration is formed under lower frequency, thus forming a larger amplitude of serrations in stress–strain curves. Therefore, lower frequency leads to larger amplitude of serrations.
Figure 10.
(a) The variation of the amplitude with strain under different frequencies, and (b) the average amplitude as a function of frequency.
5. Conclusions
In this work, we investigated microstructure and tensile properties of extruded AZ61 magnesium alloy tubes during tension by electropulsing treatment. It is shown that excellent ductility is achieved in the studied alloy due to electropulsing current, with maximum elongation of about 45%, superior to the majority of AZ61 wrought Mg alloys. Microstructure observations indicate that the electropulsing current can greatly reduce the tendency of twinning during tension. Meanwhile, the hardening capacity of the studied alloy increases slightly as the electropulsing frequency increases. Moreover, the serrated flow phenomenon occurred at tensile curves, resulting from the electron wind effect and the magnetic effect induced by electropulsing current. Furthermore, we proposed an equation describing the correlations between the average amplitude and frequency: Aa = C − 6 × 10−3f, where Aa is the average amplitude, f is the frequency, and C is the constant. Finally, the excellent ductility of the studied alloy is mainly attributed to a combined role of the thermal effects from Joule heating, athermal effects from electron wind, and the magnetic effect due to electropulsing current. This work provides a new horizon for further processes such as electrically assisted curve forming for wrought Mg alloy tubes.
Author Contributions
Conceptualization, B.J., H.X., Y.L. and Z.C.; methodology, B.J., H.X., Y.L. and Z.C.; software, B.J. and D.Z.; validation, H.X. and X.Y.; formal analysis, B.J. and D.Z.; investigation, investigation; resources, H.X., Y.L., Z.C. and X.Y.; data curation, B.J., D.Z. and H.X.; writing—original draft preparation, B.J. and D.Z.; writing—review and editing, B.J., D.Z. and X.Y.; visualization, B.J. and D.Z.; supervision, Y.L. and Z.C.; project administration, H.X.; funding acquisition, X.Y. All authors have read and agreed to the published version of the manuscript.
Funding
The Project of Industrial Technology Research and Development, Jilin Province Development and Reform Commission (No. 2019c046-1).
Institutional Review Board Statement
Not applicable.
Informed Consent Statement
Not applicable.
Data Availability Statement
All data generated or used during the study appear in the submitted article.
Acknowledgments
This work is supported by the Project of Industrial Technology Research and Development, Jilin Province Development and Reform Commission (No. 2019c046-1).
Conflicts of Interest
The authors declare no conflict of interest.
References
- Hono, K.; Mendis, C.L.; Sasaki, T.T.; Oh-ishi, K. Towards the development of heat-treatable high-strength wrought Mg alloys. Scr. Mater. 2010, 63, 710–715. [Google Scholar] [CrossRef]
- Zhang, D.; Yang, Q.; Guan, K.; Li, B.; Wang, N.; Qin, P.; Jiang, B.; Sun, C.; Qin, X.; Tian, Z.; et al. A high-strength low-rare-earth-alloyed magnesium alloy via traditional hot-extrusion. J. Alloys Compd. 2019, 810, 151967. [Google Scholar] [CrossRef]
- Xu, Z.; Tang, G.; Tian, S.; Ding, F.; Tian, H. Research of electroplastic rolling of AZ31 Mg alloy strip. J. Mater. Process. Technol. 2007, 182, 128–133. [Google Scholar] [CrossRef]
- Yu, H.; Xin, Y.; Chapuis, A.; Huang, X.; Xin, R.; Liu, Q. The different effects of twin boundary and grain boundary on reducing tension-compression yield asymmetry of Mg alloys. Sci. Rep. 2016, 6, 29283. [Google Scholar] [CrossRef]
- Xiang, S.; Zhang, X. Dislocation structure evolution under electroplastic effect. Mater. Sci. Eng. A 2019, 761, 138026. [Google Scholar] [CrossRef]
- Zhao, S.; Zhang, R.; Chong, Y.; Li, X.; Abu-Odeh, A.; Rothchild, E.; Chrzan, D.C.; Asta, M.; Morris, J.M., Jr.; Minor, A.M. Defect reconfiguration in a Ti–Al alloy via electroplasticity. Nat. Mater. 2021. [Google Scholar] [CrossRef]
- Li, W.; Shen, Y.; Liu, H.; Wang, Y.; Zhu, W.; Xie, C. Non-octahedral-like dislocation glides in aluminum induced by athermal effect of electric pulse. J. Mater. Res. 2016, 31, 1193–1200. [Google Scholar] [CrossRef]
- Sheng, Y.; Hua, Y.; Wang, X.; Zhao, X.; Chen, L.; Zhou, H.; Wang, J.; Christopher, B.; Wei, L. Application of high-density electropulsing to improve the performance of metallic materials: Mechanisms, microstructure and properties. Materials 2018, 11, 185. [Google Scholar] [CrossRef]
- Conrad, H. Electroplasticity in metals and ceramics. Mater. Sci. Eng. A 2000, 287, 276–287. [Google Scholar] [CrossRef]
- Molotskii, M.; Fleurov, V. Magnetic effects in electroplasticity of metals. Phys. Rev. B 1995, 52, 15829–15834. [Google Scholar] [CrossRef]
- Okazaki, K.; Kagawa, M.; Conrad, H. An evaluation of the contributions of skin, pinch and heating effects to the electroplastic effect in titanium. Mater. Sci. Eng. 1980, 45, 109–116. [Google Scholar]
- Ghiotti, A.; Bruschi, S.; Simonetto, E.; Gennari, C.; Calliari, I.; Bariani, P. Electroplastic effect on AA1050 aluminium alloy formability. CIRP Ann. Technol. 2018, 67, 289–292. [Google Scholar] [CrossRef]
- Kim, M.-J.; Lee, K.; Oh, K.H.; Choi, I.-S.; Yu, H.-H.; Hong, S.-T.; Han, H.N. Electric current-induced annealing during uniaxial tension of aluminum alloy. Scripta Mater. 2014, 75, 58–61. [Google Scholar] [CrossRef]
- Kuang, J.; Li, X.; Zhang, R.; Ye, Y.; Luo, A.A.; Tang, G. Enhanced rollability of Mg-3Al-1Zn alloy by pulsed electric current: A comparative study. Mater. Des. 2016, 100, 204–216. [Google Scholar] [CrossRef]
- Jiang, Y.; Guan, L.; Tang, G.; Shek, C.; Zhang, Z. Influence of electropulsing treatment on microstructure and mechanical properties of cold-rolled Mg–9Al–1Zn alloy strip. Mater. Sci. Eng. A 2011, 528, 5627–5635. [Google Scholar] [CrossRef]
- Yiu, P.; Hsueh, C.H.; Shek, C.H. Rapid thermoplastic formation of Fe-based metallic glass foil achieved by electropulsing. Mater. Let. 2014, 136, 353–355. [Google Scholar] [CrossRef]
- Sun, Z.; Wang, H.; Ye, Y.; Xu, Z.; Tang, G. Effects of electropulsing on the machinability and microstructure of GH4169 superalloy during turning process. Inter. J. Adv. Manu. Technol. 2018, 95, 2835–2842. [Google Scholar] [CrossRef]
- Liu, F.; Zhang, D.T.; Chen, D.L. Enhancing mechanical properties of AZ61 magnesium alloy via friction stir processing: Effect of processing parameters. Mater. Sci. Eng. A 2020, 797, 139945. [Google Scholar]
- Niu, X.; Lia, G.; Zhang, Z.; Zhoua, P.; Wang, H.; Zhang, S.; Cheng, W. Simultaneously improving the strength and ductility of extruded bimodal size SiCp/AZ61 composites: Synergistic effect of micron/nano SiCp and submicron Mg17Al12 precipitates. Mater. Sci. Eng. A 2019, 743, 207–216. [Google Scholar] [CrossRef]
- Afrin, N.; Chen, D.L.; Cao, X.; Jahazi, M. Strain hardening effect of a friction stir welded magnesium alloy. Scr. Mater. 2007, 57, 1004–1007. [Google Scholar] [CrossRef]
- Kim, M.-J.; Yoon, S.; Park, S.; Jeong, H.-J.; Park, J.-W.; Kim, K.; Jo, J.; Heo, T.; Hong, S.-T.; Cho, S.H.; et al. Elucidating the origin of electroplasticity in metallic materials. Appl. Mater. Today 2020, 21, 100874. [Google Scholar] [CrossRef]
- Chen, X.H.; Lu, L. Work hardening of ultrafine-grained copper with nanoscale twins. Scr. Mater. 2007, 57, 133–136. [Google Scholar] [CrossRef]
- Dragomir, I.C.; Ungar, T. Contrast factors of dislocations in the hexagonal crystal system. J. Appl. Cryst. 2002, 35, 556–564. [Google Scholar] [CrossRef]
- Zeng, Z.R.; Zhu, Y.M.; Nie, J.F.; Xu, S.W.; Davies, C.H.J.; Birbilis, N. Effects of calcium on strength and microstructural evolution of extruded alloys based on Mg-3Al-1Zn-0.3Mn. Metall. Mater. Trans. A 2019, 50A, 4344–4363. [Google Scholar] [CrossRef]
- Zhang, D.; Yang, S.; Meng, F.; Tian, Z.; Xu, H.; Cao, Z.; Meng, J. Compressive creep behavior of extruded Mg-4Sm-2Yb-0.6Zn-0.4Zr alloy. Mater. Sci. Eng. A 2021, 809, 140929. [Google Scholar] [CrossRef]
- Rahnama, A.; Qin, R. Room temperature texturing of austenite/ferrite steel by electropulsing. Sci. Rep. 2017, 7, 42732. [Google Scholar] [CrossRef]
- Wang, H.Y.; Nan, X.L.; Zhang, N.; Wang, C.; Wang, J.G.; Jiang, Q.C. Strong strain hardening ability in an as-cast Mg-3Al-3Sn alloy. Mater. Chem. Phys. 2012, 132, 248–252. [Google Scholar] [CrossRef]
- Zhang, D.; Zhang, D.; Bu, F.; Li, X.; Li, B.; Yan, T.; Guan, K.; Yang, Q.; Liu, X.; Meng, J. Excellent ductility and strong work hardening effect of asecast Mg-Zn-Zr-Yb alloy at room temperature. J. Alloys Compd. 2017, 728, 404–412. [Google Scholar] [CrossRef]
- Liu, X.; Lan, S.; Ni, J. Experimental study of electro-plastic effect on advanced high strength steels. Mater. Sci. Eng. A 2013, 582, 211–218. [Google Scholar] [CrossRef]
- Wu, Z.; Ahmad, R.; Yin, B.; Sandlöbes, S.; Curtin, W.A. Mechanistic origin and prediction of enhanced ductility in magnesium alloys. Science 2018, 359, 447–452. [Google Scholar] [CrossRef]
- Corby, C.; Cáceres, C.H.; Lukác, P. Serrated flow in magnesium alloy AZ91. Mater. Sci. Eng. A 2004, 387–389, 22–24. [Google Scholar] [CrossRef]
- Zhu, S.M.; Nie, J.F. Serrated flow and tensile properties of a Mg–Y–Nd alloy. Scr. Mater. 2004, 50, 51–55. [Google Scholar] [CrossRef]
- Zhang, D.; Guan, K.; Yang, Q.; Jiang, B.; Sun, C.; Wang, N.; Li, B.; Zhang, D.; Li, X.; Liu, X.; et al. Microstructures, mechanical properties and creep behavior of a Mg-3Yb-0.6Zn-0.4Zr casting alloy. Mater. Sci. Eng. A 2019, 745, 360–368. [Google Scholar] [CrossRef]
Publisher’s Note: MDPI stays neutral with regard to jurisdictional claims in published maps and institutional affiliations. |
© 2021 by the authors. Licensee MDPI, Basel, Switzerland. This article is an open access article distributed under the terms and conditions of the Creative Commons Attribution (CC BY) license (https://creativecommons.org/licenses/by/4.0/).









