Research on the Corrosion Fatigue Property of 2524-T3 Aluminum Alloy
Abstract
1. Introduction
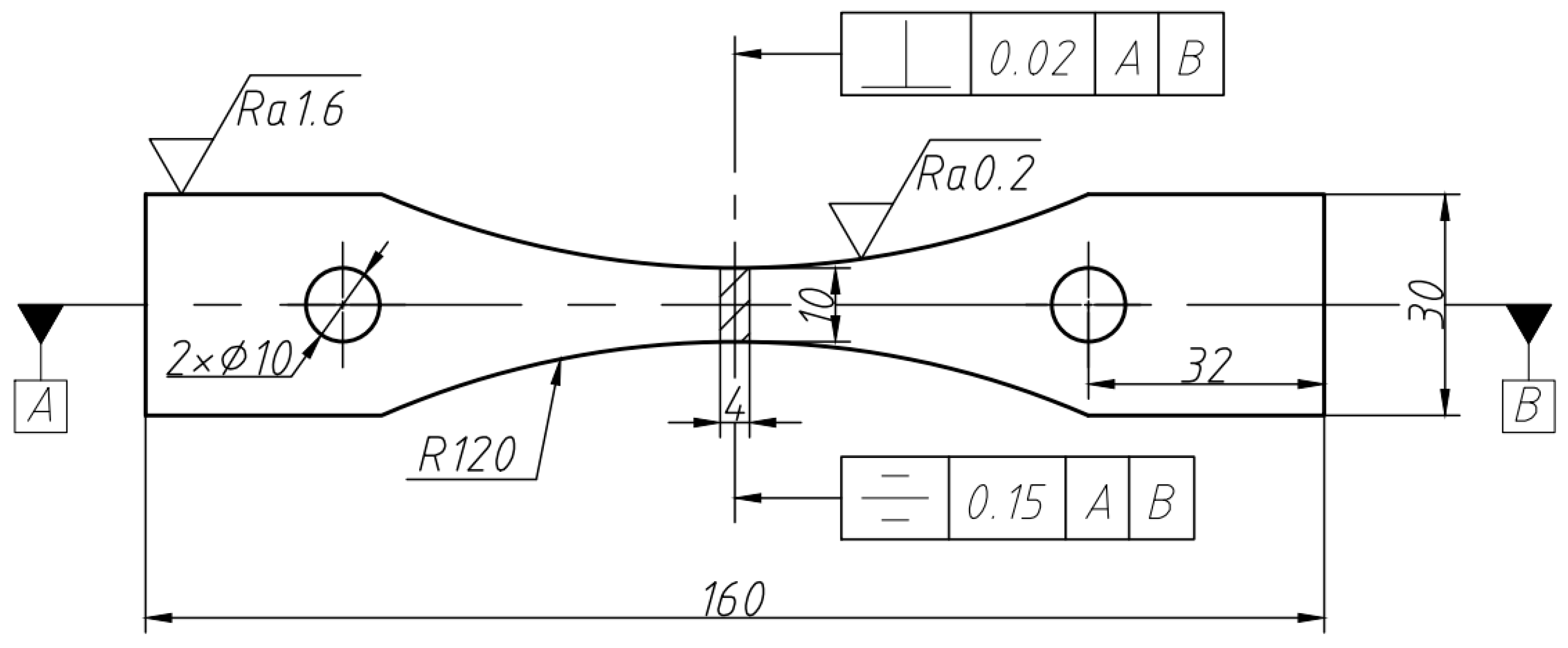
2. Materials and Experimental Methods
3. Results and Discussion
3.1. S-N Curves
3.2. Fracture Analysis
- A—corrosion pitting and crack-oriented zone;
- B—fatigue crack propagation zone;
- C—rapid fatigue fracture zone.
3.2.1. Fatigue Source and the Initial Stage of Fatigue Crack Propagation
3.2.2. Stable Stage of Fatigue Crack Propagation
3.2.3. Stage of Rapid Fatigue Crack Propagation and Fatigue Fracture
4. Conclusions
- Under the condition of R = 0, 3.5% NaCl corrosion solution, and the loading cycles of 106, the horizontal and longitudinal corrosion fatigue limits of the 2524-T3 aluminum alloy are 495 and 523 MPa, respectively. The horizontal fatigue corrosion performance is slightly better than the performance of longitudinal corrosion.
- In the morphology of the fatigue fracture, the crack closure of the fatigue source region is mainly affected by the roughness. As the crack expands, the mechanism that affects the crack closure in the medium and high-stress zone has changed from roughness induction to plastic zone induction. In the later stage of crack propagation, the crack may directly tear through several grains under each load, so the section in a small area appears very flat.
- Fatigue cracks mainly originate from corrosion pits. In the initial stage of crack propagation, the fracture surface shows a mixed characteristic of ductile fracture and cleavage fracture. The cracks propagate on different crystal planes, forming small steps with different heights and deflected tear ridges.
- During the stable propagation stage of fatigue cracks, the cracks mainly propagate through the double-slip mechanism. At this stage, clear, smooth, and parallel plastic fatigue striations can be observed. The width of fatigue striations increases with the crack length or the amplitude of the stress intensity factor, and the striation direction is perpendicular to the local crack propagation direction. When the fatigue striations pass through the coarse second-phase particles, they expand by bypassing the particles, indicating that the internal cracks of the alloy tend to expand in the direction of more inclusions, bridging larger debonded inclusions, and thus, the alloy’s fatigue resistance is weakened. In the rapid propagation/fracture stage, the crack propagation/fracture mechanism is transformed into a micro-holes connection mechanism. The main characteristic morphology at this stage is equiaxed dimples. Larger dimples are mixed with second-phase particles ranging in size from 1 to 5 μm. The relationship between dimples and second-phase particles is almost one-to-one, indicating that the nucleation of micropores mainly comes from the second-phase particles in the alloy.
Author Contributions
Funding
Data Availability Statement
Acknowledgments
Conflicts of Interest
References
- Shen, F.; Yi, D.; Wang, B.; Liu, H.; Jiang, Y.; Tang, C.; Jiang, B. Semi-quantitative evaluation of texture components and anisotropy of the yield strength in 2524 T3 alloy sheets. Mater. Sci. Eng. A 2016, 675, 386–395. [Google Scholar] [CrossRef]
- Xiong, J.; Peng, X.; Shi, J.; Wang, Y.; Sun, J.; Liu, X.; Li, J. Numerical simulation of thermal cycle and void closing during friction stir spot welding of AA-2524 at different rotational speeds. Mater. Charact. 2021, 174, 110984. [Google Scholar] [CrossRef]
- Yin, D.; Liu, H.; Chen, Y.; Yi, D.; Wang, B.; Wang, B.; Shen, F.; Fu, S.; Tang, C.; Pan, S. Effect of grain size on fatigue-crack propagation in 2524 aluminium alloy. Int. J. Fatigue 2016, 84, 9–16. [Google Scholar] [CrossRef]
- Costenaro, H.; Lanzutt, A.; Paint, Y.; Fedrizzi, L.; Terada, M.; de Melo, H.G.; Olivier, M.-G. Corrosion resistance of 2524 Al alloy anodized in tartaric-sulphuric acid at different voltages and protected with a TEOS-GPTMS hybrid sol-gel coating. Surf. Coat. Technol. 2017, 324, 438–450. [Google Scholar] [CrossRef]
- Baptista, C.A.R.P.; Adib, A.M.L.; Torres, M.A.S.; Pastoukhov, V.A. Describing fatigue crack propagation and load ratio effects in Al 2524 T3 alloy with an enhanced exponential model. Mech. Mater. 2012, 51, 66–73. [Google Scholar] [CrossRef]
- Xu, Y.; Zhan, L.; Li, W. Effect of pre-strain on creep aging behavior of 2524 aluminum alloy. J. Alloy. Compd. 2017, 691, 564–571. [Google Scholar] [CrossRef]
- Moreto, J.; Gelamo, R.; Nascimento, J.; Taryba, M.; Fernandes, J. Improving the corrosion protection of 2524-T3-Al alloy through reactive sputtering Nb2O5 coatings. Appl. Surf. Sci. 2021, 556, 149750. [Google Scholar] [CrossRef]
- Srivatsan, T.S.; Kolar, D.; Magnusen, P. Influence of temperature on cyclic stress response, strain resistance, and fracture behavior of aluminum alloy 2524. Mater. Sci. Eng. A 2001, 314, 118–130. [Google Scholar] [CrossRef]
- Sonsino, C.M. Consideration of Salt-Corrosion Fatigue for Lightweight Design and Proof of Aluminium Safety Components in Vehicle Applications. Int. J. Fatigue 2021, 154, 106406. [Google Scholar] [CrossRef]
- Magnusen, T. The cyclic fatigue and final fracture behavior of aluminum alloy 2524. Mater. Des. 2002, 23, 129–139. [Google Scholar]
- Shen, F.; Yi, D.; Jiang, Y.; Wang, B.; Liu, H.; Tang, C.; Shou, W. Semi-quantitative evaluation of texture components and fatigue properties in 2524 T3 aluminum alloy sheets. Mater. Sci. Eng. A 2016, 657, 15–25. [Google Scholar] [CrossRef]
- Maduro, L.P.; Baptista, C.A.R.P.; Torres, M.A.S.; Souza, R.C. Modeling the growth of LT and TL-oriented fatigue cracks in longitudinally and transversely pre-strained Al 2524-T3 alloy. Procedia Eng. 2011, 10, 1214–1219. [Google Scholar] [CrossRef][Green Version]
- Zhang, Z. Quantitative characterization on fatigue fracture features of A6005 aluminum alloy welded joints. Eng. Fail. Anal. 2021, 129, 105687. [Google Scholar] [CrossRef]
- Hattori, C.S.; Almeida, G.F.C.; Gonçalves, R.L.P.; Santos, R.G.; Souza, R.C.; da Silva, W.C., Jr.; Cunali, J.R.C., Jr.; Couto, A.A. Microstructure and Fatigue Properties of Extruded Aluminum Alloys 7046 and 7108 for Automotive Applications. J. Mater. Res. Technol. 2021, 14, 2970–2981. [Google Scholar] [CrossRef]
- Ye, Z.; Liu, D.; Zhang, X.; Wu, Z.; Long, F. Influence of combined shot peening and PEO treatment on corrosion fatigue behavior of 7A85 aluminum alloy. Appl. Surf. Sci. 2019, 486, 72–79. [Google Scholar] [CrossRef]
- Mishra, R.K. Study the effect of pre-corrosion on mechanical properties and fatigue life of aluminum alloy 8011. Mater. Today Proc. 2020, 25, 602–609. [Google Scholar] [CrossRef]
- Zhang, R.; Zhao, W.; Zhang, H.; Yang, W.; Wang, G.-X.; Dong, Y.; Ye, C. Fatigue Performance Rejuvenation of Corroded 7075-T651 Aluminum Alloy through Ultrasonic Nanocrystal Surface Modification. Int. J. Fatigue 2021, 153, 106463. [Google Scholar] [CrossRef]
- Moreto, J.A.; dos Santos, M.S.; Ferreira, M.O.A.; Carvalho, G.S.; Gelamo, R.V.; Aoki, I.V.; Taryba, M.; Filho, W.W.B.; Fernandes, J.C.S. Corrosion and corrosion-fatigue synergism on the base metal and nugget zone of the 2524-T3 Al alloy joined by FSW process. Corros. Sci. 2021, 182, 109253. [Google Scholar] [CrossRef]
- Moreto, J.A.; Broday, E.E.; Rossino, L.S.; Fernandes, J.C.S.; Bose Filho, W.W. Effect of Localized Corrosion on Fatigue–Crack Growth in 2524-T3 and 2198-T851 Aluminum Alloys Used as Aircraft Materials. J. Mater. Eng. Perform. 2018, 27, 1917–1926. [Google Scholar] [CrossRef]
- Rangel, U.; Borges, R.; Oliveira, D.A.; de Almeida, L.S.; Gelamo, R.V.; Siqueira, J.R., Jr.; Rossino, L.S.; Moreto, J.A. Corrosion and Micro-abrasive Wear Behaviour of 2524-T3 Aluminium Alloy with PAni-NPs/PSS LbL Coating. Mater. Res. 2019, 22. [Google Scholar] [CrossRef]
- Chlistovsky, R.M.; Heffernan, P.J.; Duquesnay, D.L. Corrosion-fatigue behaviour of 7075-T651 aluminum alloy subjected to periodic overloads. Int. J. Fatigue 2007, 29, 1941–1949. [Google Scholar] [CrossRef]
- Jiang, F.; Ding, Y.; Song, Y.; Geng, F.; Wang, Z. Digital Twin-driven framework for fatigue life prediction of steel bridges using a probabilistic multiscale model: Application to segmental orthotropic steel deck specimen. Eng. Struct. 2021, 241, 112461. [Google Scholar] [CrossRef]
- Omrani, A.; Langlois, S.; Van Dyke, P.; Lalonde, S.; Karganroudi, S.S.; Dieng, L. Fretting fatigue life assessment of overhead conductors using a clamp/conductor numerical model and biaxial fretting fatigue tests on individual wires. Fatigue Fract. Eng. Mater. Struct. 2021, 44, 1498–1514. [Google Scholar] [CrossRef]
- Liu, X.R.; Sun, Q. An improved macro—Micro-two-scale model to predict high-cycle fatigue life under variable amplitude loading. Contin. Mech. Thermodyn. 2021, 33, 803–816. [Google Scholar] [CrossRef]
- Chen, Y.; Zheng, Z.; Cai, B.; Xu, J. Initiation and Propagation Behavior of Fatigue Cracks in 2197(Al-Li)-T851 Alloy. Rare Met. Mater. Eng. 2011, 40, 1926–1930. [Google Scholar]
- Tanaka, K. The Propagation of Small Fatigue Cracks. J. Soc. Mater. Sci. Jpn. 1989, 869–887. [Google Scholar] [CrossRef]
- Schur, E.; Afari, N.; Goldberg, J.; Buchwald, D.; Sullivan, P.F. Twin analyses of fatigue. Twin Res. Hum. Genet. 2007, 10, 729–733. [Google Scholar] [CrossRef]
- Stein, C.A. The Role of Twin Boundaries in Fatigue Microcrack Initiation in an Advanced Nickel-Based Alloy. Ph.D. Thesis, Carnegie Mellon University, Pittsburgh, PA, USA, 2015. [Google Scholar]
- Chen, Y.; Pan, S.; Zhou, M.; Yi, D.; Xu, D.; Xu, Y. Effects of inclusions, grain boundaries and grain orientations on the fatigue crack initiation and propagation behavior of 2524-T3 Al alloy. Mater. Sci. Eng. A 2013, 580, 150–158. [Google Scholar] [CrossRef]
- Pippan, R.; Zelger, C.; Gach, E.; Bichler, C.; Weinhandl, H. On the mechanism of fatigue crack propagation in ductile metallic materials. Fatigue Fract. Eng. Mater. Struct. 2015, 34, 1–16. [Google Scholar] [CrossRef]
- Golden, P.J.; Grandt, A.; Bray, G. A comparison of fatigue crack formation at holes in 2024-T3 and 2524-T3 aluminum alloy specimens. Int. J. Fatigue 1999, 21, S211–S219. [Google Scholar] [CrossRef]
- Benam, A.S.; Yazdani, S.; Avishan, B. Effect of shot peening process on fatigue behavior of an alloyed austempered ductile iron. China Foundry 2011, 8, 325–330. [Google Scholar]
- Azadi, M.; Shirazabad, M.M. Heat treatment effect on thermo-mechanical fatigue and low cycle fatigue behaviors of A356.0. Alum. Alloy. Mater. Des. 2013, 45, 279–285. [Google Scholar] [CrossRef]
- Liu, Z.; Wang, J.; Gao, H.; Gao, L. Biaxial fatigue crack propagation behavior of ultrahigh molecular weight polyethylene reinforced by carbon nanofibers and hydroxyapatite. J. Biomed. Mater. Res. Part B Appl. Biomater. 2020, 108, 1603–1615. [Google Scholar] [CrossRef]
- Chen, Y.; Tang, Z.; Pan, S.; Liu, W.; Song, Y.; Liu, Y.; Zhu, B. The fatigue crack growth behaviour of 2524–T3 aluminium alloy in an Al2O3 particle environment. Fatigue Fract. Eng. Mater. Struct. 2020, 43, 2376–2389. [Google Scholar] [CrossRef]











| Mg | Zn | Cu | Cr | Ti | Mn | Si | Fe | Al |
|---|---|---|---|---|---|---|---|---|
| 1.25 | 0.005 | 4.66 | 0.001 | 0.03 | 0.59 | 0.025 | 0.035 | Bal. |
| Stress Level Smax (MPa) | Fatigue Lifetime of Horizontal Samples | Fatigue Lifetime of Longitudinal Samples |
|---|---|---|
| 190 | 205,856 | 175,863 |
| 190 | 235,896 | 168,566 |
| 190 | 317,856 | 125,622 |
| 190 | 295,586 | 192,546 |
| 190 | 281,658 | 186,245 |
| 180 | 302,564 | 324,556 |
| 180 | 398,564 | 285,644 |
| 180 | 412,563 | 385,475 |
| 180 | 405,532 | 265,456 |
| 180 | 546,238 | 326,384 |
| 170 | 795,562 | 475,631 |
| 170 | 682,536 | 568,965 |
| 170 | 865,893 | 589,625 |
| 170 | 795,236 | 532,563 |
| 170 | 800,522 | 589,632 |
| 160 | 862,456 | 632,632 |
| 160 | 879,446 | 612,563 |
| 160 | 952,453 | 685,136 |
| 160 | 924,522 | 692,369 |
| 160 | 852,365 | 663,156 |
| 150 | 1,000,000 | 1,000,000 |
| 150 | 1,000,000 | 994,633 |
| 150 | 1,000,000 | 1,000,000 |
| 150 | 996,223 | 1,000,000 |
| 150 | 1,000,000 | 1,000,000 |
Publisher’s Note: MDPI stays neutral with regard to jurisdictional claims in published maps and institutional affiliations. |
© 2021 by the authors. Licensee MDPI, Basel, Switzerland. This article is an open access article distributed under the terms and conditions of the Creative Commons Attribution (CC BY) license (https://creativecommons.org/licenses/by/4.0/).
Share and Cite
Liu, C.; Ma, L.; Zhang, Z.; Fu, Z.; Liu, L. Research on the Corrosion Fatigue Property of 2524-T3 Aluminum Alloy. Metals 2021, 11, 1754. https://doi.org/10.3390/met11111754
Liu C, Ma L, Zhang Z, Fu Z, Liu L. Research on the Corrosion Fatigue Property of 2524-T3 Aluminum Alloy. Metals. 2021; 11(11):1754. https://doi.org/10.3390/met11111754
Chicago/Turabian StyleLiu, Chi, Liyong Ma, Ziyong Zhang, Zhuo Fu, and Lijuan Liu. 2021. "Research on the Corrosion Fatigue Property of 2524-T3 Aluminum Alloy" Metals 11, no. 11: 1754. https://doi.org/10.3390/met11111754
APA StyleLiu, C., Ma, L., Zhang, Z., Fu, Z., & Liu, L. (2021). Research on the Corrosion Fatigue Property of 2524-T3 Aluminum Alloy. Metals, 11(11), 1754. https://doi.org/10.3390/met11111754

