Thermoactivated Dislocation Motion in Rolled and Extruded Magnesium: Data of the Low-Temperature Acoustic Experiment
Abstract
:1. Introduction
2. Experimental
2.1. Material
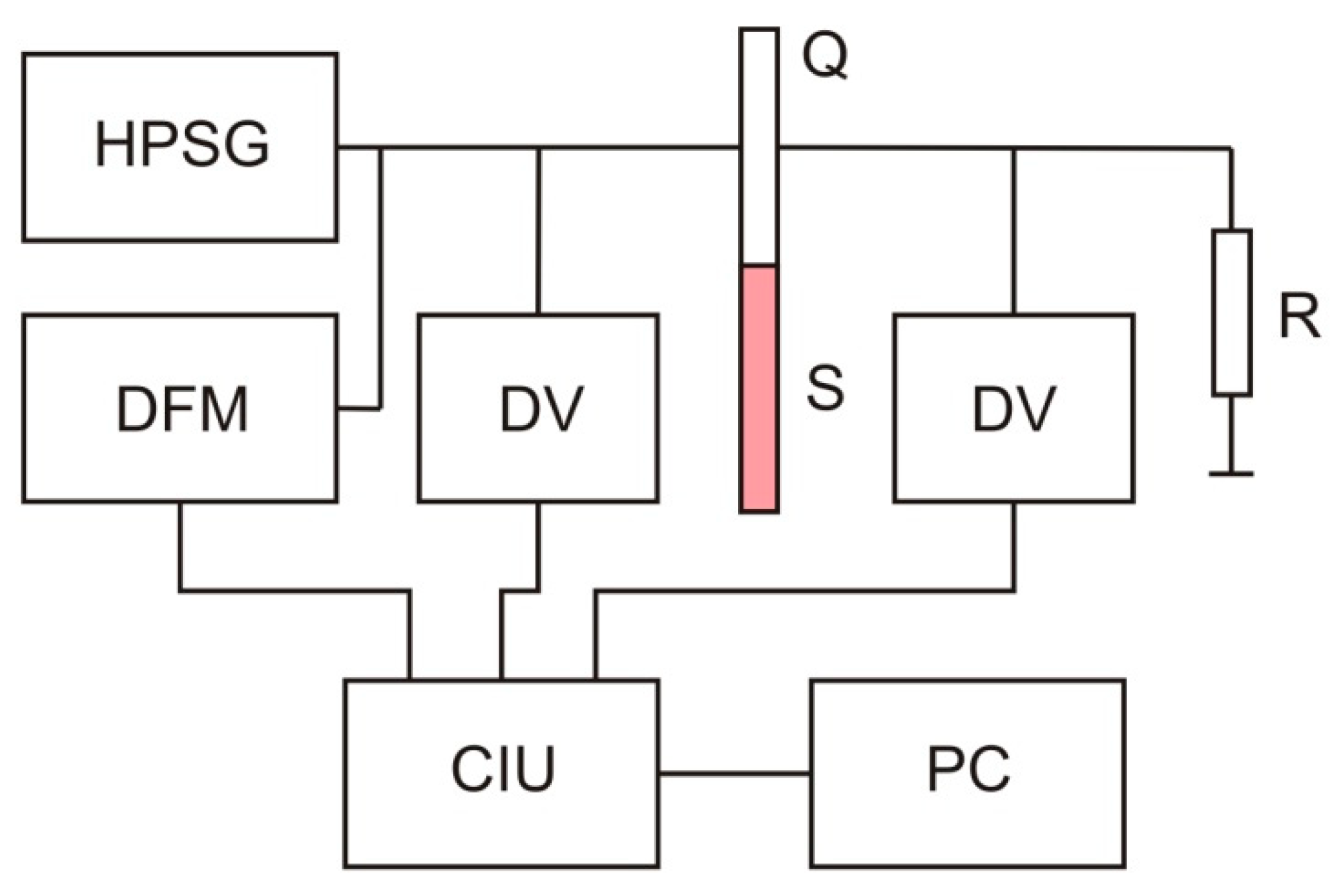
2.2. Acoustic Measurements
3. Results and Discussion
3.1. Amplitude Dependences of Acoustic Properties
3.2. Temperature Dependences of the Dynamic Young’s Modulus
4. Conclusions
- In rolled and extruded samples of commercially pure Mg, well-pronounced amplitude dependences of the logarithmic decrement δH(ε0) and the relative change in the dynamic Young’s modulus (ΔE/E)H(ε0) are found.
- With an increase in temperature, the critical amplitude of the beginning of the amplitude dependences ε0c shifts towards lower deformation amplitudes. Above a certain crossover temperature Tco ≈ 250 K for extruded and Tco ≈ 180 K for rolled specimens, this displacement stopped and the curves δH(ε0) and (ΔE/E)H(ε0) began to shift towards higher deformation amplitudes. The data obtained at temperatures above 250 K for extruded specimens and 180 K for rolled specimens may indicate a change in the microscopic mechanism of dislocation motion in deformed Mg at the crossover temperature.
- The agreement of the experimental data with the Indenbom-Chernov dislocation breakaway theory made it possible to conclude that the dynamic properties of dislocations in technically pure deformed magnesium are largely determined by thermally activated overcoming local pinning centers by dislocations. In the microstrain region, important quantitative characteristics of the interaction of dislocations with pinning centers (such as the binding energy, strain dependences of the activation energy and the activation volume) have been determined.
- In the amplitude independent region, the temperature dependences of the dynamic Young’s modulus E(T) are obtained. As the temperature rises from 51 to 310 K, Young’s modulus decreases by ~10%. In this case, the functional form of the dependences E(T) corresponds to the classical concepts of the effect of thermal excitation of electrons and phonons on the elastic properties of a crystal. Quasi-static increase in Young’s modulus by almost 5% over the entire temperature range in the extruded samples may be caused both by formation of a deformation texture and by a difference in total dislocation densities in the samples. Dynamic effects associated with thermally activated dynamic relaxation of defect structure elements (internal friction peaks) in plastically deformed magnesium polycrystals were not detected in the studied temperature range.
Author Contributions
Funding
Institutional Review Board Statement
Informed Consent Statement
Data Availability Statement
Conflicts of Interest
References
- Pal-Val, P.P.; Pal-Val, L.N.; Rybalko, A.P.; Vatazhuk, E.N. Change of parameters of the Koiwa-Hasiguti dynamic dislocation relaxation in nanostructured and polycrystalline zirconium after severe plastic deformation and annealing. Adv. Mater. Sci. Eng. 2018, 2018, 4170187. [Google Scholar] [CrossRef] [Green Version]
- Pal-Val, P.P.; Loginov, Y.N.; Demakov, S.L.; Illarionov, A.G.; Natsik, V.D.; Pal-Val, L.N.; Davydenko, A.A.; Rybalko, A.P. Unusual Young’s modulus behavior in ultrafine-grained and microcrystalline copper wires caused by texture changes during processing and annealing. Mater. Sci. Eng. A 2014, 618, 9–15. [Google Scholar] [CrossRef]
- Golovin, I.S.; Pal-Val, P.P.; Pal-Val, L.N.; Vatazhuk, E.N.; Estrin, Y. The effect of annealing on the internal friction in ECAP-modified ultrafine grained copper. Solid State Phenom. 2012, 184, 289–294. [Google Scholar] [CrossRef]
- Blanter, M.S.; Golovin, I.S.; Neuhäuser, H.; Sinning, H.-R. Internal Friction in Metallic Materials: A Handbook; Springer: Berlin/Heidelberg, Germany, 2007; 539p. [Google Scholar]
- Kaminskii, V.V.; Lyubimova, Y.V.; Romanov, A.E. Probing of polycrystalline magnesium at ultrasonic frequencies by mechanical spectroscopy. Mater. Phys. Mech. 2020, 44, 19–25. [Google Scholar] [CrossRef]
- Trojanová, Z.; Drozd, Z.; Lukáč, P.; Minárik, P.; Džugan, J.; Halmešová, K. Amplitude dependent internal friction in AZ31 alloy sheets submitted to accumulative roll bonding. Low Temp. Phys. 2018, 44, 966–972. [Google Scholar] [CrossRef]
- Niu, R.; Yan, F.; Wang, Y.; Duan, D.; Yang, X. Effect of Zr content on damping property of Mg–Zr binary alloys. Mater. Sci. Eng. A 2018, 718, 418–426. [Google Scholar] [CrossRef]
- Uhríčik, M.; Dresslerová, Z.; Soviarová, A.; Palček, P.; Kuchariková, L. Change of internal friction on magnesium alloy with 5.48% Al and 0.813% Zn. Proc. Eng. 2017, 177, 568–575. [Google Scholar] [CrossRef]
- Watanabe, H.; Sasakura, Y.; Ikeo, N.; Mukai, T. Effect of deformation twins on damping capacity in extruded pure magnesium. J. Alloy. Compd. 2015, 626, 60–64. [Google Scholar] [CrossRef]
- Koller, M.; Sedlák, P.; Seiner, H.; Ševčik, M.; Landa, M.; Stráská, J.; Janeček, M. An ultrasonic internal friction study of ultrafine-grained AZ31 magnesium alloy. J. Mater. Sci. 2015, 50, 808–818. [Google Scholar] [CrossRef]
- Granato, A.V.; Lücke, K. The vibrating string model of dislocation damping. In Physical Acoustics; Mason, W., Ed.; Academic Press: New York, NY, USA; London, UK, 1966; Volume 4, pp. 225–276. [Google Scholar]
- Indenbom, V.L.; Chernov, V.M. Determination of characteristics of the interaction between point defects and dislocations from internal friction experiments. Phys. Stat. Sol. (a) 1972, 14, 347–354. [Google Scholar] [CrossRef]
- Granato, A.V.; Lücke, K. Temperature dependence of amplitude-dependent dislocation damping. J. Appl. Phys. 1981, 52, 7136–7142. [Google Scholar] [CrossRef]
- Trojanová, Z.; Drozd, Z.; Lukáč, P.; Džugan, J. Studying the thermally activated processes operating during deformation of hcp and bcc Mg–Li metal-matrix composites. Metals 2021, 11, 473. [Google Scholar] [CrossRef]
- Anes, V.; Lage, Y.E.; Vieira, M.; Maia, N.M.M.; Freitas, M.; Reis, L. Torsional and axial damping properties of the AZ31 B-F magnesium alloy. Mech. Syst. Sign. Proc. 2016, 79, 112–122. [Google Scholar] [CrossRef]
- Cui, Y.; Li, J.; Li, Y.; Koizumi, Y.; Chiba, A. Damping capacity of pre-compressed magnesium alloys after annealing. Mater. Sci. Eng. A 2017, 708, 104–109. [Google Scholar] [CrossRef]
- Janovská, M.; Minárik, P.; Sedlák, P.; Seiner, H.; Knapek, M.; Chmelík, F.; Janeček, M.; Landa, M. Elasticity and internal friction of magnesium alloys at room and elevated temperatures. J. Mater. Sci. 2018, 53, 8545–8553. [Google Scholar] [CrossRef]
- Knapek, M.; Minárik, P.; Trojanová, Z.; Kubásek, J.; Hájek, M.; Šmilauerová, J.; Hofman, D.; Stráská, J. The in-situ mechanical spectroscopy and electric resistance study of WE43 magnesium alloy during aging. J. Alloy. Compd. 2018, 743, 646–653. [Google Scholar] [CrossRef]
- Wang, Y.N.; Huang, J.C. Texture analysis in hexagonal materials. Mater. Chem. Phys. 2003, 81, 11–26. [Google Scholar] [CrossRef]
- Natsik, V.D.; Pal-Val, P.P.; Smirnov, S.N. Theory of a compound piezoelectric vibrator. Acoust. Phys. 1998, 44, 553–560. [Google Scholar]
- Kocks, U.F.; Argon, A.S.; Ashby, M.F. Thermodynamics and Kinetics of Slip. In Progress in Materials Science 19; Pergamon Press: Oxford/Edinburg, UK; New York, NY, USA; Toronto, ON, Canada, 1975. [Google Scholar]
- Tromans, D. Elastic anisotropy of hcp metal crystals and polycrystals. Int. J. Res. Rev. Appl. Sci. 2011, 6, 462–483. Available online: https://www.arpapress.com/Volumes/Vol6Issue4/IJRRAS_6_4_14.pdf (accessed on 17 October 2021).
- Born, M.; Huang, K. Dynamical Theory of Crystal Lattices; Oxford University Press: London, UK, 1954. [Google Scholar]
- Varshni, Y.P. Temperature dependence of the elastic constants. Phys. Rev. B 1970, 2, 3952–3958. [Google Scholar] [CrossRef]
- Alers, G.A. The measurement of very small sound velocity changes and their use in the study of solids. In Physical Acoustics; Mason, W., Ed.; Academic Press: New York, NY, USA; London, UK, 1966; Volume 4, pp. 277–296. [Google Scholar]
- Girifalco, L.A. Statistical Mechanics of Solids; Oxford University Press: New York, NY, USA, 2000; 519p. [Google Scholar]
- Vatazhuk, E.N.; Pal-Val, P.P.; Natsik, V.D.; Pal-Val, L.N.; Tikhonovsky, M.A.; Velikodny, A.N.; Khaimovich, P.A. Low-temperature acoustic properties of nanostructured zirconium obtained by intensive plastic deformation. Low Temp. Phys. 2011, 37, 169–176. [Google Scholar] [CrossRef]










| Parameter | Rolled Sample | Extruded Sample |
|---|---|---|
| θ, K | 185.8 | 141.3 |
| a, GPa | 3.646 | 2.843 |
| E0, GPa | 46.440 | 48.977 |
Publisher’s Note: MDPI stays neutral with regard to jurisdictional claims in published maps and institutional affiliations. |
© 2021 by the authors. Licensee MDPI, Basel, Switzerland. This article is an open access article distributed under the terms and conditions of the Creative Commons Attribution (CC BY) license (https://creativecommons.org/licenses/by/4.0/).
Share and Cite
Pal-Val, P.; Vatazhuk, O.; Ostapovets, A.; Král, L.; Pinc, J. Thermoactivated Dislocation Motion in Rolled and Extruded Magnesium: Data of the Low-Temperature Acoustic Experiment. Metals 2021, 11, 1647. https://doi.org/10.3390/met11101647
Pal-Val P, Vatazhuk O, Ostapovets A, Král L, Pinc J. Thermoactivated Dislocation Motion in Rolled and Extruded Magnesium: Data of the Low-Temperature Acoustic Experiment. Metals. 2021; 11(10):1647. https://doi.org/10.3390/met11101647
Chicago/Turabian StylePal-Val, Pavel, Olena Vatazhuk, Andriy Ostapovets, Lubomír Král, and Jan Pinc. 2021. "Thermoactivated Dislocation Motion in Rolled and Extruded Magnesium: Data of the Low-Temperature Acoustic Experiment" Metals 11, no. 10: 1647. https://doi.org/10.3390/met11101647
APA StylePal-Val, P., Vatazhuk, O., Ostapovets, A., Král, L., & Pinc, J. (2021). Thermoactivated Dislocation Motion in Rolled and Extruded Magnesium: Data of the Low-Temperature Acoustic Experiment. Metals, 11(10), 1647. https://doi.org/10.3390/met11101647

