Equal-Channel Angular Extrusion (ECAE): From a Laboratory Curiosity to an Industrial Technology
Abstract
1. Introduction
- Surface simple shear developed by contact friction (HPT, high-pressure tube twisting, cone-cone method, etc.);
- Local surface straining by sliding, rolling or penetration (processes of surface SPD);
- Simple shear along the lines of velocity discontinuities in ordinary forming operations (multi-directional forging, cyclic extrusion-compression, repetitive forward/backward extrusion, etc.);
- Simple shear between areas of strong flow inhomogeneity (known as “simple shear” and “pure shear” extrusions, equal-channel forward extrusion);
- Internal simple shear induced by successive shifting or twisting through the complete material volume (ECAE, twist-extrusion).
2. Mechanics of Simple Shear Processing
2.1. Ideal-Plastic Model of ECAE
2.2. Contact Friction
2.3. Channel Design
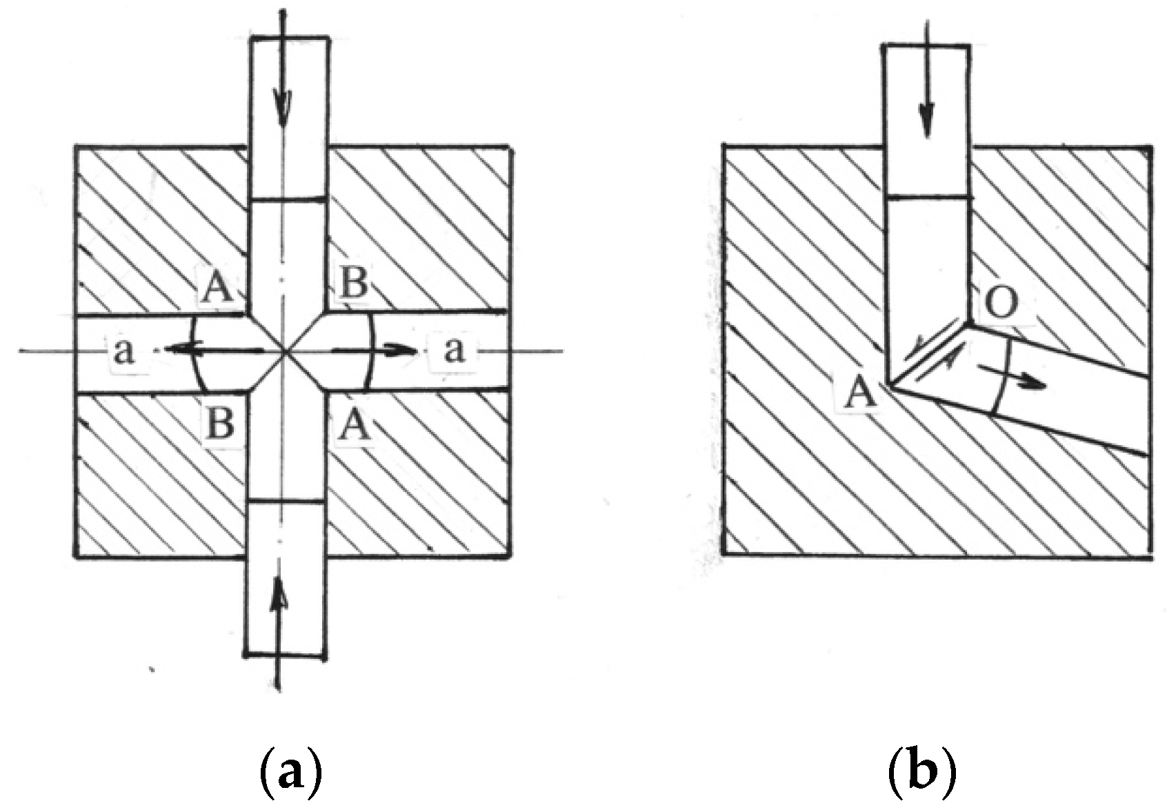
2.4. Intersection Angle between Channels
2.5. Secondary Effects.
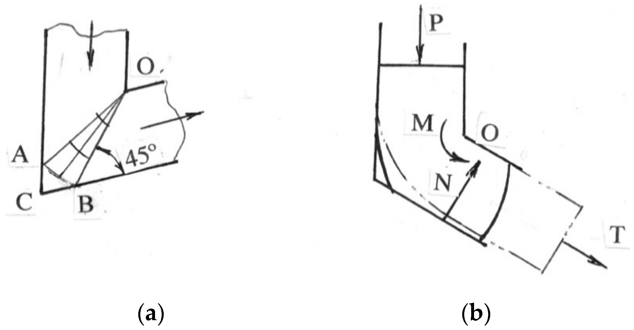
- (i)
- The “gap” (Figure 4a) between the material and tool at the outside channel corner A is usually observed after 1–2 passes and disappears with the increase of passes. It may lead to laps at the bottom billet surface. Applying moderate back pressure T in the outlet channel is an effective way to eliminate the “gap”;
- (ii)
- The small-scale localization at the bottom billet surface (Figure 4b) unveils and brings the atomically clean material in contact with the tool forming local centers of galling. Under high contact pressure and intensive sliding, local centers grow and finally lead to poor surface finish, large extrusion pressure, and low tool life. This can be avoided by eliminating sliding between the material and tool;
- (iii)
- The tendency for material rotation after crossing the shear plane (Figure 4c) is balanced by a reactive moment M in the outlet channel. This moment re-bends the material and develops tensile stresses in the vicinity of the channel corner O that leads to ductile fracture at the top billet surface. A small radius r of the inside channel corner removes a stress singularity around the sharp corner O, modifies stresses in this region from tensile to compression, and eliminates surface cracks [20].
3. Optimal ECAE Processing
- Contact friction should be as low as possible. It is important to lubricate billets and both channels before each pass.
- As billets in channels have a constant speed, tool walls moving with the same speed result in zero friction along related boundaries. This requirement is especially important for the bottom wall of the outlet channel.
- The optimal design comprises channels with a sharp outside corner and sufficient radii r at the inside corner. Additionally, the optimal design should apply automatically some back pressure during processing.
- The intersecting angle of 90° between channels provides the maximum shear strain per pass and results in acceptable extrusion stresses for most materials.
4. Evolution of the ECAE Tool
4.1. Early Development
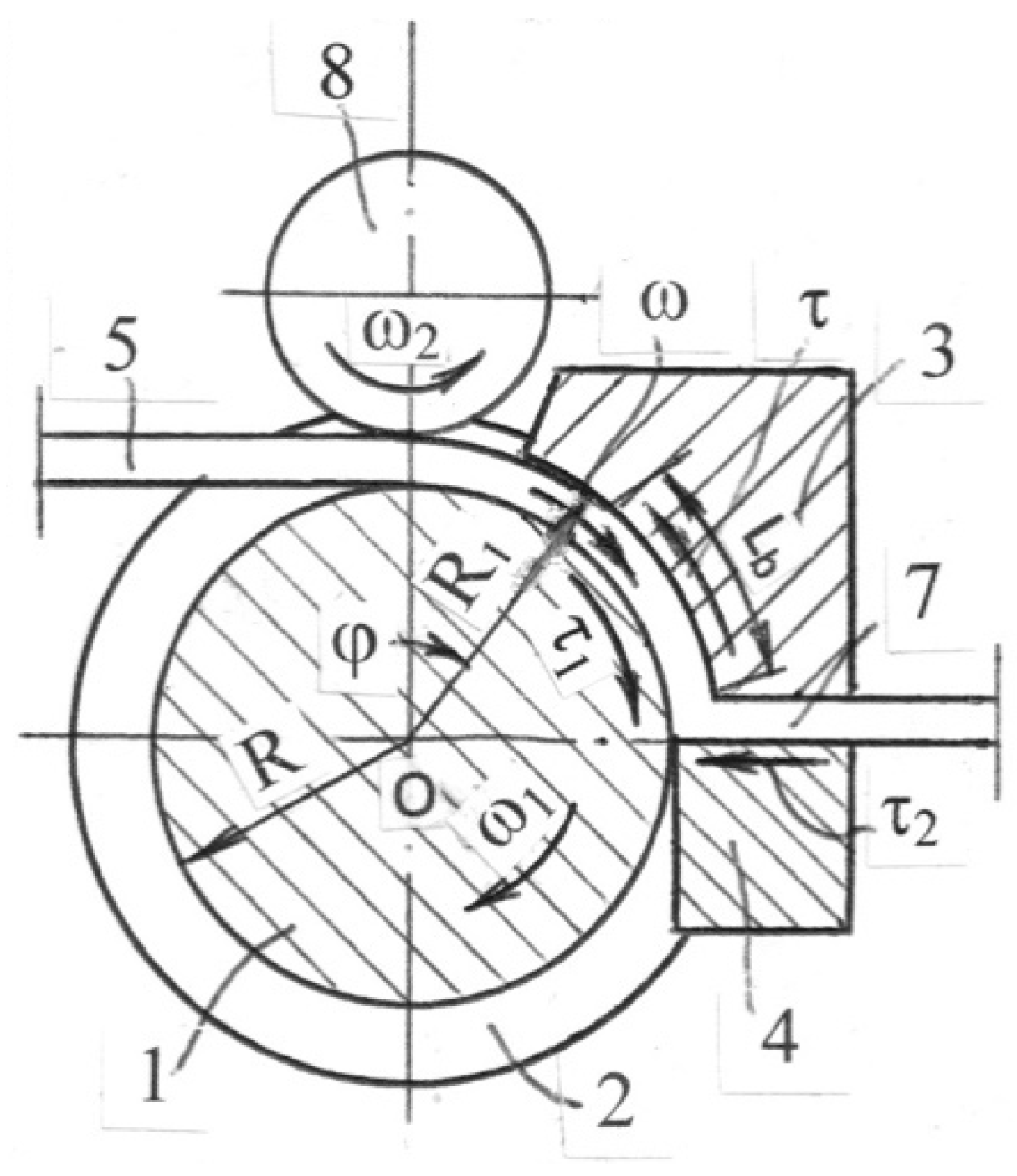
4.2. Movable Channel Walls
4.3. Plate Billets
4.4. Large-Scale Tool
4.5. Continuous ECAE
4.6. Semi-Continuous ECAE (sc-ECAE)
5. First Commercialization of ECAE
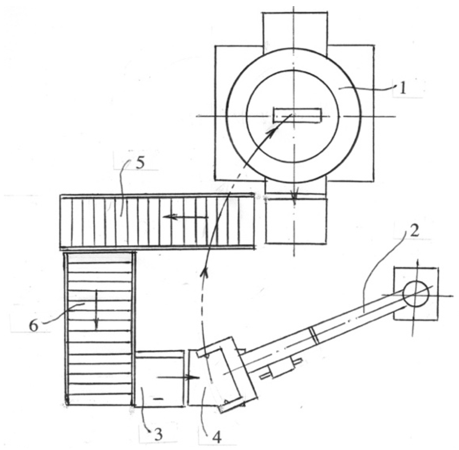
6. Large-Scale Semi-Continuous ECAE
6.1. Die Design
6.2. Industrial Verification
6.3. Next Step
7. Conclusions
- ECAE was the first metal-working operation for material modification by simple shear. This deformation mode is the intrinsic characteristic of SPD. Therefore, the realization of simple shear was the principal idea for the invention of ECAE, for research ECAE at the laboratory scale, and its further development as an industrial technology.
- The correct analysis of the processing mechanics presented the basis for the development of ECAE. Under conditions of SPD, the ideal-plastic model and the slip-line theory provide a suitable methodology for analysis of the stress-strain state and its approximation to simple shear through the material volume depending on tool geometry and boundary conditions.
- Process optimization has been performed using related analytical and experimental data including variations in tool geometry and friction conditions.
- New versions of ECAE with movable channel walls have been introduced for plate and large-scale billets, for continuous and semi-continuous processing. They have significantly extended the industrial capability of the ECAE technique.
- The most important and challenging step in the development of the ECAE technology is tool design. The advanced tool for semi-continuous ECAE of large-scale products is described in detail.
- Technological developments of new techniques of SPD are successful, if they are related to specific practical problems and materials. An example is the study that described the commercialization of ECAE for sputtering targets.
- Large-scale industrial tool and fully automated line for multi-pass ECAE processing are also presented for the first time.
- Finally, the careful consideration of all production steps including pre-processing, processing, and post-processing is important for transforming the techniques of SPD into cost-effective and competitive industrial operations.
Author Contributions
Funding
Conflicts of Interest
References
- Bridgman, P.W. Studies in Large Plastic Deformation and Fracture; McGraw-Hill: New York, NY, USA, 1952; p. 362. [Google Scholar]
- Bridgman, P.W. Flow phenomena in heavily stressed metals. J. Appl. Phys. 1937, 8, 328–336. [Google Scholar] [CrossRef]
- Segal, V.M. Processing Mechanics of Severe Plastic Deformation. In Fundamentals and Engineering of Severe Plastic Deformation; Segal, V.M., Beyerlein, I.J., Tome, C.N., Chuvil’deev, V.N., Kopylov, V.I., Eds.; Nova: Amityville, NY, USA, 2010; p. 542. [Google Scholar]
- Segal, V.M. Review: Modes and processes of severe plastic deformation. Materials 2018, 11, 1175. [Google Scholar] [CrossRef] [PubMed]
- Segal, V.M.; Reznikov, V.I.; Drobyshevski, A.E.; Kopylov, V.I. Plastic working of metals by simple shear. Russ. Metall. 1981, 1, 99–105. [Google Scholar]
- Azushima, A.; Kopp, R.; Korhorn, A.; Yang, D.; Miari, F.; Lahoti, G.; Groche, P.; Yanagimoto, J.; Tsuji, N.; Rosochewski, A. Severe plastic deformation (SPD) processes for metals. CIRP Ann. 2008, 57, 716–735. [Google Scholar] [CrossRef]
- Estrin, Y.; Vinogradov, A. Extrim grain refinement by severe plastic deformation: A wealth of challenging science. Acta Mater. 2013, 61, 782–817. [Google Scholar] [CrossRef]
- Bagherpour, E.; Padic, N.; Reihanian, M.; Abrahimi, R. An overview on severe plastic deformation: Research state, technical classification, microstructure evolution, and applications. Int. J. Adv. Manuf. Technol. 2019, 100, 1647–1694. [Google Scholar] [CrossRef]
- Pippan, R.; Hohenwarten, A. High pressure torsion. In Severe Plastic Deformation Technology; Rosochowski, A., Ed.; Whittles Publishing: Dunbeath, UK, 2017; pp. 135–163. [Google Scholar]
- Toth, L.S.; Arzaghi, H.; Fundenberger, J.J.; Beausir, B.; Arrufatt-Massion, R. Severe plastic deformation of metals by high-pressure tube twisting. Scr. Mater. 2009, 60, 175–177. [Google Scholar] [CrossRef]
- Pu, Z.; Yang, S.; Song, G.L.; Dillon, O.W., Jr.; Puleo, D.A.; Jawahir, I.S. Ultra-finegrained surface layer on Mg-Al-Zn alloy produced by cryogenic burnishing for advanced corrosion resistance. Scr. Mater. 2011, 64, 520–523. [Google Scholar] [CrossRef]
- Wang, K.; Tao, N.R.; Liu, G.; Lu, J.; Lu, K. Plastic strain-induced grain refinement at the nanometer scale in copper. Acta Mater. 2006, 54, 5281–5291. [Google Scholar] [CrossRef]
- Imaev, R.M.; Imaev, V.M.; Salischev, G.A. Formation of sub-micro-crystalline microstructure in TiAl inter-metallic compound. J. Mater. Sci. 1992, A27, 3369–4465. [Google Scholar]
- Richert, J. Cyclic-extrusion-compression. In Severe Plastic Deformation Technology; Rosochowski, A., Ed.; Whittles Publishing: Dunbeath, UK, 2017; pp. 165–201. [Google Scholar]
- Pardis, N.; Ebrahimi, R. Deformation behavior in simple shear extrusion (SSE) as a new severe plastic deformation technique. Mater. Sci. Eng. 2009, A527, 355–360. [Google Scholar] [CrossRef]
- Rahimi, R.; Eivani, A.R. A new severe plastic deformation technique based on pure shear. Mater. Sci. Eng. 2013, A626, 423–431. [Google Scholar] [CrossRef]
- Beygelzimer, Y.; Varyuhin, V.N.; Kylagin, R.; Orlov, D. Twist-extrusion. In Severe Plastic Deformation Technology; Rosochowski, A., Ed.; Whittles Publishing: Dunbeath, UK, 2017; pp. 202–234. [Google Scholar]
- Segal, V.M. Equal-channel angular extrusion. In Severe Plastic Deformation Technology; Rosochwski, A., Ed.; Whittles Publishing: Dunbeath, UK, 2017; pp. 1–40. [Google Scholar]
- Segal, V.M. Mechanics of continuous equal-channel angular extrusion. J. Mater. Process. Technol. 2010, 210, 542–549. [Google Scholar] [CrossRef]
- Luri, R.; Luis, C.J.; Leon, J.; Sebastian, M.A. A new configuration of equal-channel angular extrusion dies. J. Manuf. Sci. Eng. 2006, 128, 860–865. [Google Scholar] [CrossRef]
- Segal, V.M. Plastic Deformation of Crystalline Materials. U.S. Patent No. 5,513,512, 17 July 1994. [Google Scholar]
- Segal, V.M. Method and Apparatus for Intensive Plastic Deformation of Flat Billets. U.S. Patent No.5,850,755, 8 February 1995. [Google Scholar]
- Soschnikov, V.S.; Hirdgiev, S.G.; Vakylin, A.A.; Sidenko, N. Apparatus for Deforming of Billets. USSR Invention Certificate No. 875711, 12 March 1980. [Google Scholar]
- Segal, V.M.; Reznikov, V.I.; Kopylov, V.I.; Pavlik, D.A.; Malyshev, V.K. Processes of Plastic Structure Formation in Metals; Science and Engineering: Minsk, Belarus, 1994; p. 232. [Google Scholar]
- Segal, V.M. Method of Equal-Channel Angular Extrusion. U.S. Patent Application No. 2017/0320115, 5 May 2017. [Google Scholar]
- Ferrasse, S.; Segal, V.M.; Alford, F.; Strothers, S.; Kardokus, J.; Grabmeier, S.; Evans, J. Scale up and commercialization of ECAE sputtering products with sub-microcrystalline structure. In Severe plastic deformation: Toward Bulk Production of Nanostructured Materials; Altan, B.S., Ed.; Nova Science Publishing: New York, NY, USA, 2005; pp. 585–601. [Google Scholar]
- Segal, V.; Reznikov, S.V.; Murching, N.; Hammond, V.H.; Kecskes, L.J. Semi-continuous equal-channel angular extrusion with rolling of AA5083 and AZ31 alloys. Metals 2019, 9, 1035. [Google Scholar] [CrossRef]













© 2020 by the author. Licensee MDPI, Basel, Switzerland. This article is an open access article distributed under the terms and conditions of the Creative Commons Attribution (CC BY) license (http://creativecommons.org/licenses/by/4.0/).
Share and Cite
Segal, V. Equal-Channel Angular Extrusion (ECAE): From a Laboratory Curiosity to an Industrial Technology. Metals 2020, 10, 244. https://doi.org/10.3390/met10020244
Segal V. Equal-Channel Angular Extrusion (ECAE): From a Laboratory Curiosity to an Industrial Technology. Metals. 2020; 10(2):244. https://doi.org/10.3390/met10020244
Chicago/Turabian StyleSegal, Vladimir. 2020. "Equal-Channel Angular Extrusion (ECAE): From a Laboratory Curiosity to an Industrial Technology" Metals 10, no. 2: 244. https://doi.org/10.3390/met10020244
APA StyleSegal, V. (2020). Equal-Channel Angular Extrusion (ECAE): From a Laboratory Curiosity to an Industrial Technology. Metals, 10(2), 244. https://doi.org/10.3390/met10020244
