Effect of the t8/5 Cooling Time on the Properties of S960MC Steel in the HAZ of Welded Joints Evaluated by Thermal Physical Simulation
Abstract
1. Introduction
2. Materials and Methods
2.1. Experimental S960MC Material
2.2. Experimental Welding
2.3. Preparation of Input Data for Physical Simulation
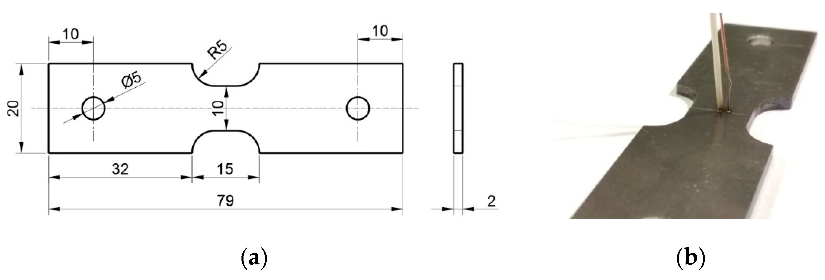
2.4. Preparation of Test Samples and Their Physical Simulation on Gleeble
3. Results and Discussion
3.1. Tensile Test and Charpy Pendulum Test
3.2. Charpy Fracture Surfaces
3.3. Microstructure Analysis
3.4. Hardness Test
4. Conclusions
- The results of the tensile test show that the loading of the base material by a temperature cycle with a maximum temperature of 1105 °C and cooling time t8/5 = 7 s caused a decrease in the tensile strength to 94% and in the yield strength to 91% of the base material values. The value of tensile strength was above the minimum required tensile strength value, but the yield strength was already below the minimum yield strength value required for S960MC steel. For the samples 10s and 17s with longer t8/5 times, this decrease was even greater and the tensile strength and yield strength did not reach the minimum values for S960MC steel. This phenomenon is associated with grain coarsening and a higher degree of martensite tempering and results in a decrease in hardness and hence strength;
- For the Charpy pendulum impact tests of samples with a reduced width of 2 mm, the absorbed energy values at the test temperature of −40 °C of all the simulated samples were higher than in the base material. At the same time, there was a trend of an increasing absorbed energy value with an increasing t8/5 cooling time. This increase can be explained—just like in strength tests—by a more pronounced effect of tempering the martensitic structure during reheating. However, the effect of grain growth in this case did not affect the absorbed energy value. After converting the absorbed energy to a standard sample width of 10 mm, all samples exceeded the KV = 27 J limit for S960MC steel. Fracture surfaces in all tested samples including the base material had the same characteristics of transcrystalline ductile fracture with a typical dimple morphology;
- Microstructure analysis was carried out in the central part of the simulated samples that were exposed to the same maximum temperature of 1105 °C, but cooled at different rates expressed by t8/5 time. The character of the microstructure was similar in all samples, consisting of coarse grains of the original austenite transformed back into martensite and tempered martensite. The grain size determined by the linear method was 18 µm for the 7s sample. A slight increase was observed for the 10s and 17s samples. The results indicate that the cooling rate had no significant effect on the grain size;
- A decrease in microhardness in the middle part of the Gleeble sample corresponding to the CGHAZ zone compared to the base material was observed in all test samples. For the 7s sample, this value was lower by 33 HV1 than the base material hardness, reaching 328 HV1. For the 10s and 17s samples, the value dropped even lower, to 309 HV1 and 302 HV1, respectively. The base material hardness was 361 HV1. The results show that thermal loading of the base material to a temperature of 1105 °C causes a decrease in hardness and is associated with a change in structure. A greater decrease in hardness is generated as the t8/5 cooling time increases;
- When MAG welding 3 mm thick S960MC steel, it is necessary to ensure that appropriate welding conditions are used so that the temperature cycle in the HAZ reaches t8/5 < 7 s. It is possible to use an external method of heat removal from the HAZ by using coolers in combination with a welding mode that generates the lowest possible heat input while maintaining weld integrity.
Author Contributions
Funding
Conflicts of Interest
References
- Schaupp, S.; Schroepfer, D.; Kromm, A.; Kannengiesser, T. Welding residual stresses in 960 MPa grade QT and TMCP high-strength steels. J. Manuf. Process. 2017, 27, 226–232. [Google Scholar] [CrossRef]
- Branco, R.; Berto, F. Mechanical Behavior of High-Strength, Low-Alloy Steels. Metals 2018, 8, 610. [Google Scholar] [CrossRef]
- Laitila, J.; Larkiola, J. Effect of enhanced cooling on mechanical properties of a multipass welded martensitic steel. Weld. World 2019, 63, 637–646. [Google Scholar] [CrossRef]
- Njock Bayock, F.; Kah, P.; Mvola, B.; Layus, P. Effect of heat input and undermatched filler wire on the microstructure and mechanical properties of dissimilar S700MC/S960QC high-strength steels. Metals 2019, 9, 883. [Google Scholar] [CrossRef]
- Taavitsainen, J.; Santos Vilaca da Silva, P.; Porter, D.; Suikkanen, P. Weldability of Direct-Quenched Steel with a Yield Stress of 960 MPa. In Proceedings of the 10th International Conference on Trends in Welding Research and 9th International Welding Symposium of Japan Welding Society (9WS), Tokyo, Japan, 11–14 October 2017; pp. 52–55. [Google Scholar]
- Ślęzaka, S.; Śnieżeka, L. Comparative LCF study of S960QL high strength steel and S355J2 mild steel. Procedia Eng. 2015, 114, 78–85. [Google Scholar] [CrossRef]
- Lago, J.; Trško, L.; Jambor, M.; Nový, F.; Bokůvka, O.; Mičian, M.; Pastorek, F. Fatigue life improvement of the high strength steel welded joints by ultrasonic impact peening. Metals 2019, 9, 619. [Google Scholar] [CrossRef]
- Hochhauser, F.; Ernst, W.; Rauch, R.; Vallant, R.; Enzinger, N. Influence of the soft zone on the strength of welded modern hsla steels. Weld. World 2012, 56, 77–85. [Google Scholar] [CrossRef]
- Björk, T.; Toivonen, J.; Nykänen, T. Capacity of fillet welded joints made of ultra high-strength steel. Weld. World 2012, 56, 71. [Google Scholar] [CrossRef]
- Nowacki, J.; Sajek, A.; Matkowski, P. The influence of welding heat input on the microstructure of joints of S1100QL steel in one-pass welding. Arch. Civ. Mech. Eng. 2016, 16, 777–783. [Google Scholar] [CrossRef]
- Guo, W.; Crowther, D.; Francis, J.A.; Thompson, A.; Liuc, Z.; Li, L. Microstructure and mechanical properties of laser welded S960 high strength steel. Mater. Des. 2015, 85, 534–548. [Google Scholar] [CrossRef]
- Guo, W.; Li, L.; Dong, S.; Crowther, D.; Thompson, A. Comparison of microstructure and mechanical properties of ultra-narrow gap laser and gas-metal-arc welded S960 high strength steel. Opt. Lasers Eng. 2017, 91, 1–15. [Google Scholar] [CrossRef]
- Kopas, P.; Sága, M.; Jambor, M.; Nový, F.; Trško, L.; Jakubovičová, L. Comparison of the mechanical properties and microstructural evolution in the HAZ of HSLA DOMEX 700MC welded by gas metal arc welding and electron beam welding. MATEC Web Conf. 2018, 244, 01009. [Google Scholar] [CrossRef]
- Górka, J. Structure and Properties of Hybrid Laser Arc Welded T-joints (Laser Beam–MAG) in Thermo-mechanical Control Processed Steel S700MC of 10 mm thickness. Arch. Metall. Mater. 2018, 63, 1125–1131. [Google Scholar]
- Sajek, A.; Nowacki, J. Comparative evaluation of various experimental and numerical simulation methods for determination of t8/5 cooling times in HPAW process weldments. Arch. Civ. Mech. Eng. 2018, 18, 583–591. [Google Scholar] [CrossRef]
- Samardžić, I.; Dunđer, M.; Katinić, M.; Krnić, N. Weldability investigation on real welded plates of fine-grained high-strength steel S960QL. Metalurgija 2017, 56, 207–210. [Google Scholar]
- Lahtinen, T.; Vilaça, P.; Peura, P.; Mehtonen, S. MAG welding tests of modern high strength steels with minimum yield strength of 700 MPa. Appl. Sci. 2019, 9, 1031. [Google Scholar] [CrossRef]
- Sefcikova, K.; Brtnik, T.; Dolejs, J.; Keltamaki, K.; Topilla, R. Mechanical properties of heat affected zone of high strength steels. IOP Conf. Ser. Mater. Sci. Eng. 2015, 96, 012053. [Google Scholar] [CrossRef]
- Pisarski, H.G.; Dolby, R.E. The significance of softened HAZs in high strength structural steels. Weld. World 2003, 47, 32. [Google Scholar] [CrossRef]
- Schneider, C.; Ernst, W.; Schnitzer, R.; Staufer, H.; Vallant, R.; Enzinger, N. Welding of S960MC with undermatching filler material. Weld. World 2018, 62, 801. [Google Scholar] [CrossRef]
- Barsoum, Z.; Khurshid, M. Ultimate strength capacity of welded joints in high strength steels. Procedia Struct. Integrity 2017, 5, 1401–1408. [Google Scholar] [CrossRef]
- Moravec, J.; Novakova, I.; Sobotka, J.; Neumann, H. Determination of grain growth kinetics and assessment of welding effect on properties of S700MC steel in the HAZ of welded joints. Metals 2019, 9, 707. [Google Scholar] [CrossRef]
- Gáspár, M. Effect of welding heat input on simulated HAZ areas in S960QL high strength steel. Metals 2019, 9, 1226. [Google Scholar] [CrossRef]
- Dunđer, M.; Vuherer, T.; Samardžić, I. Weldability prediction of high strength steel S960QL after weld thermal cycle simulation. Metalurgija 2014, 53, 627–630. [Google Scholar]
- Jambor, M.; Ulewicz, R.; Nový, F.; Bokůvka, O.; Trško, L.; Mičian, M.; Harmaniak, D. Evolution of microstructure in the heat affected zone of S960MC GMAW weld. Mater. Res. Proc. 2018, 5, 78–83. [Google Scholar]
- Jambor, M.; Novy, F.; Mician, M.; Trsko, L.; Bokuvka, O.; Pastorek, F.; Harmaniak, D. Gas metal arc welding of thermo-mechanically controlled processed S960MC steel thin sheets with different welding parameters. Commun. Sci. Lett. Univ. Zilina 2018, 20, 29–35. [Google Scholar]
- Gleeble User Training 2012. Gleeble Systems and Applications; Dynamic Systems Inc.: Poestenkill, NY, USA, 2013. [Google Scholar]
- Strenx. Welding of Strenx; SSAB AB: Stockholm, Sweden, 2017. [Google Scholar]
- Ferreira, D.N.B.; Alves, A.N.S.; Neto, R.M.A.C.; Martins, T.F.; Brandi, S.D. A New Approach to simulate HSLA steel multipass welding through distributed point heat sources model. Metals 2018, 8, 951. [Google Scholar] [CrossRef]


















| According to | Chemical Composition [%] wt.—S960MC Steel | ||||||||||
|---|---|---|---|---|---|---|---|---|---|---|---|
| C | Si | Mn | P | S | Al | Nb | V | Ti | Mo | B | |
| EN 10149-2 * | 0.20 | 0.60 | 2.20 | 0.025 | 0.010 | 0.015 | 0.090 | 0.20 | 0.250 | 1.000 | 0.005 |
| Inspection ** certificate | 0.085 | 0.18 | 1.06 | 0.01 | 0.003 | 0.036 | 0.002 | 0.007 | 0.026 | 0.109 | 0.001 |
| According to | Angle to the Rolling Direction | Mechanical Properties S960MC, Thickness 3 mm | ||||||
|---|---|---|---|---|---|---|---|---|
| Rp0.2 [MPa] | Rm [MPa] | Rp0.2/Rm | A [%] | Planar Anisotropy Coefficient P [%] | ||||
| PRm | PRp0.2 | PA | ||||||
| EN 10149-2 | - | min. 960 | 980–1250 | - | min. 7 | - | - | - |
| Experimental measurements | 0° | 1007 | 1092 | 0.92 | 7.9 | - | - | - |
| 45° | 1018 | 1106 | 0.92 | 6.7 | 1.2 | 1.1 | −14.4 | |
| 90° | 1044 | 1124 | 0.93 | 6.5 | 2.9 | 3.6 | −17.0 | |
| Sample No. | Rp0.2 [MPa] | Average Value of Rp0.2 [MPa] | Rm [MPa] | Average Value of Rm [MPa] | Rp0.2/Rm |
|---|---|---|---|---|---|
| BM | 1007.2 | 1007.2 | 1092.2 | 1092.2 | 0.92 |
| 7s-01 7s-02 | 923.1 911.7 | 917.4 | 1031.5 1022.9 | 1027.2 | 0.89 |
| 10s-01 10s-02 | 873.8 876.5 | 875.1 | 974.4 970.9 | 972.7 | 0.90 |
| 17s-01 17s-02 | 836.3 868.2 | 852.2 | 920.7 952.6 | 936.6 | 0.91 |
| Sample No. | KV [J], 2 × 10 mm | Average Value of KV [J], 2 × 10 mm | KVC [J·cm−2] | KV [J], 10 × 10 mm (Calculated) |
|---|---|---|---|---|
| BM | 17 | 17 | 106.3 | 85.0 |
| 7s-01 7s-02 | 19 21 | 20 | 125.0 | 100.0 |
| 10s-01 10s-02 | 25 22 | 23,5 | 146.9 | 117.5 |
| 17s-01 17s-02 | 26 30 | 28 | 175.0 | 140.0 |
| Sample No. | Hardness in the Centre of Sample, HV1 |
|---|---|
| BM | 361 |
| 7s | 328 |
| 10s | 309 |
| 17s | 302 |
© 2020 by the authors. Licensee MDPI, Basel, Switzerland. This article is an open access article distributed under the terms and conditions of the Creative Commons Attribution (CC BY) license (http://creativecommons.org/licenses/by/4.0/).
Share and Cite
Mičian, M.; Harmaniak, D.; Nový, F.; Winczek, J.; Moravec, J.; Trško, L. Effect of the t8/5 Cooling Time on the Properties of S960MC Steel in the HAZ of Welded Joints Evaluated by Thermal Physical Simulation. Metals 2020, 10, 229. https://doi.org/10.3390/met10020229
Mičian M, Harmaniak D, Nový F, Winczek J, Moravec J, Trško L. Effect of the t8/5 Cooling Time on the Properties of S960MC Steel in the HAZ of Welded Joints Evaluated by Thermal Physical Simulation. Metals. 2020; 10(2):229. https://doi.org/10.3390/met10020229
Chicago/Turabian StyleMičian, Miloš, Daniel Harmaniak, František Nový, Jerzy Winczek, Jaromír Moravec, and Libor Trško. 2020. "Effect of the t8/5 Cooling Time on the Properties of S960MC Steel in the HAZ of Welded Joints Evaluated by Thermal Physical Simulation" Metals 10, no. 2: 229. https://doi.org/10.3390/met10020229
APA StyleMičian, M., Harmaniak, D., Nový, F., Winczek, J., Moravec, J., & Trško, L. (2020). Effect of the t8/5 Cooling Time on the Properties of S960MC Steel in the HAZ of Welded Joints Evaluated by Thermal Physical Simulation. Metals, 10(2), 229. https://doi.org/10.3390/met10020229

