Effect of Microstructure on Corrosion Behavior of WE43 Magnesium Alloy in As Cast and Heat-Treated Conditions
Abstract
1. Introduction
2. Materials and Methods
2.1. Material Preparation
2.2. Immersion Test
2.3. Microstructure Characterization
3. Results
3.1. The Initial Microstructure of As-Cast WE43 and WE43-T5
3.2. Corrosion Behavior
4. Discussion
5. Conclusions
- (1)
- For the as-cast WE43 alloy, the eutectic dissolved after T5 heat treatment and the grain size decreased significantly from 54.1 ± 18.6 to 24.8 ± 12.5 µm. However, T5 heat treatment did not dissolve the second phase.
- (2)
- The corrosion rate and mass loss of as-cast WE43 and WE43-T5 were the same at the beginning of corrosion, while the corrosion reaction in as-cast WE43 increased rapidly after the 4th day, reaching 3.64 ± 0.81 mg·cm−2·day−1 on the 7th day. On the contrary, the corrosion rate of WE43-T5 did not change much.
- (3)
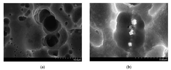
- The hemispheric dome structure formed above the Zr-rich phase was ascribed to the large potential difference between the Zr-rich phase and the α-Mg matrix. On the one hand, the cathodic reaction occurs in the Zr-rich phase, which generates more hydroxide and increases the pH value, thus producing more Mg (OH)2 corrosion films, which alleviates the corrosion rate of WE43 to some extent. On the other hand, the anodic reaction occurs far away from the Zr-rich phase, which accelerated the corrosion rate. In general, the Zr-rich phase has a negative effect on slowing down the corrosion reaction. The Y-rich phase, identified as β-Mg14Nd2Y, is quite small compared to other phases and has an insignificant influence on corrosion behavior, and a certain amount of the Y-rich phase is found near pitting corrosion. The eutectic, which was identified as Mg24RE5 in our previous study, is large and has irregular sharp morphology leading to a significant increase in the corrosion rate. It is noted that whether the size of the eutectic phase affects the corrosion rate is linked to the thickness of the corrosion layer, and the critical size for damaging the integrity of the films on the surface of untreated WE43 and WE4-T5 should be 27 µm and 10 µm, respectively.
Author Contributions
Funding
Acknowledgments
Conflicts of Interest
References
- Xu, T.; Yang, Y.; Peng, X.; Song, J.; Pan, F. Overview of advancement and development trend on magnesium alloy. J. Magnes. Alloys 2019, 7, 536–544. [Google Scholar] [CrossRef]
- Chen, Y.; Xu, Z.; Smith, C.; Sankar, J. Recent advances on the development of magnesium alloys for biodegradable implants. Acta Biomater. 2014, 10, 4561–4573. [Google Scholar] [CrossRef]
- Song, G.L.; Atrens, A. Corrosion Mechanisms of Magnesium Alloys. Adv. Eng. Mater. 1999, 1, 11–33. [Google Scholar] [CrossRef]
- Ghali, E.; Dietzel, W.; Kainer, K.-U. General and Localized Corrosion of Magnesium Alloys: A Critical Review. J. Mater. Eng. Perform. 2004, 13, 7–23. [Google Scholar] [CrossRef]
- Mordike, B.L.; Ebert, T. Magnesium: Properties—Applications—Potential. Mater. Sci. Eng. A 2001, 302, 37–45. [Google Scholar] [CrossRef]
- Zai, W.; Zhang, X.; Su, Y.; Man, H.; Li, G.; Lian, J. Comparison of corrosion resistance and biocompatibility of magnesium phosphate (MgP), zinc phosphate (ZnP) and calcium phosphate (CaP) conversion coatings on Mg alloy. Surf. Coat. Technol. 2020, 397, 125919. [Google Scholar] [CrossRef]
- Song, G. Recent Progress in Corrosion and Protection of Magnesium Alloys. Adv. Eng. Mater. 2005, 7, 563–586. [Google Scholar] [CrossRef]
- Wang, X.; Xiaopeng, L.; Ju, P.; Chen, Y.; Zhang, T.; Wang, F. Thermal control property and corrosion resistance of PEO coatings on AZ91 Mg alloy. Surf. Coat. Technol. 2020, 393, 125709. [Google Scholar] [CrossRef]
- Wang, H.; Yu, B.; Wang, W.; Ren, G.; Liang, W.; Zhang, J. Improved corrosion resistance of AZ91D magnesium alloy by a zinc–yttrium coating. J. Alloys Compd. 2014, 582, 457–460. [Google Scholar] [CrossRef]
- Karakulak, E. A review: Past, present and future of grain refining of magnesium castings. J. Magnes. Alloys 2019, 7, 355–369. [Google Scholar] [CrossRef]
- Wan, Y.; Xu, S.; Liu, C.; Gao, Y.; Jiang, S.N.; Chen, Z. Enhanced strength and corrosion resistance of Mg-Gd-Y-Zr alloy with ultrafine grains. Mater. Lett. 2018, 213, 274–277. [Google Scholar] [CrossRef]
- Zhang, C.; Wu, L.; Liu, H.; Huang, G.; Jiang, B.; Atrens, A.; Pan, F. Microstructure and corrosion behavior of Mg-Sc binary alloys in 3.5 wt.% NaCl solution. Corros. Sci. 2020, 174, 108831. [Google Scholar] [CrossRef]
- Liu, Y.; Cheng, W.; Liu, Y.-H.; Niu, X.-F.; Wang, H.-X.; Wang, L.-F.; Cui, Z.-Q. Effect of alloyed Ca on the microstructure and corrosion behavior of extruded Mg-Bi-Al-based alloys. Mater. Charact. 2020, 163, 110292. [Google Scholar] [CrossRef]
- Sun, Y.; Wang, R.; Peng, C.; Xiao-Feng, W. Microstructure and corrosion behavior of as-homogenized Mg-xLi-3Al-2Zn-0.2Zr alloys (x = 5, 8, 11 wt%). Mater. Charact. 2020, 159, 110031. [Google Scholar] [CrossRef]
- Przondziono, J.; Walke, W.; Hadasik, E.; Szala, J.; Wieczorek, J. Corrosion resistance tests of magnesium alloy WE43 after extrusion. Metalurgija 2013, 52, 243–246. [Google Scholar]
- Sun, Y.; Wang, R.; Peng, C.; Zhang, C. Microstructure and corrosion behavior of as-extruded Mg-xLi-3Al-2Zn-0.2Zr alloys (x = 5, 8, 11 wt.%). Corros. Sci. 2020, 167, 108487. [Google Scholar] [CrossRef]
- Gao, L.; Chen, R.; Han, E. Effects of rare-earth elements Gd and Y on the solid solution strengthening of Mg alloys. J. Alloys Compd. 2009, 481, 379–384. [Google Scholar] [CrossRef]
- Huang, S.; Wang, J.; Hou, F.; Huang, X.; Pan, F. Effect of Gd and Y contents on the microstructural evolution of long period stacking ordered phase and the corresponding mechanical properties in Mg–Gd–Y–Zn–Mn alloys. Mater. Sci. Eng. A 2014, 612, 363–370. [Google Scholar] [CrossRef]
- Peng, Q.; Wang, J.; Wu, Y.; Wang, L. Microstructures and tensile properties of Mg–8Gd–0.6Zr–xNd–yY (x + y = 3, mass%) alloys. Mater. Sci. Eng. A 2006, 433, 133–138. [Google Scholar] [CrossRef]
- Yan, J.; Sun, Y.; Xue, F.; Xue, S.; Tao, W. Microstructure and mechanical properties in cast magnesium–neodymium binary alloys. Mater. Sci. Eng. A 2008, 476, 366–371. [Google Scholar] [CrossRef]
- He, S.; Zeng, X.; Peng, L.; Gao, X.; Nie, J.; Ding, W. Precipitation in a Mg–10Gd–3Y–0.4Zr (wt.%) alloy during isothermal ageing at 250 °C. J. Alloys Compd. 2006, 421, 309–313. [Google Scholar] [CrossRef]
- Riontino, G.; Massazza, M.; Lussana, D.; Mengucci, P.; Barucca, G.; Ferragut, R. A novel thermal treatment on a Mg–4.2Y–2.3Nd–0.6Zr (WE43) alloy. Mater. Sci. Eng. A 2008, 494, 445–448. [Google Scholar] [CrossRef]
- Bhattacharyya, J.; Wang, F.; McQuade, P.; Agnew, S. Deformation and fracture behavior of Mg alloy, WE43, after various aging heat treatments. Mater. Sci. Eng. A 2017, 705, 79–88. [Google Scholar] [CrossRef]
- Ghorbanpour, S.; McWilliams, B.A.; Knezevic, M. Effect of hot working and aging heat treatments on monotonic, cyclic, and fatigue behavior of WE43 magnesium alloy. Mater. Sci. Eng. A 2019, 747, 27–41. [Google Scholar] [CrossRef]
- Nie, J.F. Precipitation and Hardening in Magnesium Alloys. Met. Mater. Trans. A 2012, 43, 3891–3939. [Google Scholar] [CrossRef]
- Milkereit, B.; Burgschat, L.; Kemsies, R.H.; Springer, A.; Schick, C.; Kessler, O. In situ differential scanning calorimetry analysis of dissolution and precipitation kinetics in Mg–Y–RE alloy WE43. J. Magnes. Alloys 2019, 7, 1–14. [Google Scholar] [CrossRef]
- Tian, Z.; Yang, Q.; Guan, K.; Meng, J.; Cao, Z. Microstructure and mechanical properties of a peak-aged Mg-5Y-2.5Nd-1.5Gd-0.5Zr casting alloy. J. Alloys Compd. 2018, 731, 704–713. [Google Scholar] [CrossRef]
- Xiang, C.; Gupta, N.; Coelho, P.; Cho, K. Effect of microstructure on tensile and compressive behavior of WE43 alloy in as cast and heat treated conditions. Mater. Sci. Eng. A 2018, 710, 74–85. [Google Scholar] [CrossRef]
- Taheri, M.; Danaie, M.; Kish, J.R. TEM Examination of the Film Formed on Corroding Mg Prior to Breakdown. J. Electrochem. Soc. 2014, 161, C89–C94. [Google Scholar] [CrossRef]
- Brady, M.P.; Rother, G.; Anovitz, L.M.; Littrell, K.C.; Unocic, K.A.; Elsentriecy, H.H.; Song, G.-L.; Thomson, J.K.; Gallego, N.C.; Davis, B.G. Film Breakdown and Nano-Porous Mg(OH)2Formation from Corrosion of Magnesium Alloys in Salt Solutions. J. Electrochem. Soc. 2015, 162, C140–C149. [Google Scholar] [CrossRef]
- Brady, M.P.; Fayek, M.; Elsentriecy, H.H.; Unocic, K.A.; Anovitz, L.M.; Keiser, J.R.; Song, G.L.; Davis, B. Tracer Film Growth Study of Hydrogen and Oxygen from the Corrosion of Magnesium in Water. J. Electrochem. Soc. 2014, 161, C395–C404. [Google Scholar] [CrossRef]
- Chu, P.-W.; Marquis, E.A. Linking the microstructure of a heat-treated WE43 Mg alloy with its corrosion behavior. Corros. Sci. 2015, 101, 94–104. [Google Scholar] [CrossRef]
- Williams, G.; McMurray, H.N.; Birbilis, N. Controlling factors in localised corrosion morphologies observed for magnesium immersed in chloride containing electrolyte. Faraday Discuss. 2015, 180, 313–330. [Google Scholar] [CrossRef] [PubMed]
- Wu, L.; Li, H. Effect of selective oxidation on corrosion behavior of Mg–Gd–Y–Zn–Zr alloy. Corros. Sci. 2018, 142, 238–248. [Google Scholar] [CrossRef]
- Metalnikov, P.; Ben-Hamu, G.; Templeman, Y.; Shin, K.S.; Meshi, L. The relation between Mn additions, microstructure and corrosion behavior of new wrought Mg-5Al alloys. Mater. Charact. 2018, 145, 101–115. [Google Scholar] [CrossRef]
- Huo, W.; Zhang, W.; Lu, J.; Zhang, Y. Simultaneously enhanced strength and corrosion resistance of Mg–3Al–1Zn alloy sheets with nano-grained surface layer produced by sliding friction treatment. J. Alloys Compd. 2017, 720, 324–331. [Google Scholar] [CrossRef]
- Danaie, M.; Asmussen, R.M.; Jakupi, P.; Shoesmith, D.W.; Botton, G.A. The cathodic behaviour of Al–Mn precipitates during atmospheric and saline aqueous corrosion of a sand-cast AM50 alloy. Corros. Sci. 2014, 83, 299–309. [Google Scholar] [CrossRef]
- Coy, A.; Viejo, F.; Skeldon, P.; Thompson, G. Susceptibility of rare-earth-magnesium alloys to micro-galvanic corrosion. Corros. Sci. 2010, 52, 3896–3906. [Google Scholar] [CrossRef]
- Yang, L.; Zhou, X.; Liang, S.-M.; Schmid-Fetzer, R.; Fan, Z.; Scamans, G.; Robson, J.; Thompson, G.E. Effect of traces of silicon on the formation of Fe-rich particles in pure magnesium and the corrosion susceptibility of magnesium. J. Alloys Compd. 2015, 619, 396–400. [Google Scholar] [CrossRef]
- Li, C.; Xu, D.; Zeng, Z.; Wang, B.; Sheng, L.; Chen, X.-B.; Han, E.-H. Effect of volume fraction of LPSO phases on corrosion and mechanical properties of Mg-Zn-Y alloys. Mater. Des. 2017, 121, 430–441. [Google Scholar] [CrossRef]
- Arrabal, R.; Matykina, E.; Viejo, F.; Skeldon, P.; Thompson, G. Corrosion resistance of WE43 and AZ91D magnesium alloys with phosphate PEO coatings. Corros. Sci. 2008, 50, 1744–1752. [Google Scholar] [CrossRef]
- Jin, W.; Wu, G.; Gao, A.; Feng, H.; Peng, X.; Chu, P.K. Hafnium-implanted WE43 magnesium alloy for enhanced corrosion protection and biocompatibility. Surf. Coat. Technol. 2016, 306, 11–15. [Google Scholar] [CrossRef]













| Element | Yttrium | Rare Earths | Zirconium | Magnesium |
|---|---|---|---|---|
| Proportion (%) | 4.3 | 3.4 | 0.4 | Balance |
| Phases | Zr-Rich | Y-Rich | Eutectic |
|---|---|---|---|
| (mV) | +170 ± 10 | +50 ± 10 | +25 ± 5 |
Publisher’s Note: MDPI stays neutral with regard to jurisdictional claims in published maps and institutional affiliations. |
© 2020 by the authors. Licensee MDPI, Basel, Switzerland. This article is an open access article distributed under the terms and conditions of the Creative Commons Attribution (CC BY) license (http://creativecommons.org/licenses/by/4.0/).
Share and Cite
Yang, C.; Gupta, N.; Ding, H.; Xiang, C. Effect of Microstructure on Corrosion Behavior of WE43 Magnesium Alloy in As Cast and Heat-Treated Conditions. Metals 2020, 10, 1552. https://doi.org/10.3390/met10111552
Yang C, Gupta N, Ding H, Xiang C. Effect of Microstructure on Corrosion Behavior of WE43 Magnesium Alloy in As Cast and Heat-Treated Conditions. Metals. 2020; 10(11):1552. https://doi.org/10.3390/met10111552
Chicago/Turabian StyleYang, Chenxi, Nikhil Gupta, Hanlin Ding, and Chongchen Xiang. 2020. "Effect of Microstructure on Corrosion Behavior of WE43 Magnesium Alloy in As Cast and Heat-Treated Conditions" Metals 10, no. 11: 1552. https://doi.org/10.3390/met10111552
APA StyleYang, C., Gupta, N., Ding, H., & Xiang, C. (2020). Effect of Microstructure on Corrosion Behavior of WE43 Magnesium Alloy in As Cast and Heat-Treated Conditions. Metals, 10(11), 1552. https://doi.org/10.3390/met10111552

