Influence of Surface Finishing on Corrosion Behaviour of 3D Printed TiAlV Alloy
Abstract
1. Introduction
2. Experimental
2.1. Materials
2.2. Surface Finishing
2.3. Electrochemical Measurement
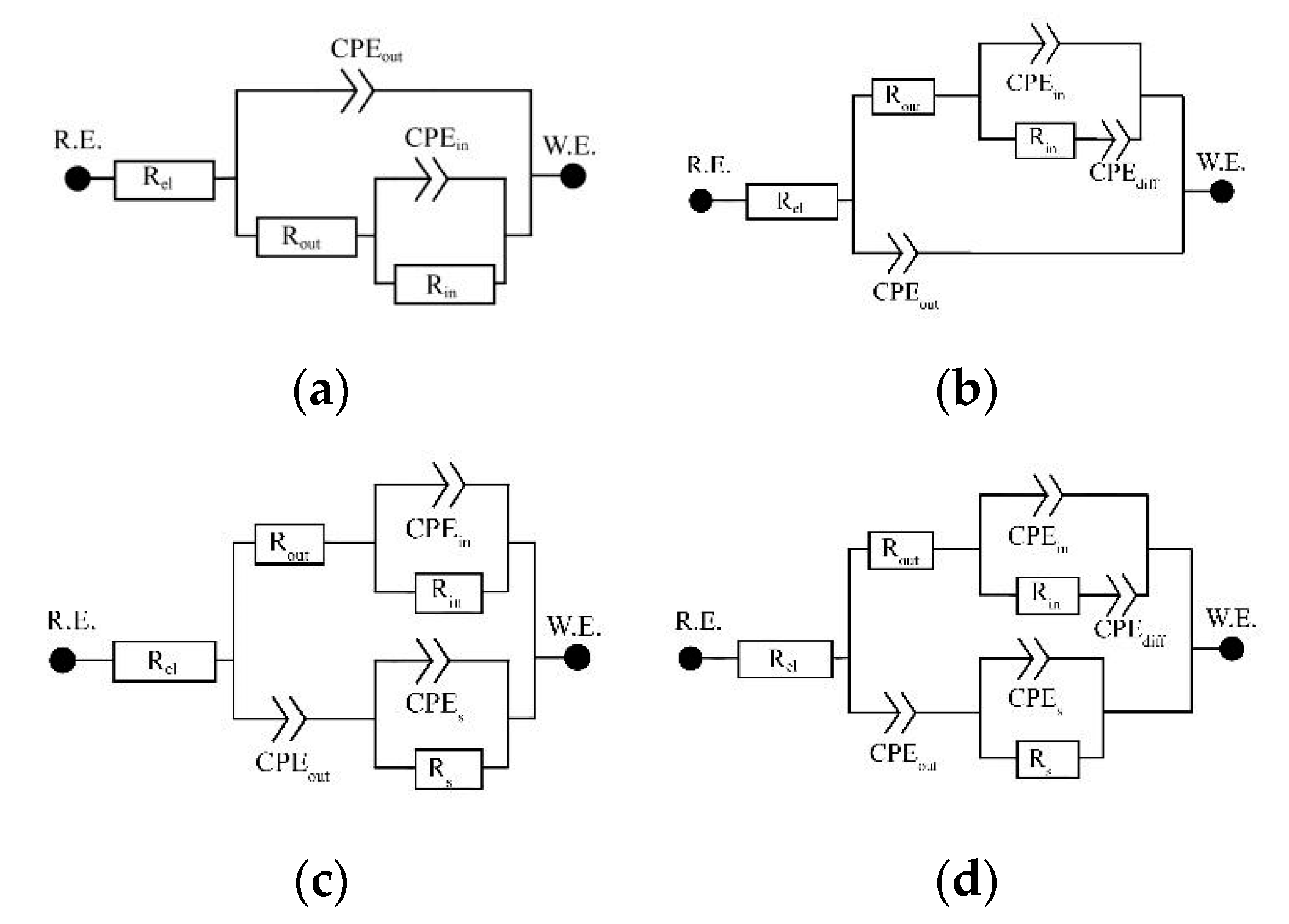
3. Results and Discussion
4. Conclusions
Author Contributions
Funding
Conflicts of Interest
References
- DebRoy, T.; Wei, H.L.; Zuback, J.S.; Mukherjee, T.; Elmer, J.W.; Milewski, J.O.; Beese, A.M.; Wilson-Heid, A.; De, A.; Zhang, W. Additive manufacturing of metallic components—Process, structure and properties. Prog. Mater. Sci. 2018, 92, 112–224. [Google Scholar] [CrossRef]
- Lin, H.H.; Lonic, D.; Lo, L.J. 3D printing in orthognathic surgery—A literature review. J. Formos. Med. Assoc. 2018, 117, 547–558. [Google Scholar] [CrossRef] [PubMed]
- Mah, D.; Pelletier, M.H.; Lovric, V.; Walsh, W.R. Corrosion of 3D-Printed Orthopaedic Implant Materials. Ann. Biomed. Eng. 2019, 47, 162–173. [Google Scholar] [CrossRef] [PubMed]
- Mangano, F.; Chambrone, L.; van Noort, R.; Miller, C.; Hatton, P.; Mangano, C. Direct metal laser sintering titanium dental implants: A review of the current literature. Int. J. Biomater. 2014, 2014, 461534. [Google Scholar] [CrossRef] [PubMed]
- Sames, W.J.; List, F.A.; Pannala, S.; Dehoff, R.R.; Babu, S.S. The metallurgy and processing science of metal additive manufacturing. Int. Mater. Rev. 2016, 61, 315–360. [Google Scholar] [CrossRef]
- Van Noort, R. Titanium: The implant material of today. J. Mater. Sci. 1987, 22, 3801–3811. [Google Scholar] [CrossRef]
- Grosgogeat, B.; Boinet, M.; Dalard, F.; Lissac, M. Electrochemical studies of the corrosion behaviour of titanium and the Ti-6Al-4V alloy using electrochemical impedance spectroscopy. Bio-Med. Mater. Eng. 2004, 14, 323–331. [Google Scholar]
- Karambakhsh, A.; Afshar, A.; Malekinejad, P. Corrosion Resistance and Color Properties of Anodized Ti-6Al-4V. J. Mater. Eng. Perform. 2012, 21, 121–127. [Google Scholar] [CrossRef]
- Zhao, B.; Wang, H.; Qiao, N.; Wang, C.; Hu, M. Corrosion resistance characteristics of a Ti-6Al-4V alloy scaffold that is fabricated by electron beam melting and selective laser melting for implantation in vivo. Mater. Sci. Eng. C Mater. Biol. Appl. 2017, 70, 832–841. [Google Scholar] [CrossRef]
- Dai, N.; Zhang, L.-C.; Zhang, J.; Chen, Q.; Wu, M. Corrosion behavior of selective laser melted Ti-6Al-4V alloy in NaCl solution. Corros. Sci. 2016, 102, 484–489. [Google Scholar] [CrossRef]
- Wang, J.L.; Liu, R.L.; Majumdar, T.; Mantri, S.A.; Ravi, V.A.; Banerjee, R.; Birbilis, N. A closer look at the in vitro electrochemical characterisation of titanium alloys for biomedical applications using in-situ methods. Acta Biomater. 2017, 54, 469–478. [Google Scholar] [CrossRef] [PubMed]
- Dai, N.; Zhang, L.-C.; Zhang, J.; Zhang, X.; Ni, Q.; Chen, Y.; Wu, M.; Yang, C. Distinction in corrosion resistance of selective laser melted Ti-6Al-4V alloy on different planes. Corros. Sci. 2016, 111, 703–710. [Google Scholar] [CrossRef]
- Toptan, F.; Alves, A.C.; Carvalho, Ó.; Bartolomeu, F.; Pinto, A.M.P.; Silva, F.; Miranda, G. Corrosion and tribocorrosion behaviour of Ti6Al4V produced by selective laser melting and hot pressing in comparison with the commercial alloy. J. Mater. Process. Technol. 2019, 266, 239–245. [Google Scholar] [CrossRef]
- Li, J.; Lin, X.; Wang, J.; Zheng, M.; Guo, P.; Zhang, Y.; Ren, Y.; Liu, J.; Huang, W. Effect of stress-relief annealing on anodic dissolution behaviour of additive manufactured Ti-6Al-4V via laser solid forming. Corros. Sci. 2019, 153, 314–326. [Google Scholar] [CrossRef]
- Fojt, J.; Fousova, M.; Jablonska, E.; Joska, L.; Hybasek, V.; Pruchova, E.; Vojtech, D.; Ruml, T. Corrosion behaviour and cell interaction of Ti-6Al-4V alloy prepared by two techniques of 3D printing. Mater. Sci. Eng. C 2018, 93, 911–920. [Google Scholar] [CrossRef]
- Harun, W.S.W.; Manam, N.S.; Kamariah, M.S.I.N.; Sharif, S.; Zulkifly, A.H.; Ahmad, I.; Miura, H. A review of powdered additive manufacturing techniques for Ti-6al-4v biomedical applications. Powder Technol. 2018, 331, 74–97. [Google Scholar] [CrossRef]
- Wysocki, B.; Idaszek, J.; Buhagiar, J.; Szlazak, K.; Brynk, T.; Kurzydlowski, K.J.; Swieszkowski, W. The influence of chemical polishing of titanium scaffolds on their mechanical strength and in-vitro cell response. Mater. Sci. Eng. C Mater. Biol. Appl. 2019, 95, 428–439. [Google Scholar] [CrossRef]
- Sutter, E.M.M.; Goetz-Grandmont, G.J. The behaviour of titanium in nitric-hydrofluoric acid solutions. Corros. Sci. 1990, 30, 461–476. [Google Scholar] [CrossRef]
- Wysocki, B.; Idaszek, J.; Szlazak, K.; Strzelczyk, K.; Brynk, T.; Kurzydlowski, K.J.; Swieszkowski, W. Post Processing and Biological Evaluation of the Titanium Scaffolds for Bone Tissue Engineering. Materials 2016, 9, 197. [Google Scholar] [CrossRef]
- Pourbaix, M. Atlas of Electrochemical Equilibria in Aqueous Solutions, 2nd ed.; NACE: Houston, TX, USA, 1974; p. 644. [Google Scholar]
- Milošev, I.; Kosec, T.; Strehblow, H.H. XPS and EIS study of the passive film formed on orthopaedic Ti–6Al–7Nb alloy in Hank’s physiological solution. Electrochim. Acta 2008, 53, 3547–3558. [Google Scholar] [CrossRef]
- Milosev, I.; Metikos-Hukovic, M.; Strehblow, H.H. Passive film on orthopedic TiAlV alloy formed in physiological solution investigated by X-ray photoelectron spectroscopy. Biomaterials 2000, 21, 2103–2113. [Google Scholar] [CrossRef]
- Lasia, A. Electrochemical Impedance Spectroscopy and its Applications. In Modern Aspects of Electrochemistry; Conway, B.E., Bockris, J.O.M., White, R.E., Eds.; Springer: Boston, MA, USA, 2002; pp. 143–248. [Google Scholar]
- Orazem, M.E.; Tribollet, B. Electrochemical Impedance Spectroscopy; John Wiley & Sons: Hoboken, NJ, USA, 2008; p. 523. [Google Scholar]
- Lewis, G.; Vejerla, R.; Mishra, S. One equivalent electrical circuit is applicable to model the interface between the passive surface layer on an orthopaedic alloy and a biosimulating aqueous solution. Bio-Med. Mater. Eng. 2007, 17, 97–108. [Google Scholar]
- Robin, A.; Meirelis, J.P. Influence of fluoride concentration and pH on corrosion behavior of titanium in artificial saliva. J. Appl. Electrochem. 2007, 37, 511–517. [Google Scholar] [CrossRef]
- Zhang, L.; Duan, Y.; Gao, R.; Yang, J.; Wei, K.; Tang, D.; Fu, T. The Effect of Potential on Surface Characteristic and Corrosion Resistance of Anodic Oxide Film Formed on Commercial Pure Titanium at the Potentiodynamic-Aging Mode. Materials 2019, 12, 370. [Google Scholar] [CrossRef] [PubMed]
- Fojt, J.; Joska, L.; Málek, J. Corrosion behaviour of porous Ti–39Nb alloy for biomedical applications. Corros. Sci. 2013, 71, 78–83. [Google Scholar] [CrossRef]
- Jüttner, K. Electrochemical impedance spectroscopy (EIS) of corrosion processes on inhomogeneous surfaces. Electrochim. Acta 1990, 35, 1501–1508. [Google Scholar] [CrossRef]
- Zhou, X.; Mohanty, P. Corrosion behaviour of cold sprayed titanium coatings in simulated body fluid. Corros. Eng. Sci. Technol. 2012, 47, 145–154. [Google Scholar] [CrossRef]
- Garsivaz jazi, M.R.; Golozar, M.A.; Raeissi, K.; Fazel, M. Surface Characteristics and Electrochemical Impedance Investigation of Spark-Anodized Ti-6Al-4V Alloy. J. Mater. Eng. Perform. 2014, 23, 1270–1278. [Google Scholar] [CrossRef]
- Li, J.; Lin, X.; Guo, P.; Song, M.; Huang, W. Electrochemical behaviour of laser solid formed Ti–6Al–4V alloy in a highly concentrated NaCl solution. Corros. Sci. 2018, 142, 161–174. [Google Scholar] [CrossRef]
- Fojt, J.; Kacenka, Z.; Jablonska, E.; Hybasek, V.; Pruchova, E. Influence of the surface etching on the corrosion behaviour of a three-dimensional printed Ti-6Al-4V alloy. Mater. Corros. 2020, 71, 1691–1696. [Google Scholar] [CrossRef]







| Specimen | EC | Rel | Rout | Rin | Rs | CPEout | αout | CPEin | αin | CPEs | αs | CPEdiff | αdiff | Goodness |
|---|---|---|---|---|---|---|---|---|---|---|---|---|---|---|
| (Ω cm2) | (Ω cm2) | (Ω cm2) | (Ω cm2) | (S sα cm−2) | (S sα cm−2) | (S sα cm−2) | (S sα cm−2) | of Fit | ||||||
| original | A | 21.9 | 7.77 × 105 | 1.18 × 106 | - | 4.64 × 10−5 | 0.999 | 8.32 × 10−5 | 0.910 | - | - | - | - | 8 × 10−4 |
| turned | A | 21.6 | 226.4 | 1.12 × 107 | - | 2.12 × 10−5 | 0.893 | 4.84 × 10−6 | 0.878 | - | - | - | - | 2 × 10−4 |
| etched | A | 23.6 | 1.08 × 106 | 2.24 × 106 | - | 2.16 × 10−5 | 0.912 | 9.57 × 10−6 | 0.825 | - | - | - | - | 1 × 10−4 |
| original + 24 V | B | 22.0 | 714.4 | 1.54 × 106 | - | 7.73 × 10−6 | 0.869 | 8.42 × 10−6 | 0.745 | - | - | 6.36 × 10−6 | 0.474 | 4 × 10−5 |
| turned + 24 V | B | 21.1 | 1.44 × 103 | 4.76 × 106 | - | 9.56 × 10−7 | 0.934 | 6.68 × 10−6 | 0.705 | - | - | 1.64 × 10−6 | 0.404 | 2 × 10−4 |
| trabecular | C | 22.0 | 1.03 × 105 | 7.31 × 105 | 7.6 | 2.29 × 10−4 | 0.945 | 3.23 × 10−5 | 0.792 | 1.58 × 10−4 | 0.813 | - | - | 1 × 10−5 |
| trabecular etched | C | 21.4 | 7.90 × 104 | 8.85 × 104 | 5.3 | 4.09 × 10−4 | 0.932 | 1.09 × 10−4 | 0.924 | 2.89 × 10−4 | 0.775 | - | - | 4 × 10−5 |
| trabecular + 24 V | C | 32.9 | 2.45 × 104 | 9.12 × 105 | 105.8 | 6.72 × 10−5 | 0.792 | 5.48 × 10−6 | 0.952 | 1.44 × 10−4 | 0.661 | - | - | 6 × 10−5 |
| etched 24 V | D | 22.6 | 2.16 × 105 | 4.05 × 105 | 1.29 × 103 | 1.00 × 10−6 | 0.945 | 1.09 × 10−6 | 0.900 | 8.28 × 10−6 | 0.960 | 2.89 × 10−6 | 0.542 | 1 × 10−4 |
| trabecular etched 24 V | D | 22.1 | 1.40 × 104 | 1.26 × 106 | 3.8 | 4.38 × 10−5 | 0.803 | 6.67 × 10−6 | 0.718 | 9.52 × 10−7 | 1.000 | 3.13 × 10−5 | 0.487 | 5 × 10−5 |
| Specimen | Anodic Slope (mV/dec) | jcor (A/cm2) | jpas (A/cm2) |
|---|---|---|---|
| original | 199 | 3.05 × 10−8 | 1.3 × 10−5 |
| original + 24 V | 286 | 2.50 × 10−8 | 7.4 × 10−7 |
| turned | 246 | 1.30 × 10−8 | 5.3 × 10−6 |
| turned + 24 V | 1273 | 1.50 × 10−8 | 1.0 × 10−7 |
| etched | 243 | 3.05 × 10−8 | 6.6 × 10−6 |
| etched + 24 V | 2024 | 2.00 × 10−8 | 4.2 × 10−8 |
| trabecular | 220 | 9.70 × 10−8 | 2.9 × 10−5 |
| trabecular + 24 V | 177 | 6.50 × 10−8 | 5.8 × 10−6 |
| trabecular etched | 138 | 1.55 × 10−7 | 4.3 × 10−5 |
| trabecular etched + 24 V | 219 | 5.50 × 10−8 | 4.3 × 10−6 |
Publisher’s Note: MDPI stays neutral with regard to jurisdictional claims in published maps and institutional affiliations. |
© 2020 by the authors. Licensee MDPI, Basel, Switzerland. This article is an open access article distributed under the terms and conditions of the Creative Commons Attribution (CC BY) license (http://creativecommons.org/licenses/by/4.0/).
Share and Cite
Fojt, J.; Hybášek, V.; Kačenka, Z.; Průchová, E. Influence of Surface Finishing on Corrosion Behaviour of 3D Printed TiAlV Alloy. Metals 2020, 10, 1547. https://doi.org/10.3390/met10111547
Fojt J, Hybášek V, Kačenka Z, Průchová E. Influence of Surface Finishing on Corrosion Behaviour of 3D Printed TiAlV Alloy. Metals. 2020; 10(11):1547. https://doi.org/10.3390/met10111547
Chicago/Turabian StyleFojt, Jaroslav, Vojtěch Hybášek, Zdeněk Kačenka, and Eva Průchová. 2020. "Influence of Surface Finishing on Corrosion Behaviour of 3D Printed TiAlV Alloy" Metals 10, no. 11: 1547. https://doi.org/10.3390/met10111547
APA StyleFojt, J., Hybášek, V., Kačenka, Z., & Průchová, E. (2020). Influence of Surface Finishing on Corrosion Behaviour of 3D Printed TiAlV Alloy. Metals, 10(11), 1547. https://doi.org/10.3390/met10111547

