Pressure and Temperature Dependence of the Permittivity of Mineral and PAG Oils for Hydrodynamic Journal Bearing Applications
Abstract
1. Introduction
- What temperature and pressure dependence of the permittivity can be observed for a mineral oil and polyalkylene glycol (PAG) oil assuming operating parameters within a journal bearing?
- How can the relationship between the permittivity of the oils and temperature and pressure be modeled to allow the calculation of the permittivity in the future?
2. Materials and Methods
2.1. Electric Behavior of Journal Bearings
2.1.1. Permittivity of Oils
2.1.2. Examined Oils: PAG and Mineral Oil
2.1.3. Impedance Measurement Method
2.1.4. Review of the Literature
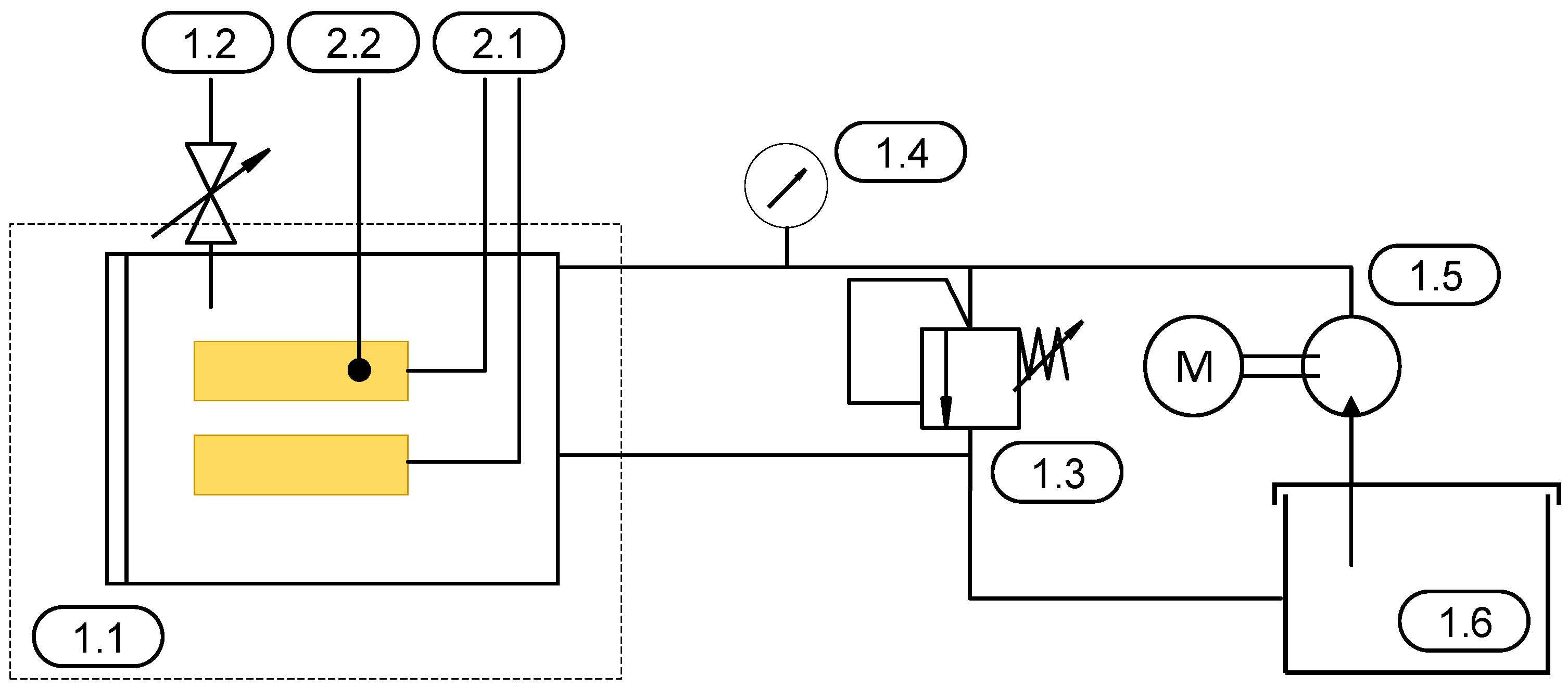
2.2. Test Setup and Test Method
2.2.1. Sample Geometry
2.2.2. Measurement Setup
2.2.3. Lubricant Tested
2.2.4. Test Parameters
2.3. Evaluation
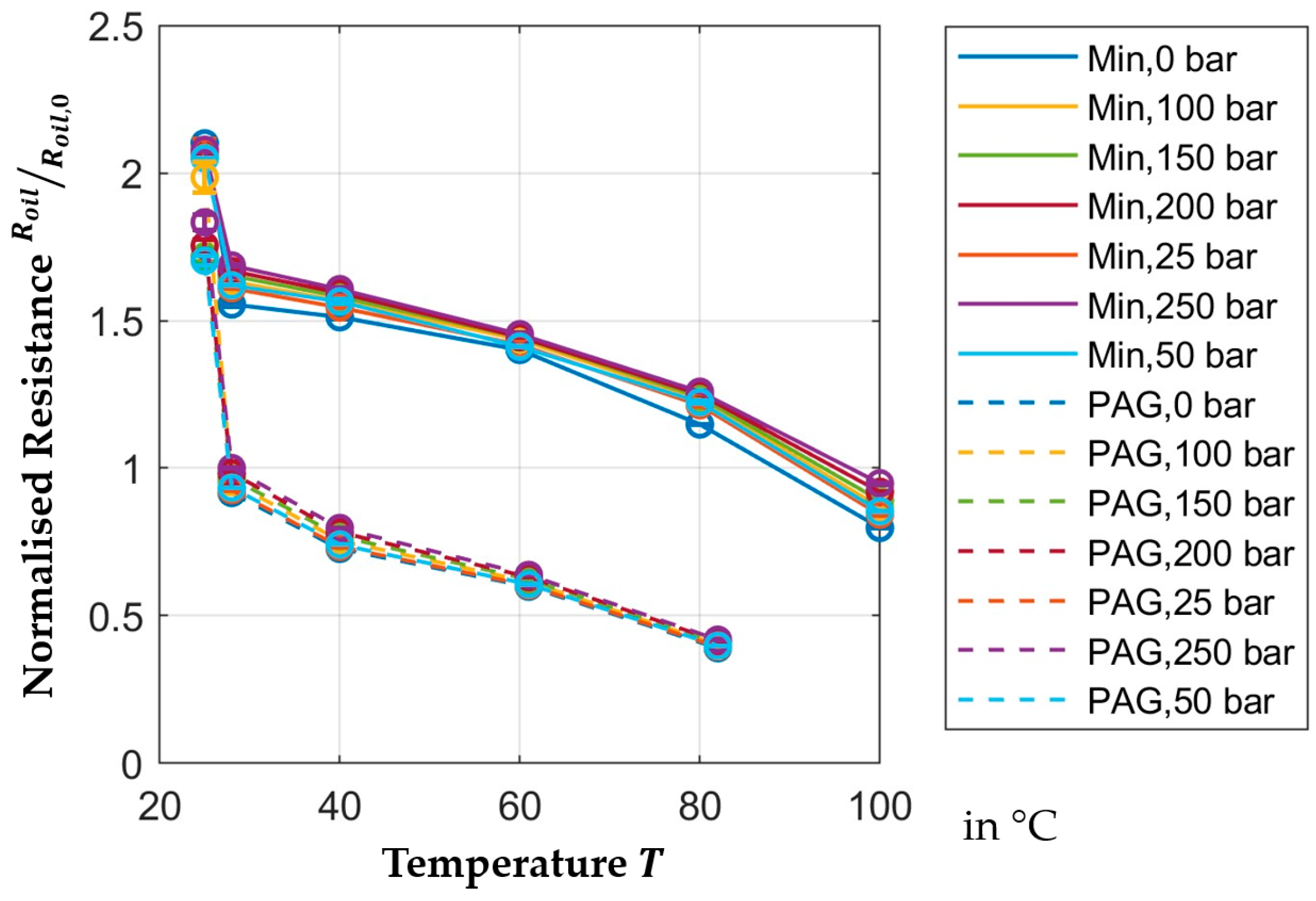
3. Results
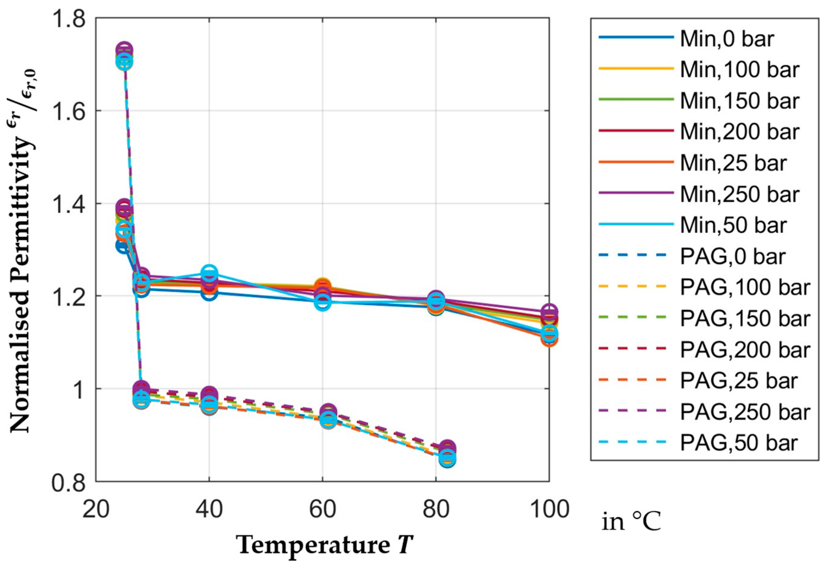
3.1. Experimental Measurement
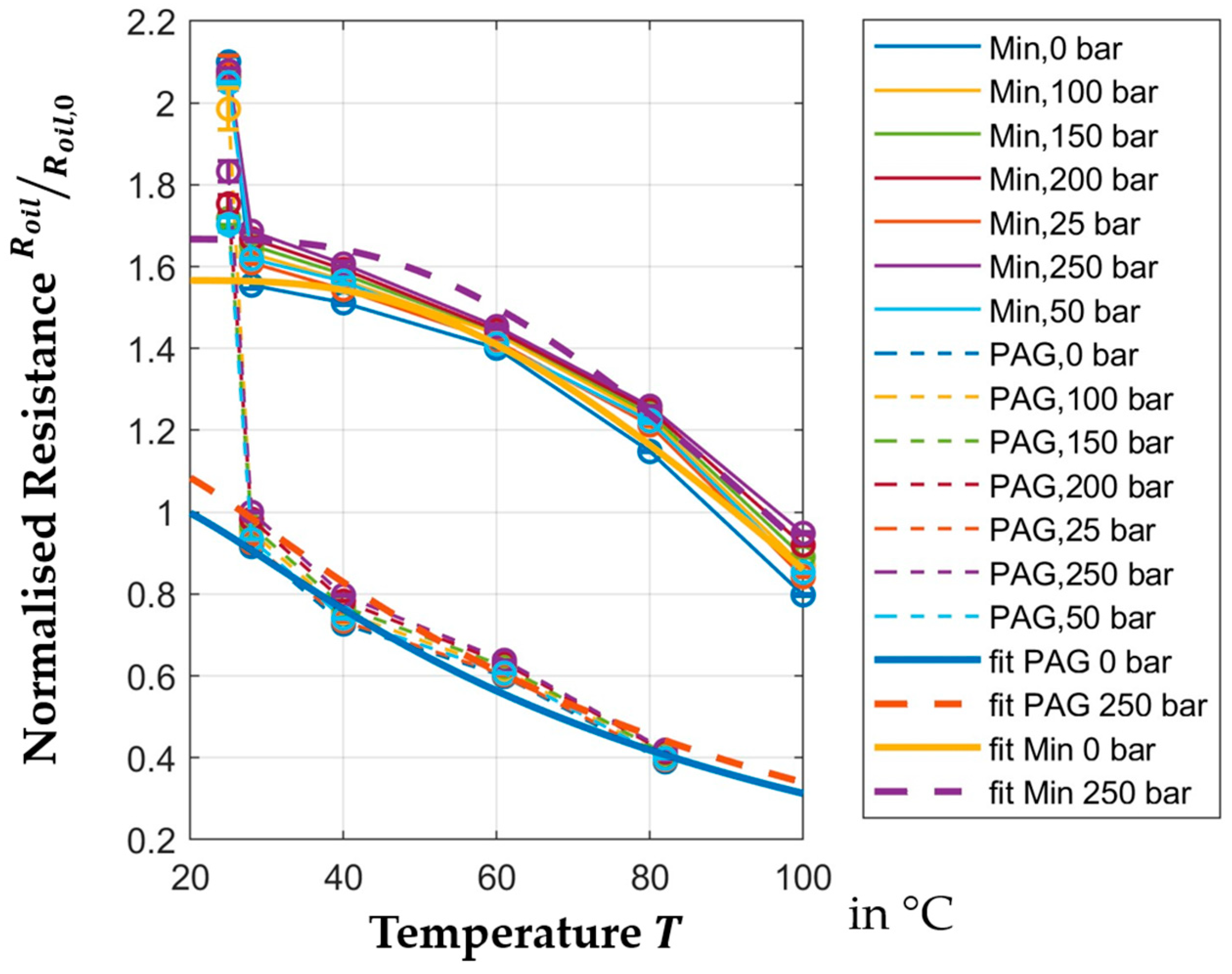
3.2. Regression Model of Measurement Results
4. Discussion
5. Conclusions
Author Contributions
Funding
Data Availability Statement
Conflicts of Interest
Abbreviations
| PAG | Polyalkylene glycol |
| RMSE | Root Mean Square Error |
| AC | Alternating Current |
| DC | Direct Current |
Appendix A
| Variable | poly22 | poly33 | Physics-Based |
|---|---|---|---|
| 0 | |||
| 0 | |||
| 0 | |||
| 0 | |||
| 0 | |||
| 0 | |||
| 0 | 0 | ||
| 0 | 0 | ||
| 0 | 0 | ||
| 0 | 0 | ||
| 0 | 0 | ||
| 0 | 0 | ||
| 0 | 0 | ||
| 0 | 0 |
| Variable | poly22 | poly33 | Physics-Based |
|---|---|---|---|
| 0 | |||
| 0 | |||
| 0 | |||
| 0 | |||
| 0 | |||
| 0 | |||
| 0 | 0 | ||
| 0 | 0 | ||
| 0 | 0 | ||
| 0 | 0 | ||
| 0 | 0 | ||
| 0 | 0 | ||
| 0 | 0 | ||
| 0 | 0 |
Appendix B
| No. | Temperature in °C | Pressure in bar | Bemerkung |
|---|---|---|---|
| 058 | NA | NA | Reference for tests with PAG oil |
| 059 | NA | NA | Reference for tests with PAG oil |
| 099 | NA | NA | Reference for tests with mineral oil |
| 100 | NA | NA | Reference for tests with mineral oil |
| No. | Temperature in °C | Pressure in bar | No. | Temperature in °C | Pressure in bar |
|---|---|---|---|---|---|
| 060 | room | 0 | 080 | 61 | 50 |
| 061 | room | 25 | 081 | 61 | 100 |
| 062 | room | 50 | 082 | 61 | 150 |
| 063 | room | 100 | 083 | 61 | 200 |
| 064 | room | 150 | 084 | 61 | 250 |
| 065 | room | 200 | 085 | 40 | 0 |
| 066 | room | 250 | 086 | 40 | 25 |
| 067 | 100 | 0 | 087 | 40 | 50 |
| 068 | 100 | 25 | 088 | 40 | 100 |
| 069 | 100 | 50 | 089 | 40 | 150 |
| 070 | 100 | 100 | 090 | 40 | 200 |
| 071 | 82 | 0 | 091 | 40 | 250 |
| 072 | 82 | 25 | 092 | 25 | 0 |
| 073 | 82 | 50 | 093 | 25 | 25 |
| 074 | 82 | 100 | 094 | 25 | 50 |
| 075 | 82 | 150 | 095 | 25 | 100 |
| 076 | 82 | 200 | 096 | 25 | 150 |
| 077 | 82 | 250 | 097 | 25 | 200 |
| 078 | 61 | 0 | 098 | 25 | 250 |
| 079 | 61 | 25 |
| No. | Temperature in °C | Pressure in bar | No. | Temperature in °C | Pressure in bar |
|---|---|---|---|---|---|
| 101 | room | 0 | 122 | 60 | 0 |
| 102 | room | 25 | 123 | 60 | 25 |
| 103 | room | 50 | 124 | 60 | 50 |
| 104 | room | 100 | 125 | 60 | 100 |
| 105 | room | 150 | 126 | 60 | 150 |
| 106 | room | 200 | 127 | 60 | 200 |
| 107 | room | 250 | 128 | 60 | 250 |
| 108 | 100 | 0 | 129 | 40 | 0 |
| 109 | 100 | 25 | 130 | 40 | 25 |
| 110 | 100 | 50 | 131 | 40 | 50 |
| 111 | 100 | 100 | 132 | 40 | 100 |
| 112 | 100 | 150 | 133 | 40 | 150 |
| 113 | 100 | 200 | 134 | 40 | 200 |
| 114 | 100 | 250 | 135 | 40 | 250 |
| 115 | 80 | 0 | 136 | 25 | 0 |
| 116 | 80 | 25 | 137 | 25 | 25 |
| 117 | 80 | 50 | 138 | 25 | 50 |
| 118 | 80 | 100 | 139 | 25 | 100 |
| 119 | 80 | 150 | 140 | 25 | 150 |
| 120 | 80 | 200 | 141 | 25 | 200 |
| 121 | 80 | 250 | 142 | 25 | 250 |
Appendix C
in Ω | in Ω | in rad | in rad | in Ω | ||
|---|---|---|---|---|---|---|
| 59 | 3.71578 × 104 | 28.54 | −1.49744 | 1.205 × 10−3 | NaN | NaN |
| 60 | 2.1875 × 104 | 12.70 | −1.34041 | 5.770 × 10−4 | NaN | NaN |
| 61 | 2.1720 × 104 | 18.63 | −1.33789 | 7.502 × 10−4 | NaN | NaN |
| 62 | 1.3006 × 104 | 9.954 | −1.44278 | 1.094 × 10−3 | 3.848 | 8.463 × 104 |
| 63 | 1.3050 × 104 | 13.33 | −1.46444 | 2.203 × 10−3 | 3.845 | 9.867 × 104 |
| 64 | 1.2934 × 104 | 7.185 | −1.44483 | 1.015 × 10−3 | 3.874 | 8.537 × 104 |
| 65 | 1.2857 × 104 | 11.18 | −1.44868 | 1.186 × 10−3 | 3.902 | 8.715 × 104 |
| 66 | 1.2860 × 104 | 10.50 | −1.45508 | 1.316 × 10−3 | 3.904 | 9.109 × 104 |
| 67 | 1.6385 × 104 | 10.71 | −0.72648 | 7.321 × 10−4 | NaN | NaN |
| 68 | 1.6360 × 104 | 12.09 | −0.72482 | 7.676 × 10−4 | NaN | NaN |
| 69 | 1.6417 × 104 | 13.22 | −0.72002 | 7.911 × 10−4 | NaN | NaN |
| 70 | 1.6379 × 104 | 10.82 | −0.73120 | 7.346 × 10−4 | NaN | NaN |
| 71 | 1.5284 × 104 | 10.32 | −0.71113 | 8.325 × 10−4 | 1.914 | 1.939 × 104 |
| 72 | 1.5378 × 104 | 11.10 | −0.71840 | 1.000 × 10−3 | 1.920 | 1.962 × 104 |
| 73 | 1.5446 × 104 | 5.691 | −0.72323 | 3.520 × 10−4 | 1.922 | 1.979 × 104 |
| 74 | 1.5516 × 104 | 5.104 | −0.73074 | 3.387 × 10−4 | 1.932 | 2.000 × 104 |
| 75 | 1.5617 × 104 | 5.396 | −0.74304 | 4.530 × 10−4 | 1.950 | 2.034 × 104 |
| 76 | 1.5693 × 104 | 5.380 | −0.75117 | 3.462 × 10−4 | 1.960 | 2.059 × 104 |
| 77 | 1.5758 × 104 | 5.509 | −0.75837 | 3.755 × 10−4 | 1.969 | 2.080 × 104 |
| 78 | 1.7863 × 104 | 8.413 | −0.97069 | 4.516 × 10−4 | 2.116 | 2.975 × 104 |
| 79 | 1.7963 × 104 | 6.985 | −0.97148 | 3.871 × 10−4 | 2.102 | 2.994 × 104 |
| 80 | 1.7999 × 104 | 7.935 | −0.97548 | 3.824 × 10−4 | 2.106 | 3.015 × 104 |
| 81 | 1.8023 × 104 | 7.063 | −0.98351 | 3.744 × 10−4 | 2.115 | 3.054 × 104 |
| 82 | 1.8012 × 104 | 1.004 | −0.99366 | 5.783 × 10−4 | 2.135 | 3.097 × 104 |
| 83 | 1.8051 × 104 | 8.256 | −1.00083 | 5.353 × 10−4 | 2.141 | 3.135 × 104 |
| 84 | 1.8098 × 104 | 7.406 | −1.00695 | 3.656 × 10−4 | 2.145 | 3.171 × 104 |
| 85 | 1.8631 × 104 | 5.438 | −1.07201 | 2.974 × 10−4 | 2.170 | 3.613 × 104 |
| 86 | 1.8650 × 104 | 4.976 | −1.07674 | 3.113 × 10−4 | 2.174 | 3.646 × 104 |
| 87 | 1.8658 × 104 | 5.202 | −1.08223 | 2.676 × 10−4 | 2.181 | 3.682 × 104 |
| 88 | 1.8675 × 104 | 5.509 | −1.09197 | 2.948 × 10−4 | 2.192 | 3.749 × 104 |
| 89 | 1.8673 × 104 | 12.39 | −1.10252 | 6.805 × 10−4 | 2.207 | 3.821 × 104 |
| 90 | 1.8691 × 104 | 5.292 | −1.11178 | 2.799 × 10−4 | 2.217 | 3.890 × 104 |
| 91 | 1.8699 × 104 | 4.963 | −1.12120 | 3.182 × 10−4 | 2.229 | 3.962 × 104 |
| 92 | 1.9357 × 104 | 5.785 | −1.17410 | 2.600 × 10−4 | 2.199 | 4.554 × 104 |
| 93 | 1.9376 × 104 | 7.126 | −1.17831 | 3.825 × 10−4 | 2.201 | 4.600 × 104 |
| 94 | 1.9379 × 104 | 6.960 | −1.18217 | 3.494 × 10−4 | 2.205 | 4.640 × 104 |
| 95 | 1.9317 × 104 | 5.853 | −1.19247 | 3.518 × 10−4 | 2.226 | 4.735 × 104 |
| 96 | 1.9330 × 104 | 6.707 | −1.19834 | 3.205 × 10−4 | 2.230 | 4.802 × 104 |
| 97 | 1.9292 × 104 | 5.991 | −1.20645 | 3.015 × 10−4 | 2.244 | 4.885 × 104 |
| 98 | 1.9262 × 104 | 5.716 | −1.21427 | 3.868 × 10−4 | 2.257 | 4.970 × 104 |
| 99 | 5.5560 × 104 | 129.6 | −1.37637 | 9.291 × 10−4 | NaN | NaN |
| 100 | 5.6318 × 104 | 14.87 | −1.36014 | 2.291 × 10−4 | NaN | NaN |
| 101 | 2.9737 × 104 | 54.30 | −1.34342 | 1.067 × 10−3 | 2.955 | 1.044 × 105 |
| 102 | 2.9328 × 104 | 154.2 | −1.34302 | 3.392 × 10−3 | 3.013 | 1.031 × 105 |
| 103 | 2.9171 × 104 | 6.353 | −1.34072 | 2.274 × 10−4 | 3.034 | 1.019 × 105 |
| 104 | 2.8901 × 104 | 7.394 | −1.34359 | 2.285 × 10−4 | 3.076 | 1.021 × 105 |
| 105 | 2.8703 × 104 | 7.245 | −1.34624 | 2.603 × 10−4 | 3.108 | 1.025 × 105 |
| 106 | 2.8568 × 104 | 6.161 | −1.34827 | 2.262 × 10−4 | 3.131 | 1.028 × 105 |
| 107 | 2.8509 × 104 | 17.29 | −1.35005 | 4.542 × 10−4 | 3.141 | 1.033 × 105 |
| 108 | 2.6728 × 104 | 34.17 | −0.90154 | 1.221 × 10−3 | 2.521 | 3.966 × 104 |
| 109 | 2.7400 × 104 | 29.55 | −0.92748 | 1.084 × 10−3 | 2.503 | 4.185 × 104 |
| 110 | 2.7422 × 104 | 18.30 | −0.93772 | 6.337 × 10−4 | 2.528 | 4.242 × 104 |
| 111 | 2.7366 × 104 | 7.945 | −0.95279 | 3.775 × 10−4 | 2.577 | 4.315 × 104 |
| 112 | 2.7539 × 104 | 8.102 | −0.96766 | 3.828 × 10−4 | 2.592 | 4.425 × 104 |
| 113 | 2.7804 × 104 | 8.701 | −0.98520 | 4.570 × 10−4 | 2.601 | 4.571 × 104 |
| 114 | 2.7935 × 104 | 37.16 | −1.00426 | 1.051 × 10−3 | 2.631 | 4.714 × 104 |
| 115 | 2.9304 × 104 | 11.57 | −1.09861 | 3.147 × 10−4 | 2.654 | 5.707 × 104 |
| 116 | 2.9585 × 104 | 24.12 | −1.12465 | 6.537 × 10−4 | 2.667 | 6.030 × 104 |
| 117 | 2.9537 × 104 | 60.68 | −1.12989 | 1.543 × 10−3 | 2.683 | 6.080 × 104 |
| 118 | 2.9715 × 104 | 11.57 | −1.13039 | 3.324 × 10−4 | 2.661 | 6.118 × 104 |
| 119 | 2.9689 × 104 | 10.70 | −1.13523 | 3.142 × 10−4 | 2.673 | 6.168 × 104 |
| 120 | 2.9654 × 104 | 8.279 | −1.13954 | 2.507 × 10−4 | 2.685 | 6.213 × 104 |
| 121 | 2.9634 × 104 | 9.179 | −1.14360 | 2.642 × 10−4 | 2.695 | 6.257 × 104 |
| 122 | 3.0296 × 104 | 57.94 | −1.18689 | 1.161 × 10−3 | 2.681 | 6.962 × 104 |
| 123 | 2.9914 × 104 | 86.05 | −1.19744 | 1.479 × 10−3 | 2.748 | 7.046 × 104 |
| 124 | 3.0369 × 104 | 8.435 | −1.18949 | 2.458 × 10−4 | 2.676 | 7.016 × 104 |
| 125 | 2.9913 × 104 | 6.200 | −1.20309 | 2.395 × 10−4 | 2.756 | 7.134 × 104 |
| 126 | 2.9973 × 104 | 9.447 | −1.20463 | 2.539 × 10−4 | 2.751 | 7.171 × 104 |
| 127 | 3.0107 × 104 | 43.44 | −1.20339 | 1.103 × 10−3 | 2.731 | 7.179 × 104 |
| 128 | 3.0272 × 104 | 39.99 | −1.20420 | 1.019 × 10−3 | 2.711 | 7.225 × 104 |
| 129 | 3.0340 × 104 | 45.14 | −1.22055 | 9.215 × 10−4 | 2.726 | 7.514 × 104 |
| 130 | 3.0212 × 104 | 8.320 | −1.23109 | 3.278 × 10−4 | 2.758 | 7.675 × 104 |
| 131 | 2.9842 × 104 | 53.40 | −1.24070 | 1.324 × 10−3 | 2.821 | 7.775 × 104 |
| 132 | 3.0174 × 104 | 31.17 | −1.23758 | 8.430 × 10−4 | 2.772 | 7.788 × 104 |
| 133 | 3.0255 × 104 | 7.985 | −1.24031 | 2.849 × 10−4 | 2.765 | 7.858 × 104 |
| 134 | 3.0237 × 104 | 9.252 | −1.24376 | 3.039 × 10−4 | 2.772 | 7.921 × 104 |
| 135 | 3.0168 × 104 | 68.21 | −1.24768 | 7.387 × 10−4 | 2.787 | 7.984 × 104 |
| 136 | 3.0346 × 104 | 56.36 | −1.23236 | 1.452 × 10−3 | 2.742 | 7.728 × 104 |
| 137 | 3.0331 × 104 | 9.078 | −1.24657 | 3.014 × 10−4 | 2.764 | 7.998 × 104 |
| 138 | 3.0287 × 104 | 7.697 | −1.24949 | 2.744 × 10−4 | 2.773 | 8.047 × 104 |
| 139 | 3.0321 × 104 | 11.97 | −1.25229 | 2.875 × 10−4 | 2.772 | 8.112 × 104 |
| 140 | 3.0320 × 104 | 8.924 | −1.25711 | 3.040 × 10−4 | 2.779 | 8.212 × 104 |
| 141 | 3.0272 × 104 | 9.519 | −1.26129 | 3.130 × 10−4 | 2.791 | 8.291 × 104 |
| 142 | 3.0192 × 104 | 7.835 | −1.26631 | 2.988 × 10−4 | 2.808 | 8.382 × 104 |
References
- Blair, B.J.; Pethybridge, G. Hydrodynamic Bearing Damage and Remediation of Contributing Factors in Rotating Machinery. In Proceedings of the 9th EDF/Pprime (LMS) Poitiers Workshop, Vienne, France, 7–8 October 2010. [Google Scholar]
- Schneider, V.; Krewer, M.; Poll, G.; Marian, M. Effect of Harmful Bearing Currents on the Service Life of Rolling Bearings: From Experimental Investigations to a Predictive Model. Lubricants 2024, 12, 230. [Google Scholar] [CrossRef]
- Prashad, H. Theoretical Evaluation of Capacitance, Capacitive Reactance, Resistance and Their Effects on Performance of Hydrodynamic Journal Bearings. J. Tribol. 1991, 113, 762–767. [Google Scholar] [CrossRef]
- Prashad, H. Evaluation of Dynamic Coefficients of a Two-Lobe Journal Bearing Using an Electrical Analogy Approach. J. Tribol. 1996, 118, 657–662. [Google Scholar] [CrossRef]
- Prashad, H. Tribology in Electrical Environments, 1st ed.; Elsevier: Amsterdam, The Netherlands, 2006; ISBN 978-0-444-51880-4. [Google Scholar]
- Prashad, H.; Rao, K.N. Analysis of Capacitive Effect and Life Estimation of Hydrodynamic Journal Bearings on Repeated Starts and Stops of a Machine Operating Under the Influence of Shaft Voltages. Tribol. Trans. 1994, 37, 641–645. [Google Scholar] [CrossRef]
- García Tuero, A.; Rivera, N.; Rodríguez, E.; Fernández-González, A.; Viesca, J.L.; Hernández Battez, A. Influence of Additives Concentration on the Electrical Properties and the Tribological Behaviour of Three Automatic Transmission Fluids. Lubricants 2022, 10, 276. [Google Scholar] [CrossRef]
- Sinyavsky, N.; Synashenko, O.; Kostrikova, N. Application of Relaxation Times Distribution of Dielectric Permittivity for Marine Engine Oils Analysis. JEMS 2023, 11, 209–216. [Google Scholar] [CrossRef]
- Weicker, M.; Bechev, D.; Binder, A.; Sauer, B. Schädlicher Stromdurchgang 2: Methodik zur Praxisnahen Charakterisierung von Elektrischen Schmierstoffeigenschaften zur Verbesserung der Rechnerischen Vorhersage von Lagerströmen; Abschlussbericht Forschungsvorhaben 650 II; FVA: Frankfurt am Main, Germany, 2020. [Google Scholar]
- Sedrez, P.C.; Barbosa, J.R. Relative permittivity of mixtures of R-134a and R-1234yf and a polyol ester lubricating oil. Int. J. Refrig. 2015, 49, 141–150. [Google Scholar] [CrossRef]
- Suzuki, A.; Masuko, M.; Wakisaka, K. Pressure-dependence of dielectric relaxation time in poly(propylene glycol) and its application to high-pressure viscosity estimation. Tribol. Int. 2002, 35, 55–63. [Google Scholar] [CrossRef]
- Bittner, H.; Kluth, T. Gleitlagerdiagnose mittels Magnetfeldmessungen. TM—Tech. Messen 1995, 62, 346–351. [Google Scholar] [CrossRef]
- Koetz, F.; Schmitt, F.; Kirchner, E.; Zancul, E. Visualising the lubrication condition in hydrodynamic journal bearings using impedance measurement. Front. Mech. Eng. 2024, 10, 1456575. [Google Scholar] [CrossRef]
- Ebermann, M.; Prase, B.; Hasse, A. Influence of Geometric Shape Defects on Operating Parameters in Cylindrical Journal Bearings. In Volume 14: Design, Systems, and Complexity, Proceedings of the ASME 2019 International Mechanical Engineering Congress and Exposition, Salt Lake City, UT, USA, 11–14 November 2019; American Society of Mechanical Engineers: New York, NY, USA, 2019; ISBN 978-0-7918-8351-8. [Google Scholar]
- Drioli, E.; Giorno, L. (Eds.) Encyclopedia of Membranes; Springer: Berlin/Heidelberg, Germany, 2016; ISBN 978-3-662-44323-1. [Google Scholar]
- IEC 60247:2004; Insulating Liquids—Measurement of Relative Permittivity, Dielectric Dissipation Factor (tan δ) and d.c. Resistivity. DIN German Institute for Standardization: Berlin, Germany, 2005.
- Mortier, R.M. (Ed.) Chemistry and Technology of Lubricants, 3rd ed.; Springer: Dordrecht, The Netherlands, 2010; ISBN 978-1-4020-8661-8. [Google Scholar]
- Koetz, F.; Kirchner, E. Measurement Strategies for the Monitoring of the Electric Behavior of Journal Bearings. Lubricants 2025, 13, 441. [Google Scholar] [CrossRef]
- Joshi, A.; Blennow, J. Electrical Characterization of Bearing Lubricants. In Proceedings of the 2014 IEEE Conference on Electrical Insulation and Dielectric Phenomena (CEIDP), Des Moines, IA, USA, 19–22 October 2014; IEEE: New York, NY, USA, 2014; pp. 586–589. ISBN 978-1-4799-7525-9. [Google Scholar]
- Prathima, A.; Karthikeyan, S.; Devi, K.R.; Usha, K.; Shanthi, M. Environmental effect of lubricity additives through dielectric molecular parameters. Mater. Today Proc. 2020, 33, 3658–3663. [Google Scholar] [CrossRef]
- Hartman, A.; Ekman, J.; Lang, D.; Romano, D.; Antonini, G. PEEC Models of Printed Antennas in Condition Monitoring Applications Covered by Dielectrics with Temperature-Dependent Permittivity. In Proceedings of the 2018 International Symposium on Electromagnetic Compatibility (EMC EUROPE), Amsterdam, Netherlands, 27–30 August 2018; IEEE: New York, NY, USA, 2018; pp. 343–348. ISBN 978-1-4673-9698-1. [Google Scholar]
- Sun, Y.; Zhang, Z.; Gong, Z.; Fan, Z.; Xu, Y. Temperature Dependence on Dielectric Properties of Automatic Transmission Fluid. In Proceedings of the 2022 IEEE 21st International Conference On Dielectric Liquids (ICDL), Sevilla, Spain, 29 May–2 June 2022; ISBN 978-1-6654-8491-6. [Google Scholar]
- Brazier, D.W.; Freeman, G.R. The effects of pressure on the density, dielectric constant, and viscosity of several hydrocarbons and other organic liquids. Can. J. Chem. 1969, 47, 893–899. [Google Scholar] [CrossRef]
- Pico Technology. PicoScope 4444—High-Resolution Differential Oscilloscope. Available online: https://www.picotech.com/oscilloscope/4444/picoscope-4444-overview (accessed on 18 September 2025).
- DIN 31652-1:2017-01; Plain Bearings—Hydrodynamic Plain Journal Bearings Under Steady-State Conditions—Part 1: Calculation of Circular Cylindrical Bearings. DIN Media GmbH: Berlin, Germany, 2017.
- Kuttner, T.; Rohnen, A. Practice of Vibration Measurement; Springer: Wiesbaden, Germany, 2023; ISBN 978-3-658-38462-3. [Google Scholar]













| No. | Device (Element) | Resistance R kΩ | Capacitance C |
|---|---|---|---|
| 1 | Alternating voltage source | - | - |
| 2.1 | Capacitance of the ceramic gauge blocks | - | 132 |
| 2.2 | Primary capacitance | - | subject of interest |
| 2.3 | Electrical resistance of the oil | see Section 3 | - |
| 3 | series resistor | 120 | - |
| 4.2 and 4.3 | Measuring channel (Picoscope 4444) | 1066 | 17.5 |
| Property | Renolin Eterna 46 ISO VG 46 | ILCO PAG 1102 R (PAG) | Unit |
|---|---|---|---|
| Density | 0.846 | 0.99–1.025 | kg/L |
| Viscosity at 40 °C | 47.03 | 52.35 | mm2/s |
| Water content | - | 0.22 | % |
| Additive | Mineral Oil ISO VG 46 | Polyalkylene Glycol (PAG) | Unit |
|---|---|---|---|
| Calcium | 61 | 1 | mg/kg |
| Magnesium | 1 | 1 | mg/kg |
| Boron | 1 | 0 | mg/kg |
| Zinc | 503 | 2 | mg/kg |
| Phosphorus | 397 | 24 | mg/kg |
| Barium | 0 | 0 | mg/kg |
| Sulfur | 3775 | 40 | mg/kg |
| Water K. F. | 46 | 2153 | ppm |
| Name | Variable | Value |
|---|---|---|
| Reference permittivity | ||
| Reference resistance |
| Name | RMSE | R2 |
|---|---|---|
| physics-based fit PAG | 0.0034 | 0.9953 |
| Poly22 fit PAG | 0.0035 | 0.9951 |
| Poly33 fit PAG | 0.0015 | 0.9991 |
| physics-based fit mineral oil | 0.0107 | 0.9144 |
| Poly22 fit mineral oil | 0.0096 | 0.9317 |
| Poly33 fit mineral oil | 0.0082 | 0.9504 |
Disclaimer/Publisher’s Note: The statements, opinions and data contained in all publications are solely those of the individual author(s) and contributor(s) and not of MDPI and/or the editor(s). MDPI and/or the editor(s) disclaim responsibility for any injury to people or property resulting from any ideas, methods, instructions or products referred to in the content. |
© 2025 by the authors. Licensee MDPI, Basel, Switzerland. This article is an open access article distributed under the terms and conditions of the Creative Commons Attribution (CC BY) license (https://creativecommons.org/licenses/by/4.0/).
Share and Cite
Prase, B.; Koetz, F.; Kirchner, E.; Hasse, A. Pressure and Temperature Dependence of the Permittivity of Mineral and PAG Oils for Hydrodynamic Journal Bearing Applications. Lubricants 2025, 13, 539. https://doi.org/10.3390/lubricants13120539
Prase B, Koetz F, Kirchner E, Hasse A. Pressure and Temperature Dependence of the Permittivity of Mineral and PAG Oils for Hydrodynamic Journal Bearing Applications. Lubricants. 2025; 13(12):539. https://doi.org/10.3390/lubricants13120539
Chicago/Turabian StylePrase, Björn, Florian Koetz, Eckhard Kirchner, and Alexander Hasse. 2025. "Pressure and Temperature Dependence of the Permittivity of Mineral and PAG Oils for Hydrodynamic Journal Bearing Applications" Lubricants 13, no. 12: 539. https://doi.org/10.3390/lubricants13120539
APA StylePrase, B., Koetz, F., Kirchner, E., & Hasse, A. (2025). Pressure and Temperature Dependence of the Permittivity of Mineral and PAG Oils for Hydrodynamic Journal Bearing Applications. Lubricants, 13(12), 539. https://doi.org/10.3390/lubricants13120539

