Thermal Dynamic Exploration of Full-Ceramic Ball Bearings under the Self-Lubrication Condition
Abstract
:1. Introduction
2. Experimental Section
2.1. Experimental Materials
2.2. Characterization Methods
3. Results and Discussion
3.1. The Analysis of Silicon Nitride Ceramic Ball Friction State
3.2. Dynamic Model of Ceramic Bearing under Self-Lubrication
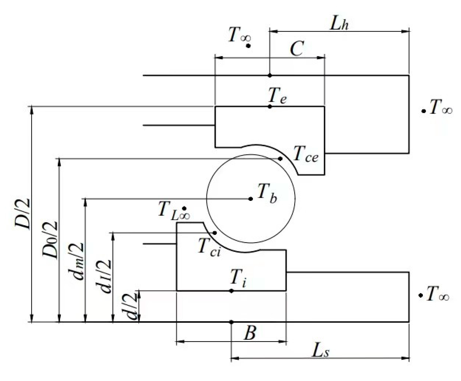
3.3. Heat Transfer Model
3.4. Thermal Resistance of Full-Ceramic Bearing
3.5. Thermal Analysis and Experimental Study of the Silicon Nitride Full-Ceramic Bearing
4. Conclusions
Author Contributions
Funding
Institutional Review Board Statement
Informed Consent Statement
Data Availability Statement
Conflicts of Interest
References
- Li, S.; Wei, C.; Wang, Y. Fabrication and service of all-ceramic ball bearings for extreme conditions applications. IOP Conf. Ser. Mater. Sci. Eng. 2021, 1009, 12032. (In Romania) [Google Scholar] [CrossRef]
- Xia, Z.; Wu, Y.; Wei, H.; Ren, K.; Gao, L.; Sun, J.; Li, S. Experimental Research on the Influence of Working Conditions on Vibration and Temperature Rise of Si3N4 Full-Ceramic Bearing Motors. Shock Vib. 2021, 2021, 1–16. (In Chinese) [Google Scholar] [CrossRef]
- Ebert, F.J. An overview of performance characteristics, experiences and trends of aerospace engine bearings technologies. Chin. J. Aeronaut. 2007, 4, 378–384. (In Germany) [Google Scholar] [CrossRef]
- Yan, H.P.; Wu, Y.H.; Li, S.H.; Zhang, L.X.; Zhang, K. The effect of factors on the radiation noise of high-speed full ceramic angular contact ball bearings. J. Shock. Vib. 2018, 2018, 1645878. (In Chinese) [Google Scholar] [CrossRef]
- Nassef, M.G.A.; Soliman, M.; Nassef, B.G.; Daha, M.A.; Nassef, G.A. Impact of Graphene Nano-Additives to Lithium Grease on the Dynamic and Tribological Behavior of Rolling Bearings. Lubricants 2022, 10, 29. (In Egypt) [Google Scholar] [CrossRef]
- Wang, Y.; Cao, J.C.; Tong, Q.B.; An, G.P.; Liu, R.F.; Zhang, Y.H.; Yan, H. Study on the thermal performance and temperature distribution of Ball bearings in the traction motor of a high-speed EMU. Appl. Sci. 2020, 10, 4373. (In Chinese) [Google Scholar] [CrossRef]
- Shpenev, A.G. Friction and Wear of Fiber Composites with Abrasive Particles on Contact Surface. J. Frict. Wear 2018, 39, 188–194. (In Russia) [Google Scholar] [CrossRef]
- Zhang, Y.; Chen, G.; Wang, L. Effects of thermal and elastic deformations on lubricating properties of the textured journal bearing. Adv. Mech. Eng. 2019, 11, 1687814019883790. (In Chinese) [Google Scholar] [CrossRef]
- Sun, J.; Wu, Y.H.; Zhou, P.; Li, S.H.; Zhang, L.X.; Zhang, K. Research on the cracks extending mechanism of grinding silicon nitride ceramics. Rev. Romana Mater. Rom. J. Mater. 2018, 48, 198–203. (In Chinese) [Google Scholar]
- Ma, S.; Zhang, X.; Yan, K.; Zhu, Y.; Hong, J. A Study on Bearing Dynamic Features under the Condition of Multiball–Cage Collision. Lubricants 2022, 10, 9. (In Chinese) [Google Scholar] [CrossRef]
- Kannel, J.W.; Barber, S.A. Estimate of Surface Temperatures During Rolling Contac. Tribol. Trans. 1989, 3, 305–310. [Google Scholar] [CrossRef]
- Hannon, W.M. Rolling-Element Bearing Heat Transfer—Part I: Analytic Model. J. Tribol. 2015, 137, 31102. [Google Scholar] [CrossRef]
- Hannon, W.M. Rolling-Element Bearing Heat Transfer—Part III: Experimental Validation. J. Tribol. 2015, 137, 31104. [Google Scholar] [CrossRef]
- Li, S.H.; Sui, Y.H.; Sun, J.; Xia, Z.X.; Wang, J.H. Analysis on Friction and Wear Characteristics and Transfer Film Formation Mechanism of Si_3N_4/PTFE under Dry Friction Condition. Lubr. Eng. 2022, 47, 53–59. (In Chinese) [Google Scholar]
- Wu, C.; Yang, K.; Chen, Y.; Ni, J.; Yao, L.D.; Li, X.L. Investigation of friction and vibration performance of lithium complex grease containing nano-particles on rolling bearing. Tribol. Int. 2021, 155, 106761. (In Chinese) [Google Scholar] [CrossRef]
- Jin, C.; Wu, B.; Hu, Y.M. Heat generation modeling of ball bearing based on internal load distribution. Tribol. Int. 2012, 45, 8–15. (In Chinese) [Google Scholar] [CrossRef]
- Garrido, D.S.; Leventini, S.; Martini, A. Effect of Temperature and Surface Roughness on the Tribological Behavior of Electric Motor Greases for Hybrid Bearing Materials. Lubricants 2021, 9, 59. [Google Scholar] [CrossRef]
- Li, X.; Lv, Y.; Yan, K.; Liu, J.; Hong, J. Study on the influence of thermal characteristics of rolling bearings and spindle resulted in condition of improper assembly. Appl. Therm. Eng. 2017, 114, 221–233. (In Chinese) [Google Scholar] [CrossRef]
- Palmgren, A. Ball and Roller Design Engineering; Burkbank: Philadelphia, PA, USA, 1959. [Google Scholar]
- Wu, Y.; Yan, H.; Li, S.; Zhang, K.; Zhang, L. Calculation on the radiation noise of ceramic ball bearings based on dynamic model considering nonlinear contact stiffness and damping. J. Sound Vib. 2020, 479, 115374. (In Chinese) [Google Scholar] [CrossRef]
- Manzoor, S.; Wani, M.; Saleem, S. Effect of load on the friction and wear behaviour of silicon nitride and silicon nitride titanium carbide ceramic composite. Mater. Today: Proc. 2019, 19, 474–477. (In India) [Google Scholar] [CrossRef]
- Jiang, X.Q.; Ma, J.; Zhao, L. Thermal analysis of high-speed precision angular contact ball bearings. Bearing 2000, 8, 1–4. (In Chinese) [Google Scholar]
- Abdullah, O.I.; Schlattmann, J.; Majeed, M.H.; Sabri, L.A. The distribution of frictional heat generated between the contacting surfaces of the friction clutch system. Int. J. Interact. Des. Manuf. 2018, 13, 487–498. [Google Scholar] [CrossRef]
- Burton, R.A.; Staph, H.E. Thermally Activated Seizure of Angular Contact Bearing, Asle Transactions. Elsevier 1967, 10, 408–417. [Google Scholar]
- Wen, C.; Meng, X.; Fang, C.; Gu, J.; Xiao, L.; Jiang, S. Dynamic behaviors of angular contact ball bearing with a localized surface defect considering the influence of cage and oil lubrication. Mech. Mach. Theory 2021, 162, 104352. (In Chinese) [Google Scholar] [CrossRef]
- Li, Z.F.; Shen, J.L.; Ji, J.W.; Liu, X.J. Numerical Simulation and Experimental Study on Steady-State Temperature Field of High Speed Angular Contact Ball Bearings. Lubr. Eng. 2021, 46, 45–50. (In Chinese) [Google Scholar]
- Zhou, X.W.; Zhang, H.; Hao, X.; Liao, X.; Han, Q.K. Investigation on thermal behavior and temperature distribution of bearing inner and outer rings. Tribol. Int. 2018, 130, 289–298. (In Chinese) [Google Scholar] [CrossRef]

















| Density (g.cm−3) | Young’s Modulus (GPa) | Poisson’s Ratio | Thermal Expansion Coefficient (10−6/°C) | Specific Heat Capacity (J/(kg∗K)) | Fracture Toughness (MPa∗m1/2) | Compressive Strength (MPa) |
|---|---|---|---|---|---|---|
| 3.07–3.21 | (20 °C) 310 | 0.27 | 3.5–3.9 (20–1000 °C) | 711.7 | 7–12 | 4500 |
| Level | Roughness (μm) | Roundness (μm) |
|---|---|---|
| G3 | 0.009 | 0.07 |
| G5 | 0.013 | 0.1 |
| G10 | 0.18 | 0.24 |
| Group | The Precision of Silicon Nitride Ceramic Ball | Speed v (r/min) | Apply Load F(N) | Test Time (s) |
|---|---|---|---|---|
| Ni (i = 1…8) | G3, G5, G10 | 500 | 5, 15, 25, 35, 45, 55, 65, 75 | 1800 |
| Fi (i = 1…9) | G3, G5, G10 | 100, 200, 400, 500, 600, 700, 800, 900, 1000 | 35 | 1800 |
| G3, G5, G10 | G3, G5, G10 | 500 | 35 | 1800 |
| Parameters | Values |
|---|---|
| Inner diameter d/mm | 35 |
| Outer diameter D/mm | 62 |
| Rolling body diameter Dpw/mm | 48.5 |
| Ball diameter Dm/mm | 7.938 |
| Contact angle α/° | 15 |
| Number of rolling bodies z/psc | 14 |
| Working Condition | Values |
|---|---|
| Bearing’s rotation speed/(r·min−1) | 8000~24,000 |
| Axial load/N | 0~2500 |
| Air Prandtl number | 0.699 |
| Environment temperature/°C | 24 |
| Load/N | Simulation Result (°C) | Test Result (°C) | Error Percentage (%) |
|---|---|---|---|
| 0 | 27.697 | 30.2 | 8.29 |
| 500 | 30.941 | 32.9 | 4.80 |
| 1000 | 36.472 | 37.9 | 3.77 |
| 1500 | 43.041 | 44.9 | 4.14 |
| 2000 | 50.387 | 52.8 | 4.57 |
Publisher’s Note: MDPI stays neutral with regard to jurisdictional claims in published maps and institutional affiliations. |
© 2022 by the authors. Licensee MDPI, Basel, Switzerland. This article is an open access article distributed under the terms and conditions of the Creative Commons Attribution (CC BY) license (https://creativecommons.org/licenses/by/4.0/).
Share and Cite
Tian, J.; Wu, Y.; Sun, J.; Xia, Z.; Ren, K.; Wang, H.; Li, S.; Yao, J. Thermal Dynamic Exploration of Full-Ceramic Ball Bearings under the Self-Lubrication Condition. Lubricants 2022, 10, 213. https://doi.org/10.3390/lubricants10090213
Tian J, Wu Y, Sun J, Xia Z, Ren K, Wang H, Li S, Yao J. Thermal Dynamic Exploration of Full-Ceramic Ball Bearings under the Self-Lubrication Condition. Lubricants. 2022; 10(9):213. https://doi.org/10.3390/lubricants10090213
Chicago/Turabian StyleTian, Junxing, Yuhou Wu, Jian Sun, Zhongxian Xia, Kexuan Ren, He Wang, Songhua Li, and Jinmei Yao. 2022. "Thermal Dynamic Exploration of Full-Ceramic Ball Bearings under the Self-Lubrication Condition" Lubricants 10, no. 9: 213. https://doi.org/10.3390/lubricants10090213
APA StyleTian, J., Wu, Y., Sun, J., Xia, Z., Ren, K., Wang, H., Li, S., & Yao, J. (2022). Thermal Dynamic Exploration of Full-Ceramic Ball Bearings under the Self-Lubrication Condition. Lubricants, 10(9), 213. https://doi.org/10.3390/lubricants10090213

