Analysing Efficiency and Reliability of High Speed Drive Inverters Using Wide Band Gap Power Devices
Abstract
:1. Introduction
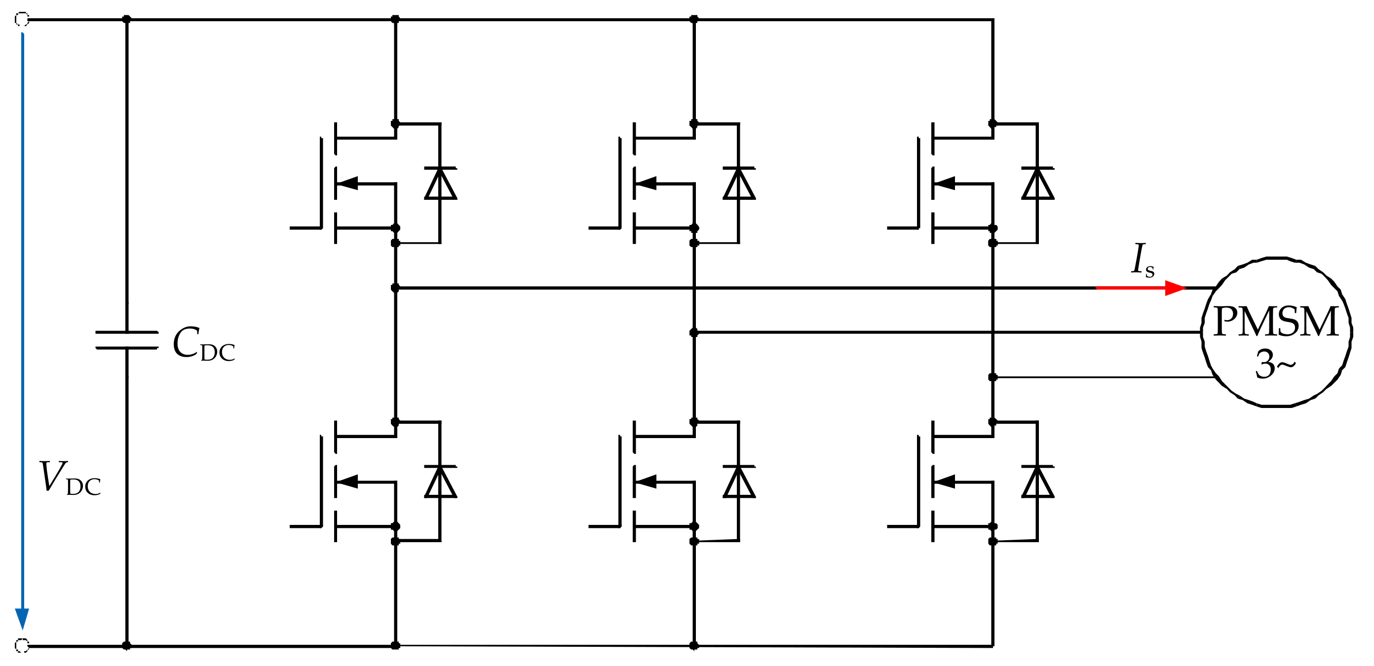
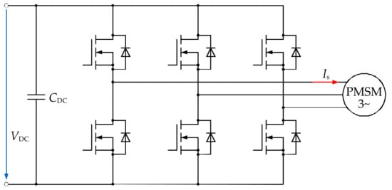
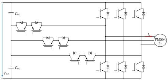
2. Drive Inverter Design Procedure
2.1. Definition of Targets, Requirements and Constraints
2.2. Theoretical Analysis and Loss Estimation
- The requirements can be met with very different solutions.
- Silicon IGBT devices have to be used in a three-level circuit topology, since they cannot be operated at 60 kHz efficiently.
- Using wide band gap devices, the requirements can be met with a simple two-level topology, which gives a large potential for increased power density.
- Although the switching frequency needs to be high, high efficiency can be reached.
2.3. Design of Power Stage Prototypes
2.4. Thermal Optimisation
3. Efficiency Analysis
3.1. Measurement Setup for the Efficiency Analysis of Different Prototypes
3.2. Measurement Results of the Reference Design
3.3. Measurement Results of the Wide Band Gap Power Stage Prototypes
- Silicon carbide MOSFETs can meet the requirements of this application and are easy to parallel.
- Switching frequencies of up to 120 kHz can be reached.
- The loss prediction is fairly accurate.
- The possible inverter efficiency is highly dependent on the load and its parasitic capacitance.
- Surface mount devices have benefits in terms of size, parasitic inductance and ease of assembly, but good care must be taken designing an efficient cooling structure.
- Certain GaN devices are difficult to operate in parallel, the TO-247 package is not well suited for these devices.
4. Reliability Analysis
4.1. Lifetime Estimation Process
4.2. Lifetime Estimation
4.2.1. Estimated Lifetime for Static Operating Points
4.2.2. Estimated Lifetime for Mission Profiles
4.3. Discussion of the Lifetime Estimation
- Since the connecting technologies of today’s wide band gap devices are similar to conventional silicon IGBT devices, the same failure mechanisms are expected and the same formulas can be utilised.
- The number of possible cycles before a failure depends directly on the devices’ losses and temperature swings. Therefore, it decreases with a higher current and higher switching frequency.
- Better cooling increases the number of possible cycles.
- Using the rainflow algorithm, an expected repetition rate for different mission profiles can be calculated.
- All devices are expected to meet the required reliability, even at a switching frequency of 120 kHz. Nevertheless, a design with low losses and good cooling should always be preferred.
5. Conclusions
Author Contributions
Funding
Institutional Review Board Statement
Informed Consent Statement
Data Availability Statement
Acknowledgments
Conflicts of Interest
References
- Balasubramanian, S.; Henke, M. Performance Evaluation of a High-Speed Permanent Magnet Synchronous Machine with Hairpin Winding Technology. In Proceedings of the 2020 International Conference on Electrical Machines (ICEM), Gothenburg, Sweden, 23–26 August 2020. [Google Scholar] [CrossRef]
- Boglietti, A.; Cavagnino, A.; Knight, A. Isolating the Impact of PWM Modulation on Motor Iron Losses. In Proceedings of the 2008 IEEE Industry Applications Society Annual Meeting, Edmonton, AB, Canada, 5–9 October 2008. [Google Scholar] [CrossRef]
- Boglietti, A.; Ferraris, P.; Lazzari, M.; Pastorelli, M. Change of the iron losses with the switching supply frequency in soft magnetic materials supplied by PWM inverter. IEEE Trans. Magn. 1995, 31, 4250–4252. [Google Scholar] [CrossRef]
- Yamazaki, K.; Abe, A. Loss investigation of interior permanent-magnet motors considering carrier harmonics and magnet eddy currents. IEEE Trans. Ind. Appl. 2009, 45, 659–665. [Google Scholar] [CrossRef]
- Van der Geest, M.; Polinder, H.; Ferreira, J.A. Influence of PWM switching frequency on the losses in PM machines. In Proceedings of the 2014 International Conference on Electrical Machines (ICEM), Berlin, Germany, 2–5 September 2014. [Google Scholar] [CrossRef]
- Schwager, L.; Tüysüz, A.; Zwyssig, C.; Kolar, J.W. Modeling and Comparison of Machine and Converter Losses for PWM and PAM in High-Speed Drives. IEEE Trans. Ind. Appl. 2013, 50, 995–1006. [Google Scholar] [CrossRef]
- Su, G.-J.; Adams, D. Multilevel DC link inverter for brushless permanent magnet motors with very low inductance. In Proceedings of the 2001 IEEE Industry Applications Conference. 36th IAS Annual Meeting (Cat. No.01CH37248), Chicago, IL, USA, 30 September–4 October 2001. [Google Scholar] [CrossRef]
- Shirabe, K.; Swamy, M.; Kang, J.-K.; Hisatsune, M.; Wu, Y.; Kebort, D.; Honea, J. Advantages of high frequency PWM in AC motor drive applications. In Proceedings of the 2012 IEEE Energy Conversion Congress and Exposition (ECCE), Raleigh, NC, USA, 15–20 September 2012; pp. 2977–2984. [Google Scholar] [CrossRef]
- Shirabe, K.; Swamy, M.; Kang, J.-K.; Hisatsune, M.; Wu, Y.; Kebort, D.; Honea, J. Efficiency Comparison Between Si-IGBT-Based Drive and GaN-Based Drive. IEEE Trans. Ind. Appl. 2014, 50, 566–572. [Google Scholar] [CrossRef]
- Lautner, J.; Piepenbreier, B. Performance Comparison of Cascode GaN HEMT and Si MOSFET based Inverter for Motor Drive Applications. In Proceedings of the IEEE PEDS 2017, Honolulu, HI, USA, 12–15 December 2017. [Google Scholar] [CrossRef]
- Morita, T.; Tamura, S.; Anda, Y.; Ishida, M.; Uemoto, Y.; Ueda, T.; Tanaka, T.; Ueda, D. 99. In 3% efficiency of three-phase inverter for motor drive using GaN-based gate injection transistors. In Proceedings of the 26th IEEE Applied Power Electronics Conference and Exposition (APEC 2011), Fort Worth, TX, USA, 6–11 March 2011. [Google Scholar] [CrossRef]
- Ding, X.; Zhou, Y.; Cheng, J. A review of gallium nitride power device and its applications in motor drive. CES Trans. Electr. Mach. Syst. 2019, 3, 54–64. [Google Scholar] [CrossRef]
- Morya, A.; Moosavi, M.; Gardner, M.C.; Toliyat, H.A. Applications of Wide Bandgap (WBG) devices in AC electric drives: A technology status review. In Proceedings of the 2017 IEEE International Electric Machines and Drives Conference (IEMDC), Miami, FL, USA, 21–24 May 2017. [Google Scholar] [CrossRef]
- Allouche, A. SiC MOSFET Comparison 2019; System Plus Consulting: Nantes, France, 2019. [Google Scholar]
- Ayari, T.; Gaalois, P. GaN Power Transistor Comparison 2020; System Plus Consulting: Nantes, France, 2020. [Google Scholar]
- Ding, H.; Li, Y.; Han, D.; Liu, M.; Sarlioglu, B. Design of a novel integrated motor-compressor machine with GaN-based inverters. In Proceedings of the 19th European Conference on Power Electronics and Applications (EPE’17 ECCE Europe), Warsaw, Poland, 11–14 September 2017. [Google Scholar] [CrossRef]
- Tüysüz, A.; Bosshard, R.; Kolar, J.W. Performance comparison of a GaN GIT and a Si IGBT for high-speed drive applications. In Proceedings of the 2014 International Power Electronics Conference (IPEC 2014/ECCE ASIA), Hiroshima, Japan, 18–21 May 2014. [Google Scholar] [CrossRef]
- Langmaack, N.; Tareilus, G.; Mallwitz, R. High Performance Drive Inverter for an Electric Turbo Compressor in Fuel Cell Applications. In Proceedings of the 22nd European Conference on Power Electronics and Applications (EPE’20 ECCE Europe), Lyon, France, 7–11 September 2020. [Google Scholar] [CrossRef]
- Langmaack, N.; Mallwitz, R.; Henke, M. Thermally optimised High Speed Drive Inverter Design using Surface Mount Silicon Carbide Devices. In Proceedings of the SIA Powertrain & Power Electronics International Conference and Exhibition, Paris, France, 9–10 June 2021. [Google Scholar]
- Langmaack, N.; Balasubramanian, S.; Mallwitz, R.; Henke, M. Comparative Analysis of High Speed Drive Inverter Designs using different Wide-Band-Gap Power Devices. In Proceedings of the 23rd European Conference on Power Electronics and Applications (EPE’21 ECCE Europe), Ghent, Belgium, 6–10 September 2021. [Google Scholar]
- Langmaack, N.; Schobre, T.; Henke, M. Fast and Universal Semiconductor Loss Calculation Method. In Proceedings of the 2019 IEEE 13th International Conference on Power Electronics and Drive Systems (PEDS 2019), Toulouse, France,, 9–12 July 2019. [Google Scholar] [CrossRef]
- Hoffmann, F.; Kaminski, N. Impact of Device Design on the Power Cycling Capability of Discrete SiC MOSFETs at Different Temperature Swings. In Proceedings of the ISPSD 2020, Vienna, Austria, 13–18 September 2020. [Google Scholar] [CrossRef]
- Xu, C.; Yang, F.; Ugur, E.; Pu, S.; Akin, B. University of Texas at Dallas Performance Degradation of GaN HEMTs Under Accelerated Power Cycling Tests. CPSS Trans. Power Electron. Appl. 2018, 3, 269–277. [Google Scholar] [CrossRef]
- Ziemann, T.; Grossner, U. Neuenschwander, J. In Power Cycling of Commercial SiC MOSFETs. In Proceedings of the IEEE 6th Workshop on Wide Bandgap Power Devices and Applications, Atlanta, GA, USA, 31 October–2 November 2018. [Google Scholar] [CrossRef]
- Franke, J.; Zeng, G.; Winkler, T.; Lutz, J. Power cycling reliability results of GaN HEMT devices. In Proceedings of the IEEE 30th International Symposium on Power Semiconductor Devices and ICs (ISPSD), Chicago, IL, USA, 13–17 May 2018. [Google Scholar] [CrossRef]
- Merker, G.P.; Teichmann, R. Funktionsweise von Verbrennungsmotoren. In Grundlagen Verbrennungsmotoren, 7th ed.; Springer Vieweg: Wiesbaden, Germany, 2014. [Google Scholar]
- ADAC Elektroauto-Batterie. Lebensdauer, Garantie, Reparatur. Available online: https://www.adac.de/rund-ums-fahrzeug/elektromobilitaet/info/elektroauto-batterie/ (accessed on 24 August 2021).
- Shen, Y.; Wang, H.; Yang, Y.; Reigosa, P.D.; Blaabjerg, F. Mission profile based sizing of IGBT chip area for PV inverter application. Proceedings of 2016 IEEE 7th International Symposium on Power Electronics for Distributed Generation Systems (PEDG), Vancouver, BC, Canada, 27–30 June 2016. [Google Scholar] [CrossRef]
- Bayerer, R.; Hermann, T.; Licht, T.; Lutz, J.; Feller, M. Model for Power Cycling lifetime of IGBT Modules - various factors influencing lifetime. In Proceedings of the 5th International Conference on Integrated Power Electronics Systems (CIPS 2008), Nuremberg, Germany, 11–13 March 2008. [Google Scholar]
- Mainka, K.; Schilling, O.; Thoben, M. Lifetime calculation for power modules, application and theory of models and counting methods. In Proceedings of the 2011 14th European Conference on Power Electronics and Applications, Birmingham, UK, 30 August–1 September 2011. [Google Scholar]
- GopiReddy, L.; Tolbert, L.M.; Ozpineci, B.; Pinto, J.O.P. Rainflow Algorithm-Based Lifetime Estimation of Power Semiconductors in Utility Applications. IEEE Trans. Ind. Appl. 2015, 51, 51–3368. [Google Scholar] [CrossRef]
- Ciappa, M. Lifetime Modeling and Prediction of Power Devices. In Proceedings of the 5th International Conference on Integrated Power Electronics Systems (CIPS 2008), Nuremberg, Germany, 11–13 March 2008. [Google Scholar]
- Lutz, J.; Schlangenotto, H.; Scheuermann, U.; De Doncker, R. Semiconductor Power Devices, 2nd ed.; Springer International Publishing: Cham, Switzerland, 2018. [Google Scholar]



















| Property | Value |
|---|---|
| DC voltage | 250 V to 500 V |
| Load current | up to 60 Arms |
| Load power | up to 15 kW |
| Load frequency | up to 2000 Hz |
| Switching frequency | at least 30 kHz (3-level) or 60 kHz (2-level) |
| Interfaces | CAN, resolver, HV-interlock |
| Ambient temperature | −25 °C to 90 °C |
| Coolant, temperature | water/glycol, −25 °C to 70 °C |
| Property | OP (1) | OP (2) | OP (3) |
|---|---|---|---|
| DC voltage | 400 V | 400 V | 400 V |
| Load current | 30 Arms | 42 Arms | 60 Arms |
| Modulation index | 0.9 | 0.9 | 0.5 |
| Devices | Description | Gate Resistance (Ω) | Voltage Gradient (V/ns) | |
|---|---|---|---|---|
| (Always Two in Parallel) | (Per Device) | (For Two Devices) | Rising | Falling |
| SCTH100N65G2-7AG | SiC 650 V, 20 mΩ, D²PAK | 2.2 | 15.8 | −14.4 |
| NVBG020N090SC1 | SiC 900 V, 20 mΩ, D²PAK | 1.5 | 28.3 | −36.2 |
| C3M0030090K | SiC 900 V, 30 mΩ, TO-247 | 2.7 | 32.4 | −36.2 |
| IMZ120R030M1H | SiC 1200 V, 30 mΩ, TO-247 | 2.2 | 34.5 | −41.1 |
| TP65H035WSQA | GaN 650 V, 35 mΩ, TO-247 | 15 (+3.9 per device) | 37.1 | −37.7 |
| Parameter | Value | Explanation | Limits |
|---|---|---|---|
| A | 2.03 × 1014 | Technology Factor | |
| ΔTj | variable, depending on the loss calculations | Temperature swing of the chip | 45–150 K |
| Tjmin | 25 °C | Minimal Temperature of the chip | 20–120 °C |
| ton | 1 s | Pulse time | 1–15 s |
| Ib | variable, divided by 3 1 | Current per bond | 3–23 A |
| Vc | variable, depending on the voltage class | Voltage class of the chip | 600–3300 V |
| D | 300 µm 2 | Diameter of the bonds | 75–500 µm |
| β1 | −4.416 | ||
| β2 | 1.258 × 103 | ||
| β3 | −0.463 | ||
| β4 | −0.716 | ||
| β5 | −0.761 | ||
| β6 | −0.5 |
| No. | Component | Voltage | Current | Technology | Package | Rth,j-c |
|---|---|---|---|---|---|---|
| 1 | GAN063-650WSA | 650 V | 34.5 A | GaN | TO-247 | 1.05 K/W |
| 2 | TP65H035WSQA | 650 V | 47.2 A | GaN | TO-247 | 0.8 K/W |
| 3 | GAN041-650WSB | 650 V | 47.2 A | GaN | TO-247 | 0.8 K/W |
| 4 | SCTH100N65G2-7AG | 650 V | 95 A | SiC | D²PAK | 0.42 K/W |
| 5 | SCTW100N65G2AG | 650 V | 100 A | SiC | TO-247 | 0.42 K/W |
| 6 | C3M0065090J | 900 V | 35 A | SiC | D²PAK | 1.1 K/W |
| 7 | E3M0065090D | 900 V | 35 A | SiC | TO-247 | 1.0 K/W |
| 8 | C3M0030090K | 900 V | 63 A | SiC | TO-247 | 0.84 K/W |
| 9 | NTBG020N090SC1 | 900 V | 112 A | SiC | D²PAK | 0.31 K/W |
| 10 | IMZ120R030M1H | 1200 V | 56 A | SiC | TO-247 | 0.51 K/W |
| 11 | SCT3030KLHR | 1200 V | 72 A | SiC | TO-247 | 0.34 K/W |
| 12 | SCT3022KLHR | 1200 V | 95 A | SiC | TO-247 | 0.27 K/W |
Publisher’s Note: MDPI stays neutral with regard to jurisdictional claims in published maps and institutional affiliations. |
© 2021 by the authors. Licensee MDPI, Basel, Switzerland. This article is an open access article distributed under the terms and conditions of the Creative Commons Attribution (CC BY) license (https://creativecommons.org/licenses/by/4.0/).
Share and Cite
Langmaack, N.; Lippold, F.; Hu, D.; Mallwitz, R. Analysing Efficiency and Reliability of High Speed Drive Inverters Using Wide Band Gap Power Devices. Machines 2021, 9, 350. https://doi.org/10.3390/machines9120350
Langmaack N, Lippold F, Hu D, Mallwitz R. Analysing Efficiency and Reliability of High Speed Drive Inverters Using Wide Band Gap Power Devices. Machines. 2021; 9(12):350. https://doi.org/10.3390/machines9120350
Chicago/Turabian StyleLangmaack, Niklas, Florian Lippold, Daiyi Hu, and Regine Mallwitz. 2021. "Analysing Efficiency and Reliability of High Speed Drive Inverters Using Wide Band Gap Power Devices" Machines 9, no. 12: 350. https://doi.org/10.3390/machines9120350
APA StyleLangmaack, N., Lippold, F., Hu, D., & Mallwitz, R. (2021). Analysing Efficiency and Reliability of High Speed Drive Inverters Using Wide Band Gap Power Devices. Machines, 9(12), 350. https://doi.org/10.3390/machines9120350

