You are currently viewing a new version of our website. To view the old version click .
Machines
  • Article
  • Open Access

20 June 2019

Vibration-Based Experimental Identification of the Elastic Moduli Using Plate Specimens of the Olive Tree

,
,
and
1
Department of Agricultural Science, University of Naples “Federico II”, 80055 Napoli, Italy
2
Department of Industrial Engineering, University of Salerno, Via Giovanni Paolo II, 132, 84084 Fisciano SA, Italy
*
Author to whom correspondence should be addressed.
This article belongs to the Special Issue Selected Papers from the 18th International Conference Research and Development in Mechanical Industry (RaDMI-2018)

Abstract

Mechanical parameters of the olive wood plate have been computed by data inversion of vibrational experimental tests. A numerical-experimental method has allowed the evaluation of the two transverse shear moduli and the four in-plane moduli of a thick orthotropic olive tree plate. Therefore, the natural flexural vibration frequencies of olive trees plates have been evaluated by the impulse technique. For our purposes, we define the objective function as the difference between the numerical computation data and the experimental ones. The Levenberg–Marquardt algorithm was chosen as optimization strategy in order to minimize the matching error: the evaluation of the objective function has required a complete finite element simulation by using the ANSYS code. As input, we have used the uniaxial test data results obtained from the olive plates. The converged elastic moduli with n = 10 natural modes were E1 = 14.8 GPa, E2 = 1.04 GPa, G12 = 4.45 GPa, G23 = 4.02 GPa, G13 = 4.75 GPa, ν12 = 0.42, and ν13 = 0.42. The relative root mean square (RMS) errors between the experimental frequencies and the computed one is 9.40%. Then, it has been possible to obtain a good agreement between the measured and calculated frequencies. Therefore, it has been found that for plates of moderate thickness the reliability of the estimated values of the transverse shear moduli is good.

1. Introduction

During the olive tree’s mechanical harvest, the olive tree is subject to vibrating stress by the mean shaker machine and it is very important to evaluate the interaction between olive tree and the shaker machine. Further, it is necessary to model the mechanical behaviour of the tree also defining the mechanical characteristics of the different part of it. This can be performed by a structural analysis. It has to be kept into account that the olive tree has often anomalies, very evident in cross section, formed by growth irregularity of the circular ring that generally introduce some indentures of different and irregular intensity. It would be of notable interest to be able to determine and to characterize, with no-destructive instrumental tests, one or more parameters able to define, qualitatively and quantitatively, its mechanical characteristics to better understanding the interaction tree – shaking machine during the mechanical harvest. Numerous studies on the mechanical characteristics of the olive tree wood have concerned the characterization of its anatomical structure and the determination, on specimens, of the principal elastic constants by the evaluation of the speed of propagation of ultrasonic wave [1,2,3]. Other studies have been based on the detecting of the vibration natural frequencies both flexural and longitudinal, and of the corresponding inside damping, calculated with the method of the logarithmic decrement [4,5,6]. The data results are not always homogeneous and directly comparable, because they have been obtained with different materials, conditions and methodologies. Further, the considered wood in the current literature are usually “construction wood” and not vegetating wood [7,8,9,10]. Insofar this research has been aimed to evaluate the real potentialities of the vibration methods of investigation, and particularly of the modal analysis applied for vegetating wood. Indeed, from a theoretical point of view, different authors [11,12,13,14], have noticed that it is possible to extract the transverse shear moduli of moderately thick plates from experimental frequency data.
Therefore, in this research has been proposed a methodology to evaluate vegetating wood mechanical properties, and as secondary aim, its validation in the ambit of the formulated hypothesis of anisotropic material. All that, makes it possible to determine six engineering elastic constants of an orthotropic olive tree plate from a single experiment [15,16,17,18,19].

2. Materials and Methods

The parameters that define the characteristics physical-mechanics of the wood, for the same woody type and under identical conditions, introduce a notable variability according to the origin of the considered arboreal individual and the portion of stem from which the specimen is obtained. The percentage of spring wood, in comparison to that autumn wood (with bulk density also three times greater) it assumes a great importance on its mechanical behaviour, tied up strongly to the inside friction and the viscous-elastic characteristics [20,21,22,23,24].

2.1. Specimens Preparation

The specimens considered have been withdrawn by Leccino cultivar olive tree and by an only radial large table along 1800 mm of the width of 120 mm and of the thickness of 10 mm coming from the same arboreal individual. Prismatic plates, with dimension 180 × 120 × 10 mm, have been obtained by using disk saw. In such operation we looked for, as far as possible, to obtain clean specimens without defects and particularly from knots and fiber deviations, as well as breaking longitudinal. The specimens considered have been marked in way to be able to separately evaluate its physical- mechanical characteristics and their position in comparison to the medullar axle of the native stem. For the sampling the letters A, B, C, D, E, F, G, H, I, L have been used to denote the considered specimens.

2.2. Uniaxial Testing

The considered plates have been submitted to traditional uniaxial test by a uniaxial test machine. It is composed of a very sturdy two-column structure with an upper crosspiece adjustable in height and a movable lower crosspiece operated by an electromechanical system with a ball screw that ensures an accurate control of speed and load. The machine is controlled by a PC. The load is detected by an electric strain gauge cell incorporated in the upper cross member and the deformation by a linear position transducer. The relative values are displayed on the PC screen.
The advanced technology derived from the use of microprocessors allows great flexibility in the execution of load control, elongation and displacement tests. The PC controls all the functions of the machine. The installed program allows performing the most common tests of traction, compression, bending, load control and/or displacement/elongation, and by mean this device the E1, E2 and ν12 values have been obtained.

2.3. Modal Analysis

It is possible to evaluate the mechanical parameters of olive wood plate by data inversion of vibrational experimental tests. Therefore, the natural flexural vibration frequencies of olive trees plates have to be evaluated.

2.3.1. Constitutive Equations

It has been chosen to deal with completely free plates because it is the only boundary conditions which can be easily and accurately realised in an experimental set-up.
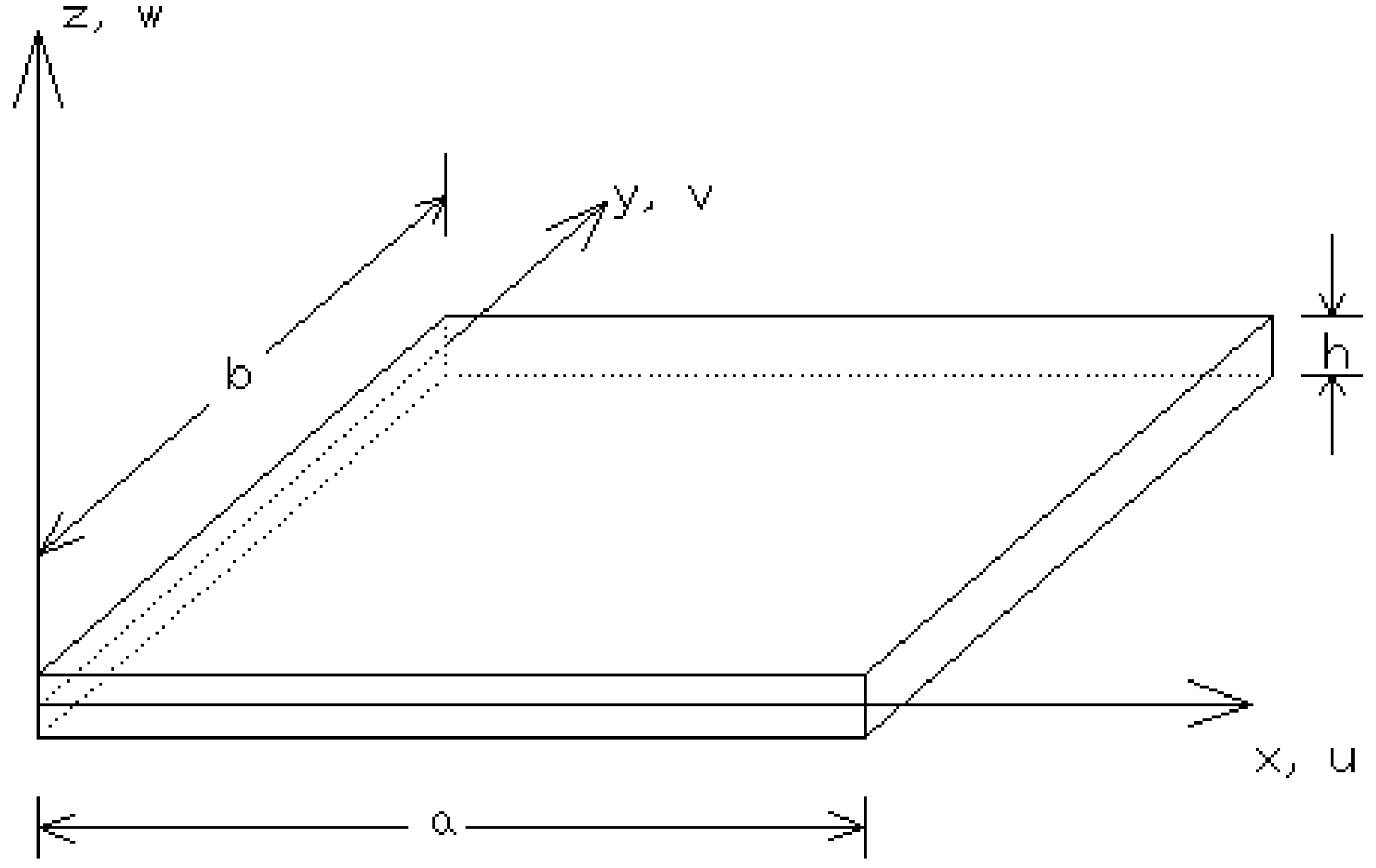
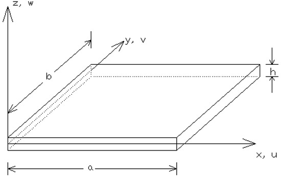
Figure 1 shows a rectangular plate of constant thickness h, and planform dimensions a and b. A Cartesian coordinate system x-y-z. is located at the middle plane, with the z-axis normal to this plane.
Figure 1. Plate geometry.
The plate is, in general, composed of a number of orthotropic layers of equal thickness and material properties. The principal material axes of the layers may be oriented at different angles to the plate axes x, y. The constitutive equations of an orthotropic layer in the material symmetry-axes take the form
{ σ 11 σ 22 σ 12 } = E 1 [ q 11 q 12 0 q 12 q 22 0 0 0 q 66 ] { ε 11 ε 22 2 ε 12 }
{ σ 23 σ 13 } = E 1 [ q 44 0 0 q 55 ] { 2 ε 23 2 ε 13 }
where q ij are normalised plane-stress reduced stiffness’s related to the material moduli by
q 11 = 1 / ( 1 ν 12 2 E 2 / E 1 ) ; q 22 = E 2 / E 1 ( 1 ν 12 2 E 2 / E 1 ) q 12 = ν 12 E 2 / E 1 ( 1 ν 12 2 E 2 / E 1 ) q 44 = G 23 / E 1 q 55 = G 13 / E 1 q 66 = G 12 / E 1
The indices 1, 2 and 3 refer to the material symmetry axes of each layer, and σ = normal stress; ε = strain; E1, E2 = the two in-plane Young’s moduli [Pa]; G12 = the in-plane shear modulus; ν12 = the in plane Poisson’s ratio; G13, G23 = the two transverse shear moduli and qij are normalised plane stress reduced stiffness’s related to the material moduli. Like it is known, the assumptions that are at the basis of the mathematical model to study the flexural vibrations for an orthotropic plate are: solid with constant cross-section, orthotropic homogenous material. With the limitations over said and with reference to a prismatic plate free-free, the flexural vibrations can be evaluated by mean inverse problem theory.

2.3.2. The Inverse Problem

We have used the inverse problem theory with the aim to determine the unknown material moduli of an olive tree plate by mean a set of measured natural frequencies. Non-linear parameter estimation methods can be used for this purpose. Given a set of measured natural frequencies of an olive tree plate we aim at determining the unknown material moduli. In this approach, the parameters are adjusted to achieve a model that fits the experimental data the best. This is done by minimising the difference between theoretical and experimental data.
The number of frequencies l is chosen under consideration for the following characteristics:
-
The necessity of providing experimental data which is sufficiently sensitive to the parameters to be identified (the sensitivities with respect to the transverse shear moduli generally increase with the mode number).
-
The accuracy of the numerical model (accurate prediction of frequencies related to higher modes of vibration requires increased computational effort).
-
Higher modes are more sensitive to local defects in the plate than lower modes.
-
Frequencies of higher modes of vibration are generally more difficult to measure than those of the lower modes.
-
A high number of degrees of freedom (the number of data points less the number of unknowns) is desirable to reduce statistical variance.
By experience, a value of l around 10 is a good compromise.

2.3.3. Testing

For the considered plate, the truly free support is closely approximated by supporting the plate on very soft elastic bands so that the rigid body modes have frequency values which are very low in relation to those of the flexural vibration. In addition, the olive tree plate is suspended in a vertical position so that the suspension bands are normal to the direction of vibration. Hereby, minimum interference is ensured on the plate flexural vibration frequencies that are the object of the test. The technique used in the modal analysis is that of an excitement impact flexural, produced by special sensitized hammer. The excitation of the plate is accomplished by an impulse hammer with a force transducer and the plate response is measured by a microphone providing non-contact measurements. Particularly in the tests a hammer GK 291 C of the PCB Piezotronics and the response is measured by a microphone providing non-contact measurements. The used transducer was of the type ICP (Integrated Circuit Piezotronic) and that has inside microelectronic circuit that gives output signal in Volt. By an acquisition data system, the signals obtained by the strength transducer (hammer) and from the microphone providing noncontact measurements have been directly detected by a standard procedure. The load peak has been 600 g peak.
A dual channel signal analyser calculates the frequency response function by fast Fourier transformation (FFT), from which the frequency values are extracted by a modal analysis curve fitting technique. The measurements have been repeated for each specimen until five consecutive readings of frequency, within 1% of each other, have been obtained. The average of the five readings was taken as the resonant frequency of the specimen. The experimental technique as described here provides accurate and reliable natural frequencies for the completely free plate in a very simple and fast manner. In addition, the test is noted to be non-destructive. With the aim to set the numerical model, it is possible to study the effect of transverse shear deformation on the plate natural frequencies. This effect as a function of the length-to-thickness ratio. It has been noted by different authors [25,26,27,28] that the transverse shear effect:
-
Increases as the length-to thickness ratio decreases;
-
Increases with the complexity of the mode shape; i.e. as the wave length-to-thickness in either direction decreases;
-
Increases as the elastic modulus to shear modulus ratio increases.
It has been also noted that the one percent limit is not exceeded for the first 10 natural frequencies if the length-to-thickness ratio is higher than 60 for the isotropic plate and 95 for the orthotropic plate. The results obtained from numerous authors [29,30,31,32] with different material, reveal that the transverse shear effects become significant for length-to-thickness ratios less than 30–50 depending on the degree of material anisotropy and vibrational mode type. From a theoretical point of view this indicates that it is possible to extract the transverse shear moduli of moderately thick plates from experimental frequency data. Additional numerical results including comparisons with 3-D finite element solutions that proves the high accuracy of the numerical model are available in current literature. What that is the typology of the used material, the study of the dynamic response of a structural system is useful not only for the solution of problems related to vibrations and noises, but also for the evaluation of some elastic characteristics of the considered system [33,34,35,36]. The intrinsic properties that are evaluated, analysing the behavior of a structure in correspondence of its resonances are: the natural frequencies, the damping and the deformation (modal forms). The modal analysis is a theoretical and experimental methodology that allows to determine these parameters and it consists in a complex of tests and measures at which the considered structure is undergone with the objective to obtain a mathematical description of its dynamics. The study of the dynamic response of wood elements results more difficult and rather more approximate in comparison to other materials in how much the mathematical formulations that are at the base of the modal analysis imply a linear behavior of the structure that, besides, it should have to have homogeneous composition and characteristics well defined. As it is known, the wood has a behavior orthotropic and therefore it is necessary to evaluate the different characteristic moduli for these types of materials, for which it is necessary to use mathematical models more complex to simulate its behaviour. We will refer to the theory of the orthotropic plates broadly treated in the literature [37,38,39,40].

2.4. Validation

To better understand the procedure used, we approach this problem by using an optimization strategy and a FEM code in order to determining, on the basis of vibrational data, the elasticity parameters of the considered material. For our problem, a Levenberg–Marquardt algorithm was chosen as optimization strategy. In this case, the evaluation of the objective function required a complete finite element simulation that we performed using the ANSYS code. The Levenberg–Marquardt algorithm (LMA) is used to solve nonlinear least squares problems. This method is a combination of the gradient descent (GD) and the Gauss–Newton (GN) methods. Both the GD and GN methods are iterative algorithms, based on an initial guessed x -value, by which one try to minimize a cost function. In this work the cost function is a measure of the distance between the calculated modal frequencies and the experimental ones ω n ω e x p . The modal frequencies are iteratively obtained, on the basis of updated elasticity parameters E . At each iteration, the LMA chooses either the GD or GN and updates by choosing values that make the root-mean-square error smaller. The iterative update is dependent on the value of an algorithmic parameter “λ”, a non-negative damping factor that smooths out the graph. The update is GN if λ is small (i.e., close to the optimal value) and a GD if λ is large. The Gauss–Newton is more accurate and faster than the gradient descent when close to the minimum error. Therefore, the algorithm will migrate towards the GN algorithm as soon as possible. As input for the parameter evaluation, we have used the uniaxial test data results conducted on the specimen obtained from the olive plates considered.

3. Results

3.1. Material Properties Evaluated with Uniaxial Testing

In the following, the data results obtained submitting the considered plates to traditional uniaxial test, have been reported:
E1 = 14.4 ± 0.71 GPa; E2 = 0.95 ± 0.95 GPa; ν12 = 0.43 ± 0.03

3.2. Natural Frequencies

Results are presented for a moderately thick unidirectional olive tree plate (Figure 1) with data given in Table 1, considering the plates examined A, B, C, D, E, F, G, H, I, L, because the maximum errors detected for the obtained values were less than 5%, the mean values are reported in Table 1.
Table 1. Olive tree plate data.
The parameters evaluation has been performed considering the first 10 natural frequencies, and it has been reported in Table 2.
Table 2. Experimental frequencies.

3.3. Comparison between Numerical and Experimental Results

The RMS errors between the measured frequencies and those computed is 9,40. Figure 2 reported the comparison between the frequencies evaluated by experimental and numerical tests. In Table 3, absolute percent errors of frequencies values estimated with experimental and numerical tests, have been reported.
Figure 2. Comparison between the frequencies evaluated by experimental and numerical tests.
Table 3. Absolute percent error of frequencies values estimated with experimental and numerical tests.
The mode shapes and the associated modal frequencies, calculated on the basis of the estimated elastic parameters, are shown in the following Figure 3.
Figure 3. Mode shapes and the associated modal frequencies.
The converged elastic moduli values, with n = 10 natural modes, have been:
E1 = 14.8 GPa, E2 = 1.04 GPa, G12 = 4.45 GPa, G23 = 4.02 GPa, G13 = 4.75 GPa, ν12 = 0.42, and ν13 = 0.42.
Which resulted to be in good agreement with the obtained material constitutive parameters. Further, it has been seen from the obtained data results, that the usual assumption of transverse isotropy is justified since G 12 G 13 . As can be seen, the reliability of the three parameters E1, E2 and ν12 is very good.
However, Poisson’s ratio is generally noted to be the parameter most vulnerable to data perturbations.

4. Discussion and Conclusions

Non-linear parameter estimation based on natural frequency measurements has been used to identify the six most important elastic constants of olive tree plates including the two transverse shear moduli.
The resonance experiment has been easy to perform and provides very accurate frequency data.
Attention is focused on the importance of an accurate numerical model that provides reliable theoretical predictions. Otherwise, erroneous parameter estimates can result. Assessment of the parameter uncertainty forms an important part of parameter estimation. The present investigation shows that E1, E2 and ν12 are very well-determined. Regarding the transverse shear moduli, an acceptable precision can be obtained provided that the length-to-thickness ratio is sufficiently small, typically less than 30.
In this paper, we have considered samples with rectilinear anisotropy. This model accounts for wood being orthotropic but simplifies the analysis by aligning coordinates of the anisotropy with the rectilinear global axes, i.e., tangential, radial, and longitudinal directions in x, y, and z directions or at a constant angle to those directions.
This approach simplifies finite element analysis because all elements have the same orientation for their material axes. Because this model can include low shear moduli, it can account for changes in effective modulus due to off-axis loading. The rectilinear assumption, however, makes it only suitable for boards far from the pith.
The limitations of the methodology adopted for the experimental measures and also for the finite element modeling are due at the fact that, the rectilinear anisotropy assumption would completely miss board dimension and orientation effects caused by growth ring curvature within a specimen.
The state of generalized plane strain and generalized torsion exist only in an infinitely long prismatic body subjected to loadings that do not vary axially. Stress disturbance inevitably occurs if the exact end conditions are approximated by the statically equivalent conditions of the stress resultants. It is known that the Saint-Venant end effects in anisotropic elastic materials may not be local to the boundary layer region. Study of the stress decay in anisotropic laminates in the state space setting has been reported. Investigation via the state space formalism may prove to be effective in treating more general problems.
Further different approaches are possible to numerical modeling. Four common methods for numerical modeling of wood are considered with emphasis on their suitability for problems involving stress analysis in the transverse plane:
  • Transversely Isotropic Material: The simplest model of wood assumes it is transversely isotropic with the axial direction in the longitudinal direction. The rational is that longitudinal modulus is 10–20 times larger than radial or tangential moduli, while those transverse moduli may differ by less than a factor of two.
  • Rectilinear Orthotropic Material: This model accounts for wood being orthotropic but simplifies the analysis by aligning coordinates of the anisotropy with the rectilinear global axes, i.e., tangential, radial, and longitudinal directions in x, y, and z directions or at a constant angle to those directions. This approach simplifies finite element analysis because all elements have the same orientation for their material axes.
  • Homogenized Cylindrical Orthotropy: This model accounts for growth ring curvature within a specimen but simplifies the analysis by using homogenized properties in the transverse plane. Compared to rectilinear orthotropy, cylindrical orthotropy complicates the mesh generation.
  • Heterogeneous Cylindrical Orthotropy: The model used accounts for both growth ring curvature within a specimen and variations in material properties between earlywood and latewood. This model is physically the closest to approximating the structure of real wood. Although a fine mesh is required to resolve the structure of wood, the extra effort versus homogenized cylindrical orthotropy is minimal.

Author Contributions

Data curation, D.I.; Formal analysis, D.I.; Methodology, F.V.; Project administration, A.F.; Resources, A.P. and F.V.; Supervision, A.F. and F.V.; Writing—review & editing, A.P. All the authors equally contributed to carry out the research whose results are reported in this work.

Funding

This research received no external funding.

Conflicts of Interest

The authors declare no conflicts of interest.

References

  1. Vázquez, C.; Gonçalves, R.; Bertoldo, C.; Baño, V.; Vega, A.; Crespo, J.; Guaita, M. Determination of the mechanical properties of Castanea sativa Mill. Using ultrasonic wave propagation and comparison with static compression and bending methods. Wood Sci. Technol. 2015, 49, 607–622. [Google Scholar] [CrossRef]
  2. Aydın, M.; Ciritcioğlu, H.H. Shear Moduli Prediction of Calabria Pine (Pinus brutia Ten.) using Ultrasonic Wave Propagation. Düzce Univ. J. Sci. Technol. 2018, 6, 176–187. [Google Scholar]
  3. Jiang, J.; Bachtiar, E.V.; Lu, J.; Niemz, P. Comparison of moisture-dependent orthotropic Young’s moduli of Chinese fir wood determined by ultrasonic wave method and static compression or tension tests. Eur. J. Wood Wood Prod. 2018, 76, 953–964. [Google Scholar] [CrossRef]
  4. Joo, J.M. Use of the Logarithmic Decrement to Assess the Damping in Oscillations. Rev. Investig. Fis. 2016, 19, 161901551. [Google Scholar]
  5. Bačinskas, D.; Kamaitis, Z.; Kilikevičius, A. A sensor instrumentation method for dynamic monitoring of railway bridges. J. Vibroeng. 2013, 15, 176–184. [Google Scholar]
  6. Hunt, J.F.; Zhang, H.; Guo, Z.; Fu, F. Cantilever Beam Static and Dynamic Response Comparison with Mid-Point Bending for Thin MDF Composite Panels. BioResources 2013, 8, 115–129. [Google Scholar] [CrossRef]
  7. Keating, W.G.; Bolza, E. Characteristics, Properties, and Uses of Timbers: Volume 1. Southeast Asia, Northern Australia, and the Pacific; Inkata Press: Melbourne, Australia, 1982. [Google Scholar]
  8. Koch, P. Wood versus nonwood materials in U.S. residential construction: Some energy-related global implications. For. Prod. J. 1992, 42, 31–42. [Google Scholar]
  9. Gann, D.M. Innovation in the construction sector. In The Handbook of Industrial Innovation; Dodgson, M., Rothwell, R., Eds.; Edward Elgar Publishing Limited: Cheltenham, UK, 1994. [Google Scholar]
  10. Howard, J.L. U.S. Timber Production, Trade, Consumption, and Price Statistics, 1965–1994; General Technical Report FPL-GTR-98; U.S. Department of Agriculture, Forest Service, Forest Products Laboratory: Madison, WI, USA, 1997.
  11. Pedersen, P.; Frederiksen, P.S. Identification of orthotropic material moduli by a combined experimental/numerical method. Measurement 1992, 10, 113–118. [Google Scholar] [CrossRef]
  12. Cammarata, A. A novel method to determine position and orientation errors in clearance-affected overconstrained mechanisms. Mech. Mach. Theory 2017, 118, 247–264. [Google Scholar] [CrossRef]
  13. Iannone, V.; De Simone, M.C.; Guida, D. Modelling of a DC Gear Motor for Feed-Forward Control Law Design for Unmanned Ground Vehicles. Actuators 2018, in press. [Google Scholar]
  14. De Simone, M.C.; Russo, S.; Rivera, Z.B.; Guida, D. Multibody Model of a UAV in Presence of Wind Fields. In Proceedings of the 2017 International Conference on Control, Artificial Intelligence, Robotics and Optimization (ICCAIRO 2017), Prague, Czech Republic, 20–22 May 2017; pp. 83–88. [Google Scholar] [CrossRef]
  15. De Simone, M.C.; Guida, D. Dry friction influence on structure dynamics. In Proceedings of the 5th ECCOMAS Thematic Conference on Computational Methods in Structural Dynamics and Earthquake Engineering (COMPDYN 2015), Crete Island, Greece, 25–27 May 2015; pp. 4483–4491. [Google Scholar]
  16. Calì, M.; Oliveri, S.M.; Sequenzia, G. Geometric modeling and modal stress formulation for flexible multi-body dynamic analysis of crankshaft. In Proceedings of the 25th Conference and Exposition on Structural Dynamics (IMAC-XXV), Orlando, FL, USA, 19–22 February 2007; pp. 1–9. [Google Scholar]
  17. Sena, P.; Attianese, P.; Pappalardo, M.; Villecco, F. FIDELITY: Fuzzy Inferential Diagnostic Engine for on-LIne supporT to phYsicians. In Proceedings of the 4th International Conference on Biomedical Engineering in Vietnam; Springer: Berlin/Heidelberg, Germany, 2013; pp. 396–400. [Google Scholar]
  18. Cammarata, A.; Sinatra, R.; Maddio, P.D. A Two-Step Algorithm for the Dynamic Reduction of Flexible Mechanisms. In Proceedings of the IFToMM Symposium on Mechanism Design for Robotics, Udine, Italy, 11–13 August 2018; pp. 25–32. [Google Scholar]
  19. Naviglio, D.; Formato, A.; Scaglione, G.; Montesano, D.; Pellegrino, A.; Villecco, F.; Gallo, M. Study of the Grape Cryo-Maceration Process at Different Temperatures. Foods 2018, 7, 107. [Google Scholar] [CrossRef] [PubMed]
  20. Pappalardo, C.M. A Natural Absolute Coordinate Formulation for the Kinematic and Dynamic Analysis of Rigid Multibody Systems. Nonlinear Dyn. 2015, 81, 1841–1869. [Google Scholar] [CrossRef]
  21. Cammarata, A.; Lacagnina, M.; Sequenzia, G. Alternative elliptic integral solution to the beam deflection equations for the design of compliant mechanisms. Int. J. Interact. Des. Manuf. 2018, 13, 499–505. [Google Scholar] [CrossRef]
  22. Cammarata, A.; Sequenzia, G.; Oliveri, S.M.; Fatuzzo, G. Modified chain algorithm to study planar compliant mechanisms. Int. J. Interact. Des. Manuf. 2016, 10, 191–201. [Google Scholar] [CrossRef]
  23. Oliveri, S.M.; Sequenzia, G.; Calì, M. Flexible multibody model of desmodromic timing system. Mech. Based Des. Struct. Mach. 2009, 37, 15–30. [Google Scholar] [CrossRef]
  24. Cammarata, A. Optimized design of a large-workspace 2-DOF parallel robot for solar tracking systems. Mech. Mach. Theory 2015, 83, 175–186. [Google Scholar] [CrossRef]
  25. Formato, A.; Guida, D.; Ianniello, D.; Villecco, F.; Lenza, T.L.; Pellegrino, A. Design of Delivery Valve for Hydraulic Pumps. Machines 2018, 6, 44. [Google Scholar] [CrossRef]
  26. Sequenzia, G.; Fatuzzo, G.; Oliveri, S.M.; Barbagallo, R. Interactive re-design of a novel variable geometry bicycle saddle to prevent neurological pathologies. Int. J. Interact. Des. Manuf. 2016, 10, 165–172. [Google Scholar] [CrossRef]
  27. Martincek, G. The determination of poisson’s ratio and the dynamic modulus of elasticity from the frequencies of natural vibration in thick circular plates. J. Sound Vib. 1965, 2, 116–127. [Google Scholar] [CrossRef]
  28. Zhou, X.; Liang, X.M.; Zhao, G.; Su, Y.; Wang, Y. A new computational fluid dynamics method for in-depth investigation of flow dynamics in roller pump systems. Artif. Organs 2014, 38, E106–E117. [Google Scholar] [CrossRef]
  29. Pappalardo, C.M.; Guida, D. Use of the Adjoint Method in the Optimal Control Problem for the Mechanical Vibrations of Nonlinear Systems. Machines 2018, 6, 19. [Google Scholar] [CrossRef]
  30. De Simone, M.C.; Rivera, Z.B.; Guida, D. Obstacle avoidance system for unmanned ground vehicles by using ultrasonic sensors. Machines 2018, 6, 18. [Google Scholar] [CrossRef]
  31. Pappalardo, C.M.; Guida, D. Dynamic Analysis of Planar Rigid Multibody Systems modelled using Natural Absolute Coordinates. Appl. Comput. Mech. 2018, 12, 73–110. [Google Scholar] [CrossRef]
  32. De Simone, M.C.; Guida, D. Modal coupling in presence of dry friction. Machines 2018, 6, 8. [Google Scholar] [CrossRef]
  33. Zhai, Y.; Liu, L.; Lu, W.; Li, Y.; Yang, S.; Villecco, F. The application of disturbance observer to propulsion control of sub-mini underwater robot. In Proceedings of the Computational Science and Its Applications (ICCSA 2010), Fukuoka, Japan, 23–26 March 2010; pp. 590–598. [Google Scholar]
  34. Pappalardo, C.M.; Guida, D. Control of Nonlinear Vibrations using the Adjoint Method. Meccanica 2017, 52, 2503–2526. [Google Scholar] [CrossRef]
  35. Atri, R.R.; Ravichandran, K.S.; Jha, S.K. Elastic properties of in-situ processed Ti–TiB composites measured by impulse excitation of vibration. Mater. Sci. Eng. A 1999, 271, 150–159. [Google Scholar] [CrossRef]
  36. Dasic, P. Comparative analysis of different regression models of the surface roughness in finishing turning of hardened steel with mixed ceramic cutting tools. J. Res. Dev. Mech. Ind. 2013, 5, 101–180. [Google Scholar]
  37. Milosavljevic, B.; Pesic, R.; Dasic, P. Binary Logistic Regression Modeling of Idle CO Emissions in order to Estimate Predictors Influences in Old Vehicle Park. Math. Probl. Eng. 2015, 2015, 463158. [Google Scholar] [CrossRef]
  38. Dasic, P.; Dasic, J.; Crvenkovic, B. Applications of Access Control as a Service for Software Security. Int. J. Ind. Eng. Manag. 2016, 7, 111–116. [Google Scholar]
  39. Pappalardo, C.M.; Guida, D. System Identification Algorithm for Computing the Modal Parameters of Linear Mechanical Systems. Machines 2018, 6, 12. [Google Scholar] [CrossRef]
  40. Villecco, F. On the Evaluation of Errors in the Virtual Design of Mechanical Systems. Machines 2018, 6, 36. [Google Scholar] [CrossRef]

Article Metrics

Citations

Article Access Statistics

Multiple requests from the same IP address are counted as one view.