Design and Experimental Identification of an Active Seat Suspension Mechatronic System
Abstract
1. Introduction
2. Design Requirements and Principal Solutions
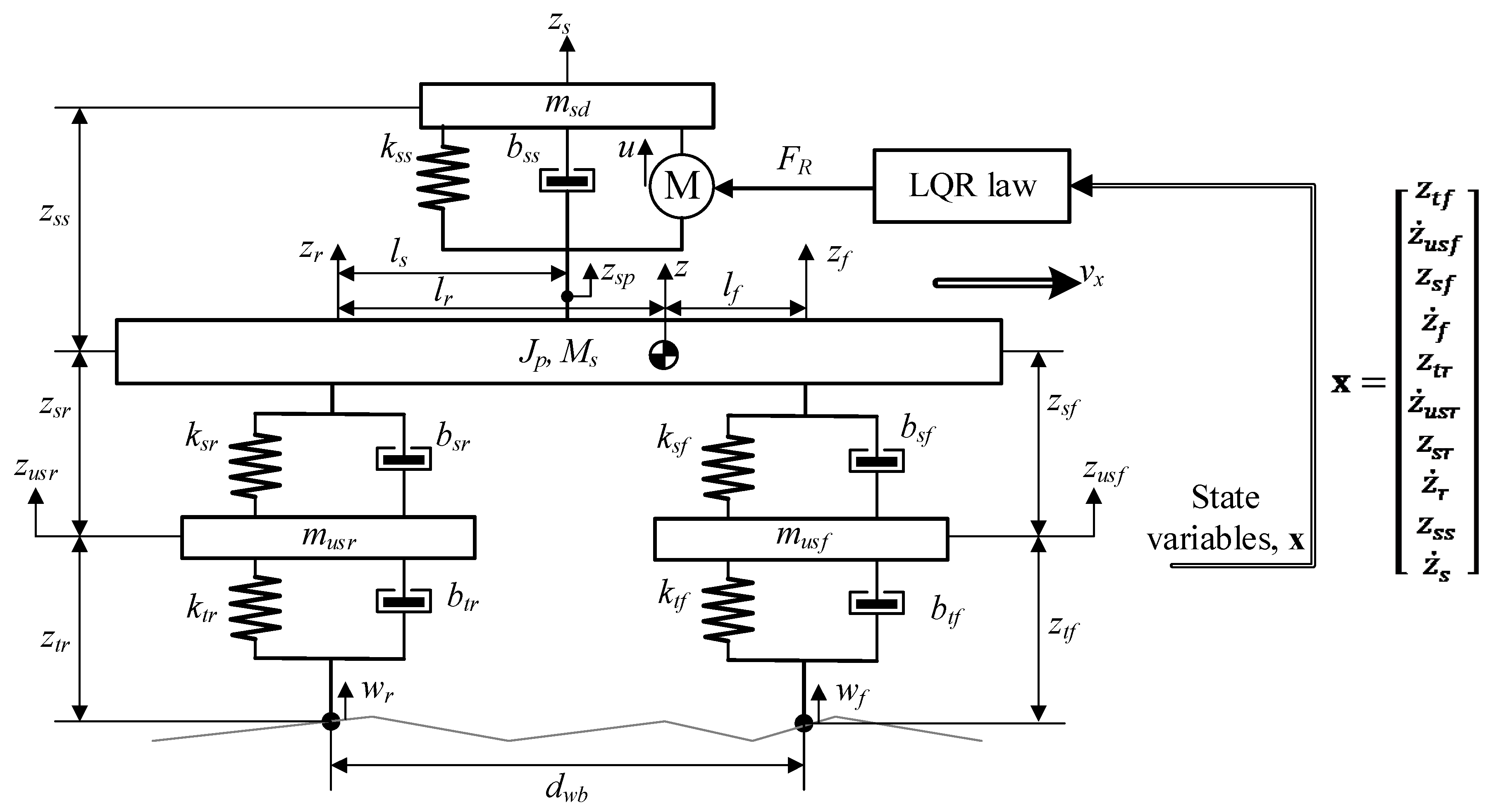
2.1. Active Seat Suspension Control
2.2. Simulation Results
2.3. Design Requirements and Solution Concepts
3. Design 1: Scott–Russell Mechanism-Based Solution
3.1. Achieving Key Performance Requirements (Requirements 1 to 4)
3.1.1. Basic Calculations
3.1.2. Selection of Lever Length
3.1.3. Selection of Spindle
3.1.4. Motor Selection
3.1.5. Spatial Arrangements
3.2. Balancing of Static Mass (Requirements 5, 6, 12, and 13)
3.3. Control Performance (Requirements 7 to 10)
3.3.1. Natural Frequency (Requirement 7)
3.3.2. Backlash and Efficiency (Requirements 8 and 9)
3.3.3. Lateral Stiffness of the System (Requirement 10)
3.4. Other Requirements (Requirements 11 to 20)
3.4.1. Bumpers, Initial Position Adjustment, Manual Locking, Dampers, and Sensors (Requirements 11 to 15)
3.4.2. Low Mass of the System (Requirement 16)
3.4.3. Cost and Volume Limitations (Requirements 17 and 18)
3.4.4. Feet Support Placed on Suspended on Unsuspended Side (Requirement 19)
3.4.5. Fail-Safe Operation (Requirement 20)
4. Design 2: Kempe Mechanism-Based Solution
4.1. Achieving Key Performance Requirements (Requirements 1 to 4)
4.2. Balancing of Static Mass (Requirements 5, 6, 12, and 13)
4.3. Control Performance (Requirements 7 to 10)
4.4. Other Requirements (Requirements 11 to 20)
5. Electrical and Control Subsystem
5.1. Overview of Electrical Subsystem
5.2. Sensors
5.3. Basic Control and Monitoring System
6. Experimental Identification
6.1. Assembled Active Suspension Systems
6.2. Servomotor Parameter Identification and Control
6.2.1. Motor Parameter Identification
6.2.2. Motor Speed and Position Control
6.3. Mechanism Kinematics Characteristics
6.4. Friction
6.4.1. Sliding Friction
6.4.2. Presliding
6.5. Inertia and Stiffness Parameters
6.5.1. Inertia of Mechanism
6.5.2. Stiffness of Mechanism
6.5.3. Stiffness of Suspension Spring
7. Conclusions
Supplementary Materials
Author Contributions
Funding
Data Availability Statement
Acknowledgments
Conflicts of Interest
Appendix A
References
- More, A.; Deshpande, A. A Multiple Sliding Surface based control for Active Seat Suspension System. In Proceedings of the 5th International Conference on Intelligent Computing and Control Systems (ICICCS), Madurai, India, 6–8 May 2021; pp. 641–647. [Google Scholar]
- Desai, R.; Guha, A.; Seshu, P. Modelling and simulation of active and passive seat suspensions for vibration attenuation of vehicle occupants. Int. J. Dyn. Control 2021, 9, 1423–1443. [Google Scholar] [CrossRef]
- Xie, P.; Che, Y.; Liu, Z.; Wang, G. Research on Vibration Reduction Performance of Electromagnetic Active Seat Suspension Based on Sliding Mode Control. Sensors 2022, 22, 5916. [Google Scholar] [CrossRef] [PubMed]
- Colpo, L.R.; Gomes, H.M. Performance of active control in a vehicle seat under random road excitations. Int. J. Dyn. Control 2024, 12, 3274–3288. [Google Scholar] [CrossRef]
- Pham Ngoc, D. Analyzing the influences of bus driver seat’s suspension system on driver’s comfort level and stability. Noise Vib. Worldw. 2024, 55, 618–631. [Google Scholar] [CrossRef]
- Yan, B.; Zhang, H.; Geng, Y.; Zhang, W. Vibration analysis and control of 2SPS+SR suspension seat for improving vehicle ride comfort. J. Theor. Appl. Mech. 2025, 63, 387–399. [Google Scholar] [CrossRef]
- Sebesta, K.; Zacek, J.; Salva, M. Experimental device for testing of semi-active magnetorheological damper. MM Sci. J. 2023, 1, 6407–6412. [Google Scholar] [CrossRef]
- Dong, X.; Fei, Z.; Zhang, Z.; Deng, X.; Li, P.; Liual, Q. Gray skyhook predictive control of magnetorheological semi-active seat suspension with time delay. Smart Mater. Struct. 2023, 32, 115010. [Google Scholar] [CrossRef]
- Feng, H.; Zhou, Y.; Li, S.; Cheng, G.; Ma, S.; Li, Y. Adaptive Backstepping Control with Time-Delay Compensation for MR-Damper-Based Vehicle Seat Suspension. Actuators 2025, 14, 178. [Google Scholar] [CrossRef]
- Zhao, J.; Liu, P.; Leng, D.; Zhan, H.; Luan, G.; Ning, D.; Yu, J. Prescribed Performance Control-Based Semi-Active Vibration Controller for Seat Suspension Equipped with an Electromagnetic Damper. Vibration 2023, 6, 303–318. [Google Scholar] [CrossRef]
- Wu, S.; Zhou, X.; Xu, H.; Mu, P. Structural Design and Vibration Suppression Characteristics Analysis of Semi-Active Eddy Current Damping Seat. Appl. Sci. 2025, 15, 1811. [Google Scholar] [CrossRef]
- Ramalingam, M.; Arun, K.T.; Jebaseelan, D.; Choi, S.B.; Jebaraj, C. Ride comfort analysis of vehicle seat suspension systems: A co-simulation study. Noise Vib. Worldw. 2023, 54, 498–511. [Google Scholar] [CrossRef]
- Wos, P.; Dziopa, Z. Study of the Vibration Isolation Properties of a Pneumatic Suspension System for the Seat of a Working Machine with Adjustable Stiffness. Appl. Sci. 2024, 14, 6318. [Google Scholar] [CrossRef]
- Maciejewski, I.; Pecolt, S.; Błazejewski, A.; Krzyzynski, T.; Glowinski, S. Controller of Pneumatic Muscles Implemented in Active Seat Suspension. Appl. Sci. 2024, 14, 6385. [Google Scholar] [CrossRef]
- Chen, X.; Wang, Z.; Shi, H.; Jiang, N.; Zhao, S.; Qiu, Y.; Liu, Q. Review of Agricultural Machinery Seat Semi-Active Suspension Systems for Ride Comfort. Machines 2025, 13, 246. [Google Scholar] [CrossRef]
- Ye, T.; Nguyen, V.; Li, S. Enhancing the vibratory roller’s ride comfort with semi-active seat suspension embedded by quasi-zero stiffness structure. Int. J. Dyn. Control 2023, 11, 2069–2081. [Google Scholar] [CrossRef]
- Zhan, H.; Liu, P.; Xia, X.; Ning, D.; Du, H. Modeling and Vibration Control of a Three-Degree-of-Freedom Electrically Interconnected Seat Suspension System for Heavy-Duty Vehicle. IEEE Trans. Ind. Electron. 2025, 72, 9550–9559. [Google Scholar] [CrossRef]
- Cao, J.; Liu, P.; Ning, D.; Sun, S.; Liu, G. Vibration control of the seat suspension with a magnetorheological damper-based controllable inerter. J. Vib. Control 2024, 31, 92–103. [Google Scholar] [CrossRef]
- Maciejewski, I.; Blazejewski, A.; Pecolt, S.; Krzyzynski, T. A sliding mode control strategy for active horizontal seat suspension under realistic input vibration. J. Vib. Control 2022, 29, 2539–2551. [Google Scholar] [CrossRef]
- Zhang, Y.; Ren, C.; Ma, K.; Xu, Z.; Zhou, P.; Chen, Y. Effect of delayed resonator on the vibration reduction performance of vehicle active seat suspension. J. Low Freq. Noise Vib. Act. Control. 2021, 41, 387–404. [Google Scholar] [CrossRef]
- Available online: https://www.searsseating.com/na-en/product/atlas-ii-active-vrs (accessed on 16 February 2026).
- Available online: https://www.seat-specialists.com/products/gramag-mid-back-steadyride-mr-smart-fluid-with-heat-and-vent-truck-seat.html (accessed on 16 February 2026).
- Papaioannou, G.; Ning, D.; Jerrelind, J.; Drugge, L. A K-Seat-Based PID Controller for Active Seat Suspension to Enhance Motion Comfort. SAE Int. J. Connect. Autom. Veh. 2022, 5, 189–199. [Google Scholar] [CrossRef]
- Li, W.; Du, H.; Feng, Z.; Ning, D.; Li, W. Dynamic output-feedback event-triggered H∞ control for singular active seat suspension systems with a human body model. IET Control Theory Appl. 2021, 15, 594–603. [Google Scholar] [CrossRef]
- Zhang, X.; Liu, L.; Liu, Y.J. Adaptive fuzzy fault-tolerant control of seat active suspension systems with actuator fault. IET Control Theory Appl. 2021, 15, 1104–1114. [Google Scholar] [CrossRef]
- Zhao, Y.; Zhang, Y.; Guo, L.; Ding, S.; Wang, X. Advances in machine learning-based active vibration control for automotive seat suspensions: A comprehensive review. Mech. Syst. Signal Process. 2025, 231, 112645. [Google Scholar] [CrossRef]
- Papaioannou, G.; Koulocheris, D. Multi-objective optimization of semi-active suspensions using KEMOGA algorithm. Eng. Sci. Technol. Int. J. 2019, 22, 1035–1046. [Google Scholar] [CrossRef]
- Zhang, X.; Guo, T.; Bai, C.; Nie, J. Constant-frequency control strategy and semi-active implementation of a two-stage leaf spring suspension. Control Eng. Pract. 2026, 168, 106718. [Google Scholar] [CrossRef]
- Shen, Y.; Ren, H.; Zhang, S.Y.; Lin, J.; Yang, X.; Liu, Y. Vehicle semi-active air inerter-spring-damper suspension with frequency-varying negative stiffness: Design, control, and experimental validation. Mech. Syst. Signal Process. 2026, 244, 113740. [Google Scholar] [CrossRef]
- Li, Q.; Chen, Z.; Song, H.; Dong, Y. Model Predictive Control for Speed-Dependent Active Suspension System with Road Preview Information. Sensors 2024, 24, 2255. [Google Scholar] [CrossRef]
- Abut, T.; Salkim, E. Control of Quarter-Car Active Suspension System Based on Optimized Fuzzy Linear Quadratic Regulator Control Method. Appl. Sci. 2023, 13, 8802. [Google Scholar] [CrossRef]
- Abut, T.; Salkim, E.; Tugal, H. Active Suspension Control for Improved Ride Comfort and Vehicle Performance Using HHO-Based Type-I and Type-II Fuzzy Logic. Biomimetics 2025, 10, 673. [Google Scholar] [CrossRef]
- Antonelli, M.G.; Brunetti, J.; D’Ambrogio, W.; Fregolent, A.; Nataletti, P. Development of A Digital Twin for A Hydraulic, Active Seat Suspension System. Machines 2023, 11, 708. [Google Scholar] [CrossRef]
- Zhang, X.; Liu, X.; Sun, C. Research on a novel displacement-dependent semi-active valve damping control mechanism used in the seat suspension system. Adv. Mech. Eng. 2023, 15, 4. [Google Scholar] [CrossRef]
- Davies, H.W.; Wang, F.; Du, B.B.; Viventi, R.; Johnson, P.W. Exposure to Whole-Body Vibration in Commercial Heavy-Truck Driving in On- and Off-Road Conditions: Effect of Seat Choice. Ann. Work Expo. Health 2022, 66, 69–78. [Google Scholar] [CrossRef] [PubMed]
- Papaioannou, G.; Voutsinas, A.; Koulocheris, D. Dynamic performance analysis of vehicle seats with embedded negative stiffness elements. Veh. Syst. Dyn. 2019, 58, 307–337. [Google Scholar] [CrossRef]
- Papaioannou, G.; Voutsinas, A.; Koulocheris, D. Optimal design of passenger vehicle seat with the use of negative stiffness elements. Proc. Inst. Mech. Eng. Part D J. Automob. Eng. 2020, 234, 610–629. [Google Scholar] [CrossRef]
- Papaioannou, G.; Zhao, X.; Velenis, E.; Jerrelind, J.; Drugge, L. Integrated active seat suspension for enhancing motion comfort. In Advances in Dynamics of Vehicles on Roads and Tracks II; Springer International Publishing: Cham, Germany, 2022; pp. 902–911. [Google Scholar]
- Tajdari, F.; Messiou, C.; Happee, R.; Papaioannou, G. Can Seat Suspension Mitigate Motion Sickness and Enhance Vibration Comfort While Being Driven? A Subjective Assessment of the K-Seat. 1 February 2025. Available online: https://papers.ssrn.com/sol3/papers.cfm?abstract_id=5183381 (accessed on 16 February 2026).
- Cvok, I.; Hrgetić, M.; Hoić, M.; Deur, J.; Hrovat, D.; Eric Tseng, H. Analytical and Experimental Evaluation of Various Active Suspension Alternatives for Superior Ride Comfort and Utilization of Autonomous Vehicles. J. Auton. Veh. Syst. 2021, 1, 011004. [Google Scholar] [CrossRef]
- Cvok, I.; Hrgetić, M.; Hoić, M.; Deur, J.; Ivanović, V. Design of a linear motor-based shaker rig for testing driver’s perceived ride comfort. Mechatronics 2021, 75, 102521. [Google Scholar] [CrossRef]
- Hoić, M.; Kranjčević, N.; Birt, D. Design of an active seat suspension based on a Scott-Russell mechanism. In Proceedings of the 2024 20th IEEE/ASME International Conference on Mechatronic and Embedded Systems and Applications (MESA), Genova, Italy, 2–4 September 2024; pp. 1–7. [Google Scholar]
- Hoić, M.; Kranjčević, N.; Birt, D. Design of an Active Seat Suspension Based on the Kempe Mechanism. In Proceedings of the 2024 21st International Conference on Mechatronics—Mechatronika (ME), Brno, Czech Republic, 4–6 December 2024; pp. 1–7. [Google Scholar]
- Hrovat, D. Survey of Advanced Suspension Developments and Related Optimal Control Applications. Automatica 1997, 33, 1781–1817. [Google Scholar] [CrossRef]
- Cvok, I.; Deur, J.; Tseng, H.E.; Hrovat, D. Performance Analysis of Decoupled Control of Active Chassis and Seat Suspensions. In Advances in Dynamics of Vehicles on Roads and Tracks II; Orlova, A., Cole, D., Eds.; IAVSD 2021; Lecture Notes in Mechanical Engineering; Springer: Cham, Germany, 2022. [Google Scholar] [CrossRef]
- Hrovat, D. Optimal Suspension Performance for 2-D Vehicle Models. J. Sound Vib. 1991, 146, 93–110. [Google Scholar] [CrossRef]
- Ruškan, I.; Deur, J. Acceleration feedback-based Low-level Control of an Active Seat Suspension System. In Proceedings of the 2025 International Conference on Electrical Systems & Automation (ICESA), Troyes, France, 22–24 October 2025; pp. 1–6. [Google Scholar] [CrossRef]
- Ruškan, I.; Haramina, K.; Deur, J. Feedforward-type Low-level Control for an Active Seat Suspension Servodrive System. In Proceedings of the 2025 International Conference on Electrical Drives and Power Electronics (EDPE), Dubrovnik, Croatia, 24–26 September 2025; pp. 1–6. [Google Scholar] [CrossRef]
- Zou, C.; Zhang, H.; Zhang, J.; Song, D.; Liu, H.; Zhao, W. Acceleration-Dependent Analysis of Vertical Ball Screw Feed System without Counterweight. Chin. J. Mech. Eng. 2021, 34, 65. [Google Scholar] [CrossRef]
- R999001185_2023_09_EN_Gewindetriebe.pdf. Available online: https://www.boschrexroth.com/media/8516e0f6-8d8e-47ec-9777-b3af5bac1d2a (accessed on 19 January 2025).
- Rothbart, H.A.; Brown, T.B. Mechanical Design Handbook; Mcraw-Hill: New York, NY, USA, 2006. [Google Scholar]
- Deur, J.; Kostelac, M.; Herold, Z.; Ivanović, V.; Pavković, D.; Hrgetić, M.; Asgari, J.; Miano, C.; Hrovat, D. An in-wheel motor-based tyre test vehicle. Int. J. Veh. Syst. Model. Test. 2007, 2, 252–275. [Google Scholar] [CrossRef]
- Deur, J.; Pavković, D. Fundamentals of Electrical Drive Controls. UNESCO Encycl. Life Support Syst. 2012, 6, 21. [Google Scholar]
- Ruškan, I.; Škugor, B.; Deur, J.; Cvok, I. Model Predictive Control of a Car Active Seat Suspension System. In Proceedings of the 2025 International Conference Automatics and Informatics (ICAI), Varna, Bulgaria, 9–11 October 2025; pp. 201–206. [Google Scholar] [CrossRef]



























| Nmb. | System Requirement | Value | Purpose | Influencing Sub-System from Figure 1c |
|---|---|---|---|---|
| 1 | Maximum seat force 1 | N | Operating range | 1, 2 |
| 2 | Maximum seat velocity 2 | m/s | 1, 2 | |
| 3 | Maximum seat acceleration 2 | g | 1, 2 | |
| 4 | Maximum suspension stroke | mm | 1, 2 | |
| 5 | Maximum spring static load | N | 3 | |
| 6 | Spring stiffness | N/mm | 3 | |
| 7 | Actuation system bandwidth 3 | Minimum 30 Hz | Control performance | 1, 2 |
| 8 | Minimum backlash | N/A | 1, 2 | |
| 9 | High efficiency (no self-locking mandatory; low friction) | N/A | 1, 2 | |
| 10 | High lateral stiffness | N/A | 2 | |
| 11 | Bumpers at the extreme positions | N/A | Other | 1 OR 2 |
| 12 | Initial position adjustment | N/A | 1 OR 2 | |
| 13 | Manual locking mechanism | N/A | 3 | |
| 14 | Detachable damper | N/A | 4 | |
| 15 | Sensory equipment (seat accelerometer, stroke encoder) | N/A | N/A | |
| 16 | Low mass | N/A | 1, 2, 3, 4 | |
| 17 | Low cost | N/A | 1, 2, 3, 4 | |
| 18 | Available volume | N/A | 1, 2, 3, 4 | |
| 19 | Feet support on suspended on unsuspended side | N/A | N/A | |
| 20 | Fail-safe operation | N/A | 1, 2, 3, 4 |
| Component | Specification | Target Value Design 1 | Target Value Design 2 | Actual Value | Unit |
|---|---|---|---|---|---|
| Motor 1FT2104-5AF10-2CB0 | Static torque | / | / | 2.40 | Nm |
| Static current | / | / | 2.1 | A | |
| Maximum torque | 6.15 | 2 | 7.50 | Nm | |
| Maximum current | / | / | 7.6 | A | |
| Maximum speed | 2342 | 3000 | 6700 | rpm | |
| Rotor moment of inertia | / | / | 0.6500 | kgcm2 | |
| Weight | / | / | 3.7 | kg | |
| Rated speed | / | / | 3000 | rpm | |
| Rated torque | / | / | 2.40 | Nm | |
| Rated current | / | / | 2.1 | A | |
| Rated power | / | / | 0.75 | kW | |
| Overall length | / | / | 170 | mm | |
| Diameter of shaft | / | / | 14 | mm | |
| Length of shaft | / | / | 30 | mm | |
| Flange size | / | / | 80 | mm | |
| Centering ring | / | / | 70 | mm | |
| Thermal time constant | / | / | 35 | min | |
| Encoder AM26DQC | Type | / | / | Absolute | / |
| Resolution | / | / | 26 | bit | |
| Angular resolution | / | / | 5.36 × 10−6 | ° | |
| Multiturn counter | / | / | 12 | bit | |
| Holding brake (integrated in the motor) | Holding torque | / | / | 3.30 | Nm |
| Opening time | / | / | 110 | ms | |
| Closing time | / | / | 40 | ms | |
| Rated current | / | / | 0.5 | A | |
| Spindle BASA 16 × 10 R × 3 FEM-E | Pitch | 10 | 10 | 10 | Mm |
| Axial force | 3100 | 1000 | 11,500 | N | |
| Nominal diameter | / | 16 | mm | ||
| Threaded length | 87 | 125 | 130 | mm | |
| Length of the nut | / | 50 | mm | ||
| Moment of inertia | / | 0.38 | kgm2 | ||
| Coupling R&W MK10 | Torque | 6.15 | 2 | 10 Nm | Nm |
| Moment of inertia | / | / | 0.16 | kgm2 |
| Measurement | Specification | Value |
|---|---|---|
| Acceleration Capacitive accelerometer Kistler, K-Beam, 8316A2D0 | Measurement range | ±2 g |
| Sensitivity | 1000 mV/g | |
| Noise (0–100 Hz) | 0.070 mg(rms) | |
| Bandwidth (5%) | 250 Hz | |
| Resonant frequency | 1.2 kHz | |
| Sensitivity drift | ±0.03%/°C, max | |
| Offset drift | ±0.8 mg/°C, max | |
| Motor displacement and velocity Absolute encoder, AM26DQC +TM41 Sinamics extension module | Position resolution (AM26DQC) | 5.36 × 10−6 deg |
| Position resolution (incremental) TM41 emulation | 16,384 ppr (nmax = 3750 rpm) 131,072 ppr (nmax = 469 rpm) | |
| Velocity resolution (incremental) (Ts = 0.5 ms) | 7.32 rpm (nmax = 3750 rpm) 0.92 rpm (nmax = 469 rpm) | |
| Suspension displacement and velocity Linear incremental encoder Heidenhain, LS177 | Measurement range | 140 mm |
| Position resolution | 2 μm (10-fold interpolation) | |
| Velocity resolution (Ts = 1 ms) | 2 mm/s | |
| Accuracy | 5 μm |
Disclaimer/Publisher’s Note: The statements, opinions and data contained in all publications are solely those of the individual author(s) and contributor(s) and not of MDPI and/or the editor(s). MDPI and/or the editor(s) disclaim responsibility for any injury to people or property resulting from any ideas, methods, instructions or products referred to in the content. |
© 2026 by the authors. Licensee MDPI, Basel, Switzerland. This article is an open access article distributed under the terms and conditions of the Creative Commons Attribution (CC BY) license.
Share and Cite
Hoić, M.; Hrgetić, M.; Ruškan, I.; Kranjčević, N.; Deur, J. Design and Experimental Identification of an Active Seat Suspension Mechatronic System. Machines 2026, 14, 288. https://doi.org/10.3390/machines14030288
Hoić M, Hrgetić M, Ruškan I, Kranjčević N, Deur J. Design and Experimental Identification of an Active Seat Suspension Mechatronic System. Machines. 2026; 14(3):288. https://doi.org/10.3390/machines14030288
Chicago/Turabian StyleHoić, Matija, Mario Hrgetić, Ivan Ruškan, Nenad Kranjčević, and Joško Deur. 2026. "Design and Experimental Identification of an Active Seat Suspension Mechatronic System" Machines 14, no. 3: 288. https://doi.org/10.3390/machines14030288
APA StyleHoić, M., Hrgetić, M., Ruškan, I., Kranjčević, N., & Deur, J. (2026). Design and Experimental Identification of an Active Seat Suspension Mechatronic System. Machines, 14(3), 288. https://doi.org/10.3390/machines14030288

