Piezoelectric Harvester Proportional–Derivative (PHPD) Control for Nonlinear Dynamics Reduction in Underactuated Hybrid Systems
Abstract
1. Introduction
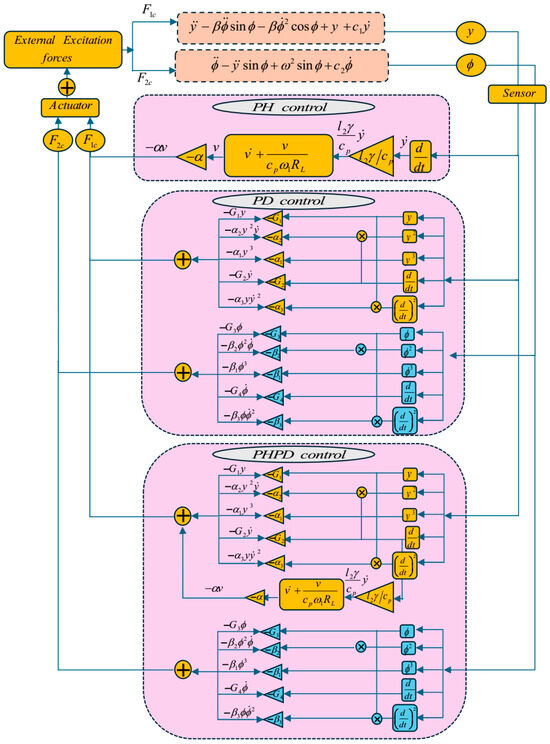
2. Overview of the Framework
- A.
- The fundamental component of the mechanical base structure:
- B.
- Real-World Applications:- Energy Harvesting in Infrastructure: Vibrations from passing cars or trains can be converted into electrical energy for sensors or structural health monitoring systems on bridges or railroads using comparable technologies.
- Vibration Reduction in Buildings: Pendulum-based TMDs can be incorporated into skyscrapers or buildings to generate electricity for embedded monitoring electronics and lessen swaying caused by wind or earthquakes.
- Industrial Machinery Monitoring: Such systems can power wireless sensor nodes used in predictive maintenance while also reducing vibrations in large machinery or rotating machinery.
- Autonomous Sensor Systems: They can be used in isolated or off-grid settings where changing the battery is not feasible. Sensors continue to operate continuously by harvesting vibration energy from the environment.
 
3. Motivation from Classical PH to PHPD (PH + PD)
- (i)
- Primary resonance: or .
- (ii)
- Internal resonance: .
- (iii)
- Simultaneous resonance: internal and primary resonance.
4. Assessment of Stability
4.1. Simultaneous Resonance Case
4.2. Frequency Response Equations (FREs)
4.3. Examination of Stability Adjacent to the Fixed Point
5. Observations and Comments
6. Verification Within FRC Before and After PHPD
7. Bifurcation Classification
8. Comparison with Earlier Published Works
9. Conclusions
- A Piezoelectric Harvester Proportional–Derivative (PHPD) controller was successfully proposed, integrating the harvester’s electrical output into the feedback loop for simultaneous vibration suppression and energy utilization.
- The nonlinear electromechanical system, originally modeled as 2DOF, was extended to a 3DOF model after incorporating control input, enabling a more comprehensive representation of system dynamics.
- The third-order Multiple-Scale Perturbation Technique (MSPT) was applied to derive accurate reduced-order analytical solutions, effectively capturing the system’s nonlinear behavior.
- The PHPD controller showed significant vibration amplitude reduction, especially near resonant frequencies, demonstrating its high effectiveness.
- By studying the effect of parameters on the existence of the detuning parameter , we found that the amplitude of is increased as increases but decreases with an increase in , , and .
- By studying the effect of parameters on the existence of the detuning parameter , we found that the amplitude of is increased as and increase but decreases with an increase in the other parameters.
- Stability analysis via 3D frequency response surfaces confirmed the controller’s ability to ensure robust and predictable dynamic responses.
- Analytical predictions were validated through numerical simulations using the fourth-order Runge–Kutta method, showing excellent agreement.
- When the PHPD controllers are used, the vibration amplitudes for the primary system become 0.00025744 (), 5.10093 × 10−35 () as shown in Figure 4. This indicates that the vibrations are suppressed to about 99.67% () and 100% () of their values. This percentage is given using the following relationship: Percentage = (amplitude before-amplitude after)/(amplitude before) %.
- Detailed bifurcation diagrams and LLE computations verified transitions between periodic, quasi-periodic, and chaotic regimes, improving the reliability of stability assessment.
- The results demonstrate a new pathway for energy-efficient, high-performance control in nonlinear electromechanical systems, with potential applications in smart structures and vibration energy harvesting.
Future Research Directions
- Implement intelligent control techniques (e.g., fuzzy logic, adaptive control, or neural networks) to enhance system robustness and improve vibration suppression.
- Analyze the influence of external disturbances and noise on the stability and efficiency of the piezoelectric energy-harvesting system.
- Conduct experimental investigations to evaluate the actual energy-harvesting efficiency of the proposed PHPD-controlled piezoelectric system. These measurements will validate the simulation results shown in Figure 7 and provide insight into the system’s real-world performance.
- Optimize controller parameters to maximize both vibration suppression and harvested energy under various operating conditions.
- Extend the model to include fractional-order controllers or time-delayed feedback mechanisms to improve dynamic response and efficiency.
- Investigate the system’s performance under varying environmental and operational conditions to ensure adaptability and reliability.
- Compare simulation-based predictions with experimental data to refine the control strategy and improve the accuracy of energy-harvesting estimations.
- Apply the proposed control strategy to experimental prototypes or real-world mechanical systems to demonstrate practical feasibility.
Author Contributions
Funding
Data Availability Statement
Acknowledgments
Conflicts of Interest
Appendix A
Appendix B
References
- Masood, A.; Khan, N.M.; Khan, F. Multi-degrees of freedom energy harvesting for broadband vibration frequency range. Sens. Actuators A Phys. 2022, 344, 113690. [Google Scholar] [CrossRef]
- Bai, X.; Wen, Y.; Li, P.; Yang, J.; Xiao, P.; Yue, X. Multimodal vibration energy harvesting utilizing spiral cantilever with magnetic coupling. Sens. Actuators A 2014, 209, 78–86. [Google Scholar] [CrossRef]
- Sun, S.; Leng, Y.; Hur, S.; Sun, F.; Chen, X.; Song, H.C.; Kang, C.Y. Force and stability mechanism analysis of two types of nonlinear mono-stable and multi-stable piezoelectric energy harvesters using cantilever structure and magnetic interaction. Smart Mater. Struct. 2023, 32, 035003. [Google Scholar] [CrossRef]
- Brzeski, P.; Perlikowski, P.; Yanchuk, S.; Kapitaniak, T. The dynamics of the pendulum suspended on the forced Duffing oscillator. J. Sound Vib. 2012, 331, 5347–5357. [Google Scholar] [CrossRef]
- Amer, T.S.; Bek, M.A.; Hassan, S.S.; Elbendary, S. The stability analysis for the motion of a nonlinear damped vibrating dynamical system with three degrees of freedom. Results Phys. 2021, 28, 104561. [Google Scholar] [CrossRef]
- Chatterjee, S. Resonant locking in viscous and dry friction damper kinematically driving mechanical oscillators. J. Sound Vib. 2013, 332, 3499–3516. [Google Scholar] [CrossRef]
- Abohamer, M.K.; Awrejcewicz, J.; Starosta, R.; Amer, T.S.; Bek, M.A. Influence of the motion of a spring pendulum on energy-harvesting devices. Appl. Sci. 2021, 11, 8658. [Google Scholar] [CrossRef]
- Saeed, N.; Kamel, M. Nonlinear PD-controller to suppress the nonlinear oscillations of horizontally supported Jeffcott-rotor system. Int. Non-Linear Mechanics. 2016, 87, 109–124. [Google Scholar] [CrossRef]
- Yan, J.; Yang, X.; Luo, X.; Guan, X. Dynamic gain control of teleoperating cyber-physical system with time-varying delay. Nonlinear Dyn. 2019, 95, 3049–3062. [Google Scholar] [CrossRef]
- Eissa, M.; Kandil, A.; El-Ganaini, W.A.; Kamel, M. Analysis of a nonlinear magnetic levitation system vibrations controlled by a time-delayed proportional derivative controller. Nonlinear Dyn. 2015, 79, 1217–1233. [Google Scholar] [CrossRef]
- Eissa, M.; Kandil, A.; Kamel, M.; El-Ganaini, W. On controlling the response of primary and parametric resonances of a nonlinear magnetic levitation system. Meccanica 2015, 50, 233–251. [Google Scholar] [CrossRef]
- Alluhydan, K.; EL-Sayed, A.T.; El-Bahrawy, F.T. The Effect of Proportional, Proportional-Integral, and Proportional-Integral-Derivative Controllers on Improving the Performance of Torsional Vibrations on a Dynamical System. Computation 2024, 12, 157. [Google Scholar] [CrossRef]
- Zi, B.; Duan, B.; Du, J.; Bao, H. Dynamic modeling and active control of a cable-suspended parallel robot. Mechatronics 2008, 18, 1–12. [Google Scholar] [CrossRef]
- Chen, S.; Zhang, Y.; Feng, Z. Transactions on Intelligent Welding Manufacturing; Springer: Berlin/Heidelberg, Germany, 2019; Volume III, No. 4. [Google Scholar] [CrossRef]
- Homayounzade, M.; Khademhosseini, A. Disturbance Observer-based Trajectory Following Control of Robot Manipulators. Int. J. Control. Autom. Syst. 2019, 17, 203–211. [Google Scholar] [CrossRef]
- Nayfeh, J.F.; Nayfeh, A.H.; Mook, D.T. Nonlinear Response of Thick Laminated Composite Plates. In Proceedings of the ASME 1991 Design Technical Conferences, 13th Biennial Conference on Mechanical Vibration and Noise: Machinery Dynamics and Element Vibrations, Miami, FL, USA, 22–25 September 1991; ASME: New York, NY, USA; p. 321. [Google Scholar] [CrossRef]
- Nayfeh, A.H. Perturbation Methods; Wiley: New York, NY, USA, 2000. [Google Scholar] [CrossRef]
- Nayfeh, A. Resolving controversies in the application of the method of multiple scales and the generalized method of averaging. Nonlinear Dyn. 2005, 40, 61–102. [Google Scholar] [CrossRef]
- Mousa, A.A.; Sayed, M.; Eldesoky, I.M.; Zhang, W. Nonlinear stability analysis of a composite laminated piezoelectric rectangular plate with multi-parametric and external excitations. Int. J. Dyn. Control. 2014, 2, 494–508. [Google Scholar] [CrossRef]
- Sayed, M.; Mousa, A.A.; Mustafa, I.H. Stability analysis of a composite laminated piezoelectric plate subjected to combined excitations. Nonlinear Dyn. 2016, 86, 1359–1379. [Google Scholar] [CrossRef]
- Sayed, M.; Mousa, A.A. Vibration, stability, and resonance of angle-ply composite laminated rectangular thin plate under multi excitations. Math. Probl. Eng. 2013, 2013, 1–26. [Google Scholar] [CrossRef]
- Ashour, O.N.; Nayfeh, A.H. Adaptive control of flexible structures using a nonlinear vibration absorber. Nonlinear Dyn. 2002, 28, 309–322. [Google Scholar] [CrossRef]
- Bauomy, H.S.; EL-Sayed, A.T.; El-Bahrawy, F.T.; Salem, A.M. Safety of a continuous spinning Shaft’s structure from nonlinear vibration with NIPPF. Alex. Eng. J. 2023, 67, 193–207. [Google Scholar] [CrossRef]
- Bauomy, H.S.; EL-Sayed, A.T.; El-Bahrawy, F.T. Integral resonant negative derivative feedback suppression control strategy for nonlinear dynamic vibration behavior model. Chaos Solitons Fractals 2024, 189, 115686. [Google Scholar] [CrossRef]
- Amer, T.S.; Abdelhfeez, S.A.; Elbaz, F.R.; Abohamer, M.K. Investigation of the Dynamical Analysis, Stability, and Bifurcation for a Connected Damped Oscillator with a Piezoelectric Harvester. J. Vib. Eng. Technol. 2025, 13, 155. [Google Scholar] [CrossRef]
- Xu, C.J.; Wu, Y.S. Bifurcation control for a duffing oscillator with delayed velocity feedback. Int. J. Autom. Comput. 2016, 13, 596–606. [Google Scholar] [CrossRef]
- Wang, C.C.; Jang, M.J.; Yeh, Y.L. Bifurcation and nonlinear dynamic analysis of a flexible rotor supported by relative short gas journal bearings. Chaos Solitons Fractals 2007, 32, 566–582. [Google Scholar] [CrossRef]
- Bahnasy, T.A.; Amer, T.S.; Abohamer, M.K.; Abosheiaha, H.F.; Elameer, A.S.; Almahalawy, A. Stability and bifurcation analysis of a 2DOF dynamical system with piezoelectric device and feedback control. Sci. Rep. 2024, 14, 26477. [Google Scholar] [CrossRef]
- Abohamer, M.K.; Amer, T.S.; Arab, A.; Galal, A. Analyzing the chaotic and stability behavior of a duffing oscillator excited by a sinusoidal external force. J. Low Freq. Noise Vib. Act. Control. 2024, 44, 969–986. [Google Scholar] [CrossRef]
- Amer, T.; Abdelhfeez, S.A.; Elbaz, R.F.; Abohamer, M. Exploring dynamics, stability, and bifurcation in a coupled damped oscillator with piezoelectric energy harvester. J. Low Freq. Noise Vib. Act. Control. 2024, 44, 938–958. [Google Scholar] [CrossRef]
- Strogatz, S.H. Symmetry in Nonlinear Dynamics and Chaos II. Symmetry 2025, 17, 846. [Google Scholar] [CrossRef]
- Sun, Y.; Wang, L. On stability of a class of switched nonlinear systems. Automatica 2013, 49, 305–307. [Google Scholar] [CrossRef]
- Meng, Q.; Yang, H. Small-time Local Controllability of Switched Nonlinear Systems. IEEE Trans. Autom. Control. 2020, 66, 5422–5428. [Google Scholar] [CrossRef]













| Symbol | Description | Typical SI Unit | 
|---|---|---|
| Mass of the base or main structure. | kilogram (kg) | |
| Displacement of the fundamental mass from its equilibrium position. | meter (m) | |
| ). | meter/second (m/s) | |
| ). | meter/second2 (m/s2) | |
| Stiffness coefficient of the mechanical spring. | newton/meter (N/m) | |
| Viscous damping coefficient of the damper. | newton-second/meter (N·s/m) | |
| External time-dependent excitation force acting on the base. | newton (N) | |
| Mass of the pendulum bob. | kilogram (kg) | |
| Length of the pendulum arm. | meter (m) | |
| A characteristic length, likely the distance from the pivot to the center of mass. | meter (m) | |
| Angular displacement of the pendulum from the vertical equilibrium. | radian (rad) | |
| ). | radian/second (rad/s) | |
| ). | radian/second2 (rad/s2) | |
| A damping coefficient, possibly for the pendulum’s pivot. | newton-meter-second (N·m·s) | |
| Electrical load resistance connected to the energy harvester. | ohm (Ω) | |
| Voltage output across the electrical load resistance. | volt (V) | 
| Disclaimer/Publisher’s Note: The statements, opinions and data contained in all publications are solely those of the individual author(s) and contributor(s) and not of MDPI and/or the editor(s). MDPI and/or the editor(s) disclaim responsibility for any injury to people or property resulting from any ideas, methods, instructions or products referred to in the content. | 
© 2025 by the authors. Licensee MDPI, Basel, Switzerland. This article is an open access article distributed under the terms and conditions of the Creative Commons Attribution (CC BY) license (https://creativecommons.org/licenses/by/4.0/).
Share and Cite
El-Bahrawy, F.T.; Hussein, R.K.; EL-Sayed, A.T.; Wafaie, M. Piezoelectric Harvester Proportional–Derivative (PHPD) Control for Nonlinear Dynamics Reduction in Underactuated Hybrid Systems. Machines 2025, 13, 830. https://doi.org/10.3390/machines13090830
El-Bahrawy FT, Hussein RK, EL-Sayed AT, Wafaie M. Piezoelectric Harvester Proportional–Derivative (PHPD) Control for Nonlinear Dynamics Reduction in Underactuated Hybrid Systems. Machines. 2025; 13(9):830. https://doi.org/10.3390/machines13090830
Chicago/Turabian StyleEl-Bahrawy, Fatma Taha, Rageh K. Hussein, Ashraf Taha EL-Sayed, and Moamen Wafaie. 2025. "Piezoelectric Harvester Proportional–Derivative (PHPD) Control for Nonlinear Dynamics Reduction in Underactuated Hybrid Systems" Machines 13, no. 9: 830. https://doi.org/10.3390/machines13090830
APA StyleEl-Bahrawy, F. T., Hussein, R. K., EL-Sayed, A. T., & Wafaie, M. (2025). Piezoelectric Harvester Proportional–Derivative (PHPD) Control for Nonlinear Dynamics Reduction in Underactuated Hybrid Systems. Machines, 13(9), 830. https://doi.org/10.3390/machines13090830
 
        




 
       