Small-Signal Input Impedance Modeling of PWM Induction Motor Drives and Interactive Stability Assessment with DC Link
Abstract
1. Introduction
2. Small-Signal MIMO Modeling and Analysis of Induction Motors
2.1. Linearized Small-Signal MIMO Model
| isd, isq | d-axis and q-axis stator currents; |
| usd, usq | d-axis and q-axis stator voltages; |
| ψsd, ψsq | d-axis and q-axis stator flux linkages; |
| ωr | rotor speed; |
| ωinv | Electrical angular frequency of the stator winding voltage; |
| Ls, Lr, Lm | stator, rotor, and mutual inductances; |
| Rs,Rr | stator and rotor resistances; |
| TL | load torque; |
| J | moment of inertia; |
| np | pole pairs of motor; |
| Lsσ | = Ls − /Lr; |
| ωs | = ωinv − ωr; |
| τr | = Lr/Rr; |
2.2. Complex-Plane Analytical Analysis of the IM’s MIMO Model
- Under all operating conditions, the motor remains asymptotically stable. Variations in the dominant poles p4,5 lead to differences in the natural frequency ωn and damping ratio ζ of the induction motor.
- As the operating frequency decreases, both the natural frequency and the damping ratio tend to decline.
- The presence of right-half-plane zeros za,b indicates that the induction motor exhibits non-minimum-phase behavior, which further reduces the damping ratio ζ and bandwidth.
- The decrease in operating frequency causes the zeros z1,2 to shift, effectively reducing damping, introducing additional overshoot, and leading to phase-margin erosion.
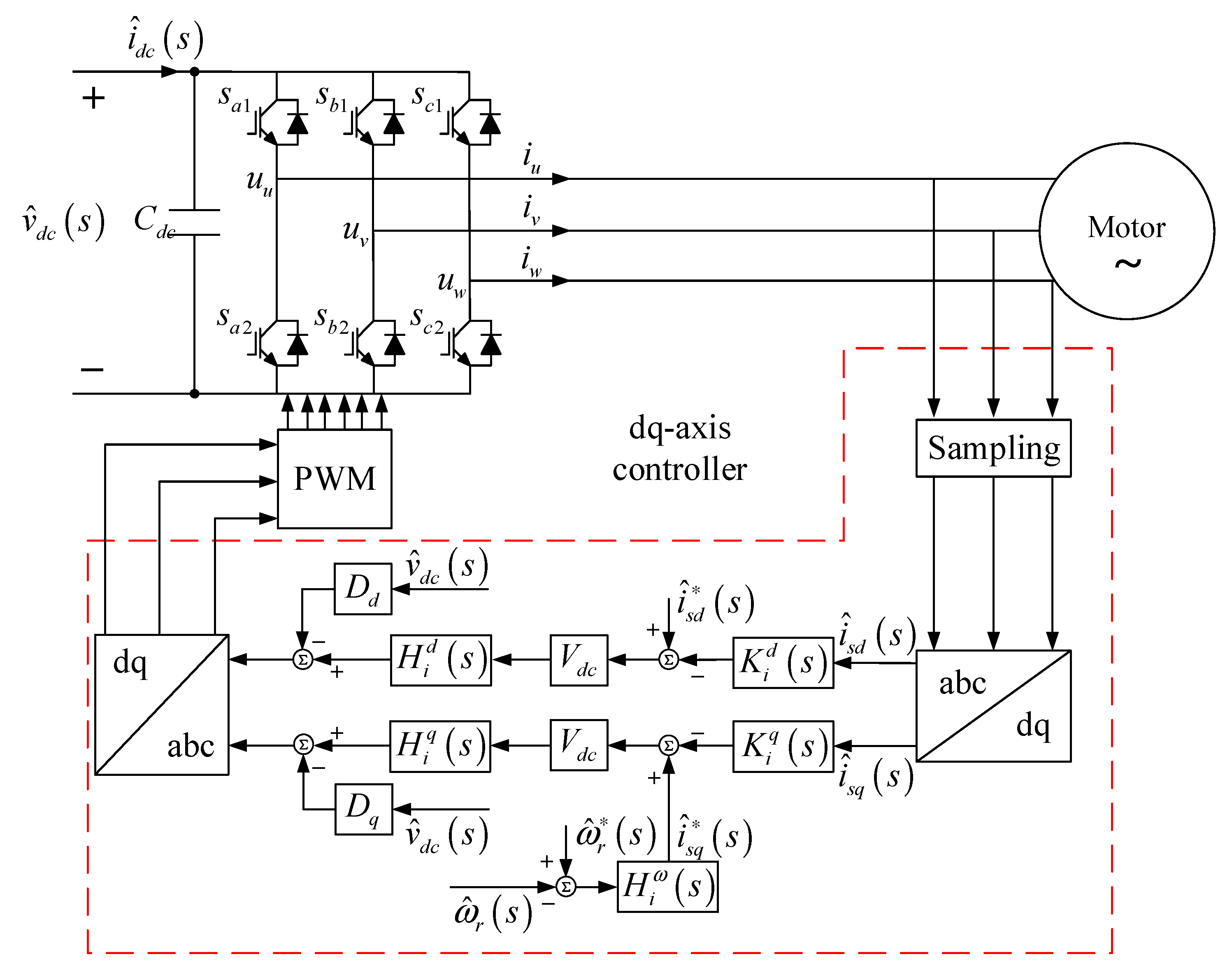
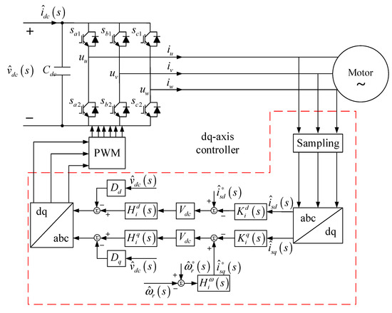
3. DQ-Coordinate Input Impedance Model of PWM IMDs
3.1. D-Axis Control Small-Signal Equivalent Admittance Model
3.2. Q-Axis Control Small-Signal Equivalent Admittance Model
3.3. Small-Signal Input Impedance Model of PWM IMDs
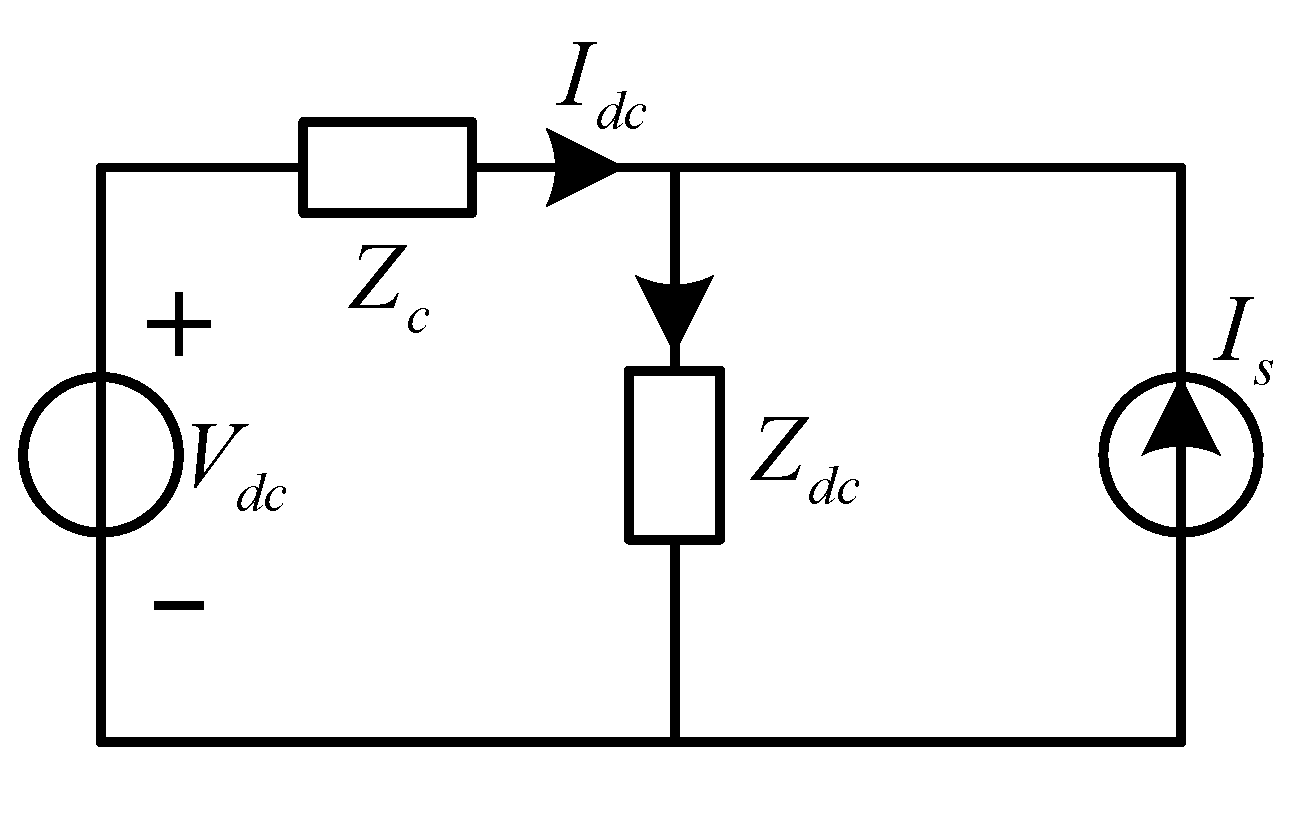
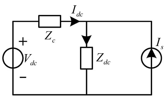
3.4. Small-Signal Equivalent Circuit of DC-Link Impedance Coupling
4. Model Validation and Stability Analysis Under Various Operating Conditions
4.1. Induction Motor Operation in Quadrant I
4.2. Induction Motor Operation in Quadrant IV
4.3. Induction Motor Operation Under Various Load Torques
4.3.1. Induction Motor Operation at 30% Load Torque
4.3.2. Induction Motor Operation at 130% Load Torque
4.4. Effects of PI Controller Bandwidth Tuning on the System and Its Design Methodology
5. Conclusions
- The induction motor’s MIMO state-space transfer function is inherently stable. However, it possesses a pair of small conjugate dominant poles which, under coupling conditions and decreasing PWM IMDs output frequency, can readily induce low-frequency oscillations in the PWM IMDs.
- By employing stator flux–oriented control, the MIMO model can be reduced to two SISO loops along the d- and q-axes, enabling direct construction of the PWM IMDs input impedance model Zdc(s) in the dq reference frame. Integrate the control system and the induction motor into the impedance model Zdc(s).
- During speed adjustment in PWM IMDs, low-frequency oscillations are more likely to occur, whereas stability improves as operating frequency increases. Under Quadrant IV operation, low-frequency oscillations become more severe, and new oscillatory modes appear in the mid-frequency range. Additionally, light-load conditions further increase the likelihood of oscillatory behavior.
- The low-frequency oscillations on the DC link, arising from the coupling with PWM IMDs, propagate into the induction motor, causing its three-phase currents and rotor speed to oscillate at the same frequency and triggering electromechanical resonance.
- During electromechanical resonance, the induction motor exhibits one sub-synchronous interharmonic and one super-synchronous interharmonic current, while the DC link experiences low-frequency current oscillations; this current is injected into the inverter under Quadrant I conditions and fed back into the bus under Quadrant IV conditions.
- By tuning the bandwidth of the current PI controllers, the impact on input impedance characteristics and DC-link interaction stability was systematically analyzed. It is recommended that the controller bandwidth be set within the range of 800 Hz to 1 kHz to achieve a balance between dynamic performance and stability margin.
Author Contributions
Funding
Data Availability Statement
Conflicts of Interest
References
- Singh, S.; Gautam, A.R.; Fulwani, D. Constant power loads and their effects in DC distributed power systems: A review. Renew. Sustain. Energy Rev. 2017, 72, 407–421. [Google Scholar] [CrossRef]
- Li, Q.; Dong, X.; Yan, M.; Cheng, Z.; Wang, Y. Research on the Hybrid Wind–Solar–Energy Storage AC/DC Microgrid System and Its Stability during Smooth State Transitions. Energies 2023, 16, 7930. [Google Scholar] [CrossRef]
- Abdelwanis, M.I.; Elmezain, M.I. A comprehensive review of hybrid AC/DC networks: Insights into system planning, energy management, control, and protection. Neural Comput. Appl. 2024, 36, 17961–17977. [Google Scholar] [CrossRef]
- Lan, J.; Chen, W.; Shu, L. A hybrid submodule three-phase multiplexing arm modular multilevel converter with wide operation range and DC-fault blocking capability. IEEE J. Emerg. Sel. Top. Power Electron. 2023, 11, 4148–4163. [Google Scholar] [CrossRef]
- He, B.; Chen, W.; Li, X.; Shu, L.; Zou, Z.; Liu, F. Unified frequency-domain small-signal stability analysis for interconnected converter systems. IEEE J. Emerg. Sel. Top. Power Electron. 2022, 11, 532–544. [Google Scholar] [CrossRef]
- Wen, B.; Dong, D.; Boroyevich, D.; Burgos, R.; Mattavelli, P.; Shen, Z. Impedance-based analysis of grid-synchronization stability for three-phase paralleled converters. IEEE Trans. Power Electron. 2015, 31, 26–38. [Google Scholar] [CrossRef]
- Fachini, F.; de Castro, M.; Bogodorova, T.; Vanfretti, L. Modeling of Induction Motors and Variable Speed Drives for Multi-Domain System Simulations Using Modelica and the OpenIPSL Library. Electronics 2024, 13, 1614. [Google Scholar] [CrossRef]
- Yang, D.; Jiang, J. Impedance modelling and stability assessment for grid-connected dual-PWM adjustable speed drives with motor torque oscillations. IET Electr. Power Appl. 2022, 16, 828–843. [Google Scholar] [CrossRef]
- Zhao, E.; Han, Y.; Lin, X.; Yang, P.; Blaabjerg, F.; Zalhaf, A.S. Impedance characteristics investigation and oscillation stability analysis for two-stage PV inverter under weak grid condition. Electr. Power Syst. Res. 2022, 209, 108053. [Google Scholar] [CrossRef]
- Zhang, H.; Harnefors, L.; Wang, X.; Hasler, J.P.; Östlund, S.; Danielsson, C.; Gong, H. Loop-at-a-time stability analysis for grid-connected voltage-source converters. IEEE J. Emerg. Sel. Top. Power Electron. 2020, 9, 5807–5821. [Google Scholar] [CrossRef]
- Zong, H.; Zhang, C.; Cai, X.; Molinas, M. A Multilayer Eigen-Sensitivity Method Using Loop Gain Model for Oscillation Diagnosis of Converter-Based System. arXiv 2024, arXiv:2402.12057. [Google Scholar]
- Yang, D.; Zhou, Z.; Liu, Y.; Jiang, J. Modeling of dual-PWM adjustable speed drives for characterizing input interharmonics due to torque oscillations. IEEE J. Emerg. Sel. Top. Power Electron. 2020, 9, 1565–1577. [Google Scholar] [CrossRef]
- Nian, H.; Yang, J.; Hu, B.; Jiao, Y.; Xu, Y.; Li, M. Stability analysis and impedance reshaping method for DC resonance in VSCs-based power system. IEEE Trans. Energy Convers. 2021, 36, 3344–3354. [Google Scholar] [CrossRef]
- Tu, C.; Gao, J.; Xiao, F.; Guo, Q.; Jiang, F. Stability analysis of the grid-connected inverter considering the asymmetric positive-feedback loops introduced by the PLL in weak grids. IEEE Trans. Ind. Electron. 2021, 69, 5793–5802. [Google Scholar] [CrossRef]
- Li, J.; Li, Y.; Zhang, X.; Xu, Z.; Du, Z. Design-oriented DC-side stability analysis of VSC-HVDC systems based on dominant frequency analysis. Int. J. Electr. Power Energy Syst. 2021, 149, 109060. [Google Scholar] [CrossRef]
- Shah, S.; Parsa, L. Sequence domain transfer matrix model of three-phase voltage source converters. In Proceedings of the 2016 IEEE Power and Energy Society General Meeting (PESGM), Boston, MA, USA, 17–21 July 2016; IEEE: Piscataway, NJ, USA, 2016; pp. 1–5. [Google Scholar]
- He, B.; Chen, W.; Ruan, X.; Zhang, X.; Zou, Z.; Cao, W. A generic small-signal stability criterion of DC distribution power system: Bus node impedance criterion (BNIC). IEEE Trans. Power Electron. 2021, 37, 6116–6131. [Google Scholar] [CrossRef]
- Yang, D.; Zhang, X.; Li, Y.; Chen, M. MIMO sequence impedance modeling and stability assessment for grid-connected dual-PWM adjustable-speed drives. Int. J. Electr. Power Energy Syst. 2025, 169, 108876. [Google Scholar] [CrossRef]
- Guha, A.; Narayanan, G. Small-signal stability analysis of an open-loop induction motor drive including the effect of inverter deadtime. IEEE Trans. Ind. Appl. 2015, 52, 242–253. [Google Scholar] [CrossRef]
- Zhang, S.; Kang, J.; Yuan, J. Analysis and suppression of oscillation in V/F controlled induction motor drive systems. IEEE Trans. Transp. Electrif. 2021, 8, 1566–1574. [Google Scholar] [CrossRef]
- Xu, L.; Xin, H.; Huang, L.; Yuan, H.; Ju, P.; Wu, D. Symmetric admittance modeling for stability analysis of grid-connected converters. IEEE Trans. Energy Convers. 2019, 35, 434–444. [Google Scholar] [CrossRef]
- Zou, Z.; Tang, J.; Wang, X.; Wang, Z.; Chen, W.; Buticchi, G.; Liserre, M. Modeling and control of a two-bus system with grid-forming and grid-following converters. IEEE J. Emerg. Sel. Top. Power Electron. 2022, 10, 7133–7149. [Google Scholar] [CrossRef]
- Fan, L.; Miao, Z. Admittance-based stability analysis: Bode plots, nyquist diagrams or eigenvalue analysis? IEEE Trans. Power Syst. 2020, 35, 3312–3315. [Google Scholar] [CrossRef]
- Pan, P.; Chen, W.; Shu, L.; Mu, H.; Zhang, K.; Zhu, M.; Deng, F. An impedance-based stability assessment methodology for DC distribution power system with multivoltage levels. IEEE Trans. Power Electron. 2019, 35, 4033–4047. [Google Scholar] [CrossRef]
- Umetani, Y.; Yoshida, K. Resolved Motion Rate Control of Space Manipulators with Generalized Jacobian Matrix. Doctoral Dissertation, Tohoku University, Sendai, Japan, 1989. [Google Scholar]
- Chen, C.T. Linear System Theory and Design; Saunders College Publishing: Philadelphia, PA, USA, 1984. [Google Scholar]
- Paraskevopoulos, P.N. Modern Control Engineering; CRC Press: Boca Raton, FL, USA, 2017. [Google Scholar]
- Gao, F.; Bozhko, S. Modeling and impedance analysis of a single DC bus-based multiple-source multiple-load electrical power system. IEEE Trans. Transp. Electrif. 2016, 2, 335–346. [Google Scholar] [CrossRef]
- Liu, Y.; Zhou, X.; Yu, H.; Hong, L.; Xia, H.; Yin, H.; Chen, Y.; Zhou, L.; Wu, W. Sequence impedance modeling and stability assessment for load converters in weak grids. IEEE Trans. Ind. Electron. 2020, 68, 4056–4067. [Google Scholar] [CrossRef]























| Corresponding References | The Technique Employed | Limitations and Improvements |
|---|---|---|
| [18] | Introducing the Influence of the Motor Model on the Converter. | The motor impedance model is overly simplified and does not adequately incorporate the converter and control system. |
| [19] | Considering the Impact of Dead Time on the Motor Drive System. | Only dead-time effects are considered, while the control loops are not incorporated; thus, the overall stability analysis remains incomplete. |
| [20] | Modeling and Analyzing the Internal Stability of the Motor Model. | Only one element of the motor transfer function is analyzed, neglecting the full motor dynamics and its integration with the converter for system-level impedance analysis. |
| [21] | Analyzing the Dynamic Response of the Grid and Converter. | The motor dynamic model is not considered, nor is the coupling between system components. |
| [22] | By treating the load motor as a fixed impedance, the grid-side stability is analyzed. | The control system is overly simplified, the experimental validation is incomplete, and the load model is not effectively integrated. |
| Major novelty | A unified impedance model is proposed by integrating motor dynamics, control loops, and motor–converter coupling. The model enables comprehensive evaluation of DC-link interaction stability under varying power levels, operating modes, and control bandwidths. | |
| Parameter Classification | Parameter Symbol | Value |
|---|---|---|
| Asynchronous motor machinery nameplate parameters | Rated voltage UN | 380 V |
| Rated power PN | 2.3 kW | |
| Rated speed nN | 1430 Rpm | |
| Pole pairs | 2 | |
| Rotor resistance r1 | 1.96 Ω | |
| Rotor resistance r2 | 1.71 Ω | |
| Rated slip sN | 0.04 | |
| DC-link parameter | Capacitor Cdc | 2400 µF |
| Inductance Ldc | 55 mH | |
| Resistance R | 0.1 Ω | |
| Voltage Vdc | 620 V | |
| Inverter-side parameters | d-axis filter cutoff frequency ωd | 2π·10 krad/s |
| d-axis sensor delay ωtd | 2π·5 krad/s | |
| q-axis filter cutoff frequency ωq | 2π·20 krad/s | |
| q-axis sensor delay ωtq | 2π·5 krad/s | |
| d-axis current sampling interval Td | 25 µs | |
| q-axis current sampling interval Tq | 50 µs | |
| q-axis speed sampling interval Tω | 50 µs | |
| dead-time compensation Tdead | 50 µs | |
| d-axis proportional gain Kdip | 0.072 | |
| d-axis integral gain Kdii | 2.4 | |
| q-axis proportional gain Kqip | 1.2 | |
| q-axis integral gain Kqii | 2.5 | |
| speed proportional gain Kωip | 1.6 | |
| speed integral gain Kωii | 0.19 | |
| dq-axis PWM modulation function Dd, Dq | 0.01037/0.2391 |
Disclaimer/Publisher’s Note: The statements, opinions and data contained in all publications are solely those of the individual author(s) and contributor(s) and not of MDPI and/or the editor(s). MDPI and/or the editor(s) disclaim responsibility for any injury to people or property resulting from any ideas, methods, instructions or products referred to in the content. |
© 2025 by the authors. Licensee MDPI, Basel, Switzerland. This article is an open access article distributed under the terms and conditions of the Creative Commons Attribution (CC BY) license (https://creativecommons.org/licenses/by/4.0/).
Share and Cite
Yang, D.; Kan, Z.; Wang, Y.; Ren, W.; Yang, Y.; Xia, K. Small-Signal Input Impedance Modeling of PWM Induction Motor Drives and Interactive Stability Assessment with DC Link. Machines 2025, 13, 580. https://doi.org/10.3390/machines13070580
Yang D, Kan Z, Wang Y, Ren W, Yang Y, Xia K. Small-Signal Input Impedance Modeling of PWM Induction Motor Drives and Interactive Stability Assessment with DC Link. Machines. 2025; 13(7):580. https://doi.org/10.3390/machines13070580
Chicago/Turabian StyleYang, Dirui, Zhewen Kan, Yuewu Wang, Wenlong Ren, Yebin Yang, and Kun Xia. 2025. "Small-Signal Input Impedance Modeling of PWM Induction Motor Drives and Interactive Stability Assessment with DC Link" Machines 13, no. 7: 580. https://doi.org/10.3390/machines13070580
APA StyleYang, D., Kan, Z., Wang, Y., Ren, W., Yang, Y., & Xia, K. (2025). Small-Signal Input Impedance Modeling of PWM Induction Motor Drives and Interactive Stability Assessment with DC Link. Machines, 13(7), 580. https://doi.org/10.3390/machines13070580

