Next Article in Journal
Design and Implementation of Digital Twin Factory Synchronized in Real-Time Using MQTT
Previous Article in Journal
Hyper CLS-Data-Based Robotic Interface and Its Application to Intelligent Peg-in-Hole Task Robot Incorporating a CNN Model for Defect Detection
Previous Article in Special Issue
Challenges and Opportunities in Electric Vehicle Charging: Harnessing Solar Photovoltaic Surpluses for Demand-Side Management
 
 
Font Type:
Arial Georgia Verdana
Font Size:
Aa Aa Aa
Line Spacing:
Column Width:
Background:
Article

Low-Cost High-Voltage Power Supply for Hydraulically Amplified Self-Healing Electrostatic Applications

by
Levi Tynan
1,
Upul Gunawardana
1,
Ranjith Liyanapathirana
1,
Osura Perera
1,
Daniele Esposito
2,
Jessica Centracchio
3 and
Gaetano Gargiulo
1,*
1
School of Engineering, Design and Built Environment, Western Sydney University, Kingswood, NSW 2747, Australia
2
Department of Information and Electrical Engineering and Applied Mathematics, University of Salerno, Via Giovanni Paolo II, 132, 84084 Fisciano, Italy
3
Department of Electrical Engineering and Information Technologies, University of Naples Federico II, Via Claudio 21, 80125 Napoli, Italy
*
Author to whom correspondence should be addressed.
Machines 2024, 12(11), 758; https://doi.org/10.3390/machines12110758
Submission received: 31 August 2024 / Revised: 12 October 2024 / Accepted: 22 October 2024 / Published: 27 October 2024
(This article belongs to the Special Issue Advanced Power Electronic Technologies in Electric Drive Systems)

Abstract

HASEL (Hydraulically Amplified Self-Healing Electrostatic) actuators have gathered momentum in recent years; they are made of very-low-cost materials, making it easy for anyone to develop their own actuators, and they are “soft” and can achieve tasks that are very difficult to complete with traditional rigid actuators, e.g., grasping soft objects. Unfortunately, HASEL actuators are driven by high-voltage (HV) power supplies, which are expensive to control accurately and difficult to scale up for multichannel applications, e.g., prostheses. This paper presents a low-cost HV power supply designed for HASEL applications that generates 2–10 kV DC at 5% of the cost of the existing HV power supplies used in HASEL actuators. At the core of our design, there is a new control strategy based on controlling the charging and discharging of the actuator from the supply’s low-voltage (LV) side rather than switching the HV side with expensive HV optocouplers. Discharge is achieved via a secondary transformer and multiplier circuit, generating a negative HV output capable of discharging the HASEL effectively and safely up to 10 kV.

1. Introduction

HASEL (Hydraulically Amplified Self-Healing Electrostatic) actuators are an innovative type of soft actuator developed by researchers at the University of Colorado Boulder in 2018 [1,2]. They consist of a flexible, liquid-filled pouch with compliant electrodes on opposing surfaces. When a high voltage (HV) is applied across the electrodes (generally in the 2–10 kV range), the electrostatic forces between them cause the liquid dielectric to be squeezed, resulting in a change in the actuator’s length or shape. This unique working mechanism enables fast response times and their ability to mimic biological muscles, making them an attractive option for applications such as soft robotics, wearable devices, and prosthetics [3,4,5,6,7]. Manufacturing HASEL actuators is very cheap, as the pouches are fabricated using thin-film plastics, which are common in commercial packaging, and any fluid with high dielectric properties can be used.
However, powering a HASEL actuator in a meaningful way is not cheap. Over the years, many HV options on the market have been used for HASEL research (Table 1). Higher-end models like the Trek HV Amplifiers [5,7,8,9,10,11,12,13,14] and the UltraVolt Amplifiers [15,16] from Advanced Energy are great for benchtop testing in a lab environment. But they are far too bulky and expensive. Peta-Pico [10,17,18] is an open-source high-voltage power supply (HVPS) that can switch 10 kV using off-the-shelf components. However, due to the rarity of HV low-power applications, even the Peta-Pico option is relatively expensive. This is not to mention that most options can only control a single output.
Artimus Robotics, the company started by the researchers who developed the HASEL actuator, has also developed many HVPSs [19]. Along with their research partners, they have even created pocket-sized HV supplies and supplies that can control multiple outputs [20]. This work is especially significant as it also demonstrates how controlling multiple outputs increases the performance of HASEL applications. Though these open-source HVPSs are more affordable than commercial supplies, they are still quite expensive, with the pocket-sized power supply reportedly costing USD 1200 [12]. This is primarily because many of the same expensive components from the Peta-Pico design are used.
All these affordable HVPSs for HASEL applications rely on off-the-shelf DC-HVDC (high-voltage Direct Current) converters and HV switching components (Table 2). Unfortunately, these components are the most significant expense for an HVPS, as accurate low-power DC-HVDC converters and HV switching are expensive due to the rarity of their application. The most common solution for DC-HVDC converters is EMCO HV supplies [10,16,21], which are small components that can switch a 5 V input up to 10 kV. One of these costs a couple of hundred dollars. HV optocouplers switch the HV with low-voltage (LV) controls. The most common solution for HV switching is the Voltage Multipliers Inc. Optocouplers [10,17,18,20,22], which cost approximately a hundred dollars each. The fast discharging of the HASEL actuator with HV switches requires at least four switches configured in an H-bridge to reverse the polarity across the actuator. Each additional actuator requires more switches, increasing the price further. HASEL actuators need an affordable power supply that is easily expandable to advance the field.
Reducing the voltage required by the HASEL actuator minimises the cost of the HVPS. Reducing the actuation voltage of the HASEL actuator to below 1 kV allowed researchers to use Infineon’s IPN95R3K7P7m MOSFET instead of optocouplers [12]. Not only was it cheaper, but it was also much smaller, allowing for a more compact HVPS. The cost of powering two outputs came to approximately USD 185, where the DC-DC converter cost was approximately USD 150, and the cost of the microcontroller was not included. As HV is a requirement for HVPSs, controlling one output would cost at least USD 150.
This paper presents an HVPS for HASEL applications that costs approximately USD 55, including the microcontroller. There are two key differences compared to other HASEL HVPSs that allow such a drastic cost reduction. Firstly, the DC-HVDC converter was built with passive HV components, which are very low-cost, rather than purchasing a high-cost DC-HVDC converter. Secondly, rather than purchasing HV switching components, all the control is managed on the LV side before it goes through the DC-HVDC converter. Because the cost reduction is so significant, a second DC-HVDC converter was used to produce a negative HV to discharge the HASEL actuator from the LV side of the converter. Thus, a low-cost HVPS can be made without losing the HV output required for current HASEL applications. Following this methodology when designing future HVPSs will drastically advance HASEL applications in the field.

2. Materials and Methods

2.1. Circuit Design

Generating an HVPS required multiple phases of stepping up the voltage. The voltage starts as an LVDC; at around 4–6 VDC, the signal then goes through an initial voltage step-up with a boost converter up to 10–20 VDC. From there, it is converted into alternating current (AC) with an H-bridge, producing a 20–40 VPP AC (where VPP is the peak-to-peak voltage). It then goes into a high-frequency step-up transformer and is amplified up to 800–1 kVPP AC. Finally, the signal is converted back to DC through a voltage multiplier, with up to 2–10 kVDC required to charge the HASEL actuator.

2.1.1. LV Circuit Design—Boost Converter and H-Bridge

A boost converter increases DC voltage by rapidly switching an inductor between a load and the ground (Figure 1). The boost converter serves two purposes in this circuit. Firstly, it gives an initial voltage step-up so that there are fewer voltage multiplier stages on the HV side. Secondly, the boost converter can be controlled by varying the duty cycle, which is the switches’ ‘on time’, giving simple LV control. However, the boost converter is not the primary control measure for the HV supply. This brings us to the H-bridge.
An H-bridge uses two pairs of switches to alternate the side of the load to which the voltage supply is applied, generating an alternating square wave across a load (Figure 2). The H-bridge is the primary LV circuit that controls the HV supply. The HV circuitry is only activated through the H-bridge. The H-bridge is the final LV stage of the power supply and the final stage that has actively controlled circuitry. The rest of the circuitry uses passive components, starting with the transformer.

2.1.2. HV Circuit Design—Transformer and Voltage Multiplier

A transformer is a component that has two coils that transfer electricity through a permeable core. Varying the ratio between these two coils can increase or decrease the primary voltage. The transformer is the stage at which the power supply goes from LV to HV. A major benefit of the transformer is that it provides isolation between the LV and HV circuitry, as there is no connection between the circuits. At this stage, the HV is AC and needs to be converted to DC.
The voltage multiplier configures the capacitors and diodes in such a way that it shifts the DC level of an AC input signal (Figure 3). The voltage multiplier consists of stages. A voltage multiplier with only one stage is known as a voltage doubler, as it doubles the input voltage. Each stage increases the voltage by a multiple of the input voltage. However, more stages mean more components that take up circuit space. This is especially important considering that HV needs significant clearance between pins to avoid a breakdown voltage, which can permanently damage components. After the voltage multiplier, the HVPS is ready to charge the HASEL actuator.
Once the HASEL actuator is charged, it needs to be discharged. The longer it takes, the slower the actuator’s operating speed will be, drastically affecting its performance.
Charging and discharging an HV supply quickly with low-voltage control can be achieved by generating both positive and negative HV at the HASEL actuator. A negative HV requires a second H-bridge, transformer, and voltage multiplier. However, a major fault occurs in the circuit when connecting the output of a positive voltage multiplier to the output of a negative voltage multiplier.
A negative HV multiplier is made by reversing the polarity of the diodes of a positive voltage multiplier. Unfortunately, if the negative HV multiplier output is connected directly to the positive HV multiplier output, the reverse diodes in the negative HV multiplier create a low-impedance ground loop that discharges the voltage before it can make it to the load (Figure 4).
Reconfiguring the voltage multiplier allows the ground loop path to discharge through the negative voltage multiplier’s supply, increasing the ground loop impedance (Figure 5). In the case of the HVPS, the ground loop path goes through the high side of the transformer, which is essentially an inductor as it is not energised. Inductors have low impedance when a steady-state DC voltage is applied; however, their impedance increases with high-frequency AC voltages. This method of increasing impedance was effective when simulating the performance of the HVPS. However, the HV was still discharging in the experimental phase before reaching the load. The performance of the HVPS with the reconfigured voltage multipliers was demonstrated through simulated results.
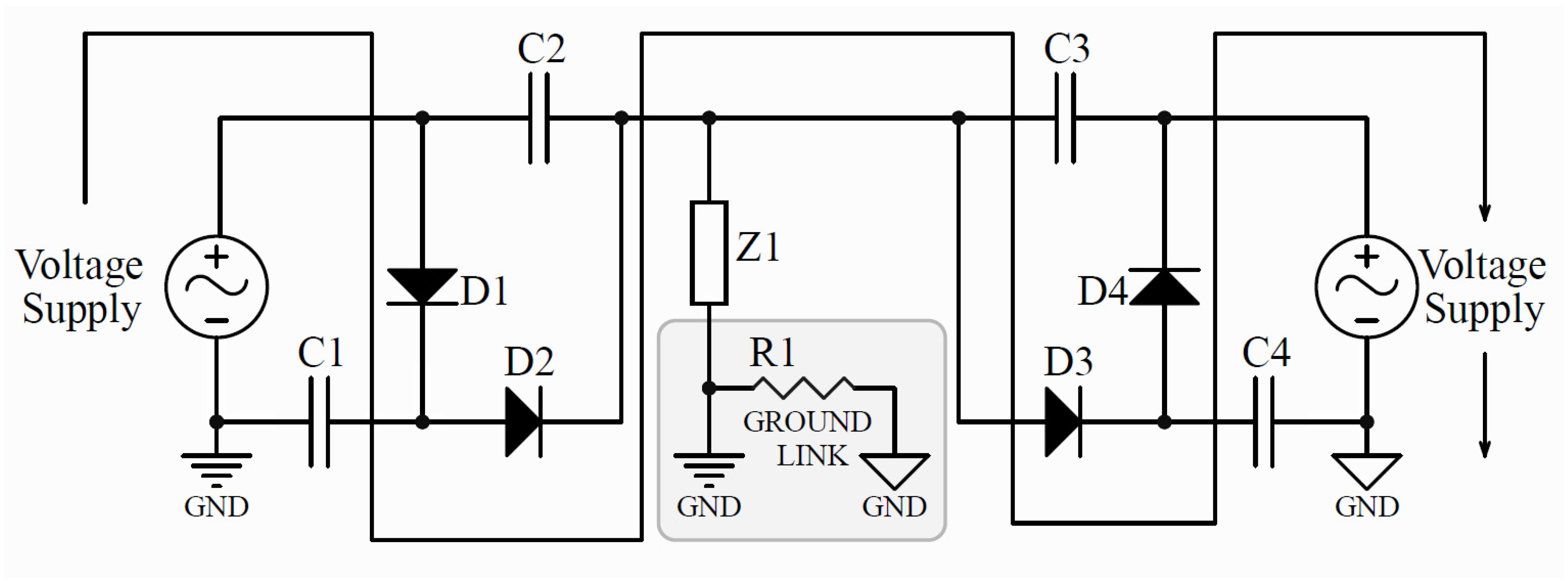
Isolating the positive and negative HV grounds makes a high-impedance ground loop that prevents the discharge of the load. However, experimental results found that this isolation created a large DC drift between the HV grounds, which reduced the negative HV’s ability to discharge the load. Linking the grounds with a high-impedance resistor controlled the isolation between the HV grounds (Figure 6). However, reducing the isolation with this ground link decreased the positive HV in the load. The ground link needs to be large enough so that the positive HV meets the application requirements and small enough to allow the negative HV to discharge the load, with minimal DC drift. The effect of the ground link’s impedance is characterised in the experimental results.

2.2. Component Selection

The two categories of components to be selected are HV and LV components. As mentioned above, the HV components are all passive components. Passive components are much simpler to construct, making them cheaper. The LV components are a mix of passive and active components. The complexity of the active components increases their unit cost, although only slightly, as demonstrated in the cost analysis below. The most significant expense is the ESP32 development board, as it includes its own fully designed board and components.

2.2.1. HV Components (Passive)

The HV side of the circuitry needs HV capacitors, HV diodes, and a transformer with a high step-up. The capacitors and diodes used in the voltage multiplier circuit have a 10 kV rating to avoid them breaking down and potentially shorting components or not allowing higher voltages to pass through, reducing the overall voltage output. The capacitors selected for the HV circuit were the 1NF 10 KV HV Capacitors used for welding circuits. The diodes selected for the HV circuit were 5 mA 20 kV HV Diodes.
The transformer selected for the circuit was the High-Frequency Coil Arc Generator Step-up Power Transformer (Figure 7a). There is no datasheet for this component. Using a digital oscilloscope (Rohde & Schwarz RTB2004), which can generate a 5 V peak-to-peak AC sweep from 1 kHz to 101 kHz (Figure 7b), the key operating characteristics of the transformer were measured. A 1 to 58.2 step-up voltage at the output was shown at an average frequency of 76.04 kHz (Table 3). The average primary and secondary inductance was measured to be 73.74 µH and 1073.31 mH. However, as the input voltage increased, the operating frequency increased to around 90 kHz.

2.2.2. LV Components (Active)

The low-voltage side requires high-frequency switching components for the H-bridge and the boost converter. Both the H-bridge and boost converter require control signals to regulate their operation. This can be achieved with a microcontroller. The H-bridge must switch at a minimum frequency of 90 kHz to match the transformer’s operating frequency. The boost converter should operate at a much higher switching frequency, at least 500 kHz, for maximum efficiency. Cost is crucial, as active components like ICs are more expensive than passive components. Additionally, each IC requires supporting components such as resistors, capacitors, and transistors for biassing, filtering, level-shifting, and other auxiliary functions.
The DRV8841 Dual H-Bridge Driver IC has been selected to drive the H-bridge. This IC integrates all eight required switches into a single package to control the positive and negative transformers’ switching. It offers additional features that enhance switching performance and provide circuit protection. Controlling the output of the DRV8841 requires four external Pulse-Width-Modulation (PWM) signals. The compact size of this IC helps conserve space on the Printed Circuit Board (PCB).
An LM555 Timer IC can be utilised to control the boost converter. Generating a 500 kHz output directly from the microprocessor would consume significant processing power, slowing down other essential operations. The LM555 Timer is a highly stable oscillator capable of producing a switching signal at a frequency determined by a passive RC circuit. The duty cycle of the LM555 Timer can be controlled using an analogue output from the microcontroller, reducing the computational load on the microprocessor. Additionally, this compact component helps save PCB space.
The ESP32 Development Board has been chosen as the microcontroller for this project. The main requirement is fast, controllable PWM at up to 100 kHz; the ESP32, one of the fastest microcontrollers for its price range, has a clock speed of 80 MHz. It also has an extensive Motor-Control PWM (MCPWM) library designed for power electronics applications. The second requirement is four PWM signals; the ESP32 has 15 ports, which are PWM-compatible. This allows for the easy control of positive and negative H-bridges and will enable us to control multiple HV outputs. Controlling the output of the boost converter can also be achieved by connecting one of these additional pins to the control pin of the LM555 timer. Finally, the cost has to be low to maintain the design’s low-cost advantage.

2.3. Control and Interfacing

The LV control of the HVPS is achieved through two primary methods: H-bridge PWM switching and boost converter duty cycle modulation. Both methods can be controlled with the ESP32. There are three aspects to this control: the voltage amplitude, positive switching, and negative switching. The H-bridge PWM can control all three aspects, making it the primary control method. The boost controller can control the voltage amplitude. However, it cannot control positive and negative switching, making it the secondary control method.

2.3.1. H-Bridge PWM Switching (Primary Method)

The DRV8841 Dual H-Bridge Driver IC controls the switching of the HV transformer and multiplier stages. It requires four PWM input signals to independently control positive and negative HV switching. Voltage amplitude can be controlled by varying the switching frequency of the transformer above or below the rated frequency. This limits the amount of voltage transferred to the secondary coil. However, this will affect the efficiency of the HV circuit. The other method used is to vary the switches’ duty cycle (or on time), increasing or decreasing the amount of energy converted to the HV side.

2.3.2. Boost Converter Duty Cycle Modulation (Secondary Method)

The LM555 Timer IC is employed to generate the switching signal for the boost converter stage, which provides the supply voltage for the H-bridge. An analogue control voltage is applied to the LM555’s control pin to modulate the duty cycle of the boost converter’s switching. This analogue control voltage can be derived from one of the ESP32’s analogue outputs. The control voltage level corresponds to the desired output voltage for the boost converter. The LM555 can be supplied with a 6 V input, meaning the circuit can be powered by lithium batteries, giving it an untethered option, which is important in many applications of HASEL actuators [3].
Adjusting the boost converter’s duty cycle regulates the HV transformer’s input voltage, allowing for the fine-tuning of the overall HV output. This secondary control method can be used with the primary H-bridge PWM switching to precisely control the HASEL actuator’s performance.

2.4. PCB Construction and Assembly

The HVPS circuit was developed into a PCB using Altium Designer, Version 24.3.1 (Figure 8). The PCB used was a 4-layer FR4 measuring 4440 mil × 2600 mil (111.83 mm × 66 mm). Its multi-layer design allowed for the proper separation and shielding of the high-voltage traces from the low-voltage control circuitry. The PCB layout followed strict design rules for HV circuitry, including increased clearances (>195 mils or >5 mm) to prevent arcing. The LV switches on the H-bridge also had design rules, including wider trace widths (>35 mils or >0.3 mm). Large Polygon pours with thermal relief vias were placed around the ground net, supply voltage nets, and H-bridge switch to manage higher currents. The HV circuits have no pour to reduce arcing. HV and LV grounds are isolated to protect the LV circuitry from electrostatic damage.
After the PCB was manufactured, the components were assembled on the board. Because the HV components are more prone to failure, they were assembled and tested on a separate board (Figure 9). The LV components were a lot more time-consuming to place as there were many more components to assemble and test. Once the LV components were assembled and tested, jumper wires were used to connect the four PWM outputs to the load (Figure 10).

PCB Insulation

The HV side required additional insulation to avoid shorting across pins. A silicone compound with a breakdown voltage of 16 kV/mm was potted around the HV components (Figure 11). A 3D-printed mould was used to pour the potting mix. Only the HV side was potted to save on material costs and to allow access to the LV circuitry for troubleshooting.

2.5. Cost Analysis

Developing this board cost a total of AUD 88.82 (USD 54.45). These costs can be divided into three categories: HV components, LV components, and PCB costs (Table 4). They are listed in the currency they were purchased in: AUD or USD. A conversion rate from AUD to USD of 0.6556 was used as this was the ‘Average rate for the year ended 30 Jun 24’ given by the Australian Taxation Office [23]. This is a significant cost reduction compared to the HVPS discussed in the introduction. The most considerable expense was the silicone potting mix, which came to AUD 35.34 (USD 23.17), though this cost can easily be reduced in future designs. After the potting mix, the most significant expense was the cost of the ESP 32 Microcontroller, at AUD 17.80 (USD 11.67), followed by the PCB cost, at AUD 15.26 (USD 10.01). The HV components were the smallest expense, coming to AUD 6.28 (USD 4.12) in total. The cost may vary over time, but the differences are insignificant, as the final cost is much lower than that of alternative HVPSs.

2.6. Testing and Measurement Setup

2.6.1. Simulation Setup

The HVPS circuit was simulated using Multisim software, Version 14.3 (Figure 12). The simulation model incorporated all the key components, such as the step-up transformer, HV multiplier, a dual H-bridge to simulate the DRV8841 H-bridge driver and the boost converter, and a load capacitor to simulate the HASEL actuator.
The DRV8841 H-bridge output was represented by the square-wave generator, XFG1, in Figure 12. The generator had a frequency of 90 kHz and 25 Vpp, representing the boosted voltage. The duty cycle of the generator is 50%, which represents the ideal maximum duty cycle of the voltage multiplier. A voltage-controlled double-pole double-throw switch, S1 in Figure 12, was used to switch between the negative and positive HV. This switching was controlled by the pulsed input V1 in Figure 12.
Two ideal transformers were then connected to the double-throw switches for the positive and negative multiplier stages (T1 and T2 in Figure 12). The ideal transformers were used at a ratio of 1:61.43, which was the average transformer ratio measured in Table 3.
Positive and negative voltage multipliers have been connected to the two transformers. The two ground points have been isolated from one another. The ground link resistor was connected between the two ground points to match the setup used in the experimental testing. The ground link resistor was set to 0 Ω.
The output of the voltage multipliers was then connected to the HASEL actuator. A 4.3 nF capacitor represented the HASEL actuator, as this is the capacitance of the HASEL actuator driven in the experimental phase.
Essential operating characteristics were measured with an oscilloscope (XSC1 in Figure 12). AOUT1 and BOUT1 were probed to represent which phase was switching. A current clamp was placed at the generator’s output to measure the current drawn by the system. HV was also probed to determine the output driving the HASEL actuator. The key characteristics are the voltage magnitude and the charge time required to obtain to that voltage.

2.6.2. Experimental Setup

Testing the HVPS required testing each stage of the power supply. First, the boost converter was tested using the TENMA 72-13210 (TENMA and Rohde & Schwarz) digital programmable load. The input to the boost converter was supplied by the Rohde & Schwarz NGE100 programmable power supply. The load current was progressively increased, allowing us to characterise the performance of the boost converter as the control pin of the LM55 timer increased the boost voltage. The Rohde & Schwarz NGE100, a programmable power supply, controlled the 6 V input required by the LM555 timer, as well as the control voltage, to accurately increment the voltage supplied to the load. A Rohde & Schwarz RTB2004 digital oscilloscope measured the output.
The DRV8841 H-bridge was then tested with an ESP32 microcontroller. The ESP32 was programmed with the Arduino IDE. The duty cycle was controlled through the serial monitoring function of the IDE, where any value from 1% to 50% can be entered. The PWM signals were operating at 90 kHz, which gave the base performance of the HVPS. The programme has three modes: charge, discharge, and all off. Once connected to the H-bridge, the duty cycle of all four outputs, two for charging and two for discharging, were tested at 10%, 20%, 30%, and 40% of the duty cycle, with the supply voltage increasing from 10 to 25 V using the programmable supply.
The positive and negative voltage multiplier with the transformer was then tested. Before testing the voltage multiplier, the HV components needed to be potted, as discussed in the PCB insulation section above. The HVPS output was measured as the duty cycle, and the input voltage was increased. The output voltage was measured with an HV probe (the B&K Precision PR 28A HV probe) connected to the digital oscilloscope to capture the waveform. The ground link resistor was also connected. When increasing the resistance of the ground link, a DC drift was observed in the charge and the discharge circuit. The HVPS was characterised with ground links of 20 MΩ, 40 MΩ, and 60 MΩ. The duty cycle was controlled using the ESP32 microcontroller with increments of 10%, 20%, 30%, and 40%. The supply voltage was increased from 10 to 25 V using the programmable power supply instead of the boost converter to increase the required voltage accurately. The output voltage was measured with the HV probe added to the oscilloscope, and the input current was taken from the programmable power supply.
Once the HVPS has been characterised, it can be connected to the HASEL actuator. Using the data previously collected from the HVPS, the HASEL actuator was driven at the points specified in its datasheet. The actuator that was tested is the C-5015-02-05-B-ACAC-50-096 from Artimus Robots, Boulder, CO, USA. It is one of the small Peano HASEL actuators, only able to contract 1.6 mm and produce up to 75 N of force. The actuator was tested with a 200 g load.

3. Results

3.1. Simulation Results

The results from the simulation are displayed in Figure 13. The H-bridge output, AOUT1, charging the HV output is shown in pink in Figure 13b. The HVPS charged the load for 1 ms. The HV output reached 9.2 kV in 446.29 µs, reaching a maximum value of 9.2107 kV at 1 ms (Figure 13a). The H-bridge output, BOUT1, discharging the HV output, is shown in green in Figure 13b. At 1 ms, the HVPS started discharging the load. The voltage was discharged to 0 V at 1.0066 ms, meaning that the load was discharged in 6.6 µs. Once the load was discharged, it began to charge with a negative potential. The negative HV reached −9.2 kV at 1.4543 ms, reaching a minimum value of −9.2112 kV at 2 ms (Figure 13a).

3.2. Experimental Results

3.2.1. Boost Converter Performance

The performance of the boost converter was tested with a digital load. The boost converter was given an input voltage of 6 V from the programmable power supply throughout testing, referred to as the control voltage. The control pin of the LM555 timer was fed values that increased from 2 V to 4 V during testing. The digital load applied a constant current that was increased from 0 A to 0.5 A, referred to as the load current. The measured variables were the output voltage, measured from the digital load, and the input current, measured from the programmable power supply. The results from this testing are recorded in Table 5 and Table 6. The results are also displayed in Figure 14 and Figure 15. From these values, the following results were calculated: input power (Table 7 and Figure 16), output power (Table 8 and Figure 17), and efficiency (Table 9 and Figure 18).
The boost converter produced a maximum output voltage of 40.57 V under no load or 0 mA (Table 5). This value was reached with a control voltage of 4 V. All maximum voltages were recorded above the 3 V control voltage. Above the 3 V control voltage, the output voltages were relatively similar. The input current supplied to the boost converter was also similar when the control voltage was above 3 V until the load current reached 500 m (Table 6). At a 500 mA load current, the input current rose from 2542 mA (2.5 A) at the 3 V control to 2898 mA (2.9 A) at 3.5 V, and at the 4 V control, the current rose above 3000 mA (3 A), which is the maximum current for one channel of the programmable power supply.
The power input to the boost converter was calculated from the results in Table 6. The equation for input power (PIN) is
PIN = VIN × IIN
VIN is the 6 V power supply, and IIN is the input current listed in Table 5. With Equation (1), the values in Table 7 were obtained, which are graphed in Figure 16.
At the 500 mA load (the maximum applied load) and with lower control voltages, 2 V and 2.5 V, the input power was 5.484 W and 8.446 W, respectively. At the higher control voltages, 3 V and 3.5 V, the input power increased to 15.25 W and 17.40 W, respectively.
The power output to the boost converter was calculated from the results in Figure 14. The equation for output power is
POUT = VOUT × IOUT
VOUT is the output voltage from Table 6 and IOUT is the load current from Table 6. With Equation (2), the values in Table 8 were obtained, which are graphed in Figure 17.
At the 500 mA load and with the lower control voltages, 2 V and 2.5 V, the output power was 3.88 W and 5.06 W, respectively. At higher control voltages, 3 V and 3.5 V, the input power increased by 5.47 W and 5.13 W, respectively.
Finally, the efficiency of the boost converter was calculated from the results in Table 7 and Table 8. The equation for output power is
η = POUT/PIN
where η is the efficiency. With Equation (3), the values in Table 9 were obtained, which are graphed in Figure 18.
At the 500 mA load and with lower control voltages, 2 V and 2.5 V, the efficiency was 71% and 60%, respectively. At higher control voltages, 3 V and 3.5 V, the efficiency dramatically dropped to 36% and 30%, respectively. The highest efficiency of 80% was obtained at a control voltage of 2 V and a load current of 200 mA.

3.2.2. Driving the H-Bridge with the Microcontroller

The ESP32 drove four PWM signals into the H-bridge. The duty cycle of this input was controlled through a serial port using the Arduino IDE. The value entered into the serial port was compared to the duty cycle measured by the digital oscilloscope at its 10%, 20%, 30%, and 40% values. The results were recorded at input voltages from 5 V to 25 V. The difference between the set duty cycle and the measured duty cycle is presented in Table 10. The largest average difference was 4.07% in the 30% duty cycle.

3.2.3. Charge and Discharge DC Drift as the Ground Link Increases

Increasing the ground loop resistance induces a DC drift in the charging and discharging circuit. The HVPS was driven with a 10 V input from the programmable power supply and a 10% duty cycle from the microcontroller. The HVPS was in charge mode for 200 ms and discharge mode for 800 ms. The discharge time was increased with the ground loop impedance to the point where the discharge time needed to be increased to 2 s to discharge the circuit fully. The drift was measured through the digital oscilloscope using values of 10 MΩ–100 MΩ, with the final value being measured with an open circuit, giving the maximum drift of 1.74 kV when charging and 831.23 V when discharging (Figure 19c). The DC drift and discharge time increase can be observed at 10 MΩ in Figure 19a, at 50 MΩ in Figure 19b, and with an open circuit in Figure 19c. The data were captured and are recorded in Table 11.

3.2.4. Charging and Discharging HV with a 20 MΩ Ground Link

The 20 MΩ ground loop resistance was tested first as the DC drift was the closest to the ground potential. The results from the testing are recorded in Table 12, which records the values seen at a 10%, 20%, 30%, and 40% duty cycle. A screen capture was taken using the digital oscilloscope of the measurement with the highest peak-to-peak voltage displayed for each duty cycle (Figure 20). For the HV DC value to be sustained, the ESP32 must stay in charge mode as the HV discharges in its off mode, though it is much slower than when in its discharge mode. Every duty cycle was able to operate with a 25 V input. However, in the 40% duty cycle measurement, the length of time of charge mode needs to be reduced from 200 ms to 25 ms. This reduction was because the protection circuitry of the DRV8841 H-bridge shut off the IC to prevent the components from being damaged. Every duty cycle was in discharge mode for 50 ms, though the voltage had not completely discharged for (c) and (d). The highest peak-to-peak voltage measured was 7.300 kV at a 40% duty cycle with 25 ms spent in charge mode. The results from Table 12 are displayed in Figure 21.

3.2.5. Charging and Discharging HVs with a 40 MΩ Ground Link

The HVPS was then tested with a 40 MΩ ground loop in the same manner. The data collected is displayed in Table 13, with the highest voltages for each duty cycle shown in Figure 22. The HVPS operated at a 25 V DC input voltage for duty cycles of 10%, 20%, and 30%. The DC input voltage for the 40% duty cycle could only rise as high as 20 V before shut-off protection was enabled. The discharge mode’s operation was increased to 100 ms as the discharge time is longer. At the 40% duty cycle, the charge time was reduced to 50 ms. The 40% duty cycle was not reduced to a 25 ms charge mode time at 21 VDC (such as in Figure 22d) because that configuration also put the system into shut-off mode. The highest peak-to-peak voltage measured was 9.425 kVPP at a 30% duty cycle with 25 ms spent in charge mode. The results from Table 13 are displayed in Figure 23. For the 20% duty cycle, a deviation from the linear trend can be observed above 20VDC; there were no changes to the test conditions, so it is unclear what caused this change.

3.2.6. Charging and Discharging HV with a 60 MΩ Ground Link

The HVPS was then tested with 60 MΩ. The data collected is displayed in Table 14, with the highest voltages shown in Figure 24. The HVPS operated at a 25 V DC input voltage for duty cycles of 10% and 20%. The DC input voltage for the 30% duty cycle could only be as high as 24 V before shut-off protection was enabled, with the charge mode being on for 25 ms. The 40% duty cycle could only reach 17 V before being shut off. The discharge mode’s length of operation remained at 100 ms. The highest peak-to-peak voltage measured was 10.06 kVPP at a 30% duty cycle with 25 ms spent in charge mode. Thus, the HVPS has reached the maximum operating voltage of the HASEL actuator. The results from Table 14 are displayed in Figure 25.

3.2.7. Driving HASEL Actuators

The HVPS was used to drive a HASEL actuator (Figure 26). The input to the HVPS was 25 V supplied by the programable power supply, and the ESP32 drove the H-bridge at a 20% duty cycle. The connected ground loop resistance was 60 MΩ, and the resistors were submerged in an oil bath so that the ground loop resistance could be changed as needed. The oil used to insulate the resistors is FR3 transformer oil. It is a common insulating liquid used in existing HASEL actuator designs [1]. As discussed previously, two PCBs were used to control the HV and LV separately to avoid having to reassemble the LV every time an HV short occurred. The voltage measured across the HV probe, with the HASEL actuator connected, was 7.059 kV, with a charge time of 200 ms and a discharge time of 50 ms. This result is very close to the measured value in Table 14. The operation of the HASEL actuator was recorded in Supplementary Materials, Movie S1. Unfortunately, the HVPS would not drive the 30% duty cycle above an input voltage of 18 V. This may be due to a short occurring elsewhere in the circuit.

4. Discussion

4.1. Cost-Effectiveness Evaluation

The total cost of this HVPS was USD 54.45. This is approximately 4.58% of the cost of the cheapest HVPSs used in HASEL applications [12,20], which was reportedly USD 1200, while achieving the same output voltage. In the current body of work on HASEL actuators, no HVPS comes anywhere close to this cost reduction. Even when compared to the 1 kV HVPS, which was approximately USD 185, this HVPS is approximately 29.48% of the cost [12]. This means that using this low-cost HVPS methodology will be appropriate even when the voltage required to operate HASEL actuators is reduced below 1 kV.
The total cost of the DC-HVDC converter was USD 4.12; this does not include the cost of the silicone potting mix. Compared to the converter in the cheapest HVPS, which was reportedly USD 760 [12], this HVPS’s converter was 0.54% of the cost. It is clear that this is where most of the savings have occurred. Compared to the 1 kV HVPS converter, which was reportedly USD 150 [12], this HVPS converter was 2.75% of the cost.
The total cost of the switching components was USD 21.27. Compared to the switching components in the cheapest HVPS, which were reportedly USD 440 [12], this HVPS’s converter was 4.83% of the cost. The cost of the switching components in the 1 kV HVPS, which reportedly cost USD 35, was much closer, with this HVPS being approximately 60.77% of the cost.
The low-cost HVPS methodologies provided in this paper will allow researchers to easily create their own version of an HVPS. Researchers will also be able to start working on applications with multiple HASEL outputs for minimal additional costs.

4.2. Performance Analysis

4.2.1. Boost Converter

The boost converter produced a maximum voltage of 40.57 V. When testing the transformer and the boost converter, the maximum voltage used was only 25 V. However, the voltage drops off quite significantly when a load is applied. The efficiency also drops drastically when operating in a higher voltage range. Fortunately, the H-bridge controls the voltage with a duty cycle. Reducing the H-bridge’s duty cycle, or on time, allows the boost converter to restore its voltage before the next on time. The maximum duty cycle the HVPS operated at was 40% per phase. This means that when the HVPS draws its highest current, it will only be on a maximum of 80% of the time. Thus, this boost will operate well, driving a low average load. Future designs can improve this boost converter design for applications requiring higher power.

4.2.2. H-Bridge

The largest average error when producing the PWM output was 4.07% at a 30% duty cycle. Delays are not a big issue at lower duty cycles of 10% and 20%, as there is a large gap between the on time of the PWMs. However, at 30% and 40% duty cycles, a pair of PWMs could potentially be on simultaneously, causing a short circuit. The error could be caused by the duty cycle being generated using the deadtime function, rather than the duty cycle function. The deadtime function was used as it was difficult to produce a 180° phase shift while also controlling the duty cycle. The details of the code used in the microcontroller are provided in the Supplementary Materials. Future HVPS designs need to improve duty cycle accuracy to prevent shorting and allow for larger duty cycles to be driven.

4.2.3. DC Drift as the Ground Link Increases

A DC drift was observed when operating with a ground link. This drift has benefits and drawbacks. On the one hand, a higher voltage can be driven at the load. The HASEL actuator should be able to fully turn off and on with a certain amount of drift, as these actuators often do not turn on until a few kilovolts are applied. Like the C-5015-02-05-B-ACAC-50-096, which only starts operating at 2 kV.
On the other hand, the discharge circuit can only discharge a portion of the voltage, while the rest of the voltage needs to be passively discharged in the off mode of the microcontroller. Another drawback is that even the section that is discharged becomes so at a much slower rate. The ground loop resistance must be carefully selected depending on the HV characteristics required for a given application.
The HVPS produced a maximum voltage of 10.056 kV with a ground loop of 60 MΩ. Most of the HASEL actuators from Artimus Robotics are designed to operate between 2 kV and 8 kV, so this will be a compelling option for researchers. This HVPS is also a very reliable circuit, as the circuit protections built into DRV8841 reset the device before any damage can occur.

4.2.4. Simulated Results Versus Experimental Results

The simulated and experimental performances of the HVPS were very different. The most significant difference was that the simulated HVPS produced a positive and negative HV for the load. The physical HVPS only produced either a positive HV or a negative HV for the load, depending on whether the positive HV ground or the negative HV ground was used as the reference for the load. This is because the ideal transformer provided an impedance that stopped the load from discharging, unlike the physical HVPS circuit, which provided virtually no impedance between the load and the ground. On the other hand, the experimental results obtained higher voltages than those of the simulated circuit. The simulated circuit produced a maximum of 9.201 kV with an input voltage of 25 V and a duty cycle of 50%. The experimental circuit produced 10.05 kV with an input voltage of 24 V and a duty cycle of 30%. This could potentially be due to the DC drift increasing the output voltage.

4.2.5. Driving HASEL Actuators

The HVPS produced 7.059 kV to drive the HASEL actuator. We compared this voltage to the datasheet for the C-5015-02-05-B-ACAC-50-096; a full stroke (also called free strain) and maximum force (also called the blocking force) are achieved at 8 kV, which is very close to this value. This is a promising result for future designs, as it is a low-cost, high-performance alternative for researchers, especially as the voltage required to operate a HASEL actuator decreases over time.

4.3. Future Improvements and Research Directions

4.3.1. Cost Reduction

Further cost savings are still to be investigated for this HVPS with low-voltage control. As this is an initial prototype, many optimisations need to be found. The easiest saving will be reducing the volume that needs to be filled with the silicone potting compound for insulation. Reducing the PCB’s size will also reduce costs. Replacing LM555 with a more modern IC alternative may also reduce the component costs as more and more ICs have additional components integrated into them.

4.3.2. Improving the Boost Converter

Future designs need to improve the HVPS’ efficiency and accuracy. Replacing the LM555 timer with a more modern IC may help. Modern ICs can operate at much faster rates and also have feedback control to ensure the correct voltage is supplied as the output.

4.3.3. Microcontroller and H-Bridge

The accuracy of the ESP32’s PWM signals could improve in future HVPS designs. More of the functionality of the DRV8841 can be programmed into the ESP32 to create smoother and safer operation for the user. This includes a Fault mode, Reset mode, Sleep mode, etc.

4.3.4. Resolving DC Drift and Shut-Off Issues

Future designs of HVPSs need to consider how to connect the positive and negative HVs better. To achieve this with voltage multipliers, another method of coupling the grounds of the HVs needs to be investigated. There may be other methods of driving the positive and negative voltages that remove the need to couple their grounds.

Supplementary Materials

The following supporting information can be downloaded at https://www.mdpi.com/article/10.3390/machines12110758/s1, Figure S1 shows the output of the transformer before the multiplier was added. Figures S2–S7 show the full schematic of the High Voltage Power Supply. Table S1 shows the Bill of Materials used for the design. Movie S1 demonstrates the operation of the High Voltage Power Supply with the HASEL actuator.

Author Contributions

Conceptualisation, L.T.; methodology, L.T.; validation, L.T.; supervision G.G., U.G., R.L., O.P., D.E. and J.C.; writing—original draft preparation, L.T. All authors have read and agreed to the published version of the manuscript.

Funding

This work was funded by the School of Engineering, Design and Built Environment, Western Sydney University (project code 20870.75898).

Institutional Review Board Statement

Not applicable.

Informed Consent Statement

Not applicable.

Data Availability Statement

All relevant data are included in this paper.

Conflicts of Interest

The authors declare no conflicts of interest.

Correction Statement

This article has been republished with a minor correction to the readability of Figure 1b. This change does not affect the scientific content of the article.

References

  1. Acome, E.; Mitchell, S.K.; Morrissey, T.G.; Emmett, M.B.; Benjamin, C.; King, M.; Radakovitz, M.; Keplinger, C. Hydraulically amplified self-healing electrostatic actuators with muscle-like performance. Science 2018, 359, 61–65. [Google Scholar] [CrossRef] [PubMed]
  2. Kellaris, N.; Gopaluni Venkata, V.; Smith, G.M.; Mitchell, S.K.; Keplinger, C. Peano-HASEL actuators: Muscle-mimetic, electrohydraulic transducers that linearly contract on activation. Sci. Robot. 2018, 3, eaar3276. [Google Scholar] [CrossRef] [PubMed]
  3. Mitchell, S.K.; Wang, X.; Acome, E.; Martin, T.; Ly, K.; Kellaris, N.; Venkata, V.G.; Keplinger, C. An Easy-to-Implement Toolkit to Create Versatile and High-Performance HASEL Actuators for Untethered Soft Robots. Adv. Sci. 2019, 6, 1900178. [Google Scholar] [CrossRef] [PubMed]
  4. Esser, F.; Masselter, T.; Speck, T. Silent Pumpers: A Comparative Topical Overview of the Peristaltic Pumping Principle in Living Nature, Engineering, and Biomimetics. Adv. Intell. Syst. 2019, 1, 1900009. [Google Scholar] [CrossRef]
  5. Leroy, E.; Hinchet, R.; Shea, H. Multimode Hydraulically Amplified Electrostatic Actuators for Wearable Haptics. Adv. Mater. 2020, 32, 2002564. [Google Scholar] [CrossRef] [PubMed]
  6. Kellaris, N.; Rothemund, P.; Zeng, Y.; Mitchell, S.K.; Smith, G.M.; Jayaram, K.; Keplinger, C. Spider-Inspired Electrohydraulic Actuators for Fast, Soft-Actuated Joints. Adv. Sci. 2021, 8, 2100916. [Google Scholar] [CrossRef] [PubMed]
  7. Ly, K.; Mayekar, J.V.; Aguasvivas, S.; Keplinger, C.; Rentschler, M.E.; Correll, N. Electro-Hydraulic Rolling Soft Wheel: Design, Hybrid Dynamic Modeling, and Model Predictive Control. IEEE Trans. Robot. 2022, 38, 3044–3063. [Google Scholar] [CrossRef]
  8. Duranti, M.; Righi, M.; Vertechy, R.; Fontana, M. A new class of variable capacitance generators based on the dielectric fluid transducer. Smart Mater. Struct. 2017, 26, 115014. [Google Scholar] [CrossRef]
  9. Sîrbu, I.D.; Moretti, G.; Bortolotti, G.; Bolignari, M.; Diré, S.; Fambri, L.; Vertechy, R.; Fontana, M. Electrostatic bellow muscle actuators and energy harvesters that stack up. Sci. Robot. 2021, 6, eaaz5796. [Google Scholar] [CrossRef] [PubMed]
  10. Yoder, Z.; Kellaris, N.; Chase-Markopoulou, C.; Ricken, D.; Mitchell, S.K.; Emmett, M.B.; Weir, R.F.F.; Segil, J.; Keplinger, C. Design of a High-Speed Prosthetic Finger Driven by Peano-HASEL Actuators. Front. Robot. AI 2020, 7, 586216. [Google Scholar] [CrossRef] [PubMed]
  11. Yang, R.; Yang, M.; Fan, P.; Lu, T.; Wang, T. A new flexible electrostatic generator using dielectric fluid. J. Appl. Phys. 2023, 134, 105001. [Google Scholar] [CrossRef]
  12. Gravert, S.-D.; Varini, E.; Kazemipour, A.; Michelis, M.Y.; Buchner, T.; Hinchet, R.; Katzschmann, R.K. Low-voltage electrohydraulic actuators for untethered robotics. Sci. Adv. 2024, 10, eadi9319. [Google Scholar] [CrossRef] [PubMed]
  13. Buchner, T.J.K.; Fukushima, T.; Kazemipour, A.; Gravert, S.-D.; Prairie, M.; Romanescu, P.; Arm, P.; Zhang, Y.; Wang, X.; Zhang, S.L.; et al. Electrohydraulic musculoskeletal robotic leg for agile, adaptive, yet energy-efficient locomotion. Nat. Commun. 2024, 15, 7634. [Google Scholar] [CrossRef] [PubMed]
  14. Yoder, Z.; Rumley, E.H.; Schmidt, I.; Rothemund, P.; Keplinger, C. Hexagonal electrohydraulic modules for rapidly reconfigurable high-speed robots. Sci. Robot. 2024, 9, eadl3546. [Google Scholar] [CrossRef] [PubMed]
  15. Taghavi, M.; Helps, T.; Rossiter, J. Characterisation of Self-locking High-contraction Electro-ribbon Actuators. In Proceedings of the 2020 IEEE International Conference on Robotics and Automation (ICRA), Paris, France, 31 May–31 August 2020; pp. 5856–5861. [Google Scholar]
  16. Diteesawat, R.S.; Helps, T.; Taghavi, M.; Rossiter, J. Electro-pneumatic pumps for soft robotics. Sci. Robot. 2021, 6, eabc3721. [Google Scholar] [CrossRef] [PubMed]
  17. Sîrbu, I.-D.; Moretti, G.; Dirè, S.; Fambri, L.; Vertechy, R.; Meniglio, D.; Fontana, M. Electrostatic actuator for tactile display based on hydraulically coupled dielectric fluids and soft structures. In Electroactive Polymer Actuators and Devices (EAPAD) XXI; SPIE: Bellingham, DC, USA, 2019; pp. 334–339. [Google Scholar]
  18. Schlatter, S.; Illenberger, P.; Rosset, S. Peta-pico-Voltron: An open-source high voltage power supply. HardwareX 2018, 4, e00039. [Google Scholar] [CrossRef]
  19. Brei, Z.; Lim, C.W.; Ferguson, A.; Pradhan, A.A.; Sangeetha, V.V.; Bu, X.; Usui, B.; Johnson, D.B.; Vasudevan, R.; Moore, T.Y. HASEL Actuator Design for Out-of-Plane Bending: A Parametric Study of Planar Geometry. In Proceedings of the 2024 IEEE 7th International Conference on Soft Robotics (RoboSoft), San Diego, CA, USA, 14–17 April 2024; IEEE: New York, NY, USA, 2024; pp. 657–662. [Google Scholar]
  20. Mitchell, S.K.; Martin, T.; Keplinger, C. A Pocket-Sized Ten-Channel High Voltage Power Supply for Soft Electrostatic Actuators. Adv. Mater. Technol. 2022, 7, 2101469. [Google Scholar] [CrossRef]
  21. Manion, C.A.; Patel, D.K.; Fuge, M.; Bergbreiter, S. Modeling and Evaluation of Additive Manufactured HASEL Actuators. In Proceedings of the International Conference on Intelligent Robots and Systems (IEEE/RSJ), Madrid, Spain, 1–5 October 2018; IEEE: New York, NY, USA, 2018. [Google Scholar]
  22. Johnson, B.K.; Naris, M.; Sundaram, V.; Volchko, A.; Ly, K.; Mitchell, S.K.; Acome, E.; Kellaris, N.; Keplinger, C.; Correll, N.; et al. A multifunctional soft robotic shape display with high-speed actuation, sensing, and control. Nat. Commun. 2023, 14, 4516. [Google Scholar] [CrossRef] [PubMed]
  23. Rates for Financial Year Ending 30 June 2024. Available online: https://www.ato.gov.au/tax-rates-and-codes/foreign-exchange-rates-annual-2024-financial-year (accessed on 28 September 2024).
Figure 1. The configuration and operation of the boost converter circuit with the switch in its ‘on state’ and ‘off state’. (a) The switch is in its ‘on state’. The arrows indicate the current’s flow through the inductor, VL, from the supply, VS, and the discharge of the capacitor VC through the load, VZ. The diode is greyed out as no current is flowing. (b) The switch is in its ‘off state’. The arrow indicates the flow of current through the inductor, the diode, and the load from the supply, VS. The switch is greyed out as no current is flowing.
Figure 1. The configuration and operation of the boost converter circuit with the switch in its ‘on state’ and ‘off state’. (a) The switch is in its ‘on state’. The arrows indicate the current’s flow through the inductor, VL, from the supply, VS, and the discharge of the capacitor VC through the load, VZ. The diode is greyed out as no current is flowing. (b) The switch is in its ‘off state’. The arrow indicates the flow of current through the inductor, the diode, and the load from the supply, VS. The switch is greyed out as no current is flowing.
Machines 12 00758 g001
Figure 2. The operation of the voltage multiplier in the H-bridge. Two switches are connected to each side of the load. (a) Two switches are closed: one switch to the supply voltage, VDC, and the other to the ground. The other two switches are open. (b) The two closed switches are now open, and the open switches are closed.
Figure 2. The operation of the voltage multiplier in the H-bridge. Two switches are connected to each side of the load. (a) Two switches are closed: one switch to the supply voltage, VDC, and the other to the ground. The other two switches are open. (b) The two closed switches are now open, and the open switches are closed.
Machines 12 00758 g002
Figure 3. The positive and negative cycles of a single-voltage multiplier stage, also known as a voltage doubler. (a) The positive cycle charges the first capacitor and (b) the negative cycle charges the second capacitor. At the same time, the first capacitor is discharged through the supply, and the second capacitor is also being charged. Thus, the voltage applied to the second capacitor is doubled.
Figure 3. The positive and negative cycles of a single-voltage multiplier stage, also known as a voltage doubler. (a) The positive cycle charges the first capacitor and (b) the negative cycle charges the second capacitor. At the same time, the first capacitor is discharged through the supply, and the second capacitor is also being charged. Thus, the voltage applied to the second capacitor is doubled.
Machines 12 00758 g003
Figure 4. The low-impedance ground loop path developed when connecting both the positive and negative voltage multipliers across the load, Z1.
Figure 4. The low-impedance ground loop path developed when connecting both the positive and negative voltage multipliers across the load, Z1.
Machines 12 00758 g004
Figure 5. The reconfiguration of the voltage multipliers so the low-impedance path goes through the supply of the negative voltage multiplier.
Figure 5. The reconfiguration of the voltage multipliers so the low-impedance path goes through the supply of the negative voltage multiplier.
Machines 12 00758 g005
Figure 6. The reconfigured voltage multiplier circuit with isolated grounds and a ground link resistor, R1.
Figure 6. The reconfigured voltage multiplier circuit with isolated grounds and a ground link resistor, R1.
Machines 12 00758 g006
Figure 7. (a) One of the High-Frequency Coil Arc Generator Step-up Power Transformers. This is the 7th transformer tested in Table 3 and was the highest performing, with a step-up ratio of 71.26. (b) The AC sweep from 1 kHz to 101 kHz applied to the 7th transformer over 1 s, measured using a digital oscilloscope with a time base of 100 ms/div. Channel 1 measured the primary peak-to-peak voltage at 10 V/div and Channel 2 measured the secondary peak-to-peak voltage at 100 V/div.
Figure 7. (a) One of the High-Frequency Coil Arc Generator Step-up Power Transformers. This is the 7th transformer tested in Table 3 and was the highest performing, with a step-up ratio of 71.26. (b) The AC sweep from 1 kHz to 101 kHz applied to the 7th transformer over 1 s, measured using a digital oscilloscope with a time base of 100 ms/div. Channel 1 measured the primary peak-to-peak voltage at 10 V/div and Channel 2 measured the secondary peak-to-peak voltage at 100 V/div.
Machines 12 00758 g007
Figure 8. (a) The top view of the PCB layout of the HVPS, developed using Altium Designer. (b) The bottom view of the PCB layout of the HVPS, developed using Altium Designer.
Figure 8. (a) The top view of the PCB layout of the HVPS, developed using Altium Designer. (b) The bottom view of the PCB layout of the HVPS, developed using Altium Designer.
Machines 12 00758 g008
Figure 9. (a) A top view of the HV components assembled on the PCB; the orange lead is the positive HV and the blue is the negative HV. (b) A bottom view of the HV components assembled on the PCB; the green lead is the positive HV ground and the yellow is the negative HV ground.
Figure 9. (a) A top view of the HV components assembled on the PCB; the orange lead is the positive HV and the blue is the negative HV. (b) A bottom view of the HV components assembled on the PCB; the green lead is the positive HV ground and the yellow is the negative HV ground.
Machines 12 00758 g009
Figure 10. A top view of the LV components assembled onto the PCB; the four leads to the left of the board–orange, red, green, and yellow—are the PWM signals going to the HV circuit. The red and brown leads at the top are the inputs to the boost converter circuit, and the red and brown leads at the bottom are the boost converter’s output. This output can probe the voltage generated by the boost converter, or it can be connected to a power supply to power the H-bridge directly.
Figure 10. A top view of the LV components assembled onto the PCB; the four leads to the left of the board–orange, red, green, and yellow—are the PWM signals going to the HV circuit. The red and brown leads at the top are the inputs to the boost converter circuit, and the red and brown leads at the bottom are the boost converter’s output. This output can probe the voltage generated by the boost converter, or it can be connected to a power supply to power the H-bridge directly.
Machines 12 00758 g010
Figure 11. (a) A top view of the PCB after being potted with a silicone compound. (b) A bottom view of the PCB after being potted with a silicone compound.
Figure 11. (a) A top view of the PCB after being potted with a silicone compound. (b) A bottom view of the PCB after being potted with a silicone compound.
Machines 12 00758 g011
Figure 12. A schematic of the simulation of our HVPS in Multisim. The schematic consists of the required input and an oscilloscope for measuring the outputs, with a dual contactor used to represent the switching of the H-bridge and the two voltage multipliers. Note that the ground link resistor has been included in the multiplier circuit.
Figure 12. A schematic of the simulation of our HVPS in Multisim. The schematic consists of the required input and an oscilloscope for measuring the outputs, with a dual contactor used to represent the switching of the H-bridge and the two voltage multipliers. Note that the ground link resistor has been included in the multiplier circuit.
Machines 12 00758 g012
Figure 13. Simulated results from the HVPS. (a) The HV output of the load. (b) The output from the H-bridge before it enters the transformers, where pink is AOUT1 and green is BOUT1.
Figure 13. Simulated results from the HVPS. (a) The HV output of the load. (b) The output from the H-bridge before it enters the transformers, where pink is AOUT1 and green is BOUT1.
Machines 12 00758 g013
Figure 14. A graph comparing the output voltage (V) to the load current (A) measured in Table 6.
Figure 14. A graph comparing the output voltage (V) to the load current (A) measured in Table 6.
Machines 12 00758 g014
Figure 15. A graph comparing the input current (mA) to the load current (A) measured in Table 6.
Figure 15. A graph comparing the input current (mA) to the load current (A) measured in Table 6.
Machines 12 00758 g015
Figure 16. A graph comparing the input power (W) to the load current (A) calculated in Table 7.
Figure 16. A graph comparing the input power (W) to the load current (A) calculated in Table 7.
Machines 12 00758 g016
Figure 17. A graph comparing the output power (W) to the load current (A), which was calculated in Table 8.
Figure 17. A graph comparing the output power (W) to the load current (A), which was calculated in Table 8.
Machines 12 00758 g017
Figure 18. A graph comparing the efficiency (%) to the load current (A) from the calculations in Table 9. As the efficiency with a 0 mA load is 0%, this value is ignored in the graph.
Figure 18. A graph comparing the efficiency (%) to the load current (A) from the calculations in Table 9. As the efficiency with a 0 mA load is 0%, this value is ignored in the graph.
Machines 12 00758 g018
Figure 19. The charge and discharge of the HVPS at (a) 10 MΩ and (b) 50 MΩ and with (c) an OC ground loop, taken from the digital oscilloscope. Channel 3 measured the HV generated. Channel 1 and Channel 2 measured one of the charging and discharging inputs, respectively. Channel 4 measured the input voltage supplied.
Figure 19. The charge and discharge of the HVPS at (a) 10 MΩ and (b) 50 MΩ and with (c) an OC ground loop, taken from the digital oscilloscope. Channel 3 measured the HV generated. Channel 1 and Channel 2 measured one of the charging and discharging inputs, respectively. Channel 4 measured the input voltage supplied.
Machines 12 00758 g019
Figure 20. The maximum charge and discharge voltages measured for the HVPS with a 20 MΩ ground loop and at (a) 10%, (b) 20%, (c) 30%, and (d) 40% duty cycles, taken from the digital oscilloscope. Channels 1, 2, 3, and 4 measure the same values as in Figure 19.
Figure 20. The maximum charge and discharge voltages measured for the HVPS with a 20 MΩ ground loop and at (a) 10%, (b) 20%, (c) 30%, and (d) 40% duty cycles, taken from the digital oscilloscope. Channels 1, 2, 3, and 4 measure the same values as in Figure 19.
Machines 12 00758 g020
Figure 21. A graph comparing the DC input voltage (V) supplied with the peak-to-peak output voltages (kV) measured in Table 12 for the HVPS output with a 20 MΩ ground loop, controlled with 10%, 20%, 30%, and 40% duty cycles from the H-bridge.
Figure 21. A graph comparing the DC input voltage (V) supplied with the peak-to-peak output voltages (kV) measured in Table 12 for the HVPS output with a 20 MΩ ground loop, controlled with 10%, 20%, 30%, and 40% duty cycles from the H-bridge.
Machines 12 00758 g021
Figure 22. The maximum charge and discharge voltages measured for the HVPS with a 40 MΩ ground loop at (a) 10%, (b) 20%, (c) 30%, and (d) 40% duty cycles, taken from the digital oscilloscope. Channels 1, 2, 3, and 4 measure the same values as in Figure 19.
Figure 22. The maximum charge and discharge voltages measured for the HVPS with a 40 MΩ ground loop at (a) 10%, (b) 20%, (c) 30%, and (d) 40% duty cycles, taken from the digital oscilloscope. Channels 1, 2, 3, and 4 measure the same values as in Figure 19.
Machines 12 00758 g022
Figure 23. A graph comparing the DC input voltage (V) supplied with the peak-to-peak output voltages (kV) measured in Table 13 for the HVPS output with a 40 MΩ ground loop, controlled with 10%, 20%, 30%, and 40% duty cycles from the H-bridge.
Figure 23. A graph comparing the DC input voltage (V) supplied with the peak-to-peak output voltages (kV) measured in Table 13 for the HVPS output with a 40 MΩ ground loop, controlled with 10%, 20%, 30%, and 40% duty cycles from the H-bridge.
Machines 12 00758 g023
Figure 24. The maximum charge and discharge voltages measured for the HVPS with a 60 MΩ ground loop at (a) 10%, (b) 20%, (c) 30%, and (d) 40% duty cycles, taken from the digital oscilloscope. Channels 1, 2, 3, and 4 measure the same values as in Figure 19.
Figure 24. The maximum charge and discharge voltages measured for the HVPS with a 60 MΩ ground loop at (a) 10%, (b) 20%, (c) 30%, and (d) 40% duty cycles, taken from the digital oscilloscope. Channels 1, 2, 3, and 4 measure the same values as in Figure 19.
Machines 12 00758 g024
Figure 25. A graph comparing the DC input voltage (V) supplied with the peak-to-peak output voltages (kV) measured in Table 14 for the HVPS output with a 60 MΩ ground loop, controlled with 10%, 20%, 30%, and 40% duty cycles from the H-bridge.
Figure 25. A graph comparing the DC input voltage (V) supplied with the peak-to-peak output voltages (kV) measured in Table 14 for the HVPS output with a 60 MΩ ground loop, controlled with 10%, 20%, 30%, and 40% duty cycles from the H-bridge.
Machines 12 00758 g025
Figure 26. The setup for the HVPS driving the HASEL actuator. There are two separate PCBs: one driving the HV signals and the other driving the LV signals. The red container holds the ground loop resistor, which is covered with FR3 transformer oil to prevent shorting. A benchtop power supply drives the HVPS, with the ESP32 controlling the H-bridge from a computer using the Arduino IDE.
Figure 26. The setup for the HVPS driving the HASEL actuator. There are two separate PCBs: one driving the HV signals and the other driving the LV signals. The red container holds the ground loop resistor, which is covered with FR3 transformer oil to prevent shorting. A benchtop power supply drives the HVPS, with the ESP32 controlling the H-bridge from a computer using the Arduino IDE.
Machines 12 00758 g026
Table 1. HVPS and HV amplifiers used in HASEL research, including their model numbers and output voltages.
Table 1. HVPS and HV amplifiers used in HASEL research, including their model numbers and output voltages.
HV TechnologiesModelDescriptionOutput Voltage
Advanced EnergyTrek 10/10B-HS [8,9]HV Amplifier±10 kV
Trek 50/12 [10,14]HV Amplifier±50 kV
Trek 609E-6 [5,12]HV Amplifier±4 kV
Trek 610E [11,13,14]HV Amplifier±10 kV
UltraVolt 5HVA24-BP1 [15,16]HV Amplifier±5 kV
MatsusadaAMPS-10B40 [13]HV Amplifier±40 kV
Peta-Pico-Voltron[10,17,18]HVPS0–4 kv
Artimus RoboticsPS2-10-030-08 [19]HVPS0–10 kV
Table 2. HV components used in HASEL research on HVPSs, including their manufacturers, model, description, and output voltage.
Table 2. HV components used in HASEL research on HVPSs, including their manufacturers, model, description, and output voltage.
ManufacturerModelDescriptionOutput Voltage
XP PowerCB101 [16]DC-DC converter10 kV
Q101 [21]DC-DC converter10 kV
Advanced EnergyUltraVolt 10A24-P30DC-DC converter10 kV
Voltage Multipliers Inc.OC100HG [10,17,18]Optocoupler10 kV
OZ100SG [20,22]Optical diode used with an IR LED10 kV
Infineon TechnologiesIPN95R3K7P7m [12]MOSFET1 kV
Table 3. Results from the characterisation of 15 High-Frequency Coil Arc Generators, including the primary and secondary inductance, maximum primary voltage (varied by the impedance of the coil), maximum secondary voltage, frequency, and step-up ratio of the transformer.
Table 3. Results from the characterisation of 15 High-Frequency Coil Arc Generators, including the primary and secondary inductance, maximum primary voltage (varied by the impedance of the coil), maximum secondary voltage, frequency, and step-up ratio of the transformer.
Transformer No.Primary Inductance (µH)Secondary Inductance (mH)Max.
Primary Voltage (VPP)
Max.
Secondary Voltage (VPP)
RatioFrequency
(kHz)
169.991021.85.68325.3657.2875.00
264.86678.35.78362.662.7395.09
380.11156.45.68357.762.9871.10
488.381269.95.88363.5861.8372.00
587.5412605.98363.5860.8067.60
6 *98.43OL6.2793.1014.85114.78
738.81763.85.68404.7471.2688.08
868.67937.65.78374.3664.7780.18
959.74806.35.78371.4264.2682.58
10 *86.48OL5.98123.4820.6588.48
1197.611394.25.88344.9658.6768.38
1261.78917.75.78351.8260.8777.18
1379.881347.06.08335.1655.1368.00
1477.771119.25.88360.6461.3371.99
1583.521280.85.88333.256.6771.29
Average73.741073.315.83357.6261.4376.04
* Faulty transformer ignored in the averaging.
Table 4. The cost breakdown of the HVPS includes its HV components, LV components, and the PCB. Each component includes the component name, supplier, part number (if available), unit cost, and total cost in AUD and USD.
Table 4. The cost breakdown of the HVPS includes its HV components, LV components, and the PCB. Each component includes the component name, supplier, part number (if available), unit cost, and total cost in AUD and USD.
HV ComponentsSupplierUnit CostQuantity RequiredTotal Cost AUDTotal Cost USD
1NF 10 KV HV CapacitorsAliExpressAUD0.2368AUD 1.88USD1.23
5 mA 20 kV HV DiodeAliExpressAUD0.398AUD 3.12USD2.05
Coil Arc Generator Step-up Boost Converter Power TransformerAliExpressAUD0.642AUD 1.28USD0.84
SubtotalAUD 6.28USD4.12
LV ComponentsSupplierPart No.Unit CostQuantity RequiredTotal Cost
AUD
Total Cost
USD
DRV8841 Dual H-Bridge Driver ICTexas InstrumentsDRV8841PAUD 2.7051AUD 2.71USD 1.78
LM555 TimerTexas InstrumentsLM555CMAUD 1.0181AUD 1.02USD 0.67
Electrolytic Capacitor 470UF 25 VMouserEEE-FK1E471PAUD 0.7991AUD 0.80USD 0.52
Electrolytic Capacitor 220 uF 25 VMouserEEE-1EA221UPAUD 0.5841AUD 0.54USD 0.35
Power InductorsMouser7447709221AUD 3.0901AUD 3.09USD 2.03
Diodes 400 mW 100 VrrmMouser1N4148W-13-FAUD 0.1261AUD 0.13USD 0.09
Schottky Diodes 2.0 Amp 40 VMouserSSA24-E3/61TAUD 0.4361AUD 0.44USD 0.29
N-Ch MOSFET 60 Volt 35 AmpMouserSTD30NF06LT4AUD 1.9601AUD 1.96USD 1.28
Trimmer ResistorsMouser3361P-1-103GLFAUD 1.4801AUD 1.48USD 0.97
Ceramic Capacitor 100 V 100 pFMouserC1206C101F1GACTUAUD 0.7114AUD 2.84USD 1.86
10 k Resistors 1/4 WMouserCRCW120610K0JNEBAUD 0.0422AUD 0.08USD 0.05
FireBeetle ESP32 IOT Microcontroller (Supports Wi-Fi and Bluetooth)Core Electronics AUD 17.801AUD 17.80USD 11.67
SubtotalAUD 32.45USD 21.27
AdditionalSupplierPurchase CostQuantityQty RequiredQty Required CostTotal Cost
AUD
Total Cost
USD
Four-layer 66 × 111.8 FR-4 PCBPCBWayUSD 100.14 *101USD 10.01AUD 15.26USD 10.01
Potting Compound Silicone 1 kg PCT-7000YAltronicsAUD 203.41 kg176 gAUD 35.34AUD 35.34USD 23.17
SubtotalAUD 50.60USD 33.17
TotalAUD 83.05USD 54.45
* Includes shipping.
Table 5. The results from testing were the measured input current as the control voltage and load current increased. The current limit for the programmable power supply and the DRV8841 was exceeded, which was 3 A, so no value was taken at the 4 V control voltage with the 500 mA load current.
Table 5. The results from testing were the measured input current as the control voltage and load current increased. The current limit for the programmable power supply and the DRV8841 was exceeded, which was 3 A, so no value was taken at the 4 V control voltage with the 500 mA load current.
ILoad (mA)VOUT
at 2 V Ctrl (V)
VOUT
at 2.5 V Ctrl (V)
VOUT
at 3 V Ctrl (V)
VOUT
at 3.5 V Ctrl (V)
VOUT
at 4 V Ctrl (V)
030.01 ± 0.0338.54 ± 0.0040.09 ± 0.5339.96 ± 0.0740.57 ± 0.00 *
10014.39 ± 0.2225.06 ± 0.0227.70 ± 0.1026.65 ± 0.3128.11 ± 0.00 *
20011.62 ± 0.1518.79 ± 0.1122.51 ± 0.2322.33 ± 0.4822.38 ± 0.00 *
3009.83 ± 0.1515.07 ± 0.0617.94 ± 0.1417.82 ± 0.4118.38 ± 0.00 *
4008.02 ± 0.0112.06 ± 0.0214.02 ± 0.0213.93 ± 0.1514.60 ± 0.00 *
5007.76 ± 0.0410.11 ± 0.0410.94 ± 0.1110.26 ± 0.12NA **
* No standard deviation as only one value was measured. ** The 3 A current limit of the power supply was exceeded.
Table 6. The results of testing the input current as the control voltage and load current increased.
Table 6. The results of testing the input current as the control voltage and load current increased.
ILoad (mA)IIN at
2 V Ctrl (mA)
IIN at
2.5 V Ctrl (mA)
IIN at
3 V Ctrl (mA)
IIN at
3.5 V Ctrl (mA)
IIN at
4 V Ctrl (mA)
069.33 ± 0.58112.00 ± 0.00142.33 ± 1.15148.33 ± 1.53158 ± 0.00 *
100310.00 ± 6.08613.00 ± 0.00711.00 ± 5.57672.33 ± 5.69734 ± 0.00 *
200485.67 ± 5.51947.00 ± 6.241308.33 ± 8.021264.00 ± 7.001214 ± 0.00 *
300649.00 ± 16.521197.33 ± 2.521820.00 ± 8.001822.33 ± 5.861737 ± 0.00 *
400717.00 ± 7.551300.67 ± 1.532268.00 ± 5.202371.33 ± 5.512273 ± 0.00 *
500914.00 ± 5.571407.67 ± 17.932542.00 ± 11.272897.67 ± 8.50>3000 **
* No standard deviation as only one value was measured. ** The 3 A current limit of the power supply was exceeded.
Table 7. The boost converter input power, calculated from Equation (1), as the control voltage (V Ctrl) and load current (ImA) increased.
Table 7. The boost converter input power, calculated from Equation (1), as the control voltage (V Ctrl) and load current (ImA) increased.
ILoad (mA)PIN at
2 V Ctrl (W)
PIN at
2.5 V Ctrl (W)
PIN at
3V Ctrl (W)
PIN at
3.5 V Ctrl (W)
PIN at
4 V Ctrl (W)
00.4160.6720.8540.890.948
1001.863.6784.2664.0344.404
2002.9145.6827.857.5847.284
3003.8947.18410.9210.93410.422
4004.3027.80413.60814.22813.638
5005.4848.44615.25217.386NA *
* The 3 A current limit of the power supply was exceeded.
Table 8. The boost converter output power, calculated from Equation (2), as the control voltage (V Ctrl) and load current (ImA) increased.
Table 8. The boost converter output power, calculated from Equation (2), as the control voltage (V Ctrl) and load current (ImA) increased.
ILoad (mA)POUT at
2 V Ctrl (W)
POUT at
2.5 V Ctrl (W)
POUT at
3 V Ctrl (W)
POUT at
3.5 V Ctrl (W)
POUT at
4 V Ctrl (W)
00.000.000.000.000.00
1001.442.512.772.662.81
2002.323.764.504.474.48
3002.954.525.385.355.52
4003.214.825.615.575.84
5003.885.065.475.13NA *
* The 3 A current limit of the power supply was exceeded.
Table 9. The boost converter’s efficiency, calculated from Equation (3), as the control voltage and load current increased.
Table 9. The boost converter’s efficiency, calculated from Equation (3), as the control voltage and load current increased.
ILoad (mA)η at 2V Ctrl
(%)
η at 2.5V Ctrl (%)η at 3V Ctrl
(%)
η at 3.5V Ctrl (%)η at 4V Ctrl
(%)
00%0%0%0%0%
10077%68%65%66%64%
20080%66%57%59%61%
30076%63%49%49%53%
40075%62%41%39%43%
50071%60%36%30%NA *
* The 3 A current limit of the power supply was exceeded.
Table 10. The difference between the measured duty cycle and the value set through the serial port.
Table 10. The difference between the measured duty cycle and the value set through the serial port.
Input Voltage (V)AOUT1
Difference (%)
AOUT2
Difference (%)
BOUT1
Difference (%)
BOUT2
Difference (%)
10% Duty Cycle
102.69 ± 1.503.31 ± 1.692.14 ± 1.703.17 ± 1.71
154.20 ± 0.023.96 ± 0.272.78 ± 1.582.98 ± 1.71
202.10 ± 1.692.03 ± 1.692.46 ± 1.491.92 ± 1.66
253.74 ± 0.232.82 ± 1.612.81 ± 0.071.50 ± 1.60
Average3.18 ± 1.303.03 ± 1.442.55 ± 1.212.39 ± 1.60
20% Duty Cycle
103.21 ± 0.023.10 ± 0.012.94 ± 0.022.97 ± 0.01
153.05 ± 0.032.90 ± 0.012.75 ± 0.022.80 ± 0.01
202.88 ± 0.013.51 ± 1.262.90 ± 1.242.64 ± 0.02
252.15 *2.69 *2.43 *
Average2.82 ± 0.313.05 ± 0.312.75 ± 0.662.80 ± 0.60
30% Duty Cycle
104.93 ± 0.043.87 ± 1.682.81 ± 1.643.75 ± 1.68
153.47 ± 1.502.39 ± 1.133.89 ± 0.574.24 ± 0.57
203.32 ± 1.482.58 ± 1.682.46 ± 1.214.03 ± 0.52
254.57 *3.46 *0.82 *1.28 *
Average4.07 ± 0.143.08 ± 1.252.49 ± 1.424.01 ± 1.37
40% Duty Cycle
103.82 *0.76 *3.50 *3.54 *
152.20 ± 1.473.09 ± 0.742.93 ± 0.733.38 ± 0.02
203.47 ± 0.022.73 ± 0.642.72 ± 0.003.17 ± 0.05
252.50 ± 0.723.52 ± 0.432.60 ± 1.511.45 ± 0.13
Average3.00 ± 1.242.52 ± 1.012.94 ± 0.962.88 ± 0.91
* No standard deviation as only one value was measured.
Table 11. The averaged results from the DC drift measurements. VTOP indicates the middle value of the high-voltage signal and VBASE indicates the middle value of the low-voltage signal. VDIFF is the difference between VTOP and VBASE. Note that the VDIFF stays relatively constant.
Table 11. The averaged results from the DC drift measurements. VTOP indicates the middle value of the high-voltage signal and VBASE indicates the middle value of the low-voltage signal. VDIFF is the difference between VTOP and VBASE. Note that the VDIFF stays relatively constant.
Ground Link Resistance (MΩ)VTOP (V)VBASE (V)VDIFF (V)
10760.50 ± 27.58−24.38 ± 1.38784.88
20982.51 ± 23.0621.15 ± 2.82961.36
301104.50 ± 7.43126.88 ± 0.00977.6
401154.93 ± 18.49214.72 ± 0.00940.21
501202.10 ± 14.93278.16 ± 0.00923.94
601233.03 ± 18.49330.21 ± 2.82902.82
701273.70 ± 0.00369.25 ± 2.82904.45
801327.37 ± 8.43401.79 ± 2.82925.58
901337.13 ± 17.61429.44 ± 0.00 907.69
1001374.53 ± 12.29453.84 ± 0.00920.69
OC760.50 ± 11.26831.23 ± 11.27912.57
Table 12. The averaged results from the HVPS output measurements recorded with a 20 MΩ ground loop. Measurements were taken at 10%, 20%, 30%, and 40% duty cycles. VPP indicates the peak-to-peak voltage taken from the oscilloscope.
Table 12. The averaged results from the HVPS output measurements recorded with a 20 MΩ ground loop. Measurements were taken at 10%, 20%, 30%, and 40% duty cycles. VPP indicates the peak-to-peak voltage taken from the oscilloscope.
HVPS Output with 20 MΩ Ground Loop
Peak-to-Peat Output Voltage (kV)
Input Voltage (V)10%
Duty Cycle
20%
Duty Cycle
30%
Duty Cycle
40%
Duty Cycle
101205.37 ± 14.652314.73 ± 2.833100.37 ± 5.663481.40 ± 14.93
111301.37 ± 2.832524.60 ± 2.773377.17 ± 5.603787.53 ± 5.65
121421.73 ± 2.832790.97 ± 14.923657.27 ± 5.664103.40 ± 9.79
131540.43 ± 10.142992.87 ± 5.663943.83 ± 11.324445.37 ± 9.75
141706.37 ± 7.483165.50 ± 0.004201.10 ± 0.004728.70 ± 0.00
151797.50 ± 15.693390.17 ± 16.924474.67 ± 16.925135.00 ± 11.25
161846.23 ± 2.833592.13 ± 5.664564.97 ± 150.285440.50 ± 38.99
171958.53 ± 5.663787.53 ± 5.665102.50 ± 11.265733.00 ± 0.00
182069.13 ± 8.433986.27 ± 0.125362.50 ± 33.776051.50 ± 11.25
192147.20 ± 4.904142.50 ± 0.005616.00 ± 0.006396.00 ± 19.49
202238.27 ± 5.664318.33 ± 9.755876.00 ± 29.796695.00 ± 22.51
212340.77 ± 19.704582.13 ± 19.556149.00 ± 11.267007.00 ± 11.25
222427.00 ± 36.634904.53 ± 25.876448.00 ± 11.267299.50 ± 11.25
232522.97 ± 4.855213.00 ± 11.266682.00 ± 11.267611.50 ± 29.78
242673.73 ± 5.665219.50 ± 22.526896.50 ± 22.527969.00 ± 29.78
252777.97 ± 5.665362.50 ± 0.007143.50 ± 29.798209.50 ± 0.00
Table 13. The averaged results from the HVPS output measurements recorded with a 40 MΩ ground loop. Measurements were taken at 10%, 20%, 30%, and 40% duty cycles. VPP indicates the peak-to-peak voltage taken from the oscilloscope.
Table 13. The averaged results from the HVPS output measurements recorded with a 40 MΩ ground loop. Measurements were taken at 10%, 20%, 30%, and 40% duty cycles. VPP indicates the peak-to-peak voltage taken from the oscilloscope.
HVPS Output with 40 MΩ Ground Loop
Peak-to-Peak Output Voltage (kV)
Input Voltage (V)10%
Duty Cycle
20%
Duty Cycle
30%
Duty Cycle
40%
Duty Cycle
101525.83 ± 2.82976.57 ± 2.804095.00 ± 0.004559.33 ± 2.83
111636.43 ± 1.413321.80 ± 4.904393.23 ± 2.834948.55 ± 3.5
121763.30 ± 5.633575.80 ± 0.004728.70 ± 0.005421.00 ± 0.00
131939.00 ± 18.483794.03 ± 2.805167.50 ± 9.755863.00 ± 11.25
142117.90 ± 2.454041.53 ± 2.835525.00 ± 5.636240.00 ± 0.00
152134.20 ± 34.534282.53 ± 2.805863.00 ± 11.266643.00 ± 5.62
162314.73 ± 1.414549.57 ± 2.806220.50 *7124.00 ± 11.25
172466.03 ± 5.104793.83 ± 2.836610.50 ± 13.797494.50 ± 5.62
182598.85 ± 6.895012.00 ± 4.906981.00 ± 9.757897.50 ± 13.78
192716.10 ± 0.005313.75 ± 6.897299.50 ± 14.898316.75 ± 6.89
202891.90 ± 0.005551.00 ± 5.637631.00 ± 20.30
213038.50 *6201.00 ± 144.297969.00 ± 14.89
223145.90 *6542.25 ± 6.898345.70 ± 9.98
233302.25 ± 13.826818.50 ± 14.898716.50 ± 9.75
243416.27 ± 7.466971.25 ± 20.689048.00 ± 9.75
253497.65 ± 6.896929.00 ± 24.549425.00 ± 20.3
* No standard deviation as only one value was taken.
Table 14. The averaged results from the HVPS output measurements recorded with a 60 MΩ ground loop. Measurements were taken at 10%, 20%, 30%, and 40% duty cycles. VPP indicates the peak-to-peak voltage taken from the oscilloscope.
Table 14. The averaged results from the HVPS output measurements recorded with a 60 MΩ ground loop. Measurements were taken at 10%, 20%, 30%, and 40% duty cycles. VPP indicates the peak-to-peak voltage taken from the oscilloscope.
HVPS Output with 60 MΩ Ground Loop
Peak-to-Peak Output Voltage (kV)
Input Voltage (V)10%
Duty Cycle
20%
Duty Cycle
30%
Duty Cycle
40%
Duty Cycle
101677.07 ± 3.713422.77 ± 5.664487.67 ± 5.665115.50 ± 11.26
111829.97 ± 6.453725.50 ± 14.705047.40 ± 289.815557.50 ± 27.57
122015.43 ± 6.453953.60 ± 11.265369.00 ± 11.266006.00 ± 0.00
132246.40 ± 7.854230.40 ± 0.005752.50 ± 27.586467.50 ± 11.25
142310.65 ± 1.734523.50 ± 0.006171.75 ± 13.796929.00 ± 11.25
152469.27 ± 4.884806.85 ± 13.796571.50 ± 0.007371.00 ± 19.50
162663.93 ± 2.835154.50 ± 11.266981.00 ± 33.777832.50 ± 11.25
172794.20 *5411.25 ± 13.797341.75 ± 13.798235.50 ± 11.25
182944.03 ± 2.805635.50 ± 27.587715.50 ± 11.268697.00 ± 0.00
193178.50 ± 10.175902.00 ± 40.598053.50 ± 0.00
203253.43 ± 8.466168.50 ± 22.528437.00 ± 11.26
213396.73 ± 2.836415.50 ± 27.588840.00 ± 11.26
223539.97 ± 2.836649.50 ± 0.009243.00 ± 19.50
233686.57 ± 2.836922.50 ± 0.009652.50 ± 27.58
243813.57 ± 2.837163.00 ± 11.2610055.67 ± 10.97
253875.43 ± 5.667371.00 ± 58.50
* No standard deviation as only one value was taken.
Disclaimer/Publisher’s Note: The statements, opinions and data contained in all publications are solely those of the individual author(s) and contributor(s) and not of MDPI and/or the editor(s). MDPI and/or the editor(s) disclaim responsibility for any injury to people or property resulting from any ideas, methods, instructions or products referred to in the content.

Share and Cite

MDPI and ACS Style

Tynan, L.; Gunawardana, U.; Liyanapathirana, R.; Perera, O.; Esposito, D.; Centracchio, J.; Gargiulo, G. Low-Cost High-Voltage Power Supply for Hydraulically Amplified Self-Healing Electrostatic Applications. Machines 2024, 12, 758. https://doi.org/10.3390/machines12110758

AMA Style

Tynan L, Gunawardana U, Liyanapathirana R, Perera O, Esposito D, Centracchio J, Gargiulo G. Low-Cost High-Voltage Power Supply for Hydraulically Amplified Self-Healing Electrostatic Applications. Machines. 2024; 12(11):758. https://doi.org/10.3390/machines12110758

Chicago/Turabian Style

Tynan, Levi, Upul Gunawardana, Ranjith Liyanapathirana, Osura Perera, Daniele Esposito, Jessica Centracchio, and Gaetano Gargiulo. 2024. "Low-Cost High-Voltage Power Supply for Hydraulically Amplified Self-Healing Electrostatic Applications" Machines 12, no. 11: 758. https://doi.org/10.3390/machines12110758

APA Style

Tynan, L., Gunawardana, U., Liyanapathirana, R., Perera, O., Esposito, D., Centracchio, J., & Gargiulo, G. (2024). Low-Cost High-Voltage Power Supply for Hydraulically Amplified Self-Healing Electrostatic Applications. Machines, 12(11), 758. https://doi.org/10.3390/machines12110758

Note that from the first issue of 2016, this journal uses article numbers instead of page numbers. See further details here.

Article Metrics

Back to TopTop