Analysis of the Interaction of Robots as Part of a Robotic System for Biomaterial Aliquotation
Abstract
1. Introduction
- The concept of choosing the relative position of robots based on the analysis of workspaces.
- An algorithm for determining the work safety zone and workspace of an individual manipulator.
- An algorithm for determining the permissible workspace and work safety zone of the manipulator, taking into account the work safety zone of the manipulator installed nearby and other obstacles.
- An analysis of various methods of interaction of manipulators during joint manipulation of objects and their analysis.
2. The System Model
- The workspaces of the robots should intersect, since the robots should perform operations with the same objects (test tubes);
- During operations that do not involve interaction, the areas in which the robot links move should not intersect. This should be taken into account when searching for acceptable ranges of robot movement.
2.1. Delta Robot
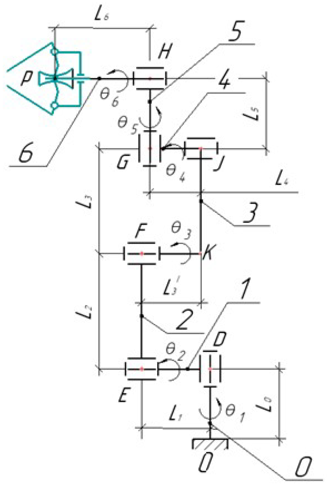
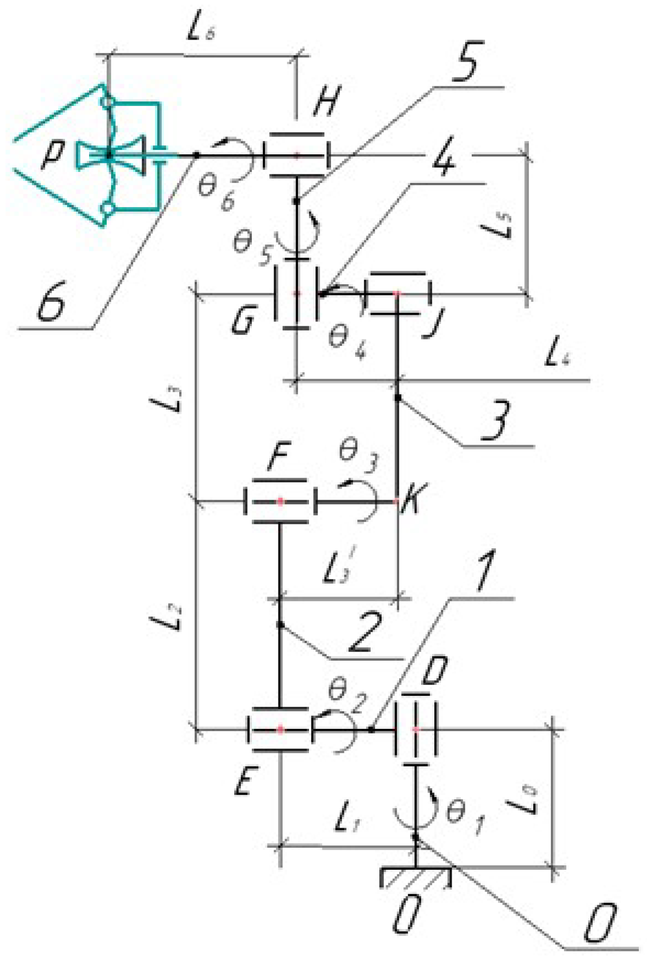
2.2. Serial Robot
- Formula (1) is a solution to the inverse kinematics for a delta robot and is necessary both for calculating the coordinates of the links in subsequent formulas and for checking the reachability of the position, which will be used in subsequent sections.
3. Algorithm for Determining the Work Safety Zone
4. Determination of the Location and Permissible Ranges of Motion of the Serial Robot
4.1. Defining the Workspace of the Delta Robot
4.2. Defining the Workspace of the Serial Robot
4.3. Calculating the Relative Position of Robots
4.4. Defining Work Safety Zone of the Delta Robot for Various Scenarios
4.5. Defining the Workspace and Work Safety Zone of a Serial Robot, Taking into Account the Work Safety Zone of a Delta Robot Under Various Scenarios
5. Results of Modeling of Workspaces and Work Safety Zones
6. Analysis of Robot Interaction
6.1. Interaction at the Point of Photographing
6.2. Transferring an Interaction Point
- 1.
- During the movement of the delta robot, it traverses the distance from the starting point (, ) to the interaction point (0, y):where is the velocity of movement of the delta robot, is the time of its delay, and t is the time of movement of the serial robot.
- 2.
- For half the time of movement of the serial robot from the rest state (0, ), it covers half of the distance:where is the start time of the serial robot (the duration of segment I in Figure 27), is the moment in time when, starting from rest and accelerating at , the serial robot reaches its maximum permissible velocity.
- Based on the analysis of the photographic image of the test tube, the levels of fraction separation and the number of aliquots are determined.
- One of two events is expected: either the insertion of the dosing device tip by the delta robot or the moving of a test tube to the photography area by the serial robot.
- If the installation of the dosing device tip is completed earlier than the moving test tube arrives at the photography zone, the photography point is designated as the interaction point, and the algorithm finishes.
- Considering the current position of the delta robot and the previously determined number of aliquots, the time required for it to reach the photography point is predictable.
- If the forecast indicates that there will be no delay with the delta robot, the photography point is assigned as the interaction point, and the algorithm finishes.
6.3. Interaction in Motion
7. Conducting Experiments on Real Robots
8. Conclusions
Author Contributions
Funding
Data Availability Statement
Conflicts of Interest
References
- Tarbouriech, S.; Navarro, B.; Fraisse, P.; Crosnier, A.; Cherubini, A.; Salle, D. Admittance control for collaborative dual-arm manipulation. In Proceedings of the 19th International Conference on Advanced Robotics, Belo Horizonte, Brazil, 2–6 December 2019; Volume 8981624, pp. 198–204. [Google Scholar]
- Huang, C.; Zhou, S.; Li, J.; Radwin, R. Allocating Robots/Cobots to Production Systems for Productivity and Ergonomics Optimization. IEEE Trans. Autom. Sci. Eng. 2023, 21, 2841–2855. [Google Scholar] [CrossRef]
- Desai, J.P.; Ostrowski, J.; Kumar, V. Controlling formations of multiple mobile robots. In Proceedings of the IEEE International Conference on Robotics and Automation, Leuven, Belgium, 20–20 May 1998; Volume 4, pp. 2864–2869. [Google Scholar]
- Lewis, M.A.; Tan, K.H. High precision formation control of mobile robots using virtual structures. Auton. Robots 1997, 4, 387–403. [Google Scholar] [CrossRef]
- Sandeep, S.; Fidan, B.; Yu, C. Decentralized cohesive motion control of multi-agent formations. In Proceedings of the 14th Mediterranean Conference on Control and Automation, Ancona, Italy, 28–30 June 2006; pp. 1–6. [Google Scholar]
- Olfati-Saber, R.; Murray, R.M. Distributed cooperative control of multiple vehicle formations using structural potential functions. IFAC Proc. 2002, 15, 242–248. [Google Scholar] [CrossRef]
- Balch, T.; Arkin, R.C. Behavior-based formation control for multi robot teams. Robotics and Automation. IEEE Trans. 1998, 14, 926–939. [Google Scholar]
- Eren, T.; Belhumeur, P.N.; Anderson, B.D.; Morse, A.S. A framework for maintaining formations based on rigidity. In Proceedings of the 15th IFAC World Congress, Barcelona, Spain, 21–26 July 2002; pp. 2752–2757. [Google Scholar]
- Areak, M. Passivity as a design tool for group coordination. In Proceedings of the IEEE American Control Conference, Minneapolis, MN, USA, 14–16 June 2006; p. 6. [Google Scholar]
- Wang, C.; Xie, G.; Cao, M. Forming circle formations of anonymous mobile agents with order preservation. IEEE Trans. Autom. Control 2013, 58, 3248–3254. [Google Scholar] [CrossRef]
- Ferber, J. Multi-Agent Systems an Introduction to Distributed Artificial Intelligence; Addison-Wesley Reading: Boston, MA, USA, 1999; Volume 1. [Google Scholar]
- Buhla, J.F.; Gronhoj, R.; Jorgensen, J.K.; Mateus, G.; Pinto, D.; Sorensen, J.K.; Bogh, S.; Chrysostomou, D. A Dual-arm Collaborative Robot System for the Smart Factories of the Future. Procedia Manuf. 2019, 38, 333–340. [Google Scholar] [CrossRef]
- Yan, L.; Stouraitis, T.; Vijayakumar, S. Decentralized Ability-Aware Adaptive Control for Multi-Robot Collaborative Manipulation. IEEE Robot. Autom. Lett. 2021, 6, 2311–2318. [Google Scholar] [CrossRef]
- Wang, M. Adaptive Control Strategy for Robot Motion Planning in Complex Environments. Sci. J. Intell. Syst. Res. 2024, 6, 1–5. [Google Scholar] [CrossRef]
- Xiao, F.; Li, B.; Huang, H.; Xi, F. Obstacle Avoidance of Multiple Manipulators Based on 3D Artificial Potential Field Method. In Proceedings of the 2021 IEEE 11th Annual International Conference on CYBER Technology in Automation, Control, and Intelligent Systems, Jiaxing, China, 27–31 July 2021; pp. 198–203. [Google Scholar]
- Guclu, E.; Örnek, Ö.; Ozkan, M.; Yazici, A.; Demirci, Z. An Online Distance Tracker for Verification of Robotic Systems Safety. Sensors 2023, 23, 2986. [Google Scholar] [CrossRef]
- Rana, A.S.; Zalzala, A.M.S. Near Time-Optimal Collision-Free Motion Planning of Robotic Manipulators Using an Evolutionary Algorithm. Robotica 1996, 14, 621–632. [Google Scholar] [CrossRef]
- Yang, L.; Li, P.; Wang, T.; Miao, J.; Tian, J.; Chen, C.; Tan, J.; Wang, Z. Multi-area collision-free path planning and efficient task scheduling optimization for autonomous agricultural robots. Sci. Rep. 2024, 14, 18347. [Google Scholar] [CrossRef] [PubMed]
- Di Castro, M.; Mulero, D.B.; Ferre, M.; Masi, A. Real-time reconfigurable collision avoidance system for robot manipulation. In Proceedings of the 3rd International Conference on Mechatronics and Robotics Engineering, Paris, France, 8–12 February 2017; Volume F128050, pp. 6–10. [Google Scholar]
- Sharkawy, A.-N.; Koustoumpardis, P.N.; Aspragathos, N.A. Manipulator collision detection and collided link identification based on neural networks. Mech. Mach. Sci. 2019, 67, 3–12. [Google Scholar]
- Rosenfeld, A.; Kaminka, G.; Kraus, S. Adaptive Robot Coordination Using Interference Metrics. In Proceedings of the 16th European Conference on Artificial Intelligence, Valencia, Spain, 22–27 August 2004; pp. 910–916. [Google Scholar]
- Malyshev, D.; Rybak, L.; Carbone, G.; Semenenko, T.; Nozdracheva, A. Optimal Design of a Parallel Manipulator for Aliquoting of Biomaterials Considering Workspace and Singularity Zones. Appl. Sci. 2022, 12, 2070. [Google Scholar] [CrossRef]
- The Delta Parallel Robot. Kinematics Solutions. Available online: https://people.ohio.edu/williams/html/PDF/DeltaKin.pdf (accessed on 9 April 2025).
- Rybak, L.; Cherkasov, V.; Malyshev, D.; Diakonov, D.; Carbone, G. New Design of the Gripper and Its Orientation Algorithm for Placing Test Tubes and Racks with a Robotic System for Aliquoting Bio-materials. Mech. Mach. Sci. 2024, 165, 192–203. [Google Scholar]
- Rybak, L.; Carbone, G.; Malyshev, D.; Nozdracheva, A.; Dyakonov, D.; Cherkasov, V. Algorithms for Determinating the Work Safety Zones of Manipulators of Various Structures as Part of a Multi-The Robotic System. I4SDG 2025, 2021; submitted. [Google Scholar]
- Behera, L.; Rybak, L.; Malyshev, D.; Gaponenko, E. Determination of Workspaces and Intersections of Robot Links in a Multi-Robotic System for Trajectory Planning. Appl. Sci. 2021, 11, 4961. [Google Scholar] [CrossRef]
- AUBO-i5. Collaborative Lightweight Robot. Available online: https://www.netetrade.com/media/aubo-robotics-usa/files/5c7b8264-6b52-4e59-b4c2-a8fc7d6233f8.pdf (accessed on 9 April 2025).

















































| Type of Workspace | Volume, m3 | ||
|---|---|---|---|
| The Original | Taking into Account the Limitations of the Table and the Delta Robot in the Home Position | Taking into Account the Limitations of the Table and the Delta Robot During Dosing | |
| No restrictions on orientation of the end effector | 4.056 | 2.528 | 1.186 |
| With a restriction (16) on the orientation of the end effector for carrying a rack | 3.3195 | 1.825 | 0.77 |
| With a restriction (17) on the orientation of the end effector for transferring tubes | 3.928 | 2.446 | 1.162 |
| Experiment | Delta Robot Delay | Average Time for a Series of Experiments | |
|---|---|---|---|
| 2 s | 4 s | ||
| Interaction at the photographing point | 9.1 | 11.1 | 9.3 |
| Interaction at the calculated point | 7.5 | 7.1 | 7.6 |
| Interaction at the photographing point, simulated liquid intake in motion | 7.8 | 9.8 | 7.7 |
| Interaction at the calculated point, simulated liquid intake in motion | 6.2 | 6.7 | 6.3 |
Disclaimer/Publisher’s Note: The statements, opinions and data contained in all publications are solely those of the individual author(s) and contributor(s) and not of MDPI and/or the editor(s). MDPI and/or the editor(s) disclaim responsibility for any injury to people or property resulting from any ideas, methods, instructions or products referred to in the content. |
© 2025 by the authors. Licensee MDPI, Basel, Switzerland. This article is an open access article distributed under the terms and conditions of the Creative Commons Attribution (CC BY) license (https://creativecommons.org/licenses/by/4.0/).
Share and Cite
Khalapyan, S.; Rybak, L.; Malyshev, D.; Cherkasov, V.; Vorobyev, V. Analysis of the Interaction of Robots as Part of a Robotic System for Biomaterial Aliquotation. Machines 2025, 13, 310. https://doi.org/10.3390/machines13040310
Khalapyan S, Rybak L, Malyshev D, Cherkasov V, Vorobyev V. Analysis of the Interaction of Robots as Part of a Robotic System for Biomaterial Aliquotation. Machines. 2025; 13(4):310. https://doi.org/10.3390/machines13040310
Chicago/Turabian StyleKhalapyan, Sergey, Larisa Rybak, Dmitry Malyshev, Vladislav Cherkasov, and Vladislav Vorobyev. 2025. "Analysis of the Interaction of Robots as Part of a Robotic System for Biomaterial Aliquotation" Machines 13, no. 4: 310. https://doi.org/10.3390/machines13040310
APA StyleKhalapyan, S., Rybak, L., Malyshev, D., Cherkasov, V., & Vorobyev, V. (2025). Analysis of the Interaction of Robots as Part of a Robotic System for Biomaterial Aliquotation. Machines, 13(4), 310. https://doi.org/10.3390/machines13040310

