Next Article in Journal
A Module Configuration Design Approach for Complex Equipment of Port Shipping Based on Heterogeneous Customer Requirements and Product Operational Data
Previous Article in Journal
A Predictive Maintenance Approach for Composting Plants Based on ERP and Digital Twin Integration
Previous Article in Special Issue
The Research on Multi-Objective Maintenance Optimization Strategy Based on Stochastic Modeling
 
 
Font Type:
Arial Georgia Verdana
Font Size:
Aa Aa Aa
Line Spacing:
Column Width:
Background:
Article

Predicting Operational Reliability of the Directional Control Valves of the Hydraulic Press System Using Taguchi Method and Regression Analysis

by
Borivoj Novaković
,
Mica Djurdjev
*,
Luka Djordjević
,
Vesna Drakulović
,
Ljiljana Radovanović
and
Velibor Premčevski
Department of Mechanical Engineering, Technical Faculty “Mihajlo Pupin”, University of Novi Sad, 23000 Zrenjanin, Serbia
*
Author to whom correspondence should be addressed.
Machines 2025, 13(12), 1124; https://doi.org/10.3390/machines13121124
Submission received: 10 November 2025 / Revised: 3 December 2025 / Accepted: 5 December 2025 / Published: 7 December 2025

Abstract

This paper presents a study that investigates the operational reliability of directional control valves used in hydraulic press systems by applying the Taguchi method and regression analysis. The research focuses on key hydraulic parameters—kinematic viscosity, internal leakage, pressure, and temperature—to identify their influence on valve reliability. Three valves (DCV1–DCV3) were tested under identical conditions using an L8 orthogonal array to optimize the experimental design while maintaining statistical validity. The Taguchi analysis revealed that internal leakage is the dominant factor affecting valve reliability, consistently confirmed across all statistical evaluations, including signal-to-noise (S/N) ratios and ANOVA results. Regression models were developed for each valve to quantify the effect of each factor and showed excellent predictive accuracy (R2 > 98%). The study concludes that minimizing internal leakage, maintaining lower temperatures, and applying higher operating pressures significantly enhance valve reliability, while viscosity had negligible effect within the tested range. Valve DCV2 demonstrated the highest predicted reliability. These findings offer valuable insights for the optimization of hydraulic valve design and maintenance strategies, contributing to the improved performance and longevity of industrial hydraulic systems.

1. Introduction

1.1. Hydraulic Systems

Hydraulic systems are fundamental components of modern industrial and construction machinery, with their operational reliability and efficiency directly influencing overall system performance and long-term service life [1,2]. Hydraulic systems are complex structures composed of numerous subsystems and independently functioning components. The reliability of these systems is influenced by multiple interconnected factors, including environmental conditions, material properties, characteristics of the working fluid, wear processes, load magnitude, operational duration, and the implementation of maintenance procedures for both the entire system and its individual components. Statistical analyses indicate that approximately 60% of hydraulic system failures are attributable to contamination of the working fluid. Such contamination can be prevented either at the design stage through appropriate system engineering or subsequently by optimizing maintenance practices [3,4,5]. Additionally, to ensure the reliable operation of all components within a hydraulic system, it is essential that every system element is properly designed, sized, and parameterized. This guarantees safe and efficient system performance, preventing unexpected overheating and potential hydraulic shocks that could cause internal damage to components and installations [6,7]. Among the most critical elements of any hydraulic system are directional control valves, often regarded as the “brain” of the hydraulic system, as the precision of the system’s ultimate functional output largely depends on their performance [8]. The dependability and operational efficiency of hydraulic valves have a major impact on the overall performance and longevity of the system [9]. The design quality and precision of hydraulic valves critically determine the stability and continuity of operations, thereby contributing substantially to the sustainability and economic efficiency of the entire hydraulic assembly [10]. In addition to the fundamental design of directional control valves, numerous other factors can significantly influence the operational performance of these components, with the quality of the working fluid being one of the most critical [11]. According to catalog specifications, all directional control valves have defined internal leakage rates. However, various testing methods and conditions are applied to assess leakage, and the manner in which such leakage affects the overall performance and reliability of hydraulic systems has been extensively discussed in the literature [12,13,14]. Directional control valves regulate the initiation, interruption, and direction of flow in compressed air and hydraulic systems, and their dynamic response plays a crucial role in the overall system performance. Although high-bandwidth servo valves provide rapid response characteristics, their high cost often makes proportional directional control valves a more practical alternative. To enhance the dynamic behavior of proportional valves, this study explores advanced control strategies that include open-loop compensation based on pole-zero cancelation, adaptive robust control that accounts for parameter uncertainties and nonlinear effects such as friction and flow forces, and output-feedback control designed for systems with unmeasurable states. These approaches collectively aim to improve valve responsiveness and reliability while maintaining cost efficiency within electro-hydraulic applications [15,16].
In addition to internal leakage, a significant issue in electromagnetic directional control valves may be incomplete spool shifting, which leads to operational instability and a loss of control functionality within the system. Furthermore, slow dynamic response caused by fluid contamination or electromagnetic degradation can result in delayed actuation and reduced overall efficiency of the hydraulic assembly. Pressure drops in the system often increase as a result of changes in the internal geometry of directional control valves caused by mechanical damage or insufficient valve opening [17,18,19]. In modern hydraulic systems, the use of proportional valves has become increasingly common, allowing for greater control over the operation of actuators and achieving higher precision. However, the operational challenges remain similar to those encountered with conventional directional control valves, with even stricter requirements regarding manufacturing accuracy of valve geometry, working fluid cleanliness, and proper design of the entire hydraulic system [20,21,22,23].
In this study, the operational reliability of electromagnetic NO10 directional control valves is defined as the ability of the valve to maintain the intended flow direction and pressure control function within prescribed tolerances over repeated press cycles, despite variations in fluid temperature, viscosity, load level, and contamination. From a fluid-dynamic viewpoint, loss of reliability is governed primarily by the clearance flow in the spool–sleeve interface and by the interaction between pressure forces, flow-induced forces, and friction [10,11,17,18,19,20]. Progressive wear, erosion, or contamination-induced scoring increases the effective radial clearance and leads to higher internal leakage, which reduces volumetric efficiency, raises the thermal load on the hydraulic power unit, and accelerates further degradation of the valve. Incomplete spool shifting or misalignment can distort the effective metering geometry, resulting in asymmetric pressure drops, local cavitation, and unstable dynamic response. At elevated fluid temperatures, viscosity reduction weakens the hydrodynamic support in the clearance and promotes mixed lubrication regimes, which intensify wear and leakage. These coupled fluid-dynamic mechanisms ultimately manifest as increased internal leakage, slower and less repeatable spool motion, and degraded pressure stability, which are treated in this work as key symptoms of reduced operational reliability.

1.2. Taguchi Method and Regression Analysis

The Taguchi method is a practical approach to designing experiments that help improve performance and reduce variability in processes. Developed by Japanese quality expert Genichi Taguchi, the method combines the use of orthogonal experimental designs with signal-to-noise (S/N) ratios to find the best settings for process parameters [24,25]. One of its main advantages is that it allows engineers to test several factors at the same time, using a structured table of experiments, instead of changing one factor at a time [26]. The goal is not just to reach a target value, but to make sure that performance stays stable even when conditions vary in real-world use. As noted in [27], the method helps reduce variation around the desired result by applying a simple and effective form of statistical design, known as robust design.
Although the Taguchi method and regression analysis have been widely employed for the optimization of pumps, cooling units, magnetorheological valves, hydraulic mounts, and other fluid-power components, the majority of these studies are primarily performance-oriented. Typical objectives include maximizing hydraulic efficiency, minimizing pressure loss, or improving vibration and stiffness characteristics under controlled laboratory conditions, whereas degradation processes and long-term operational reliability are only indirectly addressed. In the case of hydraulic valves, existing works often investigate either leakage behavior or dynamic response and control accuracy but rarely treat these aspects within a unified reliability framework.
However, the existing literature does not provide a reliability metric that jointly incorporates key fluid-dynamic indicators such as internal leakage, pressure stability, viscosity, and temperature under realistic operating conditions. Moreover, comparative studies that evaluate several electromagnetic directional control valves of the same nominal type under identical industrial boundary conditions, using a statistically structured design of experiments, are practically absent. These unresolved issues motivate the integrated Taguchi–regression framework proposed in this study for directional control valves installed in an industrial hydraulic press system.
Furthermore, the literature does not provide a systematic assessment of how internal leakage, viscosity, pressure, and temperature jointly influence the operational reliability of electromagnetic directional control valves installed in industrial hydraulic press systems [28,29,30,31,32]. In particular, there is a lack of
(i)
Composite reliability metrics that combine multiple fluid-dynamic indicators under realistic operating conditions;
(ii)
Comparative studies that evaluate several valves of the same nominal type under identical boundary conditions using a statistically structured design of experiments.
This study addresses these gaps by integrating Taguchi’s design of experiments with multiple regression modeling to construct and analyze a dimensionless reliability index for three NO10 directional control valves operating in an industrial press. In this way, Taguchi analysis is used to identify the dominant hydraulic parameters, while regression models quantify their individual contributions and provide predictive capability for reliability assessment.
Chen et al. [25] applied the Taguchi method to optimize key parameters of an electro-hydraulic integrated drive system used in vehicles, focusing on improving output power while reducing variability. By using an L9 orthogonal array and analyzing signal-to-noise (S/N) ratios, the authors identify optimal settings for system performance and demonstrate the method’s effectiveness in handling complex multi-parameter systems. Zhang et al. [28] used the Taguchi method and CFD analysis to optimize the design of a multistage centrifugal pump. By testing key geometric parameters, the researchers improved hydraulic efficiency and reduced internal flow losses. Blade outlet angle was found to be the most influential factor. Hu et al. [29] in their paper applied the Taguchi orthogonal array method to optimize the geometric parameters of a radial magnetorheological (MR) valve. The study identifies the influence of each design factor on pressure drop and flow rate, showing that the coil position and core radius significantly affect valve performance. Previous research in hydraulic engineering has primarily focused on the optimization of pumps, cooling units, proportional valves, or magnetorheological (MR) valves, while the operational reliability of electromagnetic directional control valves, especially within industrial hydraulic press systems, has not been thoroughly evaluated using statistical design of experiments. The existing body of literature does not provide a systematic assessment of how internal leakage, viscosity, temperature, and pressure jointly influence the reliability of NO10 directional valves under realistic industrial conditions. This study addresses this research gap by integrating experimental reliability measurements with an advanced statistical framework that combines Taguchi’s design of experiments and regression modeling. Unlike previous works that typically analyze isolated performance parameters, the present study develops a structured reliability metric and applies it to a comparative evaluation of three valves operating under identical boundary conditions. The proposed methodology introduces a transferable analytical framework for quantifying valve degradation mechanisms and supports the development of predictive maintenance strategies in complex hydraulic systems.
Sarma et al. [30] applied the Taguchi method to optimize the design of a hydraulic ram pump by analyzing the effects of waste valve height and pressure chamber height on the output flow rate. Using an L9 orthogonal array and ANOVA (Analysis of Variance), the optimal configuration was determined to deliver 92.81 L/h, confirmed by experiments. The results demonstrate that both parameters significantly influence pump performance, and Taguchi design effectively improves efficiency.
Zhang et al. [31] proposed a Gaussian Variational Bayes Network (GVBN) probabilistic prediction model for the fatigue life of rib-to-deck welds in orthotropic steel bridge decks, trained on a small-sample database compiled from experimental studies and normalized test data. Compared against BPNN, GPR and BNN using metrics such as R2, MSE and RMSE, and interpreted via SHAP global sensitivity analysis, the GVBN model achieved superior fitting and generalization performance, identified average stress ratio as the most influential parameter, and demonstrated that increasing training data size significantly improves prediction accuracy.
The Taguchi method and regression analysis are often used together to enhance experimental design and predictive modeling. While the Taguchi method efficiently identifies optimal factor levels using a reduced number of experiments, regression analysis quantifies the relationship between variables and enables prediction of system behavior. Combined, they offer a powerful approach for both optimization and modeling in engineering applications. Regression analysis is a widely used statistical tool for modeling the relationship between a dependent variable and one or more independent variables, often applied in engineering to predict system behavior and optimize performance. Regression helps quantify the influence of input variables and is especially useful for developing empirical models in experimental studies [32]. In hydraulic systems, regression models are used to identify dominant factors affecting output parameters such as pressure, flow rate, or reliability, and to support design decisions with statistically grounded predictions [33]. While linear regression is frequently used for its simplicity, more advanced forms like polynomial or multiple regression are necessary when factor interactions or nonlinear effects are present [34]. Kocabicak [35] investigated the dynamic stiffness of hydraulic engine mounts using the Taguchi method combined with regression analysis. A Taguchi L16 orthogonal array was used to design experiments involving four key parameters (dynamic hardening, inertia track area, decoupler hardness, fluid volume). The most influential factors were identified using S/N and ANOVA analysis, and regression models were developed to predict dynamic stiffness with high accuracy (R2 = 99.5%). The results confirmed that simplified regression equations based on the most influential parameters could effectively predict mount performance under low-amplitude vibration. Abbaszadeh et al. [36] investigated the impact of threshold placement on energy dissipation in hydraulic jumps beneath sluice gates using experimental methods and regression analysis. By testing different threshold positions—below, upstream tangent, and downstream tangent to the gate—the results demonstrate that submerged thresholds lead to the greatest energy loss. Regression equations were developed to predict energy loss, with statistical validation confirming their high accuracy and reliability. Zhu et al. [37] presented a regression-based model to predict the leakage flow rate in hydraulic valves under different working conditions. By analyzing key influencing parameters such as pressure drop, oil temperature, and clearance geometry, the authors developed an empirical equation validated through experiments. The regression model demonstrated high predictive accuracy, confirming its utility for performance forecasting and design optimization in hydraulic systems.
In summary, the existing applications of Taguchi designs and regression analysis in hydraulic engineering focus mainly on improving efficiency, reducing pressure ripple, optimizing flow distribution, or increasing prediction accuracy for specific components or subsystems, but they rarely address the reliability of directional control valves in an explicit and quantitative manner. The reviewed studies do not introduce a composite reliability metric that jointly accounts for internal leakage, pressure stability, temperature, and viscosity of directional control valves operating in industrial hydraulic presses, nor do they compare several valves of the same nominal type under identical press operating conditions within a structured design of experiments. This lack of studies on directional control valve-oriented reliability defines the main research gap addressed in the present work.
In the broader design-of-experiments context, alternative methodologies such as Response Surface Methodology (RSM), central composite designs or Box–Behnken designs could in principle be used to explore curvature and higher-order interactions between pressure, temperature, viscosity and internal leakage. However, these approaches typically require a substantially larger number of experimental runs, replication and fine-grained parameter variation in order to fit second- or third-order models with sufficient accuracy. In the present industrial setting, each test of a directional control valve must be conducted under high-pressure, thermally stabilized conditions on a production hydraulic press, which makes large factorial or RSM-type designs impractical from both a time and safety perspective. The primary objective of this study was therefore to identify and quantify the dominant physical factors affecting valve reliability under representative industrial conditions rather than to build a detailed high-dimensional response surface. For this reason, a Taguchi L8 orthogonal array was selected as a resource-efficient screening design that provides reliable estimates of main effects with a limited number of trials while preserving the realism of the operating conditions.
According to the review of relevant literature, this study offers the following contributions in the context of hydraulic system reliability analysis:
(1)
The implementation of the Taguchi design of experiments (DOE) methodology for evaluating the reliability of directional control valves within a hydraulic press system, focusing on key parameters such as kinematic viscosity, internal leakage, pressure, and temperature;
(2)
Development of regression models that enable quantitative prediction of valve reliability based on identified influential factors, with high model accuracy;
(3)
A comparative analysis of three valves under identical boundary conditions, demonstrating that internal leakage is the dominant factor affecting system reliability. These findings contribute to the optimization of hydraulic component design and maintenance strategies.
In the context of hydraulic component testing, the Taguchi design of experiments represents a practical and resource-efficient methodology, particularly suitable when experimental trials are time-consuming, costly, and performed under high-pressure industrial conditions. Unlike methodologies such as RSM, which require a significantly larger number of test points to model curvature and interactions, the Taguchi approach enables reliable extraction of dominant factors with a minimal number of experiments. This makes it especially valuable in studies involving hydraulic valves, where each test must be conducted under controlled pressure, thermal stabilization, and safety constraints. More advanced modeling tools such as RSM or machine learning techniques typically require extensive datasets, replication cycles, or continuous real-time measurements to capture nonlinear behavior with sufficient accuracy. Given that the primary objective of this study was to identify and quantify the main physical factors influencing valve reliability under representative industrial conditions, not to construct a high-dimensional predictive model, the Taguchi method provides an optimal balance between experimental feasibility and analytical robustness. These considerations justify its selection as the primary methodology in the present research.
The remainder of this paper is organized in the following manner. Section 2 presents the methodology, including the hydraulic press system, directional control valves, and experimental setup. Section 3 presents and discusses the results obtained from the Taguchi and regression analysis. Finally, Section 4 concludes the study and outlines recommendations for future research.

2. Materials and Methods

2.1. Hydraulic Press System

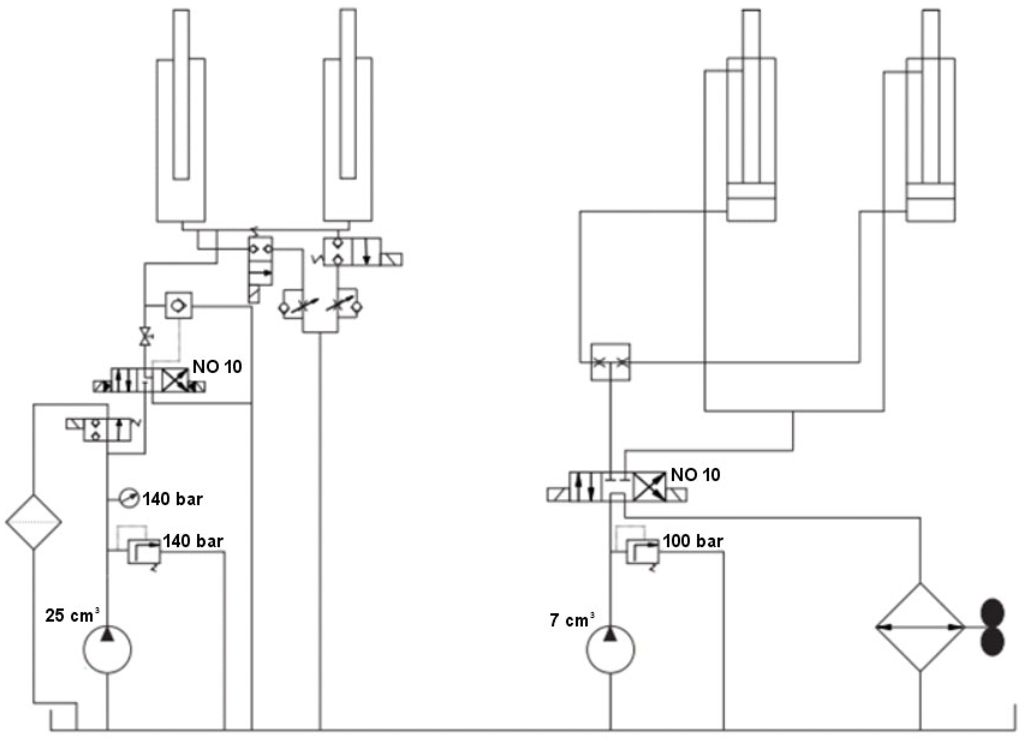
The experimental setup is based on a hydraulic press system designed for forming and assembling fender segments in the automotive industry. The system is equipped with two electromagnetically actuated directional control valves that regulate the flow and direction of the hydraulic fluid. The hydraulic power unit comprises two external gear pumps connected in parallel, with nominal displacements of 25 cm3/rev and 7 cm3/rev, respectively. This configuration enables efficient operation under varying load conditions, providing both high flow capacity during pressing and precise control during positioning.
The press is actuated by four double-acting hydraulic cylinders with a bore diameter of 260 mm, which perform the main forming and clamping operations. Each cylinder is connected to the control manifold through a network of high-pressure hoses and distribution blocks, ensuring synchronized motion and uniform pressure distribution across the working surface.
All components are integrated within a closed-loop hydraulic circuit that includes filtration and pressure regulation units to maintain fluid cleanliness and operational stability. The system design and component selection comply with industrial standards for heavy-duty forming equipment used in automotive manufacturing processes. Figure 1 shows the hydraulic system layout of the press.

2.2. Electromagnetic Directional Control Valves

The hydraulic press system incorporates two electromagnetically actuated directional control valves with a nominal orifice size of NO10. Each valve is designed for a maximum operating pressure of 315 bar and a nominal flow rate of 60 L/min. These valves are responsible for controlling the flow direction and distribution of hydraulic fluid to the actuators, directly influencing the dynamic response and efficiency of the press system.
Both valves are installed within the main control manifold and operate under identical boundary conditions, allowing for comparative experimental analysis. The conducted investigations focus on the internal leakage phenomena occurring within the valve assemblies under varying operating pressures. Such leakage, which manifests through the spool sleeve clearance and internal passage geometry, has a significant effect on volumetric efficiency, thermal load, and overall energy performance of the hydraulic system.
Experimental measurements were performed at different system pressures to quantify leakage characteristics and assess their influence on valve performance and system stability. The obtained data provide the basis for subsequent thermal and efficiency analyses presented in the following sections. Table 1 presents the symbols of the electromagnetic hydraulic directional control valves used in the proposed experiment. Figure 2 shows a cross-sectional view of the directional control valve.
Starting from the fundamental parameters that influence the operational performance of hydraulic directional control valves, the reliability of the system can be considered as a function of the kinematic viscosity of the working fluid ν, the amount of internal leakage Z, the operating pressure p, and the fluid temperature T. Each quantity was normalized with respect to its nominal reference level, enabling direct comparison among valves. The reliability function was computed using Equation (2), where the coefficients quantify the sensitivity of reliability to deviation of each parameter from its reference value. Accordingly, the general mathematical formulation of this functional dependence can be expressed as
R = f ( ν , Z , p , T )
Such a formulation enables a quantitative evaluation of the individual effects of the input parameters on the resulting reliability. To facilitate practical application and predictive capability, the function f is further approximated by a linear model of the following form:
R = R 0 + α 1 ν + α 2 Z + α 3 p + α 4 T
In this expression, R 0 represents the baseline (reference) reliability of the valve under nominal operating conditions, while the coefficients α 1   α 2 , α 3 ,   α 4 ,   define the sensitivity of the reliability to variations in each individual input parameter. Considering that certain interdependencies between parameters and potential nonlinear effects are observed under real operating conditions, the model can be extended in order to improve the accuracy of the prediction. The extended formulation may include interaction and quadratic terms that describe the mutual influence of the parameters and their nonlinear behavior:
R = R 0 + i = 1 4 α i x i + i = 1 4 j = i + 1 4 β i j x i x j + i = 1 4 γ i x i 2 ,
where the set of variables x i includes ν ,   Z ,   p   a n d   T . The coefficients β i j describe parameter interaction effects, while the coefficients γ i represent the contribution of nonlinear behavior, which may become dominant under significant deviations from nominal conditions. In the present work, the linear form defined by Equation (2) is adopted for all subsequent analyses, with the regression coefficients calibrated so that R remains close to 1 for the reference operating condition with minimal internal leakage and stable pressure and decreases as the measured variables deviate from this state.

2.3. Methodology for Experimental Testing of Directional Control Valves

The experimental investigation was conducted using the Taguchi design to systematically analyze the influence of hydraulic parameters on the reliability of electromagnetically actuated directional control valves (NO10). This statistical method allows for the efficient examination of multiple factors and their levels through a reduced number of experimental trials while maintaining the validity of the obtained results. Data acquisition included controlled variation in input parameters under identical boundary conditions for three tested valves (DCV1, DCV2, and DCV3). Valve DCV3 served as a replacement unit used exclusively for testing purposes, featuring identical structural and functional characteristics as valve DCV2. The internal leakage of the tested directional control valves was determined on a specialized hydraulic test bench configured to replicate the real operating conditions of a hydraulic press. The experimental regimes were aligned with the actual load parameters and pressing cycles, so that the pressure differential across the valve corresponded to industrial operating conditions. All tests were conducted at the maximum working pressure of the hydraulic press, 200 bar, ensuring that the measurements reflected the most demanding and highly loaded real conditions under which the valve operates in practice. The flow deviation through the valve was measured using a calibrated high-precision turbine flowmeter, capable of accurately detecting even very low levels of internal leakage. After achieving thermal stability of the hydraulic system, the internal leakage was determined as the average flow measured over an interval of 60 s, based on three consecutive readings to minimize measurement variability.
In each measurement series, the internal leakage test for a given valve lasted approximately 15 min on the leakage test stand, under laboratory conditions with ambient temperature close to room temperature (about 20 °C). For all three valves (DCV1–DCV3), the operating parameters of the test stand (pressure levels, pump displacement and temperature schedule) were adjusted in the same manner, so that the resulting leakage data sets are mutually comparable and correspond to three realizations of the same experimental protocol. The working parameters on the stand were chosen to reproduce the operating conditions of the hydraulic press on which the valves are installed, ensuring that the measured leakage values are representative of the real industrial application. Direct measurement of internal leakage on the press itself is practically not feasible, because the valves are integrated into manifolds at locations that are inaccessible for installing a flowmeter or a dedicated measuring section. This practical constraint is the main reason why the leakage tests were performed on a separate test stand rather than during press operation.
The collected data were processed using ANOVA to quantify the relative contribution of each factor and regression modeling to establish mathematical relationships between input variables and valve performance. This combined methodological framework enabled a structured and statistically grounded evaluation of the operational reliability of directional control valves within the hydraulic press system. In this study, reliability refers to a dimensionless performance index used to quantify the operational quality of the directional control valve under the tested conditions. Reliability was not evaluated in terms of failure rate or probability of malfunction. Instead, R was computed from experimentally measured performance parameters, primarily internal leakage and the dynamic response of the spool. For valve DCV2, for instance, combinations with minimal internal leakage of 5 mL/min yield reliability values between 0.995 and 0.999, whereas combinations with the highest internal leakage level of 105 mL/min result in R values between 0.021 and 0.264 depending on the applied pressure and temperature, as reported in Table 2. In this study, the Taguchi L8 orthogonal array was applied without replicated runs, so this resolution III screening design does not allow a separate estimation of pure experimental error or a detailed evaluation of two-factor interactions, and the identified main effects are therefore interpreted as indicative trends rather than exact quantitative influences.
To perform statistical analysis, authors used Minitab 20.4 software. The reliability analysis of valves DCV1, DCV2, and DCV3 was conducted using the Taguchi L8 orthogonal array, with the aim of identifying the impact of four controlled factors on valve operational reliability. The experimental design included the following four factors—kinematic viscosity (mm2/s), internal leakage (mL/min), pressure (bar), and temperature (°C)—each evaluated at two levels of variation, enabling efficient extraction of the main effects of the factors, though with limited ability to assess interactions due to the absence of replications. Operational reliability R is treated in this work as a dimensionless composite performance indicator that reflects the deviation of the valve from its nominal hydraulic behavior. The metric is constructed from four experimentally measurable hydraulic quantities that directly relate to fluid-dynamic and tribological degradation mechanisms:
  • Internal leakage (Z)—a volumetric flow rate crossing the spool–sleeve clearance under steady-state pressure. It was measured using a calibrated volumetric flow sensor (resolution 0.1 mL/min), under stabilized inlet pressure conditions. Internal leakage represents the most direct manifestation of spool wear, clearance enlargement, and surface degradation. Representative measured values in the experiment ranged from 12 to 36 mL/min.
  • Pressure stability (p)—defined as the fluctuation amplitude of the pressure signal at the valve outlet under constant load. Pressure was recorded using a high-precision piezoresistive pressure transducer (0.25% F.S. accuracy) at a sampling frequency of 1 kHz. Inadequate pressure stability indicates deteriorated flow-force equilibrium, spool misalignment, or contamination-induced friction.
  • Fluid temperature (T)—measured at the valve’s inlet port using Portable Heated Viscometer. Temperature reflects the thermal load acting on the lubrication film within the spool clearance, which accelerates wear and promotes viscosity thinning. During testing, fluid temperature typically ranged between 36 and 52 °C.
  • Kinematic viscosity (ν)—determined indirectly using manufacturer-provided viscosity–temperature correlations for the employed hydraulic oil. Viscosity is a key variable affecting leakage, friction, and hydrodynamic support. Testing was performed using the Portable Heated Viscometer distributed from Hidex, Novo Mesto, Slovenia.
During each experimental run, pressure and temperature signals were recorded continuously over several consecutive operating cycles of the press using a Parker SensoControl Service Master Easy SCKIT-340-PTQ diagnostic kit (Hidex, Novo Mesto, Slovenia) connected to the control manifold. Pressure at the outlet port of the tested valve was measured by a high-accuracy pressure transducer at a sampling interval of 1 ms, which provides sufficient temporal resolution to capture the transient response of the spool and the pump induced pulsations. Fluid temperature at the valve inlet port was measured with the corresponding temperature sensor connected to the same unit and changed only slowly during each test. For each combination of factor levels, a quasi-steady interval during the pressing stage was identified on the pressure trace, when the ram was stationary and the applied load was approximately constant. The mean values of pressure and temperature over this interval were used for the statistical analysis, while the standard deviation of the pressure signal over the same interval was used as the descriptor of pressure stability. To suppress electrical noise while preserving the hydraulic pulsations associated with valve operation, the pressure signal was post processed using a moving average filter with a short time window that does not affect the mean level within the selected interval. Kinematic viscosity was obtained from the measured oil temperature using the viscosity–temperature curve supplied by the oil manufacturer and verified using a Portable Heated Viscometer. Since temperature and viscosity changed only slowly compared with the press cycle, they were treated as quasi steady quantities and represented by single values corresponding to the selected interval. Internal leakage was measured on a dedicated test stand under steady conditions at the nominal working pressure of the press. The volumetric flow rate through the valve drain port was recorded by a turbine flowmeter over a fixed time window, and the arithmetic mean over this window was taken as the internal leakage value used in the Taguchi and regression analysis.
Valve response time was monitored using the same pressure signal at the outlet port of the tested valve. For each switching event from the neutral to the working position, response time was defined as the interval between the instant when the outlet pressure started to rise above its initial level and the instant when it reached 90% of its new quasi steady value. The response time computed for a given test condition corresponds to the arithmetic mean of the response time over at least five consecutive press cycles, which reduces the influence of cycle-to-cycle variability while preserving the millisecond temporal resolution associated with the 1 ms sampling interval. Response time was used as a complementary indicator when interpreting the reliability index, but it was not introduced as a separate factor in the Taguchi design.
To illustrate the experimental operating conditions used as input to the Taguchi analysis, Table 2 lists representative measured values of inlet pressure for valve DCV2, obtained on the dedicated leakage test stand. The 21 operating points span the full range of supply pressures and thermal states considered in the study and are fully consistent with the factor levels summarized in Table 2. Equivalent data sets were collected for DCV1 and DCV3 under the same operating conditions; for corresponding operating points, deviations of the measured quantities with respect to DCV2 remain within ±5%.
The factors and their levels of variation are presented in detail in Table 3.
The “Larger is better” principle was used as the optimization criterion, favoring higher values of the response variable—valve reliability. This principle is given by the following mathematical expression:
S / N =   10 · log ( ( 1 / Y 2 ) / n )
This type of “screening” design (resolution III) efficiently isolates the main effects, but due to the lack of replications, the estimation of error is limited, and partial confounding with interactions is possible. Therefore, the findings are interpreted with an emphasis on trends and practical significance. The experiments covered a total of 8 factor combinations for all three valves. The collected data enabled the implementation of ANOVA, ranking of factors based on signal-to-noise (S/N) ratios, as well as identification of the optimal parameter combination for maximizing reliability. Table 4 below shows the Taguchi L8 orthogonal array design for valve DCV2. The designs for DCV1 and DCV3 were created based on the same principle. The valve reliability results are shown in the last column.
Although internal leakage is included as a factor in the Taguchi experimental design, it is important to emphasize that the leakage values were not artificially modified; rather, they result from the inherent differences among the three tested valves, arising from the specified internal leakage, potential slider wear, and prior operational history. In this study, leakage serves a dual role:
  • It represents a physically measurable indicator of valve degradation;
  • It functions as a classified experimental factor that enables the assessment of its statistical influence on the reliability metric. This approach is methodologically consistent, as internal leakage simultaneously constitutes a symptom of degradation and a primary cause of hydraulic performance loss.
From a methodological standpoint, the novelty of the present work does not lie in the use of new statistical algorithms, but in the way established tools are structured within an industrial reliability study. First, a composite, dimensionless reliability index is defined to aggregate several fluid-dynamic indicators of valve degradation into a single performance measure. Second, a Taguchi L8 screening design is implemented directly on a full-scale hydraulic press system to compare three electromagnetic NO10 directional control valves under identical operating conditions. Third, the results of the Taguchi analysis and regression modeling are explicitly interpreted in terms of clearance-flow physics and wear mechanisms, thus linking statistically identified dominant factors-primarily internal leakage to physically meaningful degradation processes and maintenance decisions.

3. Results

3.1. Taguchi Analysis

Based on the methodology described in Section 2.3, the Taguchi L8 orthogonal array was applied to evaluate the effects of four control factors on the operational reliability of three directional control valves. This section presents the results of the experimental design, including factor ranking, ANOVA, and optimization findings. In all three analyzed cases, the results clearly indicate that internal leakage is the most dominant factor affecting valve reliability. In the response tables based on signal-to-noise (S/N) ratios (Table 5), internal leakage is consistently ranked as the top factor for all three valves, with differences (ΔS/N) exceeding the value 20, which clearly highlights its critical importance.
The previous conclusion is further supported by the ANOVA, where internal leakage is the only factor with a statistically significant effect (p < 0.05) in all cases (Table 6). In contrast, the other factors—temperature, pressure, and kinematic viscosity—showed moderate or marginal effects depending on the valve, but none of them reached the significance threshold within the applied experimental design. These ANOVA results and the ranking of factors are interpreted in the context of the L8 design without replications, which limits formal inference on interactions and experimental error but is adequate to identify the dominant influence of internal leakage and the relative contributions of the other factors to the reliability index.
Graphical representations of the main effects for all three valves show a steep negative slope for the internal leakage factor, visually confirming the quantitative conclusion that an increase in internal leakage leads to a sharp decline in reliability. The curves for the other factors are either nearly horizontal, indicating a weak influence, or show moderate slopes without consistent significance across all cases. Figure 3 presents the main effects plot for valve DCV2, with similar effects observed for DCV1 and DCV3. The horizontal dashed line represents the overall mean S/N ratio, while the blue lines and blue dots show the mean S/N ratio at each level of the corresponding factor.
The coefficients of determination for models based on mean response values (R2 ≈ 98.7–98.9%) indicate an exceptionally good fit and high predictive capability of the identified factor combinations (Table 7). Models based on S/N ratios show slightly lower R2 values, especially for RV3 (≈88.9%), which may suggest the presence of unaccounted interactions or greater response variability within this experimental setup (Table 8). Nevertheless, the overall robustness of the models remains high and suitable for making engineering conclusions.
Valve-specific characteristics further highlight differences in system sensitivity. For valve DCV2, which showed the highest predicted S/N ratio (≈7.11) and the highest average reliability (≈1.0765), the effect of internal leakage was the most pronounced—which can partly be attributed to the broader variation in internal leakage levels (5–105 mL/min). For DCV1 and DCV3, this effect is also dominant but quantitatively somewhat weaker, with lower optimal responses (≈1.0701 for RV1 and ≈1.0618 for RV3). It is important to note that the factor rankings remained consistent across both key domain analyses—S/N analysis and mean value analysis—further confirming the stability of the results and the methodological validity of the design. The predicted reliability of control valves using Taguchi is given in Table 9.
The optimal factor settings (Table 10), i.e., hydraulic parameters, derived through the Taguchi methodology consistently include minimal internal leakage values and lower temperature levels (30 °C), along with a higher pressure level (200 bar), while viscosity, within the tested range, was not identified as a factor with a significant effect. These recommendations provide a clear direction for further engineering optimization and indicate that development and testing efforts should prioritize minimizing internal leakage as the key mechanism driving the degradation of hydraulic system reliability.

3.2. Regression Analysis

In accordance with the Taguchi analysis, which led to the conclusion regarding the dominance of the internal leakage factor, a combined regression analysis was conducted for all three valves to quantify the directions and magnitudes of effects and to assess model predictability. For each valve, multiple linear regression was performed, with Valve reliability as the response variable, and kinematic viscosity, internal leakage, pressure, and temperature as predictors. The results are presented collectively (S, R2, Adjusted R2, Predicted R2), along with regression equations, tables of regression coefficients, and ANOVA analysis.
All three models show a very high fit (R2 exceeds 98% for all three valves) with similar residual error (S around 0.079), confirming that the linear model reliably represents the variability of the response. At the same time, the Adjusted R2 (around 97%) and especially the Predicted R2 (between 90 and 92%) are lower than R2, indicating somewhat reduced but still high predictive power of the model when applied to new data. Among all valves, valve DCV2 achieves the highest R2 and Predicted R2 values (98.89% and 92.14%, respectively). Table 11 presents the residual standard error S and coefficients of determination within the regression analysis for the three examined valves.
For all three valves, identical regression equation structures were obtained, in which internal leakage and temperature—based on their coefficients’ signs—have a negative impact on valve reliability, as does kinematic viscosity, while pressure has a positive impact. The regression equations for the analyzed reliability of the three valves are presented in Table 12.
In the combined table of regression coefficients presented in Table 13, internal leakage is the only factor that is consistently statistically significant in all three models (p ≈ 0.001), with the highest absolute t-value, confirming its dominant and negative impact on valve reliability. Temperature, with a negative coefficient, and pressure, with a positive one, do not consistently reach the significance threshold in this analysis. Kinematic viscosity, whose coefficient also has a negative sign, likewise does not have a significant effect on reliability. This pattern, shown through the regression coefficients, is fully aligned with the results of the Taguchi S/N ratio analysis and the ANOVA analysis, where internal leakage is ranked as the most critical factor.
Table 14 presents the results of the ANOVA for the three valves. ANOVA confirms the high significance of the overall model, as indicated by the high F-values (58.76 and 57.63) and low p-values (around 0.004). On the other hand, the largest share of explained variance clearly belongs to the internal leakage factor, further confirming its dominant impact on valve reliability. The other factors have lower F-values and, in most cases, do not reach the significance threshold in the observed analysis—which is expected for a resolution III design without replications, where estimates of main effects are more stable than significance tests of secondary factors.
Since DCV2 was rated as the most favorable valve according to the Taguchi analysis (highest S/N ratio and highest predicted mean reliability), the Pareto chart of standardized effects and residual plots (Residuals vs. Fits, Normal Q–Q, Histogram) are shown for this valve in a combined display in Figure 4 and Figure 5.
The Pareto chart of standardized effects for valve DCV2, shown in Figure 4, clearly demonstrates the dominance of the internal leakage factor over other predictive factors, which is entirely consistent with the results of both the Taguchi and regression analyses. The residual diagnostics presented in Figure 5 do not indicate any systematic patterns. The Normal Q–Q plot is approximately linear, which aligns with the assumption of residual normality. On the Residuals vs. Fits plot, residuals are randomly distributed around zero, while the residual histogram is approximately symmetrical. The Residuals vs. Order plot does not show any trends or periodicity, indicating no violation of residual independence.
Together with the high R2 values and acceptable predicted R2, these results confirm that the model assumptions are satisfied and that the conclusion regarding the dominant influence of internal leakage is methodologically well-supported.

4. Discussion

A comparative analysis of the three valves reveals a consistent pattern: the internal leakage factor is dominant in all cases, with the most pronounced effect observed in valve DCV2, as confirmed by the highest ΔS/N ratios and predicted average valve reliability (≈1.0765). It is followed by DCV1 (≈1.0701) and DCV3 (≈1.0618), indicating that DCV2 offers the most favorable combination of robustness and response within the tested factor space. Temperature, pressure, and especially kinematic viscosity showed weaker or statistically insignificant effects.
Unlike previous studies that predominantly examine isolated performance indicators of hydraulic components, the present research provides a quantitative and statistically validated demonstration that internal leakage is the primary and most influential degradation mechanism affecting the operational reliability of electromagnetic directional control valves. By combining Taguchi’s design of experiments, ANOVA evaluation, and multiple regression modeling, this study establishes a structured and reproducible analytical framework capable of identifying dominant reliability drivers under real industrial operating conditions.
The dominance of internal leakage as the primary factor influencing reliability is consistent with the clearance-flow physics that characterize spool–sleeve interfaces in hydraulic directional valves. Internal leakage increases as a function of radial clearance, pressure differential, and the degree of geometric wear on the metering edges. Elevated leakage not only reduces volumetric and energy efficiency but also increases the thermal load on the press system through continuous recirculation of oil across the clearances. This accelerates spool wear, degrades dynamic response, and reduces the valve’s capability to maintain a stable flow path during actuation. For these reasons, even moderate changes in leakage rate, as confirmed experimentally produce a disproportionately large reduction in the reliability index.
The influence of pressure and temperature likewise aligns with well-known principles of fluid mechanics and hydrostatic balance inside the valve body. Higher system pressure improves spool centering force and reduces susceptibility to micro-oscillations within the clearance region, leading to better sealing characteristics and a slight positive contribution to reliability. Temperature shows an opposite trend, as thermal expansion of the spool and sleeve occurs at different rates, potentially disturbing the designed clearance fit. Additionally, elevated oil temperature reduces film thickness and accelerates wear mechanisms, which together explain the negative regression coefficients.
The relatively small influence of viscosity in the examined range (28–60 mm2/s) is expected. Both tested viscosity levels fall within the nominal grade recommended for industrial hydraulic systems (ISO VG 32/68), where laminar-to-transition flow within the clearances remains stable and leakage flow is governed predominantly by geometric rather than rheological effects. Only when viscosity deviates far from the design envelope-either due to severe thermal thinning or cold-start conditions does its effect become dominant.
These principles reinforce the statistical findings: internal leakage is the critical determinant of valve performance, both theoretically and experimentally, while pressure and temperature exert secondary but physically consistent effects. The minimal influence of viscosity confirms that leakage-dominant behavior governs reliability under the tested industrial conditions.
This integrated methodological approach enables not only a rigorous comparison of three valves tested under identical boundary conditions but also supports the development of predictive maintenance strategies based on experimentally derived reliability functions. The findings offer a transferable basis for future diagnostic algorithms and valve design improvements, thereby contributing to an enhanced understanding of reliability behavior in complex hydraulic systems.
The observed stability in factor rankings across both S/N and Means analyses, as well as the consistency of ANOVA results (where internal leakage is the only significant factor, p < 0.05), confirm the validity and reliability of the design. Although the model robustness is generally high for all valves (R2 > 88% for S/N and > 98% for mean values), the lower R2 for DCV3 suggests greater sensitivity to unaccounted interactions or noise, which may be attributed to a slightly different factor variation range for that valve (e.g., pressure 20/200 bar, internal leakage 10/100 mL/min).
From a design-of-experiments standpoint, the applied L8 orthogonal array represents a resolution III screening design, primarily oriented towards the estimation of main effects rather than a full identification of two-factor interactions. As a consequence, possible interactions—most notably between internal leakage and temperature, internal leakage and pressure, or viscosity and temperature—cannot be explicitly separated and quantified within the present experimental framework. If such interactions are present, they would most likely manifest as a modulation of the magnitude of the main effects (for example, a change in the slope associated with internal leakage at different temperature or pressure levels) rather than a reversal of the qualitative conclusions, since internal leakage is consistently identified as the dominant degradation mechanism by Taguchi analysis, ANOVA, and regression modeling across all three DCVs. Therefore, the results of this study should be interpreted as a main-effects-oriented reliability screening under realistic industrial conditions, with interaction effects acknowledged as an inherent limitation of the current design. The conclusions are therefore drawn within the limitations of a screening design, with a focus on the dominant effects rather than detailed interaction modeling.
The optimal factor settings for all valves include minimal internal leakage, lower operating temperature (30 °C), and higher pressure (200 bar), while viscosity, within the observed range, does not represent a significant limiting parameter. A recommendation for future work involves expanding the experimental design and potentially adopting an L16 array as well as conducting additional replications to isolate potential interactions, with particular focus on the temperature–leakage relationship as a possibly critical combination.
The regression analysis performed on all three valves (DCV1–DCV3) confirms and quantitatively reinforces the conclusions drawn from the Taguchi method. Across all models, internal leakage emerges as the only consistently statistically significant predictor of valve reliability (p ≈ 0.001), with a strong negative coefficient. This aligns directly with the S/N ratio analysis and ANOVA results from the Taguchi design, where internal leakage dominated all other factors in terms of impact.
All three regression models demonstrate excellent goodness of fit, with R2 values exceeding 98%, and adjusted R2 values above 97%. The predicted R2 values, although slightly lower (90–92%), still indicate strong generalizability of the models. Notably, DCV2 again performs best, exhibiting the highest R2 and R2 (pred), further validating its robustness and optimality identified in the Taguchi analysis.
The direction of influence for all predictors remains consistent across models: internal leakage, temperature, and viscosity have negative effects on reliability, while pressure contributes positively. However, beyond internal leakage, no other factor reaches statistical significance in the regression coefficients, suggesting their effects are either marginal or masked by limited replication and potential factor interactions.
Overall, regression analysis complements the Taguchi results by offering precise effect estimates and statistical validation, reinforcing that internal leakage control is the key strategy for improving valve reliability. Future models may benefit from expanded design resolution to explore potential interactions—particularly between temperature and internal leakage, where subtle compound effects may exist.

5. Conclusions

This study employed the Taguchi method and regression analysis to evaluate the reliability of three directional control valves (DCV1–DCV3) used in hydraulic press systems. Experimental testing under controlled variations in pressure, temperature, viscosity, and internal leakage allowed for a comprehensive analysis of each factor’s contribution to system robustness. Across all cases, internal leakage emerged as the most influential factor affecting valve performance, while pressure had a moderate positive effect. Other parameters, such as temperature and viscosity, showed limited or statistically insignificant influence within the tested range.
Valve DCV2 demonstrated the most robust and reliable performance, supported by both Taguchi S/N analysis and high regression model accuracy (R2 > 98%). The alignment between statistical and predictive methods confirms the validity of the experimental design and highlights internal leakage as the primary target for reliability improvement.
The methodological framework proposed in this study represents the first integrated application of Taguchi’s design of experiments and regression modeling to assess the operational reliability of electromagnetic NO10 directional control valves in an industrial hydraulic press system. By defining a structured reliability metric and validating it through both experimental measurements and statistical analysis, the study provides a reproducible and transferable approach for evaluating valve degradation mechanisms.
The findings offer a solid foundation for extending reliability analysis to other hydraulic components and for developing predictive maintenance algorithms capable of identifying early signs of performance deterioration. Consequently, the proposed framework contributes to enhancing the diagnostic capabilities, operational efficiency, and long-term sustainability of complex hydraulic systems.
For future research, expanding the experimental design to include a larger orthogonal array, such as L16, and increasing the number of replications is recommended. This would allow for the detection of higher-order interactions—particularly between temperature and leakage—and improve model generalization. Furthermore, integrating advanced modeling techniques such as response surface methodology or machine learning could offer deeper insights into nonlinear behavior in hydraulic systems.

Author Contributions

Conceptualization, B.N. and M.D.; methodology, M.D. and B.N.; software, M.D., V.P., L.D. and B.N.; validation, L.D., V.D. and L.R.; writing—review and editing, B.N. and M.D.; visualization, V.D. and V.P.; supervision, L.R. All authors have read and agreed to the published version of the manuscript.

Funding

This research received no external funding.

Data Availability Statement

The data presented in this study are available upon request from the corresponding author. The data are not publicly available due to institutional policy but can be shared upon reasonable request for research purposes.

Conflicts of Interest

The authors declare no conflicts of interest. The funders had no role in the design of the study; in the collection, analyses, or interpretation of data; in the writing of the manuscript; or in the decision to publish the results.

Abbreviations

The following abbreviations are used in this manuscript:
DCVDirectional Control Valve
DOEDesign of Experiments
ANOVAAnalysis of Variance
DFDegrees of Freedom
Adj SSAdjusted Sum of Squares
Adj MSAdjusted Mean of Squares
Seq SSSequential Sum of Squares
S/NSignal to Noise
CoefRegression Coefficient
SE CoefStandard Error Coefficient

References

  1. Novaković, B.; Radovanović, L.; Zuber, N.; Radosav, D.; Đorđević, L.; Kavalić, M. Analysis of the Influence of Hydraulic Fluid Quality on External Gear Pump Performance. Eksploat. Niezawodn.-Maint. Reliab. 2022, 24, 260–268. [Google Scholar] [CrossRef]
  2. Pugin, K.G. Improving the Reliability of Hydraulic Systems of Technological Machines. IOP Conf. Ser. Mater. Sci. Eng. 2020, 971, 052042. [Google Scholar] [CrossRef]
  3. Novaković, B.Z.; Djordjević, L.; Đurđev, M.; Radovanović, L.; Zuber, N.; Desnica, E.; Bakator, M. Effect of Changes in Hydraulic Parameters and Tank Capacity of the Hydraulic Press System on the Heating of the Hydraulic Oil. Eksploat. Niezawodn.-Maint. Reliab. 2024, 26, 190826. [Google Scholar] [CrossRef]
  4. Stosiak, M.; Karpenko, M. Synthesis Lectures on Mechanical Engineering. In Dynamics of Machines and Hydraulic Systems: Mechanical Vibrations and Pressure Pulsations; Springer Nature: Cham, Switzerland, 2024; ISBN 978-3-031-55524-4. [Google Scholar]
  5. Liu, W.; Zeng, Q.; Wan, L.; Liu, J.; Dai, H. Reliability Importance Measures Considering Performance and Costs of Mechanical Hydraulic System for Hydraulic Excavators. J. Sens. 2022, 2022, 5748288. [Google Scholar] [CrossRef]
  6. Salam, M.A. Fundamentals of Pneumatics and Hydraulics; Springer: Singapore, 2022; ISBN 978-981-19-0854-5. [Google Scholar]
  7. Liu, S.; Tu, A.; Mo, X.; Yin, Y.; Zhu, D.; Li, X. Experimental Study and Comparative Performance Analysis on Thermal-Hydraulic Characteristic of a Novel Longitudinal Flow Oil Cooler. Appl. Therm. Eng. 2021, 199, 117567. [Google Scholar] [CrossRef]
  8. Sharma, A.K.; Punj, P.; Kumar, N.; Das, A.K.; Kumar, A. Lifetime Prediction of a Hydraulic Pump Using ARIMA Model. Arab J. Sci. Eng. 2024, 49, 1713–1725. [Google Scholar] [CrossRef]
  9. Zhang, Y.; Liu, Y.; Wang, Z.; Tao, Y.; Yang, L.; Li, Y. Prediction of Oil Contamination in Aviation Hydraulic System and Active Leakage Strategy. In Proceedings of the 2022 IEEE 17th Conference on Industrial Electronics and Applications (ICIEA), Chengdu, China, 16 December 2022; pp. 578–583. [Google Scholar]
  10. Karanović, V.; Jocanović, M.; Baloš, S.; Knežević, D.; Mačužić, I. Impact of Contaminated Fluid on the Working Performances of Hydraulic Directional Control Valves. Stroj-Vestn.-J. Mech. Eng. 2019, 65, 139–147. [Google Scholar] [CrossRef]
  11. Ledvoň, M.; Hružík, L.; Bureček, A.; Dýrr, F.; Polášek, T. Leakage Characteristics of Proportional Directional Valve. Processes 2023, 11, 512. [Google Scholar] [CrossRef]
  12. Ma, D.; Liu, Z.; Gao, Q.; Huang, T. Fault Diagnosis of a Solenoid Valve Based on Multi-Feature Fusion. Appl. Sci. 2022, 12, 5904. [Google Scholar] [CrossRef]
  13. Goharrizi, A.Y.; Sepehri, N. A Wavelet-Based Approach for External Leakage Detection and Isolation from Internal Leakage in Valve-Controlled Hydraulic Actuators. IEEE Trans. Ind. Electron. 2011, 58, 4374–4384. [Google Scholar] [CrossRef]
  14. Ledvoň, M.; Hružík, L.; Bureček, A.; Dýrr, F. Experimental and Numerical Analysis of Leakage Characteristics of Proportional Directional Valve. MATEC Web Conf. 2022, 369, 02007. [Google Scholar] [CrossRef]
  15. Li, S.; Du, J.; Shi, Z.; Xu, K.; Shi, W. Characteristics Analysis of the Pilot-Operated Proportional Directional Valve by Experimental and Numerical Investigation. Energies 2022, 15, 9418. [Google Scholar] [CrossRef]
  16. Paswan, R.; Das, J.; Kumar, N.; Kumar, A.; Mishra, S.K.; Sujit, K. Performance Analysis of Directional Control Valve: An Overview. Appl. Mech. Mater. 2014, 592–594, 1983–1987. [Google Scholar] [CrossRef]
  17. Šimic, M.; Debevec, M.; Herakovič, N. Modelling of Hydraulic Spool-Valves with Specially Designed Metering Edges. Stroj-Vestn.-J. Mech. Eng. 2014, 60, 77–83. [Google Scholar] [CrossRef]
  18. Lisowski, E.; Rajda, J. CFD Analysis of Pressure Loss during Flow by Hydraulic Directional Control Valve Constructed from Logic Valves. Energy Convers. Manag. 2013, 65, 285–291. [Google Scholar] [CrossRef]
  19. Filo, G.; Lisowski, E.; Rajda, J. Pressure Loss Reduction in an Innovative Directional Poppet Control Valve. Energies 2020, 13, 3149. [Google Scholar] [CrossRef]
  20. Tao, W.; Ren, Y.; Tang, H.; Xiang, J. Lifetime Analysis of Hydraulic Directional Valves in a Contaminated Fluid Condition Based on Internal Leakage Due to Wear. Meas. Sci. Technol. 2025, 36, 035006. [Google Scholar] [CrossRef]
  21. Rout, R.; Kumawat, A.K. Reinforcement Learning-Based Position Tracking Control for Proportional Directional Control Valve-Based Electro-Hydraulic System. IEEE Access 2025, 13, 159597–159609. [Google Scholar] [CrossRef]
  22. Li, Y.; Li, R.; Yang, J.; Yu, X.; Xu, J. Review of Recent Advances in the Drive Method of Hydraulic Control Valve. Processes 2023, 11, 2537. [Google Scholar] [CrossRef]
  23. Kumar, B.; Saleem, S.; Wani, M.F.; Sehgal, R.; Kumar, S. Influence of Nano-Lubrication on Tribological Behavior of AZ91 Magnesium Alloy Under Fretting Condition. Tribol. Ind. 2023, 45, 375–386. [Google Scholar] [CrossRef]
  24. Phadke, M.S. Quality Engineering Using Design of Experiments. In Quality Control, Robust Design, and the Taguchi Method; Dehnad, K., Ed.; Springer: Boston, MA, USA, 1989; pp. 31–50. ISBN 978-1-4684-1474-5. [Google Scholar]
  25. Chen, H.; Zhang, T.; Zhang, H.; Tian, G.; Liu, R.; Yang, J.; Zhang, Z. Power Parametric Optimization of an Electro-Hydraulic Integrated Drive System for Power-Carrying Vehicles Based on the Taguchi Method. Processes 2022, 10, 867. [Google Scholar] [CrossRef]
  26. Antony, J.; Kaye, M. The Taguchi Approach to Industrial Experimentation. In Experimental Quality; Springer: Boston, MA, USA, 2000; pp. 47–72. ISBN 978-1-4613-7415-2. [Google Scholar]
  27. Hamzaçebi, C. Taguchi Method as a Robust Design Tool. In Quality Control—Intelligent Manufacturing, Robust Design and Charts; Li, P., António Rodrigues Pereira, P., Navas, H., Eds.; IntechOpen: London, UK, 2021; ISBN 978-1-83962-497-1. [Google Scholar]
  28. Zhang, L.; Wang, D.; Yang, G.; Pan, Q.; Shi, W.; Zhao, R. Optimization of Hydraulic Efficiency and Internal Flow Characteristics of a Multi-Stage Pump Using RBF Neural Network. Water 2024, 16, 1488. [Google Scholar] [CrossRef]
  29. Hu, G.; Zhou, F.; Zhu, W.; Yu, L.; Li, G. Geometric Optimization and Performance Analysis of Radial MR Valve Using Taguchi Orthogonal Experiment Method. J. Mech. Sci. Technol. 2022, 36, 4593–4614. [Google Scholar] [CrossRef]
  30. Sarma, D.; Das, M.; Brahma, B.; Pandwar, D.; Rongphar, S.; Rahman, M. Investigation and Parameter Optimization of a Hydraulic Ram Pump Using Taguchi Method. J. Inst. Eng. India Ser. C 2016, 97, 551–559. [Google Scholar] [CrossRef]
  31. Zhang, H.; Deng, Y.; Chen, F.; Luo, Y.; Xiao, X.; Lu, N.; Liu, Y.; Deng, Y. Fatigue Life Prediction for Orthotropic Steel Bridge Decks Welds Using a Gaussian Variational Bayes Network and Small Sample Experimental Data. Reliab. Eng. Syst. Saf. 2025, 264, 111406. [Google Scholar] [CrossRef]
  32. Montgomery, D.C. Design and Analysis of Experiments; John Wiley & Sons: Hoboken, NJ, USA, 2017. [Google Scholar]
  33. Jankovič, D.; Pipan, M.; Šimic, M.; Herakovič, N. Polynomial Regression-Based Predictive Expert System for Enhancing Hydraulic Press Performance over a 5G Network. Appl. Sci. 2024, 14, 12016. [Google Scholar] [CrossRef]
  34. Kutner, M.H.; Nachtsheim, C.J.; Neter, J.; Li, W. Applied Linear Statistical Models; McGraw-Hill, Irwin: New York, NY, USA, 2005; ISBN 0-07-238688-6. [Google Scholar]
  35. Kamis Kocabicak, Z. Experimental Investigation of a Hydraulic Engine Mount by Taguchi Method. Int. J. Simul. Model. 2025, 24, 203–212. [Google Scholar] [CrossRef]
  36. Abbaszadeh, H.; Ebadzadeh, P.; Daneshfaraz, R.; Norouzi, R. Investigating and Predicting Hydraulic Jump Energy Loss with Threshold Experimental and Regression Analysis. J. Hydraul. Struct. 2024, 10, 46–54. [Google Scholar] [CrossRef]
  37. Zhu, P.; Zhang, L.; Zhou, R.; Chen, L.; Yu, B.; Xie, Q. A Novel Sensitivity Analysis Method in Structural Performance of Hydraulic Press. Math. Probl. Eng. 2012, 2012, 647127. [Google Scholar] [CrossRef]
Figure 1. Scheme of a hydraulic press system.
Figure 1. Scheme of a hydraulic press system.
Machines 13 01124 g001
Figure 2. Cross-sectional view of the directional control valve with clearance details.
Figure 2. Cross-sectional view of the directional control valve with clearance details.
Machines 13 01124 g002
Figure 3. Main effects plot for S/N ratios for DCV2.
Figure 3. Main effects plot for S/N ratios for DCV2.
Machines 13 01124 g003
Figure 4. Pareto chart of standardized effects for DCV2.
Figure 4. Pareto chart of standardized effects for DCV2.
Machines 13 01124 g004
Figure 5. Residual plots for reliability of DCV2.
Figure 5. Residual plots for reliability of DCV2.
Machines 13 01124 g005
Table 1. Symbols of the electromagnetic directional control valves.
Table 1. Symbols of the electromagnetic directional control valves.
Directional Valve TypeType of Valve
Actuation
SymbolNominal DiameterMax. Flow
4/3-way directional control valveElectromagnetic actuationMachines 13 01124 i001„NO10” 60   L m i n
Machines 13 01124 i002
Table 2. Representative measured values of inlet pressure, oil temperature, kinematic viscosity and internal leakage for directional control valve DCV2, measured on the dedicated leakage test stand.
Table 2. Representative measured values of inlet pressure, oil temperature, kinematic viscosity and internal leakage for directional control valve DCV2, measured on the dedicated leakage test stand.
No.Parameters
Kinematic Viscosity [mm2/s]Internal Leakage Z [mL/min]Pressure [bar]Temperature [°C]
129.110102030
232.005124033
334.998166035
435.911168035
536.0052510040
635.7952912040
734.9932914044
834.8963316044
935.2015118047
1058.0025620053
1152.0017020067
1239.7418820075
1338.6328618077
1437.49810416078
1537.49810214078
1637.3858612071
1737.2517710064
1835.503688062
1932.346416047
2030.800374035
2129.750212035
Table 3. Influential factors with levels of variation affecting the reliability of the three control valves.
Table 3. Influential factors with levels of variation affecting the reliability of the three control valves.
FactorsLevels of Variation
DCV1DCV2DCV3
Kinematic viscosity [mm2/s]28, 6028, 6028, 58
Internal leakage [ml/min]5, 905, 10510, 100
Pressure [bar]10, 20010, 20020, 200
Temperature [°C]30, 8030, 8030, 80
Table 4. Taguchi orthogonal plan L8 for DCV2.
Table 4. Taguchi orthogonal plan L8 for DCV2.
PredictorsResponse Variable
Kinematic ViscosityInternal LeakagePressureTemperatureReliability
28510300.997
28510800.999
28105200300.264
28105200800.037
605200300.995
605200800.998
6010510300.042
6010510800.021
Table 5. Response table for S/N ratios for all three valves.
Table 5. Response table for S/N ratios for all three valves.
DCV1
LevelKinematic ViscosityInternal LeakagePressureTemperature
1−9.2437−0.2477−11.5003−7.6024
2−11.3006−20.2965−9.0439−12.9419
Delta2.056920.04882.45645.3395
Rank4132
DCV2
LevelKinematic viscosityInternal leakagePressureTemperature
1−10.0597−0.0239−15.2814−9.7931
2−15.2879−25.3236−10.0662−15.5544
Delta5.228225.29975.21525.7613
Rank3142
DCV3
LevelKinematic viscosityInternal leakagePressureTemperature
1−10.4893−0.2875−11.6862−7.6945
2−11.5257−21.7274−10.3288−14.3204
Delta1.036321.43991.35746.6259
Rank4132
Table 6. ANOVA table for S/N ratios for all three valves.
Table 6. ANOVA table for S/N ratios for all three valves.
DCV1
SourceDFSeq SSAdj SSAdj MSFp-value
Kinematic
viscosity
18.4628.4628.4620.340.599
Internal leakage1803.909803.909803.90932.570.011
Pressure112.06712.06712.0670.490.535
Temperature157.02257.02257.0222.310.226
Residual Error374.04274.04224.681
Total7955.501
DCV2
SourceDFSeq SSAdj SSAdj MSFp-value
Kinematic
viscosity
154.6754.6754.671.680.285
Internal leakage11280.151280.151280.1539.430.008
Pressure154.4054.4054.401.680.286
Temperature166.3866.3866.382.040.248
Residual Error397.4097.4032.47
Total71553.00
DCV3
SourceDFSeq SSAdj SSAdj MSFp-value
Kinematic
viscosity
12.152.1482.1480.050.836
Internal leakage1919.34919.338919.33821.780.019
Pressure13.693.6853.6850.090.787
Temperature187.8187.80587.8052.080.245
Residual Error3126.64126.64142.214
Total71139.62
Table 7. Coefficients of determination for models based on mean values for the three valves.
Table 7. Coefficients of determination for models based on mean values for the three valves.
CoefficientsDCV1DCV2DCV3
Standard error S0.078898.74%97.06%
R20.078898.89%97.42%
R2 (adj)0.079998.72%97.00%
Table 8. Coefficients of determination for models based on S/N ratios for the three valves.
Table 8. Coefficients of determination for models based on S/N ratios for the three valves.
CoefficientsDCV1DCV2DCV3
Standard error S4.968092.25%81.92%
R25.697993.73%85.37%
R2 (adj)6.497288.89%74.07%
Table 9. The predicted responses made by Taguchi prediction.
Table 9. The predicted responses made by Taguchi prediction.
ResultsDCV1DCV2DCV3
S/N ratio4.678687.113824.22227
Reliability (mean)1.070131.07651.06175
Table 10. Optimal valve parameters based on the Taguchi prediction.
Table 10. Optimal valve parameters based on the Taguchi prediction.
ParameterOptimal Values
DCV1DCV2DCV3
Kinematic viscosity [mm2/s]282828
Internal leakage [mL/min]5510
Pressure [bar]200200200
Temperature [°C]303030
Table 11. Model summary for DCV1, DCV2 and DCV3.
Table 11. Model summary for DCV1, DCV2 and DCV3.
Error and CoefficientsDCV1DCV2DCV3
S0.07878320.07876200.0798697
R298.74%98.89%98.72%
Radj297.06%97.42%97.00%
Rpred291.04%92.14%90.86%
Table 12. Regression equations for three directional control valves.
Table 12. Regression equations for three directional control valves.
DCVs.Regression Equations
DCV1Reliability = 1.127 − 0.00087 · Kinematic viscosity − 0.009944 · Internal leakage + 0.000375 · Pressure − 0.00192 · Temperature
DCV2Reliability = 1.160 − 0.00188 · Kinematic viscosity − 0.009062 · Internal leakage + 0.000309 · Pressure − 0.00122 · Temperature
DCV3Reliability = 1.173 − 0.00087 · Kinematic viscosity − 0.009433 · Internal leakage + 0.000339 · Pressure − 0.00201 · Temperature
Table 13. Analysis of regression coefficients for three control valves.
Table 13. Analysis of regression coefficients for three control valves.
TermCoefSE CoefT-Valuep-Value
DCV1
Constant1.1270.11110.150.002
Kinematic
viscosity
−0.000870.00174−0.500.653
Internal leakage−0.0099440.000655−15.170.001
Pressure0.0003750.0002931.280.291
Temperature−0.001920.00111−1.720.184
DCV2
Constant1.1600.11110.470.002
Kinematic
viscosity
−0.001880.00174−1.080.359
Internal leakage−0.0090620.000557−16.270.001
Pressure0.0003090.0002931.050.369
Temperature−0.001220.00111−1.090.355
DCV3
Constant1.1730.11710.060.002
Kinematic
viscosity
−0.000870.00188−0.460.677
Internal leakage−0.0094330.000628−15.030.001
Pressure0.0003390.0003141.080.359
Temperature−0.002010.00113−1.780.173
Table 14. Analysis of variance (ANOVA) for three control valves.
Table 14. Analysis of variance (ANOVA) for three control valves.
SourceDFAdj SSAdj MSF-Valuep-Value
DCV1
Regression41.458920.3647358.760.004
Kinematic viscosity10.001540.001540.250.653
Internal leakage11.428901.42890230.210.001
Pressure10.010150.010151.640.291
Temperature10.018340.018342.950.184
Error30.018620.00621
Lack-of-Fit71.47754
Pure Error41.458920.3647358.760.004
Total10.001540.001540.250.653
DCV2
Regression41.470600.3676557.630.004
Kinematic viscosity10.001350.001350.210.677
Internal leakage11.441601.44160225.990.001
Pressure10.007440.007441.170.359
Temperature10.020200.020203.170.173
Error30.019140.00638
Lack-of-Fit71.48973
Pure Error41.470600.3676557.630.004
Total10.001350.001350.210.677
DCV3
Regression41.470600.3676557.630.004
Kinematic viscosity10.001350.001350.210.677
Internal leakage11.441601.44160225.990.001
Pressure10.007440.007441.170.359
Temperature10.020200.020203.170.173
Error30.019140.00638
Lack-of-Fit71.48973
Pure Error41.470600.3676557.630.004
Total10.001350.001350.210.677
Disclaimer/Publisher’s Note: The statements, opinions and data contained in all publications are solely those of the individual author(s) and contributor(s) and not of MDPI and/or the editor(s). MDPI and/or the editor(s) disclaim responsibility for any injury to people or property resulting from any ideas, methods, instructions or products referred to in the content.

Share and Cite

MDPI and ACS Style

Novaković, B.; Djurdjev, M.; Djordjević, L.; Drakulović, V.; Radovanović, L.; Premčevski, V. Predicting Operational Reliability of the Directional Control Valves of the Hydraulic Press System Using Taguchi Method and Regression Analysis. Machines 2025, 13, 1124. https://doi.org/10.3390/machines13121124

AMA Style

Novaković B, Djurdjev M, Djordjević L, Drakulović V, Radovanović L, Premčevski V. Predicting Operational Reliability of the Directional Control Valves of the Hydraulic Press System Using Taguchi Method and Regression Analysis. Machines. 2025; 13(12):1124. https://doi.org/10.3390/machines13121124

Chicago/Turabian Style

Novaković, Borivoj, Mica Djurdjev, Luka Djordjević, Vesna Drakulović, Ljiljana Radovanović, and Velibor Premčevski. 2025. "Predicting Operational Reliability of the Directional Control Valves of the Hydraulic Press System Using Taguchi Method and Regression Analysis" Machines 13, no. 12: 1124. https://doi.org/10.3390/machines13121124

APA Style

Novaković, B., Djurdjev, M., Djordjević, L., Drakulović, V., Radovanović, L., & Premčevski, V. (2025). Predicting Operational Reliability of the Directional Control Valves of the Hydraulic Press System Using Taguchi Method and Regression Analysis. Machines, 13(12), 1124. https://doi.org/10.3390/machines13121124

Note that from the first issue of 2016, this journal uses article numbers instead of page numbers. See further details here.

Article Metrics

Back to TopTop