A Coordinated Mode Switch Control Strategy for a Two-Gear Power-Split Hybrid System
Abstract
1. Introduction
2. Overview of the Two-Gear Power-Split Hybrid System
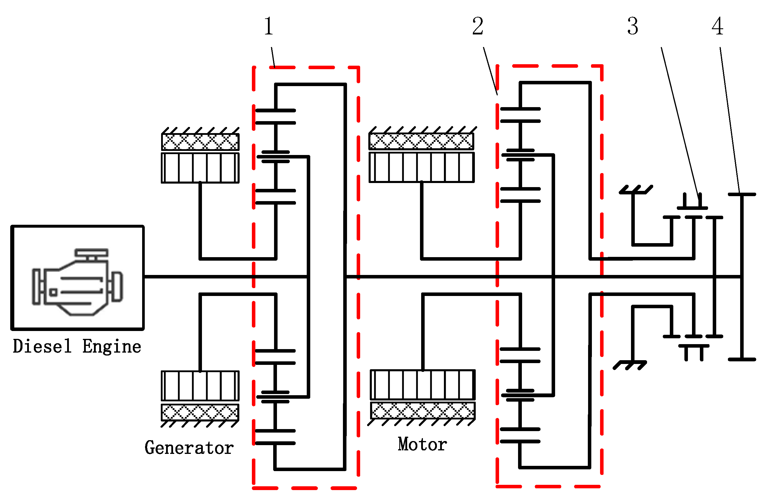
2.1. The Two-Gear Power-Split Hybrid System Structure
2.2. The Control Strategy of the Two-Gear Power-Split Hybrid System
3. Shifting Process and Dynamic Analysis
3.1. Shifting Process Analysis
3.2. System Dynamics Analysis of Shifting Process
3.3. Confirmation of the Shifting Process
4. A Shifting Process Coordination Control Strategy
4.1. Determination and Adjustment of Engine Operating Point during Shifting
4.2. A Dynamic Coordinated Control Process Control Strategy
5. Simulation, the Hardware-in-the-Loop (HIL) Test and Result Analysis
5.1. Simulation Model and the HIL Test
5.2. Simulation Condition and Result Analysis
6. Conclusions
- (1)
- Based on the dynamic analysis of the two-speed power-split hybrid system, a dynamic model is established. According to the results of dynamic analysis, it is suggested that the engine speed should be controlled at constant in the shifting process to eliminate the influence of engine angular acceleration on vehicle longitudinal acceleration and impact control. And the ratio of the optimal torque change rate between the motor and the engine during the unloading and loading of the motor in the shifting process is proposed.
- (2)
- The whole shifting process is divided into three stages and seven steps. Considering the limitation of the maximum changing capacity of the power battery and the external characteristics of the engine itself, a method to determine the target engine speed during the shifting process was proposed. According to the difference of response speed between engine and motor, the dynamic coordination control strategy between engine, generator and motor is proposed.
- (3)
- The simulation results show that the proposed strategy reduces 80.33% of the impact during the mode switch process, the acceleration ability of the vehicle is improved. The ride comfort and power of the vehicle during the mode switch process are guaranteed. At the same time, the engine operating point is adjusted during the single engine driving stage, and the power battery is prevented from high current charging.
- (4)
- By using the torque compensation strategy, the problem of significant impact on the hybrid system during driving has been improved. The large impact during the mode switch process is decomposed into multiple smaller impacts, which have a certain influence on comfort. However, this impact is so weak that it can be solved by vibration reduction.
Author Contributions
Funding
Data Availability Statement
Conflicts of Interest
Nomenclature
| TMreq | Drive motor required torque |
| PEreq | Engine required power |
| PBreq | Power battery required power |
| PG | Generator power |
| PM | Drive motor power |
| Pbcm | Current maximum charging power of the battery |
| Pbdcm | Current maximum discharging power of the battery |
| vveh | Vehicle speed |
| Ft | Vehicle driving force |
| m | Vehicle mass |
| Fres | Vehicle resistance |
| Ff | Ground rolling resistance |
| Fw | Wind resistance |
| Fi | Grade resistance |
| Twheel | Total torque of driving wheels |
| TO | Transmission output torque |
| i0 | Main reducer transmission ratio |
| Main reducer transmission efficiency | |
| r | Tire radius |
| TS | Torque of the solar gear |
| TC | Torque of the carrier gear |
| TR | Torque of the ring gear |
| TOL | Low-gear output torque |
| TON | Neutral gear output torque |
| TOH | High-gear output torque |
| TE | Engine torque |
| TG | Generator torque |
| TM | Drive motor torque |
| JE | Engine moment of inertia |
| JG | Generator moment of inertia |
| JM | Drive motor moment of inertia |
| k | Characteristic parameter of the planetary gear |
References
- Su, C.W.; Yuan, X.; Tao, R.; Umar, M. Can new energy vehicles help to achieve carbon neutrality targets. J. Environ. Manag. 2021, 297, 113348. [Google Scholar] [CrossRef]
- Agamloh, E.; von Jouanne, A.; Yokochi, A. An Overview of Electric Machine Trends in Modern Electric Vehicles. Machines 2020, 8, 20. [Google Scholar] [CrossRef]
- De Pinto, S.; Mantriota, G. Power Flows in Compound Transmissions for Hybrid Vehicles. Machines 2019, 7, 19. [Google Scholar] [CrossRef]
- Meisel, J. An Analytic Foundation for the Two-Mode Hybrid-Electric Powertrain with a Comparison to the Single-Mode Toyota Prius THS-II Powertrain. In Proceedings of the SAE World Congress & Exhibition, Detroit, MI, USA, 20–23 April 2009. [Google Scholar]
- Wang, Y.; Lü, E.; Lu, H.; Zhang, N.; Zhou, X. Comprehensive design and optimization of an electric vehicle powertrain equipped with a two-speed dual-clutch transmission. Adv. Mech. Eng. 2017, 9, 1687814016683144. [Google Scholar] [CrossRef]
- Hu, M.; Jiang, G.; Fu, C.; Qin, D. Torque coordinated control in engine starting process for a single-motor hybrid electric vehicle. Adv. Mech. Eng. 2017, 9, 1687814017705965. [Google Scholar] [CrossRef]
- He, R.; Tian, X.; Ni, Y.; Xu, Y. Mode transition coordination control for parallel hybrid electric vehicle based on switched system. Adv. Mech. Eng. 2017, 9, 1687814017715564. [Google Scholar] [CrossRef]
- Wang, S.; Xia, B.; He, C.; Zhang, S.; Shi, D. Mode transition control for single-shaft parallel hybrid electric vehicle using model predictive control approach. Adv. Mech. Eng. 2018, 10, 1687814018775883. [Google Scholar] [CrossRef]
- Wang, J.; Cai, Y.; Chen, L.; Shi, D.; Wang, R.; Zhu, Z. Review on multi-power sources dynamic coordinated control of hybrid electric vehicle during driving mode transition process. Int. J. Energy Res. 2020, 44, 6128–6148. [Google Scholar] [CrossRef]
- Yi, T.; Jianqiu, L.; Junzhi, Z.; Fuyuan, Y.; Kexun, Z.; Minggao, Y. Coordinating Control Oriented Research on Algorithm of Engine Torque Estimation for Parallel Hybrid Electric Powertrain System. In Proceedings of the SAE 2004 World Congress & Exhibition, Detroit, MI, USA, 8–11 March 2004. [Google Scholar]
- Qin, Z.; Zhang, D.; Han, Y.; Luo, Y. Dynamic coordinated control of a downhill safety assistance system for hybrid electric buses. Proc. Inst. Mech. Eng. Part D J. Automob. Eng. 2017, 231, 1034–1045. [Google Scholar] [CrossRef]
- Koprubasi, K.; Westervelt, E.R.; Rizzoni, G. Toward the Systematic Design of Controllers for Smooth Hybrid Electric Vehicle Mode Changes. In Proceedings of the American Control Conference IEEE 2007, New York, NY, USA, 9–13 July 2007. [Google Scholar]
- He, H.; Liu, Z.; Zhu, L.; Liu, X. Dynamic Coordinated Shifting Control of Automated Mechanical Transmissions without a Clutch in a Plug-In Hybrid Electric Vehicle. Energies 2012, 5, 3094–3109. [Google Scholar] [CrossRef]
- Moriya, K.; Ito, Y.; Inaguma, Y.; Sato, E. Design of the surge control method for the electric vehicle powertrain. SAE Tech. Pap. 2002. [Google Scholar] [CrossRef]
- Du, B.; Yin, X.; Yang, Y. Robust control of mode transition for a single-motor full hybrid electric vehicle. Adv. Mech. Eng. 2017, 9, 1687814017717428. [Google Scholar] [CrossRef]
- Zeng, X.; Cui, H.; Song, D.; Yang, N.; Liu, T.; Chen, H.; Wang, Y.; Lei, Y. Jerk Analysis of a Power-Split Hybrid Electric Vehicle Based on a Data-Driven Vehicle Dynamics Model. Energies 2018, 11, 1537. [Google Scholar] [CrossRef]
- Sun, J.; Xing, G.; Zhang, C. Data-Driven Predictive Dynamic coordinated Control during Mode Transition Process of Hybrid Electric Vehicles. Energies 2017, 10, 441. [Google Scholar] [CrossRef]
- Glielmo, L.; Iannelli, L.; Vacca, V.; Vasca, F. Gearshift control for automated manual transmissions. IEEE/ASME Trans. Mechatron. 2006, 11, 17–26. [Google Scholar] [CrossRef]
- Hailong, W. Application of Model Predictive Control in Complex Industrial Process. Ph.D. Thesis, Lanzhou University, Lanzhou, China, 2013. [Google Scholar]
- Taghavipour, A.; Azad, N.L.; McPhee, J. Real-time predictive control strategy for a plug-in hybrid electric powertrain. Mechatronics 2015, 29, 13–27. [Google Scholar] [CrossRef]
- Beck, R.; Richert, F.; Bollig, A.; Abel, D.; Saenger, S.; Neil, K.; Scholt, T.; Noreikat, K.-E. Model Predictive Control of a Parallel Hybrid Vehicle Drivetrain. In Proceedings of the 44th IEEE Conference on Decision Control/European Control Conference (CCD-ECC), Seville, Spain, 12–15 December 2005; Volume 1–8, pp. 2670–2675. [Google Scholar]
- Zeng, X.; Yang, N.; Wang, J.; Song, D.; Zhang, N.; Shang, M.; Liu, J. Predictive-model-based dynamic coordination control strategy for power-split hybrid electric bus. Mech. Syst. Signal Process. 2015, 60, 785–798. [Google Scholar] [CrossRef]
- Tomura, S.; Ito, Y.; Kamichi, K.; Yamanaka, A. Development of vibration reduction motor control for series-parallel hybrid system. In Proceedings of the SAE 2006 World Congress & Exhibition, Detroit, MI, USA, 3–6 April 2006. [Google Scholar]
- Wang, Y.; Liu, Z.; Xu, J.; Yan, W. Heterogeneous Network Representation Learning Approach for Ethereum Identity Identification. IEEE Trans. Comput. Soc. Syst. 2023, 10, 890–899. [Google Scholar] [CrossRef]
- Zhao, J.; Lv, Y.; Zeng, Q.; Wan, L. Online Policy Learning-Based Output-Feedback Optimal Control of Continuous-Time Systems. IEEE Trans. Circuits Syst. II-Express Briefs 2024, 71, 652–656. [Google Scholar] [CrossRef]















| Mode | Engine | Generator | Motor | Synchronizer |
|---|---|---|---|---|
| Low-gear electric vehicle (EV) pure electric mode | stop | idle | drive | ← 1 |
| Low-gear HEV hybrid mode | start | power | drive | ← |
| High-gear HEV hybrid mode | start | power/drive | drive | → |
| Parking charge mode | start | power | stop | ← |
| Parameter Name | Numerical Value |
|---|---|
| Vehicle curb weight m/kg | 18,000 |
| Wheel radius r/m | 0.51 |
| Rolling resistance coefficient f | 0.009 |
| Windward area A/m2 | 6.825 |
| Drag coefficient Cd | 0.8 |
| Moment of inertia of the engine JE/kg·m2 | 2.5 |
| Maximum torque of generator (Maximum Power) N (kW) | 500 (94) |
| Generator moment of inertia JG/kg·m2 | 0.1 |
| Maximum torque of motor (Maximum power) N·m (kW) | 100 (125) |
| Moment of inertia of the motor JM/kg·m2 | 0.1 |
| Characteristic value of coupling mechanism planetary gear k1 | 2.16 |
Disclaimer/Publisher’s Note: The statements, opinions and data contained in all publications are solely those of the individual author(s) and contributor(s) and not of MDPI and/or the editor(s). MDPI and/or the editor(s) disclaim responsibility for any injury to people or property resulting from any ideas, methods, instructions or products referred to in the content. |
© 2024 by the authors. Licensee MDPI, Basel, Switzerland. This article is an open access article distributed under the terms and conditions of the Creative Commons Attribution (CC BY) license (https://creativecommons.org/licenses/by/4.0/).
Share and Cite
Sun, Q.; Li, X.; Liu, X.; Wu, W. A Coordinated Mode Switch Control Strategy for a Two-Gear Power-Split Hybrid System. Machines 2024, 12, 427. https://doi.org/10.3390/machines12070427
Sun Q, Li X, Liu X, Wu W. A Coordinated Mode Switch Control Strategy for a Two-Gear Power-Split Hybrid System. Machines. 2024; 12(7):427. https://doi.org/10.3390/machines12070427
Chicago/Turabian StyleSun, Qinpeng, Xueliang Li, Xinlei Liu, and Wei Wu. 2024. "A Coordinated Mode Switch Control Strategy for a Two-Gear Power-Split Hybrid System" Machines 12, no. 7: 427. https://doi.org/10.3390/machines12070427
APA StyleSun, Q., Li, X., Liu, X., & Wu, W. (2024). A Coordinated Mode Switch Control Strategy for a Two-Gear Power-Split Hybrid System. Machines, 12(7), 427. https://doi.org/10.3390/machines12070427

