A Liquid Nitrogen Cooling Circulation Unit: Its Design and a Performance Study
Abstract
1. Introduction
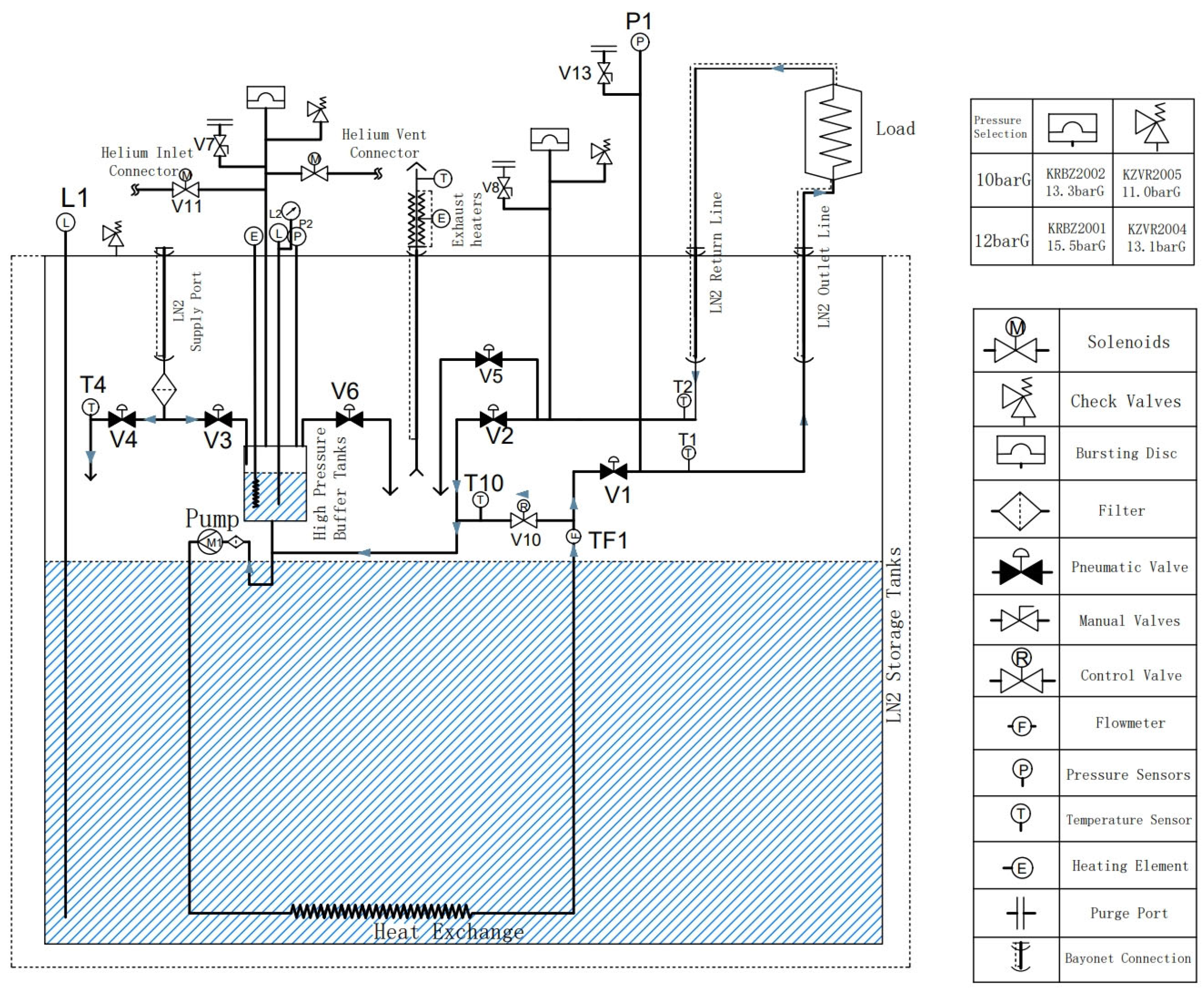
2. System Design
2.1. System Heat Load
2.2. Coil and Tube Heat Exchanger Design
2.3. Exhaust Heating Device Design
2.3.1. Heating Power
2.3.2. Nitrogen Exhaust Heater Structure
2.3.3. Model Building and Meshing
2.3.4. FLUENT Parameter Settings
2.4. Design of Mechanical Structures
3. Experimental Testing of the Liquid Nitrogen Circulation Unit
4. Conclusions
Author Contributions
Funding
Data Availability Statement
Acknowledgments
Conflicts of Interest
References
- Wang, J.; Gao, L.; Jia, Q. Study on thermal mechanical coupling of Laue crystal monochromator cooled by LN2. Cryog. Supercond. 2022, 50, 47–50. [Google Scholar]
- Zhang, X.; Xu, M.; Sun, L. Design and Experimental Study of Subcooled Liquid Nitrogen Circulation for the Cryogenic Permanent Magnet Undulator. J. Eng. Thermophys. 2022, 43, 1761–1767. [Google Scholar]
- Li, J.; Zhang, L.; Cao, Y. Design and operation analysis of cooling system for cold dielectric high temperature superconducting cable. Cryog. Supercond. 2020, 48, 7–11+24. [Google Scholar]
- Ge, T. Study on Cooling Process of High Speed Brushless Doubly-Fed Superconducting Generator; Harbin Institute of Technology: Harbin, China, 2015. [Google Scholar]
- Zhang, H.; Qu, L.; Ding, C. Study of Surface Integrity of SiCp/Al Composites Using High-Speed Milling under Cryogenic Liquid Nitrogen Conditions. Machines 2023, 11, 608. [Google Scholar] [CrossRef]
- Tang, Y.; Yu, Z.; Zhu, S. Current situation and development of cooling system for HTS cable. Cryog. Supercond. 2019, 47, 1–8. [Google Scholar]
- Hassan, M.S.; Asano, T.; Shoyama, M.; Dousoky, G.M. Performance Investigation of Power Inverter Components Submersed in Subcooled Liquid Nitrogen for Electric Aircraft. Electronics 2022, 11, 826. [Google Scholar] [CrossRef]
- Haldar, P.; Ye, H.; Efstathiadis, H.; Raynolds, J.; Hennessy, M.; Mueller, O.; Mueller, E. Improving Performance of Cryogenic Power Electronics. IEEE Trans. Appl. Supercond. 2005, 15, 2370–2375. [Google Scholar] [CrossRef]
- Rajashekara, K.; Akin, B. Cryogenic Power Conversion Systems: The Next Step in the Evolution of Power Electronics Technology. IEEE Electrif. Mag. 2013, 1, 64–73. [Google Scholar] [CrossRef]
- Dogmus, E.; Kabouche, R.; Lepilliet, S.; Linge, A.; Zegaoui, M.; Ben-Ammar, H.; Chauvat, M.-P.; Ruterana, P.; Gamarra, P.; Lacam, C.; et al. InAlGaN/GaN HEMTs at Cryogenic Temperatures. Electronics 2016, 5, 31. [Google Scholar] [CrossRef]
- Harat Tanaka, T.; Kitamura, H. Cryogenic permanent magnet undulators. Phys. Rev. Spec. Top. Accel. Beams 2004, 7, 050702. [Google Scholar]
- Charles, K. Development of a Cryogenic Permanent Magnet Undulator at the ESRF. Eur. Synchrotron Radiat. Facil. 2008, 12, 68–69. [Google Scholar]
- Benabderrahmane, C.; Béchu, N.; Berteaud, P. Development of a 2m Pr2Fe14B Cryogenic Permanent Magnet Undulator at SOLEIL. J. Phys. Conf. Ser. 2013, 425, 032019. [Google Scholar] [CrossRef]
- Liu, L.; Wang, J.; Wang, S. Development of sub-cooled liquid nitrogen cooling system for CPMU. Nucl. Tech. 2017, 40, 070101. [Google Scholar]
- Zhang, X.; Xu, M.; Sun, L. Experimental investigation and analysis on the pressure stabilization of subcooled liquid nitrogen circulation for the HEPS. Cryogenics 2022, 128, 103602. [Google Scholar]
- Wang, S.; Li, M.; Wu, T. Design and Dynamic Thermal Load Test of Liquid Nitrogen Cooling System for SSRF Cryogenic Permanent Magnet Undulator. Cryog. Supercond. 2022, 28, 346–352. [Google Scholar]
- Chen, G.; Jin, T.; Tang, K. Low Temperature Heat and Equipment; National Defence Industry Press: Beijing, China, 2008; pp. 36–45. [Google Scholar]
- Zhang, H.; Wang, J. Experimental study on nitrogen bubble rising velocity in bottom of circular pipe. J. Eng. Thermophys. 2006, 27, 233–236. [Google Scholar]
- Kagan, A.M.; Gelperin, I.I. Investigation of Heat Transfer from Liquid Nitrogen to the Surface of a Vertical Tube with Variable Thermal Loading. Chem. Pet. Eng. 1971, 7, 218–221. [Google Scholar] [CrossRef]










| No. | Parameter Name | Design Requirements |
|---|---|---|
| 1 | Operating temperature | 5~35 °C |
| 2 | Pump operating frequency | 20~80 Hz |
| 3 | Closed-loop pressure | 2~10 bar |
| 4 | Pressure stability | ≤1 mbar (rms) (at 5 bar) |
| 5 | Liquid nitrogen storage capacity | ≥200 L |
| 6 | Cooling power | 600 W |
| 7 | Flow rate | 0~10 L/min |
| 8 | Outlet temperature | 77 K |
| Name | Technical Specifications and Parameters of Nickel–Chromium Heaters |
|---|---|
| Resistance value | 33.2 Ohms/meter (4.2 K) |
| 33.4 Ohms/meter (77 K) | |
| 34 Ohms/meter (305 K) | |
| Long | 100 (30.5 m) Reel. |
| Insulating material | Polyimide, allowable operating temperature: 493 K |
| Rating | Maximum operating temperature: 425 K. Maximum current: 2.0 A |
Disclaimer/Publisher’s Note: The statements, opinions and data contained in all publications are solely those of the individual author(s) and contributor(s) and not of MDPI and/or the editor(s). MDPI and/or the editor(s) disclaim responsibility for any injury to people or property resulting from any ideas, methods, instructions or products referred to in the content. |
© 2024 by the authors. Licensee MDPI, Basel, Switzerland. This article is an open access article distributed under the terms and conditions of the Creative Commons Attribution (CC BY) license (https://creativecommons.org/licenses/by/4.0/).
Share and Cite
Yao, J.; Lu, X.; Xie, Y.; Wang, Q.; Liu, X. A Liquid Nitrogen Cooling Circulation Unit: Its Design and a Performance Study. Machines 2024, 12, 271. https://doi.org/10.3390/machines12040271
Yao J, Lu X, Xie Y, Wang Q, Liu X. A Liquid Nitrogen Cooling Circulation Unit: Its Design and a Performance Study. Machines. 2024; 12(4):271. https://doi.org/10.3390/machines12040271
Chicago/Turabian StyleYao, Jianjie, Xiangyou Lu, Yuanlai Xie, Qianxu Wang, and Xiao Liu. 2024. "A Liquid Nitrogen Cooling Circulation Unit: Its Design and a Performance Study" Machines 12, no. 4: 271. https://doi.org/10.3390/machines12040271
APA StyleYao, J., Lu, X., Xie, Y., Wang, Q., & Liu, X. (2024). A Liquid Nitrogen Cooling Circulation Unit: Its Design and a Performance Study. Machines, 12(4), 271. https://doi.org/10.3390/machines12040271

