Discontinuous Control Algorithm for Buck Converter under Time-Varying Load and Input Voltage
Abstract
:1. Introduction
- The inductive and resistive nature of the load yields the growth of the dynamical order of the control plant.
- The linear system with time-varying coefficients must be analyzed during feedback synthesis.
- The designed control algorithm must be suitable under insufficient information about load parameters and variable input voltage. In particular, the problem statement from [18] for the case of piece-wise constant input voltage may be extended for the situation of the arbitrary input voltage function.
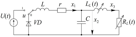
2. Problem Statement
3. Results
3.1. Proof of Lemma 1
3.2. Closed-Loop System Analysis
- (1)
- is the time instant at which ;
- (2)
- is the time instant at which .
4. Simulation Results
- (1)
- (2)
- (3)
- (4)
- (5)
- (6)
5. Conclusions
Author Contributions
Funding
Institutional Review Board Statement
Informed Consent Statement
Data Availability Statement
Conflicts of Interest
References
- Cho, Y.K.; Park, B.H.; Hyun, S.B. Delta-Sigma Modulator-Based Step-Up DC–DC Converter with Dynamic Output Voltage Scaling. Electronics 2020, 9, 498. [Google Scholar] [CrossRef]
- Dimitrov, B.; Hayatleh, K.; Barker, S.; Collier, G.; Sharkh, S.; Cruden, A. A Buck-Boost Transformerless DC–DC Converter Based on IGBT Modules for Fast Charge of Electric Vehicles. Electronics 2020, 9, 397. [Google Scholar] [CrossRef]
- Batarseh, I.; Harb, A. Power Electronics Circuit Analysis and Design, 2nd ed.; Springer: Berlin/Heidelberg, Germany, 2018. [Google Scholar]
- Bose, B.K. Modern Power Electronic and AC Drives; Prentice Hall PTR: Hoboken, NJ, USA, 2002. [Google Scholar]
- Wilamowski, B.M.; Irwin, J.D. Power Electronics and Motor Drives, 2nd ed.; CRC Press: New York, NY, USA, 2011. [Google Scholar]
- Tsai, C.T.; Chen, W. Buck Converter with Soft-Switching Cells for PV Panel Applications. Energies 2016, 9, 148. [Google Scholar] [CrossRef]
- Ostman, B.K.; Jrvenhaara, J.K. A Rapid Switch Bridge Selection Method for Fully Integrated DC/DC Buck Converters. IEEE Trans. Power Electron. 2015, 30, 4048–4051. [Google Scholar] [CrossRef]
- Stefanutti, W.; Mattavelli, P.; Saggini, S.; Ghioni, M. Autotuning of Digitally Controlled DC-DC Converters Based on Relay Feedback. IEEE Trans. Power Electron. 2007, 22, 199–207. [Google Scholar] [CrossRef]
- Sira-Ramirez, H.; Marquez, R.; Fliess, M. Generalized PI Sliding Mode Control of DC-to-DC Power Converters. IFAC Proc. Vol. 2001, 34, 699–704. [Google Scholar] [CrossRef]
- Priewasser, R.; Agostinelli, M.; Unterrieder, C.; Marsili, S.; Huemer, M. Modeling, Control, and Implementation of DC–DC Converters for Variable Frequency Operation. IEEE Trans. Power Electron. 2014, 29, 287–301. [Google Scholar] [CrossRef]
- Giaouris, D.; Banerjee, S.; Zahawi, B.; Pickert, P. Stability Analysis of the Continuous-Conduction-Mode Buck Converter Via Filippov’s Method. IEEE Trans. Circuit Syst. 2008, 55, 1084–1096. [Google Scholar] [CrossRef]
- Sabanovic, A.; Sabanovic, N.; Ohnishi, K. Sliding Mode in Power Converters and Motion Control Systems. Int. J. Control 1993, 57, 1237–1259. [Google Scholar] [CrossRef]
- Utkin, V.I. Sliding Mode Control in Electromechanical Systems; Tailor and Francis: London, UK, 2009. [Google Scholar]
- Tan, S.C.; Lai, Y.M.; Tse, C.K. General Design Issues of Sliding-Mode Controllers in DC–DC Converters. IEEE Trans. Power Electron. 2008, 55, 1160–1174. [Google Scholar]
- Kapat, S.; Krein, P.T. Improved time optimal control of a buck converter based on capacitor current. IEEE Trans. Power Electron. 2012, 27, 1444–1454. [Google Scholar] [CrossRef]
- González-Castaño, C.; Restrepo, C.; Sanz, F.; Chub, A.; Giral, R. DC Voltage Sensorless Predictive Control of a High-Efficiency PFC Single-Phase Rectifier Based on the Versatile Buck-Boost Converter. Sensors 2021, 21, 5107. [Google Scholar] [CrossRef]
- Hoyos Velasco, C.I.; Hoyos Velasco, F.E.; Candelo-Becerra, J.E. Nonlinear Dynamics and Performance Analysis of a Buck Converter with Hysteresis Control. Computation 2021, 9, 112. [Google Scholar] [CrossRef]
- Campos-Mercado, E.; Mendoza-Santos, E.F.; Torres-Muñoz, J.A.; Román-Hernández, E.; Moreno-Oliva, V.I.; Hernández-Escobedo, Q.; Perea-Moreno, A.J. Nonlinear Controller for the Set-Point Regulation of a Buck Converter System. Energies 2021, 14, 5760. [Google Scholar] [CrossRef]
- Ibarra, L.; Bastida, H.; Ponce, P.; Molina, A. Robust Control for Buck Voltage Converter Under Resistive and Inductive Varying Load. In Proceedings of the 13th International Conference on Power Electronics, Guanajuato, Mexico, 20–23 June 2016; pp. 126–131. [Google Scholar]
- Utkin, V.A. Invariance and Independence in Systems with Separable Motion. Autom. Remote Control 2001, 62, 1825–1843. [Google Scholar] [CrossRef]
- Wonham, W.M. Linear Multivariable Control: A Geometric Approach; Springer: New York, NY, USA, 1974. [Google Scholar]
- Kochetkov, S.A.; Utkin, V.A. Invariance in Systems with Unmatched Perturbations. Autom. Remote Control 2013, 74, 1097–1127. [Google Scholar] [CrossRef]
- Kochetkov, S.A.; Krasnova, S.A.; Utkin, V.A.; Vershinin, Y.A. Tracking Problem for Induction Electric Drive under Influence of Unknown Perturbation. IFAC-PapersOnLine 2017, 50, 9790–9795. [Google Scholar] [CrossRef]
- Zubov, V.I. Methods of A.M. Lyapunov and Their Application; Noordhoff Ltd.: Groningen, The Netherlands, 1964. [Google Scholar]
- Zubov, V.I. Analytic construction of Lyapunov functions. Dokl. Math. 1994, 49, 414–417. [Google Scholar]
- Dubljević, S.; Kazantzis, N. A new Lyapunov design approach for nonlinear systems based on Zubov’s method. Automatica 2002, 38, 1999–2007. [Google Scholar] [CrossRef]
- Johnson, D. Fundamentals of Electrical Engineering I; Connexions: Houston, TX, USA, 2016. [Google Scholar]
- Gross, C.A.; Roppel, T.A. Fundamentals of Electrical Engineering, 1st ed.; CRC Press: New York, NY, USA, 2012. [Google Scholar]
- Bellman, R. Introduction to Matrix Analysis, 2nd ed.; SIAM: Philadelphia, PA, USA, 1997. [Google Scholar]
- Piskunov, N. Differential and Integral Calculus; Mir Publishers: Moscow, Russia, 1969. [Google Scholar]
- Fikhtengol’ts, G.M. The Fundamentals of Mathematical Analysis: International Series of Monographs in Pure and Applied Mathematics, 72; Pergamon Press: Oxford, UK, 2016. [Google Scholar]
- Kevorkian, J.; Cole, J.D. Perturbation Methods in Applied Mathematics; Springer: New York, NY, USA, 1981. [Google Scholar]
- Teschl, G. Ordinary Differential Equations and Dynamical Systems; AMS: Providence, RI, USA, 2012. [Google Scholar]
- Filippov, A.F. Differential Equations with Discontinuous Right Hand Sides; Kluwer Academic Publishers: Dordrecht, The Netherlands, 1988. [Google Scholar]
- Bartolini, G.; Ferrara, A.; Usai, E. Chattering avoidance by second-order sliding mode control. IEEE Trans. Autom. Control 1998, 43, 241–246. [Google Scholar] [CrossRef]
- Fridman, L. An averaging approach to chattering. IEEE Trans. Autom. Control 2001, 46, 1260–1264. [Google Scholar] [CrossRef]







| Parameter/Variable | Definition |
|---|---|
| the inductor’s inductance | |
| the inductor’s active resistance | |
| the capacitor’s electrical capacity | |
| the variable load’s active resistance | |
| the variable load’s inductance | |
| the variable input’s voltage | |
| the inductor’s current | |
| the capacitor’s voltage | |
| the load’s current | |
| the electromotive force | |
| the control input |
| 0.2 | 28 |
| 7 | 15 | 912 | 456 | 345.45 | |||
| 218.2 | 204.13 | 21.43 | 2.4944 | 1.11 | |||
| 12 | 28.063 | 10.79 | 0 | ||||
| 0 | 909.1 |
| 6 |
Disclaimer/Publisher’s Note: The statements, opinions and data contained in all publications are solely those of the individual author(s) and contributor(s) and not of MDPI and/or the editor(s). MDPI and/or the editor(s) disclaim responsibility for any injury to people or property resulting from any ideas, methods, instructions or products referred to in the content. |
© 2023 by the authors. Licensee MDPI, Basel, Switzerland. This article is an open access article distributed under the terms and conditions of the Creative Commons Attribution (CC BY) license (https://creativecommons.org/licenses/by/4.0/).
Share and Cite
Krasnova, S.A.; Kochetkov, S.; Utkin, V.A. Discontinuous Control Algorithm for Buck Converter under Time-Varying Load and Input Voltage. Machines 2023, 11, 890. https://doi.org/10.3390/machines11090890
Krasnova SA, Kochetkov S, Utkin VA. Discontinuous Control Algorithm for Buck Converter under Time-Varying Load and Input Voltage. Machines. 2023; 11(9):890. https://doi.org/10.3390/machines11090890
Chicago/Turabian StyleKrasnova, Svetlana A., Sergey Kochetkov, and Victor A. Utkin. 2023. "Discontinuous Control Algorithm for Buck Converter under Time-Varying Load and Input Voltage" Machines 11, no. 9: 890. https://doi.org/10.3390/machines11090890
APA StyleKrasnova, S. A., Kochetkov, S., & Utkin, V. A. (2023). Discontinuous Control Algorithm for Buck Converter under Time-Varying Load and Input Voltage. Machines, 11(9), 890. https://doi.org/10.3390/machines11090890

