Variable Reactance Criteria to Mitigate Voltage Deviations in Power Transformers in Light- and Over-Load Conditions
Abstract
:1. Introduction
- An analytical framework that relates load power factor, load index and transformer leakage reactance with the module and sign of the transformer internal voltage drop.
- Experimental results that demonstrate the displacement of the load power factor at which the transformer first experiences the Ferranti effect under capacitive loads, thanks to the modification of transformer leakage reactance. Evolution of Ferranti angle for different load indices and transformer reactance levels. Exploration of the transformer’s behavior at light- and over-load inductive conditions.
- Based on the analytical expressions and experimental results, transformer VR techniques are defined that mitigate voltage deviations at the secondary windings of transformers under light-load capacitive and inductive conditions, as well as in over-load conditions in a set of two transformers working in parallel.
- Impact of the VR techniques on a simplified 2-bus system. Mitigation of the Ferranti effect on an AC line and reduction of the necessary shunt reactor size. Mitigation of over-voltage at the secondary winding under light-load inductive conditions. Flexibility enhancement of the parallel work of two transformers at over-load conditions.
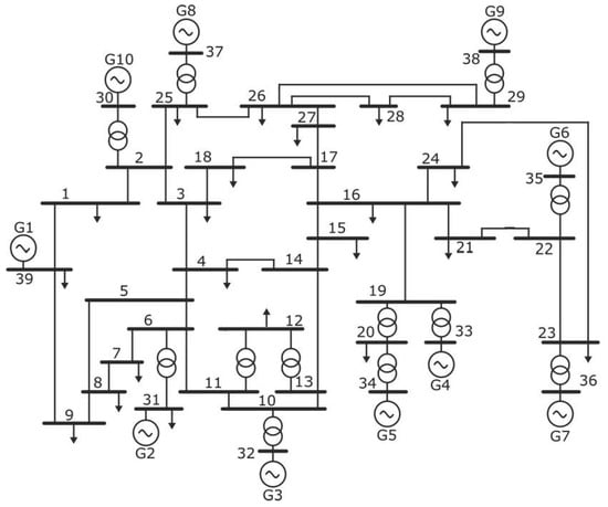
- Impact of the VR techniques in other grid elements near to the transformer within a large, standardized grid, the IEEE-39-node AC grid. Modification of voltage profile of nodes, change in AC lines loading levels, other transformer’s loading levels and power factor levels at generator buses.
2. Analysis of Power Transformers in Light- and Over-Load Conditions
- The analytical expression of the relative internal voltage drop, , as a function of the short-circuit reactance, , the power factor at the secondary side, , and the load index, λ.
- The analytical expression of the Ferranti angle, , as a function of the load index, λ, and the short-circuit reactance of the power transformer, .
- Criteria for the variation of the short-circuit reactance of the power transformer, , as a function of the load index; the power factor at the secondary side and the source of over-voltage. From this relationship, the VR techniques will be extracted for both light-load capacitive and inductive conditions as well as for over-load conditions.
- is very similar for different λ load indices but for greater load indices, slightly increases.
- For greater λ load indices, higher values will be obtained.
- For greater short-circuit angle values, is reduced. A greater can be obtained by increasing . In this way, the Ferranti effect can appear for a greater variety of secondary power factor levels.
- For lower short-circuit angle values is increased. A lower can be obtained by decreasing . In this way, the Ferranti effect can appear for a lower variety of secondary power factor levels.
- Therefore, to minimize the risk of the Ferranti effect in capacitive load conditions, should be as high as possible so that it is difficult to be exceeded. In essence, should be as low as possible to avoid over-voltage at low leading power factors.
- There is no Ferranti effect and no sign change for the transformer internal voltage drop, this being always positive.
- For greater λ load indices, higher values will be obtained.
- If the source of over-voltage is on the primary side, greater values of are preferred to mitigate over-voltage at the secondary side, as .
- If a transformer which works in parallel with another transformer is subjected to over-load conditions, as its is increased, the overload can be transferred to the second transformer to achieve a better share of the overload or even to cancel the overload for the complete set of transformers, A and B, working in parallel. This comes from the condition of equal voltage drops at both transformers, as indicated in (5).
- Therefore, if is increased by means of , then must be decreased and vice versa.
3. Methodology
4. Experimental Study
4.1. Description of Experimental Setups and Instrumentation
4.2. Behavior of Single-Phase and Three-Phase Transformers under Light- and Over-Load Capacitive and Inductive Conditions
4.3. Study of the Asymmetrical Current and Power Consumption in Three-Phase Transformers
5. Discussion and Proposal of a VR technique
6. Simulations
6.1. Simplified 2-Bus System
6.1.1. Light-Load Conditions with Highly Capacitive Loads: Mitigation of the Ferranti Effect at the Output of a Step-Down Transformer
6.1.2. Light-Load Conditions with Highly Inductive Loads: Mitigation of an Over-Voltage Scenario
6.1.3. Over-Load Conditions: Redistribution of Load between Transformers Working in Parallel
6.2. Impact of the VR Technique on Transformers within the IEEE-39 Node AC Grid
6.2.1. Impact of the VR Technique on a Step-Down Transformer under Light-Load Capacitive Conditions
6.2.2. Impact of the VR Technique on a Step-Up Transformer under Light-Load Inductive Conditions
6.2.3. Impact of the VR Technique on Two Transformers Working in Parallel under Over-Load Conditions
7. Conclusions
Funding
Data Availability Statement
Conflicts of Interest
References
- Ahire, N.R.; Dake, V. Analysis of voltage profile, it’s issues and mitigation techniques used in western regional grid of India. In Proceedings of the 4th IEEE International Conference on Advances in Electrical and Electronics, Information, Communication and Bio-Informatics, AEEICB 2018, Chennai, India, 27–28 February 2018. [Google Scholar] [CrossRef]
- Yin, C.; Li, F. Reactive power control strategy for inhibiting transient overvoltage caused by commutation failure. IEEE Trans. Power Syst. 2021, 36, 4764–4777. [Google Scholar] [CrossRef]
- Paramo, G.; Bretas, A. Proactive Frequency Stability Scheme: A Distributed Framework Based on Particle Filters and Synchrophasors. Energies 2023, 16, 4530. [Google Scholar] [CrossRef]
- Zhang, S.; Wang, L.; Du, X.; Zhang, R.; Huang, Z.; Duan, S.; Yang, W.; Wang, P.; Zhang, J. Improved Active Islanding Detection Technique with Different Current Injection Waveform. Processes 2023, 11, 1838. [Google Scholar] [CrossRef]
- Yan, Z.; Xu, J.; Yu, G.; Bai, E.; Chen, W. Detailed Wideband Impedance Modeling and Resonance Analysis of Grid-Connected Modular Multilevel Converter. Energies 2023, 16, 4782. [Google Scholar] [CrossRef]
- Zaitsev, I.O.; Kuchanskyy, V.V. Corona discharge problem in extra high voltage transmission line. Stud. Syst. Decis. Control 2021, 346, 3–30. [Google Scholar] [CrossRef]
- Aboshady, F.; Ceylan, O.; Zobaa, A.F.; Ozdemir, A.; Taylor, G.; Pisica, I. Sequentially Coordinated and Cooperative Volt/Var Control of PV Inverters in Distribution Networks. Electronics 2023, 12, 1765. [Google Scholar] [CrossRef]
- Masters, C.; Mutale, J.; Strbac, G.; Curcic, S.; Jenkins, N. Statistical evaluation of voltages in distribution systems with embedded wind generation. IEE Proc.-Gener. Transm. Distrib. 2000, 147, 207–212. [Google Scholar] [CrossRef]
- Qing, P.; Jiang, L.; Ning, K. Simulation of wide range on-load voltage regulation technology in distribution network low voltage management. In Proceedings of the China International Conference on Electricity Distribution, CICED, Changsha, China, 7–8 September 2022; pp. 1109–1113. [Google Scholar] [CrossRef]
- Liu, F.; Mu, Y.; Chen, Z. Control Strategy for Improving the Voltage Regulation Ability of Low-Carbon Energy Systems with High Proportion of Renewable Energy Integration. Electronics 2023, 12, 2513. [Google Scholar] [CrossRef]
- Foqha, T.; Alsadi, S.; Refaat, S.S.; Abdulmawjood, K. Experimental Validation of a Mitigation Method of Ferranti Effect in Transmission Line. IEEE Access 2023, 11, 15878–15895. [Google Scholar] [CrossRef]
- Deb, G. Ferranti Effect in Transmission Line. Int. J. Electr. Comput. Eng. IJECE 2012, 2, 447–451. [Google Scholar] [CrossRef]
- Ankaliki, S.G.; Sureban, M.S.; Vibhuti, P.S.; Amminabhavi, S.P. Performance Analysis of Unloaded Long Transmission Line using transmission line hardware simulator. I-Manag. J. Power Syst. Eng. 2021, 9, 1–7. [Google Scholar]
- Al Riyami, H.A.; Al Busaidi, A.G.; Al Nadabi, A.A.; Al Sayabi, M.N.; Al Omairi, A.S.; Abdalla, O.H. Impact of Installation of 400 kV Shunt Reactors on Oman Grid. In Proceedings of the 2018 53rd International Universities Power Engineering Conference, UPEC 2018, Glasgow, UK, 4–7 September 2018. [Google Scholar] [CrossRef]
- Elansari, A.; Burr, J.; Finney, S.; Edrah, M. Optimal location for shunt connected reactive power compensation. In Proceedings of the Universities Power Engineering Conference, Cluj-Napoca, Romania, 2–5 September 2014. [Google Scholar] [CrossRef]
- Ismail, B.; Wahab, N.I.A.; Othman, M.L.; Radzi, M.A.M.; Vijyakumar, K.N.; Naain, M.N.M. A Comprehensive Review on Optimal Location and Sizing of Reactive Power Compensation Using Hybrid-Based Approaches for Power Loss Reduction, Voltage Stability Improvement, Voltage Profile Enhancement and Loadability Enhancement. IEEE Access 2020, 8, 222733–222765. [Google Scholar] [CrossRef]
- Mali, B.N.; Aglawe, P.M.; Mane, S.A.; Shakya, M. Performance Study of Transmission Line Ferranti Effect and Fault Simulation Model Using MATLAB. Int. J. Iinovative Res. Electr. Electron. Instrum. Control Eng. 2016, 4, 2321–5526. [Google Scholar] [CrossRef]
- Hu, J.; Yuan, P.; Li, X.; Liu, Y. Analysis on the Necessity of High-Voltage Shunt Reactors in Power Grid. In Proceedings of the 2020 10th International Conference on Power and Energy Systems, ICPES 2020, Chengdu, China, 25–27 December 2020; pp. 83–87. [Google Scholar] [CrossRef]
- Dixon, J.; Moran, L.; Rodriguez, J.; Domke, R. Reactive Power Compensation Technologies: State-of-the-Art Review. Proc. IEEE 2005, 93, 2144–2164. [Google Scholar] [CrossRef]
- Tabatabaei, N.M.; Aghbolaghi, A.J.; Bizon, N.; Blaabjerg, F. Reactive Power Control in AC Power Systems: Fundamentals and Current Issues; Springer: Berlin/Heidelberg, Germany, 2017. [Google Scholar] [CrossRef]
- Mathur, R.M.; Varma, R.K. ReactivePower Control in Electrical Power Transmission Systems. In Thyristor-Based FACTS Controllers for Electrical Transmission Systems; Wiley-IEEE Press: Hoboken, NJ, USA, 2015. [Google Scholar] [CrossRef]
- Chavan, G.; Acharya, S.; Bhattacharya, S.; Das, D.; Inam, H. Application of static synchronous series compensators in mitigating Ferranti effect. In Proceedings of the 2016 IEEE Power and Energy Society General Meeting (PESGM), Boston, MA, USA, 17–21 July 2016. [Google Scholar] [CrossRef]
- Konidala, H.; Kumar, Y.N.V. Optimal Placement of Shunt Connected Facts Device in a Series Compensated Long Transmission Line. Int. J. Adv. Res. Electr. Electron. Instrum. Eng. 2014, 3, 11841–11848. [Google Scholar] [CrossRef]
- Venu, Y.; Nireekshana, T.; Phanisaikrishna, B. Mitigation of Ferranti Effect Using Thyristor Controlled Reactor. Lect. Notes Electr. Eng. 2021, 700, 2533–2545. [Google Scholar] [CrossRef]
- Sosnina, E.; Kralin, A.; Kryukov, E.; Bedretdinov, R. Research of thyristor voltage regulator characteristics in transverse output voltage regulation mode. In Proceedings of the 2020 IEEE PES Innovative Smart Grid Technologies Europe (ISGT-Europe), The Hague, The Netherlands, 26–28 October 2020; pp. 960–964. [Google Scholar] [CrossRef]
- Han, S. Selecting an Effective ESS Installation Location from the Perspective of Reactive Power. IEEE Access 2020, 8, 51945–51953. [Google Scholar] [CrossRef]
- Yarlagadda, V.; Lakshminarayana, G.; Ambati, G.; Nireekshana, T.; Karthika, G.A. Mitigation of Ferranti Effect and Voltage Control in Transmission Systems Using Fuzzy Logic Controlled SVC. In Proceedings of the 1st IEEE International Conference on Smart Technologies and Systems for Next Generation Computing, ICSTSN 2022, Villupuram, India, 25–26 March 2022. [Google Scholar] [CrossRef]
- Wang, J.; Zhao, Z.; Zhu, J.; Li, X.; Dong, F.; Wan, S. Improved Support Vector Machine for Voiceprint Diagnosis of Typical Faults in Power Transformers. Machines 2023, 11, 539. [Google Scholar] [CrossRef]
- Kondoh, J.; Ishii, I. Fault Current Limiting Transformer With Variable Reactance. IEEE Trans. Appl. Supercond. 2004, 14, 875–878. [Google Scholar] [CrossRef]
- Brook, E.M. Variable Reactance Transformer. Available online: https://patents.google.com/patent/US4129820A/en (accessed on 28 June 2023).
- Escarela-Perez, R.; Kulkarni, S.V.; Kodela, N.K.; Olivares-Galvan, J.C. Asymmetry during load-loss measurement of three-phase three-limb transformers. In Proceedings of the 2007 IEEE Power Engineering Society General Meeting, PES, Tampa, FL, USA, 24–28 June 2007. [Google Scholar] [CrossRef]
- Gérin-Lajoie, L. IEEE PES Task Force on Benchmark Systems for Stability Controls Report on the EMTP-RV 39-Bus System (New England Reduced Model). Available online: http://www1.sel.eesc.usp.br/ieee/IEEE39/New_England_Reduced_Model_(39_bus_system)_EMTP_RV_study_report.pdf (accessed on 28 June 2023).





































| Manufacturer | Model | AC Power Supply | |||
|---|---|---|---|---|---|
| Circutor | CVM-C10-ITF-485-ICT2 | Nominal voltage (V) | Frequency (Hz) | Consumption (VA) | |
| 95…240 V ± 10% | 50…60 | 4…6 | |||
| Current measurement circuit | |||||
| Installation category | Nominal current (In) | Phase-current measuring range | Maximum input consumption | Maximum pulse current | Minimum current measurement |
| CAT III 300V | …/5 A, …./1 A | 2…120% In | 0.9 VA | 100 A | 10 mA |
| Voltage measurement circuit | |||||
| Installation category | Frequency measuring range | Nominal voltage (Un) | Voltage measuring range | Minimum measurement voltage (V) | |
| CAT III 300V | 45…65 Hz | 300 V ph-N, 520 V ph-ph | 5…120%Un | 15 | |
| Measurement accuracy (Phase voltage measurement) | |||||
| 0.5% ± 1 digit | |||||
| Manufacturer | Model | Electrical Characteristics | |||
|---|---|---|---|---|---|
| Circutor | TC5 60/5 A | Power (VA) | Operating voltage (kV) | Nominal frequency | |
| 1.25 VA (Class 1) | 0.72 kV max | 50/60 Hz | |||
| Current measurement circuit | |||||
| Primary current measurement (In) | Thermal short-circuit current (Ith) | Dynamic current | Transformation ratio | Measurement range | Standards |
| 60 A | 60 In | 2.5 Ith | …/5 A | 60/5 A | IEC 61869-1 IEC 61869-2 BS2627 |
| Sr(kVA) | V1,r(V) | V2,r(V) | I1,r(A) | I2,r(A) | Rl (Ω) | Xl (Ω) | |
|---|---|---|---|---|---|---|---|
| Trf-1 | 1.5 | 380 | 127 | 3.94 | 11.81 | 1.37 | 10.45 |
| Trf-2 | 1.5 | 380 | 127 | 3.94 | 11.81 | 1.37 | 7.25 |
| Trf-3 | 1.5 | 380 | 127 | 394 | 11.81 | 1.37 | 4.88 |
| Trf-4 (wye-wye) | 5 | 400 | 254 | 7.21 | 11.36 | 0.55 | 1.07 |
| Trf-5 (wye-wye) | 5 | 400 | 254 | 7.21 | 11.36 | 0.55 | 0.647 |
| Resistive loads | 10…350 Ω |
| Capacitive loads | 10…350 Ω |
| Inductive loads | 10…350 Ω |
| Section | Rated Power (MVA) | Relation and Connection | Short-Circuit Resistance (p.u.) | Magnetization Resistance (Ω) | Magnetization Reactance (Ω) | |
|---|---|---|---|---|---|---|
| Section 6.1.1 | 150 MVA | 220/132 kV (Step-down) wye-wye | 0.004 | 500 | 500 | |
| Section 6.1.2 | 150 MVA | 15/132 kV (Step-up) wye-wye | 0.004 | 500 | 500 | |
| Section 6.1.3 | 150 | 300 | 220/132 kV (Step-down) | 0.004 | 500 | 500 |
| Load Index | Xsc (p.u.) | (p.u.) | (%) | |
|---|---|---|---|---|
| Baseline | 0.105 | 0.8 | 1.109 | −10.92 |
| VR technique | 0.095 | 0.08 | 1.01 | −1.028 |
| Load Index | Shunt Reactor Size (MVAr) | Xsc (p.u.) | (p.u.) |
(p.u.) |
(%) |
(%) | |
|---|---|---|---|---|---|---|---|
| Baseline | 0.159 | None | 0.8 | 1.201 | 1.247 | −20.05 | −4.6 |
| 10MVAr shunt reactor | 0.084 | 10 | 0.8 | 1.065 | 1.05 | −6.47 | 1.45 |
| VR technique | 0.134 | None | 0.08 | 1.017 | 1.057 | −1.74 | −3.906 |
| VR technique + 1MVAr shunt reactor | 0.128 | 1 | 0.08 | 1.016 | 1.05 | −1.632 | −3.348 |
| Load Index | Xsc (p.u.) | (p.u.) | (%) | |
|---|---|---|---|---|
| Baseline | 0.07 | 0.8 | 1.068 | 1.157 |
| VR technique | 0.073 | 0.4 | 1.024 | 5.54 |
| Load Index-1 | Load Index-2 | Xsc-1 (p.u.) | Xsc-2 (p.u.) | (p.u.) | |
|---|---|---|---|---|---|
| Baseline | 1.108 | 0.74 | 0.08 | 0.12 | 0.938 |
| VR technique 1 | 0.61 | 1.017 | 0.1 | 0.06 | 0.96 |
| VR technique 2 | 0.88 | 0.88 | 0.08 | 0.08 | 0.953 |
Disclaimer/Publisher’s Note: The statements, opinions and data contained in all publications are solely those of the individual author(s) and contributor(s) and not of MDPI and/or the editor(s). MDPI and/or the editor(s) disclaim responsibility for any injury to people or property resulting from any ideas, methods, instructions or products referred to in the content. |
© 2023 by the author. Licensee MDPI, Basel, Switzerland. This article is an open access article distributed under the terms and conditions of the Creative Commons Attribution (CC BY) license (https://creativecommons.org/licenses/by/4.0/).
Share and Cite
Haro-Larrode, M. Variable Reactance Criteria to Mitigate Voltage Deviations in Power Transformers in Light- and Over-Load Conditions. Machines 2023, 11, 797. https://doi.org/10.3390/machines11080797
Haro-Larrode M. Variable Reactance Criteria to Mitigate Voltage Deviations in Power Transformers in Light- and Over-Load Conditions. Machines. 2023; 11(8):797. https://doi.org/10.3390/machines11080797
Chicago/Turabian StyleHaro-Larrode, Marta. 2023. "Variable Reactance Criteria to Mitigate Voltage Deviations in Power Transformers in Light- and Over-Load Conditions" Machines 11, no. 8: 797. https://doi.org/10.3390/machines11080797
APA StyleHaro-Larrode, M. (2023). Variable Reactance Criteria to Mitigate Voltage Deviations in Power Transformers in Light- and Over-Load Conditions. Machines, 11(8), 797. https://doi.org/10.3390/machines11080797
