Decoupling Control of an Aviation Remote Sensing Stabilization Platform Based on a Cerebellar Model Articulation Controller
Abstract
:1. Introduction
2. ARSSP Dynamic Modeling
2.1. Coordinate System
2.2. Coupling Analysis of the ARSSP
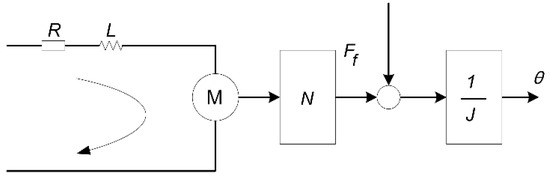
2.3. Mathematical Model of the ARSSP
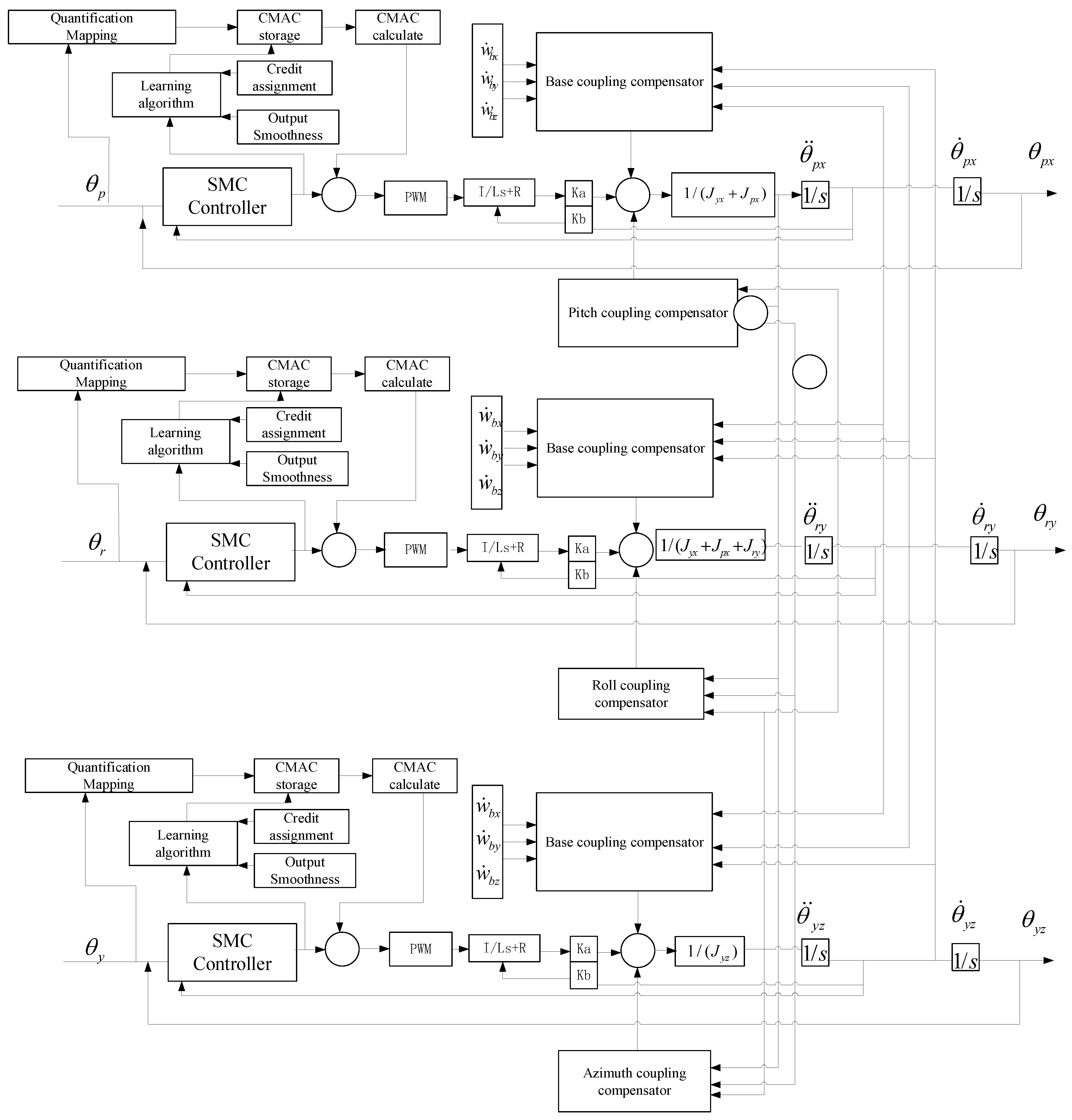
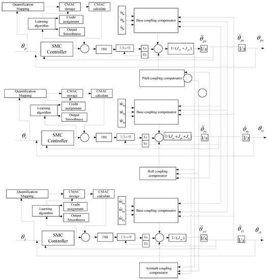
3. ARSSP Controller Design
3.1. CMAC Control Algorithm
3.2. CA&OS-CMAC Control Algorithm
3.3. Design of the Sliding-Mode Controller Based on the CMAC
4. Experimental Analysis
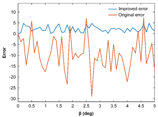
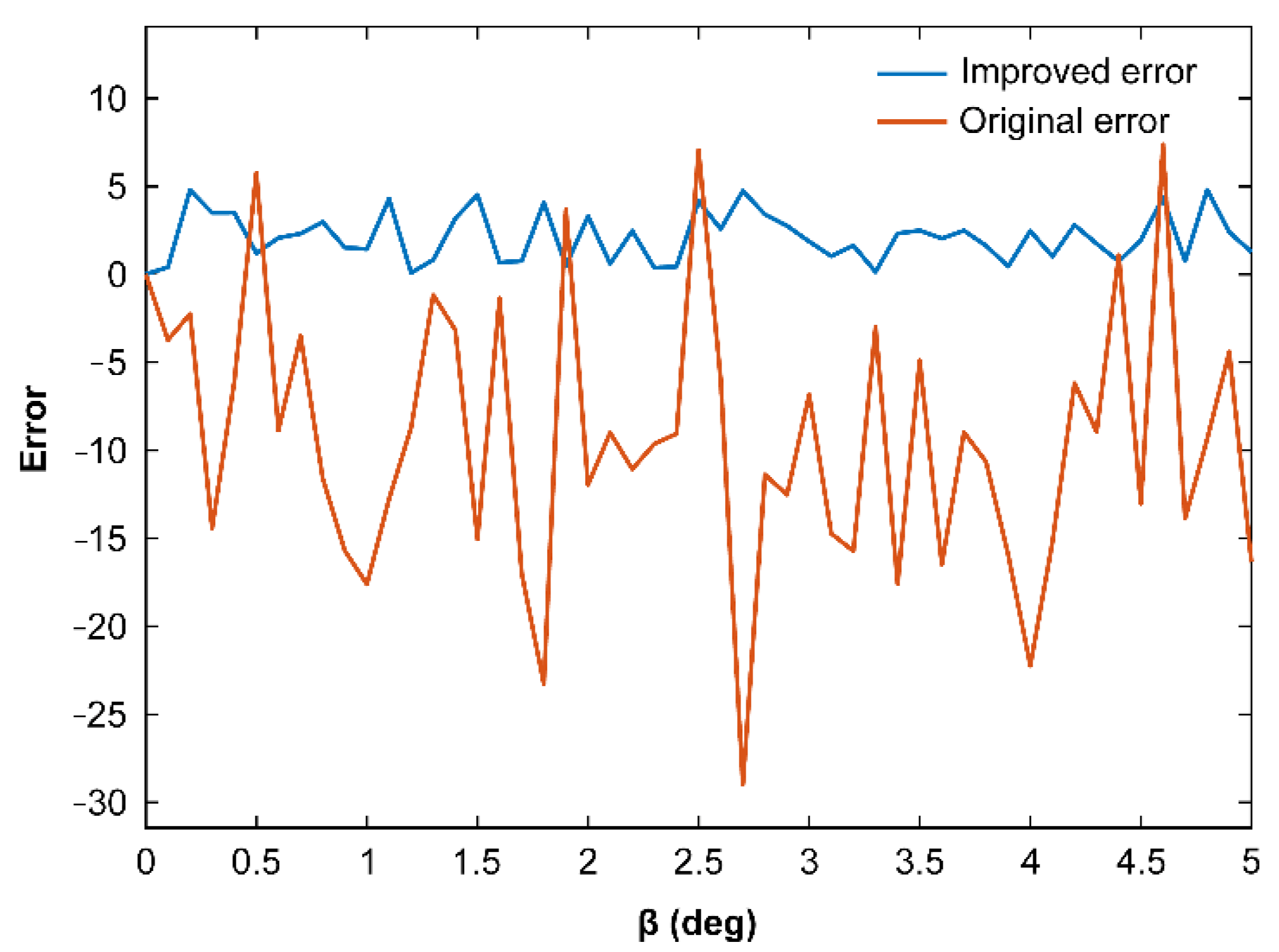
4.1. Simulation Experiment
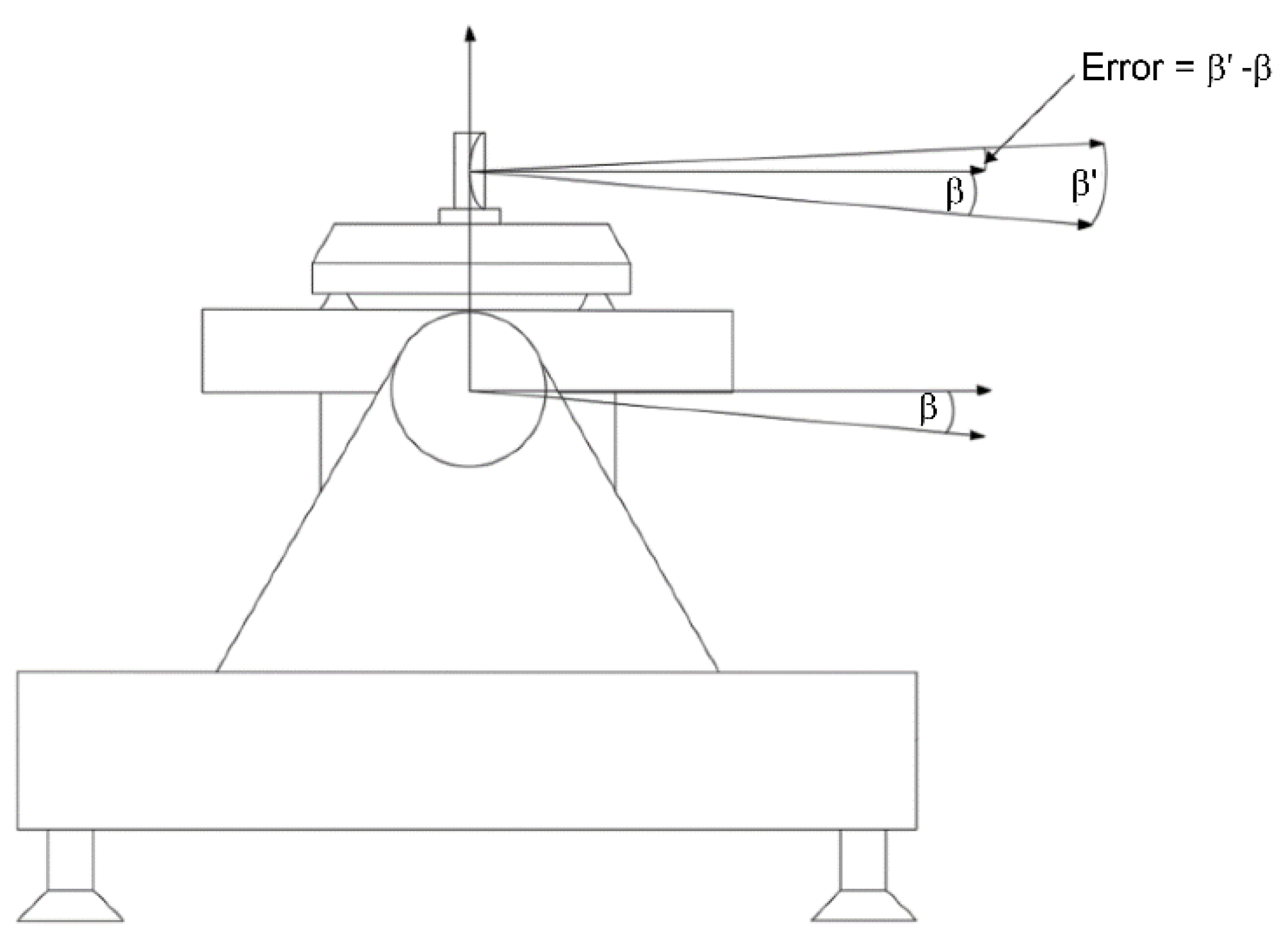
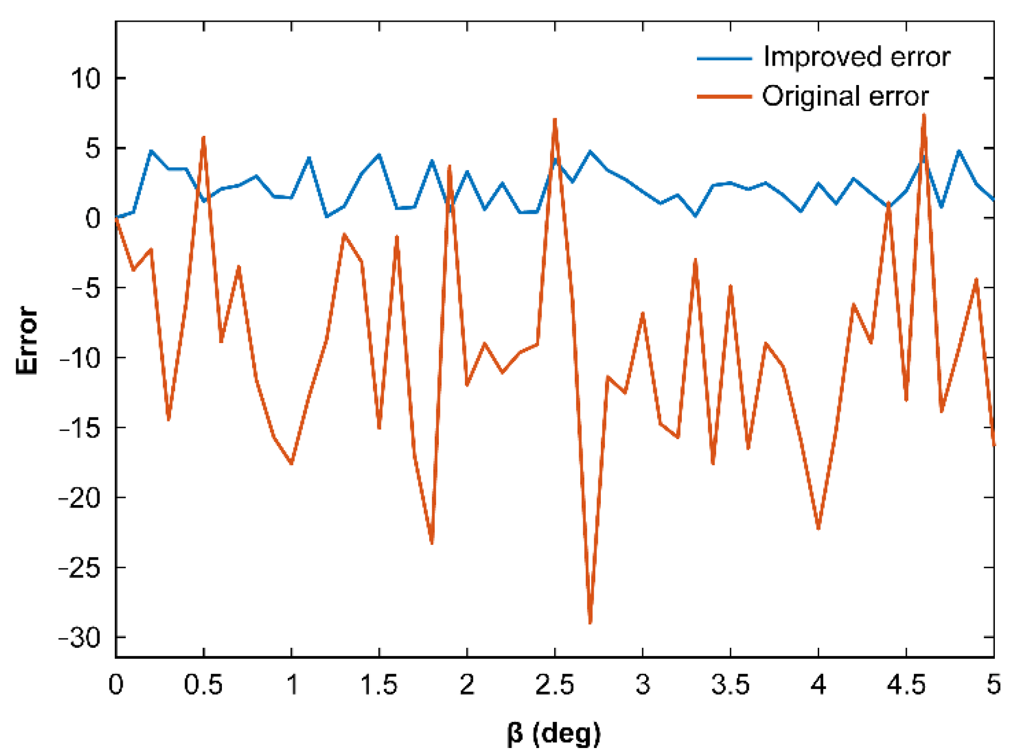
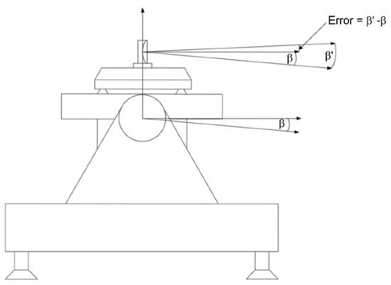
4.2. Experimental Verification
5. Conclusions
Author Contributions
Funding
Data Availability Statement
Acknowledgments
Conflicts of Interest
References
- Bagheri, N. Development of a high-resolution aerial remote-sensing system for precision agriculture. Int. J. Remote Sens. 2017, 38, 2053–2065. [Google Scholar] [CrossRef]
 - Xiu, J.; Zhai, L. Main factors affecting the quality of aerial images. Infrared 2005, 8, 10–16. [Google Scholar]
 - Hu, J.; Zhi, X.; Gong, J.; Yin, Z.; Fan, Z. Error tolerance and effects analysis of satellite vibration characteristics and measurement error on TDICCD image restoration. Infrared Phys. Technol. 2018, 93, 277–285. [Google Scholar] [CrossRef]
 - Yu, H. Decoupling and Control of Three-Axis Turntable; Harbin Institute of Technology: Shenzhen, China, 2013. [Google Scholar]
 - Cunhai, L.; Guangfeng, C. Decoupling and control of three-axis turret based on modified repetitive control system. Electro-Opt. Technol. Appl. 2014, 5, 29. [Google Scholar]
 - Wei, W. The Research of Optical Axis Stabilization of the Airborne Photoelectric Platform. Doctoral Dissertation, Changchun Institute of Optics, Fine Mechanics and Physics, Changchun, China, 2015. [Google Scholar]
 - Zhou, X.; Li, Y.; Yue, H.; Jia, Y.; Zhao, L.; Zhu, Z. An Improved cerebellar model articulation controller based on the compound algorithms of credit assignment and optimized smoothness for a three-axis inertially stabilized platform. Mechatronics 2018, 53, 95–108. [Google Scholar] [CrossRef]
 - Zeng, D. Research on the Control System of Inertially Stabilized Platform Gimbal for Airborne Remote Sensing; National University of Defense Technology: Changsha, China, 2016; pp. 1–102. [Google Scholar]
 - Su, S.F.; Tao, T.; Hung, T.H. Credit assigned CMAC and its application to online learning robust controllers. IEEE Trans. Syst. Man Cybern. Part B Cybern. 2003, 33, 202–213. [Google Scholar] [CrossRef]
 - Hwang, M.; Chen, Y.J.; Ju, M.Y.; Jiang, W. A fuzzy CMAC learning approach to image based visual servoing system. Inf. Sci. 2021, 576, 187–203. [Google Scholar] [CrossRef]
 - Jalilzadeh, A.; Nedić, A.; Shanbhag, U.V.; Yousefian, F. A variable sample-size stochastic quasi-newton method for smooth and nonsmooth stochastic convex optimization. Math. Oper. Res. 2022, 47, 690–719. [Google Scholar] [CrossRef]
 - Wang, Z. Research on Control Algorithm of Aerial Remote Sensing Stabilization Platform; Changchun University of Technology: Changchun, China, 2021. [Google Scholar]
 - Zhu, Q. Complete model-free sliding mode control (CMFSMC). Sci. Rep. 2021, 11, 22565. [Google Scholar] [CrossRef] [PubMed]
 - Li, Y.; Zhu, Q.; Zhang, J. Distributed adaptive fixed-time neural networks control for nonaffine nonlinear multiagent systems. Sci. Rep. 2022, 12, 8459. [Google Scholar] [CrossRef] [PubMed]
 - Su, H.J.; Li, D.M.; Wang, S.L.; Zhang, Y.T.; Guo, X. Research on electron beam center trajectory correction algorithm based on differential evolution CMAC. At. Energy Sci. Technol. 2015, 49, 130–133. [Google Scholar]
 - Su, G.; Chen, Z.; Yuan, Z. The theory and application of cmac. Chin. J. Sci. Instrum. 2003, 024, 269–273. [Google Scholar]
 - Lindeberg, T. Edge detection and ridge detection with automatic scale selection. Int. J. Comput. Vis. 1998, 30, 117–156. [Google Scholar] [CrossRef]
 


















| Pitch Axis | Roll Axis | |
|---|---|---|
| Range of motion (°) | ±45 | ±45 | 
| Maximum angular velocity (°/s) | ≥90 | ≥90 | 
| Minimum angular velocity (°/s) | ≤0.01 | ≤0.01 | 
| Angular acceleration (°/s) | 150 | 150 | 
| Rotation accuracy (″) | ±15 | ±15 | 
| Parameter | ||
|---|---|---|
| ±10″ | ≤0.1″ | |
| Precision | ±20″ | ≤0.2″ | 
| ±1000″ | ≤0.5″ | |
| Number of measuring axes | X/Y Simultaneous measurement | |
| Accuracy index measurement range | 2000″ × 2000″ | |
| Signal acquisition range | 3000″ × 3000″ | |
| Resolution | 0.01″ | |
| Repeatability | 0.04″ | |
| Focal length | 300 mm | |
| Measuring frequency response | 25 Hz TYP | 
Disclaimer/Publisher’s Note: The statements, opinions and data contained in all publications are solely those of the individual author(s) and contributor(s) and not of MDPI and/or the editor(s). MDPI and/or the editor(s) disclaim responsibility for any injury to people or property resulting from any ideas, methods, instructions or products referred to in the content.  | 
© 2022 by the authors. Licensee MDPI, Basel, Switzerland. This article is an open access article distributed under the terms and conditions of the Creative Commons Attribution (CC BY) license (https://creativecommons.org/licenses/by/4.0/).
Share and Cite
Ran, T.; Shi, G.; Lin, J.; Meng, L. Decoupling Control of an Aviation Remote Sensing Stabilization Platform Based on a Cerebellar Model Articulation Controller. Machines 2023, 11, 5. https://doi.org/10.3390/machines11010005
Ran T, Shi G, Lin J, Meng L. Decoupling Control of an Aviation Remote Sensing Stabilization Platform Based on a Cerebellar Model Articulation Controller. Machines. 2023; 11(1):5. https://doi.org/10.3390/machines11010005
Chicago/Turabian StyleRan, Tonghuan, Guangfeng Shi, Jieqiong Lin, and Linghe Meng. 2023. "Decoupling Control of an Aviation Remote Sensing Stabilization Platform Based on a Cerebellar Model Articulation Controller" Machines 11, no. 1: 5. https://doi.org/10.3390/machines11010005
APA StyleRan, T., Shi, G., Lin, J., & Meng, L. (2023). Decoupling Control of an Aviation Remote Sensing Stabilization Platform Based on a Cerebellar Model Articulation Controller. Machines, 11(1), 5. https://doi.org/10.3390/machines11010005
        
