A Review of Axial-Flux Permanent-Magnet Motors: Topological Structures, Design, Optimization and Control Techniques
Abstract
1. Introduction
1.1. Literature Survey
1.2. Motivations and Contributions
2. Topological Structures of Axial-Flux Permanent-Magnet Motors
3. Design and Optimization of Axial-Flux Permanent-Magnet Motors
3.1. Sizing Equation
3.2. Electromagnetic Modeling
3.3. Optimization Design
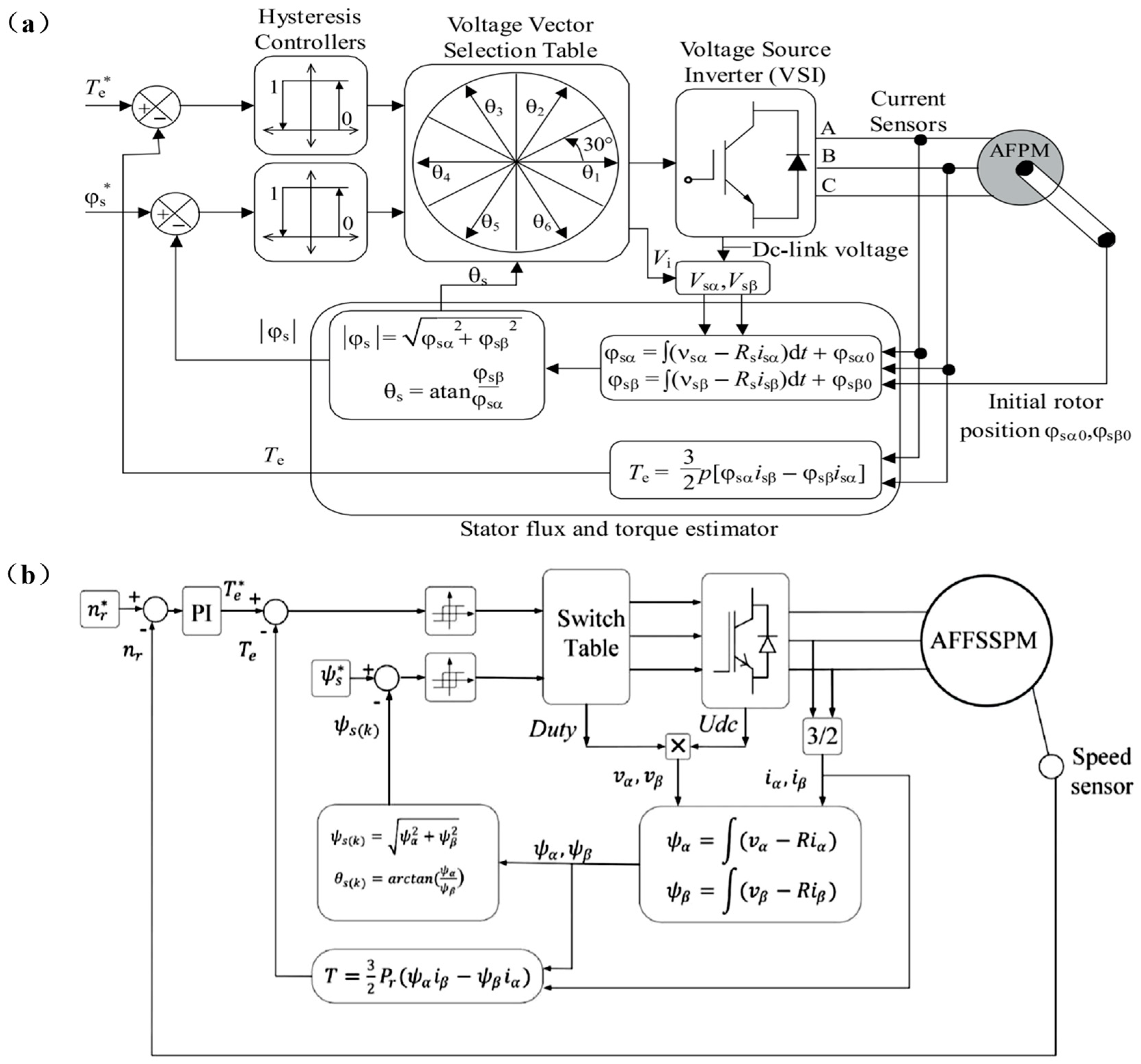
4. Control Techniques of Axial-Flux Permanent-Magnet Motors
4.1. Classical Control Techniques
4.1.1. Field Oriented Control (FOC)
4.1.2. Direct Torque Control (DTC)
4.1.3. Improved FOC and DTC
4.2. Novel Control Techniques
5. Conclusions
- Topological structures: There are many novel topological structures of AFPM motors, among which the YASA-type AFPM motors have great potential for development due to their advantages of high efficiency and high energy density. At the same time, new materials have also been applied to the design of novel topological structures of AFPM motors. For example, AFPM motors with printed circuit board (PCB) windings have larger air gap flux density and can effectively reduce magnetic flux leakage, which has broad application prospects. In the future, AFPM motor topological structures should be innovatively developed towards simple structures, with light weight and low cost.
- Design and optimization methods: In the design of AFPM motors, the diameter ratio is regarded as the most important design parameter of AFPM motors, and power loss, torque ripple and vibration noise are important considerations in the design of AFPM motors as well. The three-dimensional model of AFPM motors can be transformed into a quasi-three-dimensional model by comprehensively using the FEA and MEC analysis, and on this basis, the multi-objective optimization design theories are integrated to optimize the design of AFPM motors, which can achieve accurate modeling and efficient analysis of AFPM motors.
- Control techniques: The AFPM motors have high requirements for the control system, such as simplicity, stability and reliability. With the development of traditional control algorithms (FOC and DTC), the novel control algorithms (such as MPC and ARC) are design and proposed to optimize the control of AFPM motors, and the sensorless control algorithm can improve reliability and reduce cost. In the future, the control techniques of AFPM motors will be further explored and developed around comprehensive aspects such as robust performance, dynamic response ability and intelligence level.
Author Contributions
Funding
Data Availability Statement
Conflicts of Interest
References
- Havel, A.; Sobek, M.; Stepanec, L.; Strossa, J. Optimization of Permanent Magnet Parameters in Axial Flux Rotary Converter for HEV Drive. Energies 2022, 15, 724. [Google Scholar] [CrossRef]
- Kumar, S.; Lipo, T.A.; Kwon, B.I. A 32,000 r/min Axial Flux Permanent Magnet Machine for Energy Storage with Mechanical Stress Analysis. IEEE Trans. Magn. 2016, 52, 8205004. [Google Scholar] [CrossRef]
- Ouldhamrane, H.; Charpentier, J.-F.; Khoucha, F.; Zaoui, A.; Achour, Y.; Benbouzid, M. Optimal Design of Axial Flux Permanent Magnet Motors for Ship RIM-Driven Thruster. Machines 2022, 10, 932. [Google Scholar] [CrossRef]
- Di Dio, V.; Cipriani, G.; Manno, D. Axial Flux Permanent Magnet Synchronous Generators for Pico Hydropower Application: A Parametrical Study. Energies 2022, 15, 6893. [Google Scholar] [CrossRef]
- Shin, D.-Y.; Jung, M.-J.; Lee, K.-B.; Lee, K.-D.; Kim, W.-H. A Study on the Improvement of Torque Density of an Axial Slot-Less Flux Permanent Magnet Synchronous Motor for Collaborative Robot. Energies 2022, 15, 3464. [Google Scholar] [CrossRef]
- Celik, E.; Gor, H.; Ozturk, N.; Kurt, E. Application of artificial neural network to estimate power generation and efficiency of a new axial flux permanent magnet synchronous generator. Int. J. Hydrog. Energy 2017, 42, 17692–17699. [Google Scholar] [CrossRef]
- Shao, L.Y.; Navaratne, R.; Popescu, M.; Liu, G.P. Design and Construction of Axial-Flux Permanent Magnet Motors for Electric Propulsion Applications-A Review. IEEE Access 2021, 9, 158998–159017. [Google Scholar] [CrossRef]
- Bi, Y.L.; Pei, Y.L.; Chai, F. A Novel Axial Flux Interior Permanent Magnet Motor with High Torque Density. In Proceedings of the 22nd International Conference on Electrical Machines and Systems (ICEMS), Harbin, China, 11–14 August 2019; pp. 2797–2801. [Google Scholar]
- Wang, D.H.; Peng, C.; Xue, D.H.; Zhang, D.X.; Wang, X.H. Performance Assessment and Comparative Study of a Permanent Magnet Machine with Axial Flux Regulator. IEEE Trans. Energy Convers. 2019, 34, 1522–1531. [Google Scholar] [CrossRef]
- Mlot, A.; Gonzalez, J. Performance Assessment of Axial-Flux Permanent Magnet Motors from a Manual Manufacturing Process. Energies 2020, 13, 2122. [Google Scholar] [CrossRef]
- Hao, L.; Lin, M.Y.; Xu, D.; Fu, X.H.; Zhang, W. Static Characteristics of a Novel Axial Field Flux-Switching Permanent Magnet Motor with Three Stator Structures. IEEE Trans. Magn. 2014, 50, 4002604. [Google Scholar] [CrossRef]
- Torkaman, H.; Ghaheri, A.; Keyhani, A. Design of Rotor Excited Axial Flux-Switching Permanent Magnet Machine. IEEE Trans. Energy Convers. 2018, 33, 1175–1183. [Google Scholar] [CrossRef]
- Wang, X.G.; Zhao, M.; Zhou, Y.; Wan, Z.W.; Xu, W. Design and Analysis for Multi-Disc Coreless Axial-Flux Permanent-Magnet Synchronous Machine. IEEE Trans. Appl. Supercond. 2022, 31, 5203804. [Google Scholar] [CrossRef]
- Hwang, C.-C.; Li, P.-L.; Chuang, F.C.; Liu, C.-T.; Huang, K.-H. Optimization for Reduction of Torque Ripple in an Axial Flux Permanent Magnet Machine. IEEE Trans. Magn. 2009, 45, 1760–1763. [Google Scholar] [CrossRef]
- Cetin, E.; Daldaban, F. Reducing Torque Ripples of the Axial Flux PM Motors by Magnet Stepping and Shifting. Eng. Technol. Appl. Sci. 2018, 8, 2385–2388. [Google Scholar] [CrossRef]
- Torres, J.; Pena, R.; Riedemann, J.; Tapia, J.; Moncada, R.; Jara, W.; Pesce, C. Direct power control strategy for an axial flux permanent magnet synchronous machine. Electr. Eng. 2020, 102, 481–491. [Google Scholar] [CrossRef]
- Bouyahia, O.; Betin, F.; Yazidi, A. Fault-Tolerant Fuzzy Logic Control of a 6-Phase Axial Flux Permanent-Magnet Synchronous Generator. Energies 2022, 15, 1301. [Google Scholar] [CrossRef]
- Lu, H.X.; Li, J.; Qu, R.H.; Ye, D.L.; Xiao, L.Y. Reduction of Unbalanced Axial Magnetic Force in Postfault Operation of a Novel Six-Phase Double-Stator Axial-Flux PM Machine Using Model Predictive Control. IEEE Trans. Ind. Appl. 2017, 53, 5461–5469. [Google Scholar] [CrossRef]
- Kahourzade, S.; Mahmoudi, A.; Ping, H.W.; Uddin, M.N. A Comprehensive Review of Axial-Flux Permanent-Magnet Machines. Can. J. Elect. Comput. E 2014, 37, 19–33. [Google Scholar] [CrossRef]
- Habib, A.; Zainuri, M.A.A.M.; Che, H.S.; Ibrahim, A.A.; Abd Rahim, N.; Alaas, Z.M.; Ahmed, M.M.R. A systematic review on current research and developments on coreless axial-flux permanent-magnet machines. IET Electr. Power. App. 2022, 16, 1095–1116. [Google Scholar] [CrossRef]
- Zhao, J.L.; Lu, Z.L.; Han, Q.F.; Wang, L.; Lin, M.Y. An Overview on Development of Axial Flux Permanent Magnet Motor System and the Key Technology. Proc. CSEE 2022, 42, 2744–2764. [Google Scholar]
- Tehrani, G.G.; Dardel, M.; Pashaei, M.H. Passive vibration absorbers for vibration reduction in the multi-bladed rotor with rotor and stator contact. Acta Mech 2019, 231, 597–623. [Google Scholar] [CrossRef]
- Xia, B.; Shen, J.-X.; Luk, P.C.-K.; Fei, W.Z. Comparative Study of Air-Cored Axial-Flux Permanent-Magnet Machines with Different Stator Winding Configurations. IEEE Trans. Ind. Electron. 2015, 62, 846–856. [Google Scholar] [CrossRef]
- Syed, Q.A.S.; Kurtovic, H.; Hahn, I. Double Stator and Single Rotor Type Single-Phase Flux Switching Axial Flux Permanent Magnet Motor. In Proceedings of the 20th IEEE International Conference on Electrical Machines and Systems (ICEMS), Sydney, Australia, 11–17 August 2017. [Google Scholar]
- Habib, A.; Che, H.S.; Abd Rahim, N.; Tousizadeh, M.; Sulaiman, E. A fully coreless Multi-Stator Multi-Rotor (MSMR) AFPM generator with combination of conventional and Halbach magnet arrays. Alex. Eng. J. 2020, 59, 589–600. [Google Scholar] [CrossRef]
- Polat, M.; Yildiz, A.; Akinci, R. Performance Analysis and Reduction of Torque Ripple of Axial Flux Permanent Magnet Synchronous Motor Manufactured for Electric Vehicles. IEEE Trans. Magn. 2021, 57, 8106809. [Google Scholar] [CrossRef]
- Hou, J.; Geng, W.W.; Zhu, T.; Li, Q. Topological Principle and Electromagnetic Performance of a Novel Axial-Flux Hybrid-Excitation In-wheel Motor. In Proceedings of the 2021 23rd European Conference on Power Electronics and Applications, Ghent, Belgium, 6–10 September 2021. [Google Scholar]
- Gholamian, S.A.; Ardebili, M.; Abbaszadeh, K. Selecting and Construction of High Power Density Double-Sided Axial Flux Slotted Permanent Magnet Motors for Electric Vehicles. Int. Rev. Electr. Eng.-I. 2009, 4, 477–484. [Google Scholar]
- De Donato, G.; Capponi, F.G.; Borocci, G.; Caricchi, F.; Beneduce, L.; Fratelli, L.; Tarantino, A. Omega-Shaped Axial-Flux Permanent-Magnet Machine for Direct-Drive Applications with Constrained Shaft Height. IEEE Trans. Ind. Appl. 2015, 51, 3050–3058. [Google Scholar] [CrossRef]
- Aydin, M.; Huang, S.R.; Lipo, T.A. A new axial flux surface mounted permanent magnet machine capable of field control. In Proceedings of the 2002 IEEE Industry Applications Society (IAS), Pittsburgh, PA, USA, 13–18 October 2002; pp. 1250–1257. [Google Scholar]
- Mohamed, A.H.; Hemeida, A.; Rashekh, A.; Vansompel, H.; Arkkio, A.; Sergeant, P. A 3D Dynamic Lumped Parameter Thermal Network of Air-Cooled YASA Axial Flux Permanent Magnet Synchronous Machine. Energies 2018, 11, 774. [Google Scholar] [CrossRef]
- Benlamine, R.; Dubas, F.; Espanet, C.; Randi, S.-A.; Lhotellier, D. Design of an axial-flux interior permanent-magnet synchronous motor for automotive application: Performance comparison with electric motors used in EVs and HEVs. In Proceedings of the 2014 IEEE Vehicle Power and Propulsion Conference (VPPC), Coimbra, Portugal, 27–30 October 2014. [Google Scholar]
- Li, J.; Lu, Y.; Cho, Y.-H.; Qu, R.H. Design, Analysis, and Prototyping of a Water-Cooled Axial-Flux Permanent-Magnet Machine for Large-Power Direct-Driven Applications. IEEE Trans. Ind. Appl. 2019, 55, 3555–3565. [Google Scholar] [CrossRef]
- Friedrich, L.A.J.; Bastiaens, K.; Gysen, B.L.J.; Krop, D.C.J.; Lomonova, E.A. Design of an Axial-Flux Permanent Magnet Machine for a Solar-Powered Electric Vehicle. In Proceedings of the 2018 Thirteenth International Conference on Ecological Vehicles and Renewable Energies (EVER), Monte Carlo, Monaco, 10–12 April 2018. [Google Scholar]
- Wang, Y.H.; Lu, J.W.; Liu, C.C.; Lei, G.; Guo, Y.G.; Zhu, J.G. Development of a High-Performance Axial Flux PM Machine With SMC Cores for Electric Vehicle Application. IEEE Trans. Magn. 2019, 55, 8105304. [Google Scholar] [CrossRef]
- Larbi, B.; Hatti, M.; Koozi, K.; Ghadbane, A. Design and Investigation of Axial Flux Permanent Magnet Synchronous Machine for electric vehicles. In Proceedings of the 2018 International Conference on Communications and Electrical Engineering (ICCEE), Eloued, Algeria, 17–18 December 2018; pp. 180–185. [Google Scholar]
- Takahashi, T.; Takemoto, M.; Ogasawara, S.; Ogawa, T.; Arita, H.; Daikoku, A. Development of a Consequent-Pole-PM-Type Axial-Gap Motor with DC Field Winding. IEEE Trans. Ind. Appl. 2021, 57, 4363–4375. [Google Scholar] [CrossRef]
- De Bisschop, J.; Abdallh, A.A.E.; Sergeant, P.; Dupre, L. Analysis and selection of harmonics sensitive to demagnetisation faults intended for condition monitoring of double rotor axial flux permanent magnet synchronous machines. IET Electr. Power. Appl. 2018, 12, 486–493. [Google Scholar] [CrossRef]
- Di Gerlando, A.; Foglia, G.M.; Iacchetti, M.F.; Perini, R. Parasitic Currents in Stray Paths of Some Topologies of YASA AFPM Machines: Trend with Machine Size. IEEE Trans. Ind. Electron. 2016, 63, 2746–2756. [Google Scholar] [CrossRef]
- Xu, L.J.; Xu, Y.L.; Gong, J.L. Analysis and Optimization of Cogging Torque in Yokeless and Segmented Armature Axial-Flux Permanent-Magnet Machine with Soft Magnetic Composite Core. IEEE Trans. Magn. 2018, 54, 8106005. [Google Scholar] [CrossRef]
- Fard, J.R.; Ardebili, M. Design and Control of a Novel Yokeless Axial Flux-Switching Permanent-Magnet Motor. IEEE Trans. Energy Convers. 2019, 34, 631–642. [Google Scholar] [CrossRef]
- Chang, J.J.; Fan, Y.E.; Wu, J.L.; Zhu, B. A Yokeless and Segmented Armature Axial Flux Machine with Novel Cooling System for In-Wheel Traction Applications. IEEE Trans. Ind. Electron. 2021, 68, 4131–4140. [Google Scholar] [CrossRef]
- Taran, N.; Klink, D.; Heins, G.; Rallabandi, V.; Patterson, D.; Ionel, D.M. A Comparative Study of Yokeless and Segmented Armature Versus Single Sided Axial Flux PM Machine Topologies for Electric Traction. IEEE Trans. Ind. Appl. 2022, 58, 325–335. [Google Scholar] [CrossRef]
- Axial-flux Designs Rev Up the Future of Electric Motors. Available online: https://www.allaboutcircuits.com/news/axial-flux-designs-rev-up-future-electric-motors/ (accessed on 11 October 2022).
- High Power & Torque Axial Flux Electric Motor. Available online: https://www.yasa.com/products/yasa-750/ (accessed on 10 October 2022).
- Axial-Flux Permanent-Magnet motors. Available online: http://www.magelec.cn/products/classify (accessed on 11 October 2022).
- Si, J.K.; Zhang, T.X.; Hu, Y.H.; Gan, C.; Li, Y.S. An Axial-Flux Dual-Rotor Slotless Permanent Magnet Motor with Novel Equidirectional Toroidal Winding. IEEE Trans. Energy Convers. 2022, 37, 1752–1763. [Google Scholar] [CrossRef]
- Kalender, O.; Ege, Y.; Nazlibilek, S. Design and determination of stator geometry for axial flux permanent magnet free rod rotor synchronous motor. Measurement 2011, 44, 1753–1760. [Google Scholar] [CrossRef]
- Carpi, T.; Bonnet, M.; Touhami, S.; Lefevre, Y.; Llibre, J.F. Unified Sizing Model Approach for Radial and Axial Flux Permanent Magnet Machines. In Proceedings of the 24th International Conference on Electrical Machines (ICEM), Gothenburg, Sweden, 23–26 August 2020; pp. 359–365. [Google Scholar]
- Huang, S.R.; Luo, J.; Leonardi, F.; Lipo, T.A. A general approach to sizing and power density equations for comparison of electrical machines. IEEE Trans. Ind. Appl. 1998, 34, 92–97. [Google Scholar] [CrossRef]
- Chen, A.Y.; Nilssen, R.; Nysveen, A. Performance Comparisons Among Radial-Flux, Multistage Axial-Flux, and Three-Phase Transverse-Flux PM Machines for Downhole Applications. IEEE Trans. Ind. Appl. 2010, 46, 779–789. [Google Scholar] [CrossRef]
- Huang, S.R.; Luo, J.; Leonardi, F.; Lipo, T.A. A comparison of power density for axial flux machines based on general purpose sizing equations. IEEE Trans. Energy Convers. 1999, 14, 185–191. [Google Scholar] [CrossRef]
- Wang, M.Q.; Tong, C.D.; Song, Z.Y.; Liu, J.Q.; Zheng, P. Performance Analysis of an Axial Magnetic-Field-Modulated Brushless Double-Rotor Machine for Hybrid Electric Vehicles. IEEE Trans. Ind. Electron. 2018, 66, 806–817. [Google Scholar] [CrossRef]
- Yesilbag, E.; Ertugrul, Y.; Ergene, L. Axial flux PM BLDC motor design methodology and comparison with a radial flux PM BLDC motor. Turk. J. Electr. Eng. Comput. Sci. 2017, 25, 3455–3467. [Google Scholar] [CrossRef]
- Kim, J.H.; Choi, W.; Sarlioglu, B. Closed-Form Solution for Axial Flux Permanent-Magnet Machines with a Traction Application Study. IEEE Trans. Ind. Appl. 2016, 52, 1775–1784. [Google Scholar] [CrossRef]
- Wang, C.; Zhang, Z.R.; Liu, Y.; Geng, W.W.; Gao, H.M. Effect of Slot-Pole Combination on the Electromagnetic Performance of Ironless Stator AFPM Machine with Concentrated Windings. IEEE Trans. Energy Convers. 2020, 35, 1098–1109. [Google Scholar] [CrossRef]
- Yazdan, T.; Kwon, B.I. Electromagnetic design and performance analysis of a two-phase AFPM BLDC motor for the only-pull drive technique. IET Electr. Power Appl. 2018, 12, 999–1005. [Google Scholar] [CrossRef]
- Dwivedi, A.; Singh, S.K.; Srivastava, R.K. Analysis and Performance Evaluation of Axial Flux Permanent Magnet Motors. IEEE Trans. Ind. Appl. 2018, 54, 1765–1772. [Google Scholar] [CrossRef]
- Huang, Q.; Luo, L.; Zhu, L.W. Design and Research of Axial Flue Permanent Magnet Motor for Electric Vehicle. In Proceedings of the 3rd IEEE International Electrical and Energy Conference (CIEEC), Beijing, China, 7–9 September 2019; pp. 1918–1923. [Google Scholar]
- Guney, O.F.; Celik, A.; Bozkurt, A.F.; Erkan, K. Design and analysis of a high speed double-sided axial flux permanent magnet motor suspended vertically by magnetic bearings. Int. J. Appl. Electrom. 2021, 64, S297–S310. [Google Scholar] [CrossRef]
- Jung, J.W.; Park, H.I.; Hong, J.P.; Lee, B.H. A Novel Approach for 2-D Electromagnetic Field Analysis of Surface Mounted Permanent Magnet Synchronous Motor Taking into Account Axial End Leakage Flux. IEEE Trans. Magn. 2017, 53, 8208104. [Google Scholar] [CrossRef]
- Mahmoudi, A.; Rahim, N.A.; Hew, W.P. An analytical complementary FEA tool for optimizing of axial-flux permanent-magnet machines. Int. J. Appl. Electrom. 2011, 37, 19–34. [Google Scholar] [CrossRef]
- Capponi, F.G.; De Donato, G.; Caricchi, F. Recent Advances in Axial-Flux Permanent-Magnet Machine Technology. IEEE Trans. Ind. Appl. 2013, 48, 2190–2205. [Google Scholar] [CrossRef]
- Aycicek, E.; Bekiroglu, N.; Ozcira, S. An Experimental Analysis on Cogging Torque of Axial Flux Permanent Magnet Synchronous Machine. P. Natl. A Sci. India A 2016, 86, 95–101. [Google Scholar] [CrossRef]
- Kim, J.H.; Li, Y.J.; Cetin, E.; Sarlioglu, B. Influence of Rotor Tooth Shaping on Cogging Torque of Axial Flux-Switching Permanent Magnet Machine. IEEE Trans. Ind. Appl. 2019, 55, 1290–1298. [Google Scholar] [CrossRef]
- Huang, R.D.; Liu, C.H.; Song, Z.X.; Zhao, H. Design and Analysis of a Novel Axial-Radial Flux Permanent Magnet Machine with Halbach-Array Permanent Magnets. Energies 2021, 14, 3639. [Google Scholar] [CrossRef]
- Carpi, T.; Lefevre, Y.; Henaux, C.; Llibre, J.F.; Harribey, D. 3-D Hybrid Model of the Axial-Flux Motor Accounting Magnet Shape. IEEE Trans. Magn. 2022, 58, 8105004. [Google Scholar] [CrossRef]
- Zhu, L.L.; Xu, D.; Li, Q.; Sun, W.; Hu, Y.Q. Analysis and Optimization of Equivalent Magnetic Circuit Model for a Hybrid Axial Field Flux-Switching Permanent Magnet Machine. In Proceedings of the 21st International Conference on Electrical Machines and Systems (ICEMS), Jeju, Korea, 7–10 October 2018; pp. 407–412. [Google Scholar]
- Patel, A.N.; Suthar, B.N. Cogging Torque Reduction of Sandwiched Stator Axial Flux Permanent Magnet Brushless DC Motor using Magnet Notching Technique. Int. J. Eng. 2019, 32, 940–946. [Google Scholar]
- Gulec, M.; Aydin, M. Implementation of different 2D finite element modelling approaches in axial flux permanent magnet disc machines. IET Electr. Power Appl. 2018, 12, 195–202. [Google Scholar] [CrossRef]
- Kim, K.H.; Woo, D.K. Novel Quasi-Three-Dimensional Modeling of Axial Flux In-Wheel Motor with Permanent Magnet Skew. IEEE Access 2022, 10, 98842–98854. [Google Scholar] [CrossRef]
- Huang, Y.K.; Zhou, T.; Dong, J.N.; Lin, H.Y.; Yang, H.; Cheng, M. Magnetic Equivalent Circuit Modeling of Yokeless Axial Flux Permanent Magnet Machine with Segmented Armature. IEEE Trans. Magn. 2014, 50, 8104204. [Google Scholar] [CrossRef]
- Tong, W.M.; Wang, S.; Dai, S.H.; Wu, S.N.; Tang, R.Y. A Quasi-Three-Dimensional Magnetic Equivalent Circuit Model of a Double-Sided Axial Flux Permanent Magnet Machine Considering Local Saturation. IEEE Trans. Energy Convers. 2018, 33, 2163–2173. [Google Scholar] [CrossRef]
- Zhao, J.; Ma, T.K.; Liu, X.D.; Zhao, G.D.; Dong, N. Performance Analysis of a Coreless Axial-Flux PMSM by an Improved Magnetic Equivalent Circuit Model. IEEE Trans. Energy Convers. 2021, 36, 2120–2130. [Google Scholar] [CrossRef]
- Zhang, Y.P.; Wang, Y.M.; Gao, S.N. 3-D magnetic equivalent circuit model for a coreless axial flux permanent-magnet synchronous generator. IET Electr. Power App. 2021, 15, 1261–1273. [Google Scholar] [CrossRef]
- Gao, H.M.; Zhang, Z.R.; Wang, C.; Geng, W.W.; Liu, Y. Analysis of end effect in ironless stator AFPM machine via MEC model. IET Electr. Power App. 2020, 14, 147–156. [Google Scholar] [CrossRef]
- Wang, W.Q.; Zhou, S.Q.; Mi, H.J.; Wen, Y.D.; Liu, H.; Zhang, G.P.; Guo, J.Y. Sensitivity Analysis and Optimal Design of a Stator Coreless Axial Flux Permanent Magnet Synchronous Generator. Sustainability 2019, 11, 1414. [Google Scholar] [CrossRef]
- Johnson, M.; Gardner, M.C.; Toliyat, H.A. A Parameterized Linear 3D Magnetic Equivalent Circuit for Analysis and Design of Radial Flux Magnetic Gears-Part II: Evaluation. IEEE Trans. Energy Convers. 2021, 36, 2903–2911. [Google Scholar] [CrossRef]
- Benmessaoud, Y.; Ouamara, D.; Dubas, F.; Hilairet, M. Investigation of Volumic Permanent-Magnet Eddy-Current Losses in Multi-Phase Synchronous Machines from Hybrid Multi-Layer Model. Math. Comput. Appl. 2020, 25, 14. [Google Scholar] [CrossRef]
- Lim, D.K.; Woo, D.K.; Kim, I.W.; Ro, J.S.; Jung, H.K. Cogging Torque Minimization of a Dual-Type Axial-Flux Permanent Magnet Motor Using a Novel Optimization Algorithm. IEEE Trans. Magn. 2013, 49, 5106–5111. [Google Scholar] [CrossRef]
- Verkroost, L.; Vansompel, H.; De Belie, F.; Sergeant, P. Comparison Between Two Fault Tolerant Deadbeat Controllers under Partial Demagnetization Faults in Permanent Magnet Synchronous Machines. In Proceedings of the 24th International Conference on Electrical Machines (ICEM), Gothenburg, Sweden, 23–26 August 2020; pp. 1074–1080. [Google Scholar]
- Lok, C.L.; Vengadaesvaran, B.; Ramesh, S. Implementation of hybrid pattern search-genetic algorithm into optimizing axial-flux permanent magnet coreless generator (AFPMG). Electr. Eng. 2017, 99, 751–761. [Google Scholar] [CrossRef]
- Fard, J.R.; Ardebili, M. Design and prototyping of the novel axial flux-switching permanent-magnet motor. COMPEL—Int. J. Comput. Math. Electr. Electron. Eng. 2018, 37, 890–910. [Google Scholar] [CrossRef]
- Meo, S.; Zohoori, A.; Vahedi, A. Optimal design of permanent magnet flux switching generator for wind applications via artificial neural network and multi-objective particle swarm optimization hybrid approach. Energy Convers. Manag. 2016, 110, 230–239. [Google Scholar] [CrossRef]
- Fard, J.R.; Ardebili, M. Optimal Design and Analysis of the Novel Low Cogging Torque Axial Flux-Switching Permanent-Magnet Motor. Electr. Pow. Compo. Sys. 2019, 46, 1330–1339. [Google Scholar] [CrossRef]
- Patel, A.N.; Suthar, B.N. Design Optimization of Axial Flux Surface Mounted Permanent Magnet Brushless DC Motor For Electrical Vehicle Based on Genetic Algorithm. Int. J. Eng. 2018, 31, 1050–1056. [Google Scholar]
- Shariati, O.; Behnamfar, A.; Potter, B. An Integrated Elitist Approach to the Design of Axial Flux Permanent Magnet Synchronous Wind Generators (AFPMWG). Energies 2022, 15, 3262. [Google Scholar] [CrossRef]
- Deng, W.Z.; Zuo, S.G. Noise reduction of axial-flux motors by combining various pole-arc coefficients and circumferential shifting of permanent magnets: Analytical approach. IET Electr. Power Appl. 2019, 13, 951–957. [Google Scholar] [CrossRef]
- Gulec, M.; Aydin, M. Design and Optimization of an Axial Flux Permanent Magnet Assisted Eddy Current Brake. In Proceedings of the 12th International Conference on Electrical and Electronics Engineering (ELECO), Bursa, Turke, 26–28 November 2020; pp. 64–67. [Google Scholar]
- Li, H.F.; Cui, L.F.; Ma, Z.G.; Li, B. Multi-Objective Optimization of the Halbach Array Permanent Magnet Spherical Motor Based on Support Vector Machine. Energies 2020, 13, 5704. [Google Scholar] [CrossRef]
- Abd-Rabou, A.S.; Marei, M.I.; Badr, M.A.L.; Basha, M.A. Design Optimization of Axial Flux Permanent Magnet Brushless DC Micromotor Using Response Surface Methodology and Bat Algorithm. In Proceedings of the 44th Annual Conference of the IEEE Industrial-Electronics-Society (IECON), Washington, DC, USA, 20–23 October 2018; pp. 471–476. [Google Scholar]
- Zhu, J.; Li, G.H.; Cao, D.; Zhang, Z.Y. Voltage regulation Rate and THD optimization analysis of coreless axial flux PM synchronous generator for wind power generation. IEEJ Trans. Electr. Electron. Eng. 2019, 14, 1485–1493. [Google Scholar]
- Rostami, N. Particle swarm optimization approach to optimal design of an AFPM traction machine for different driving conditions. Turk. J. Electr. Eng. Co. 2019, 27, 3234–3246. [Google Scholar] [CrossRef]
- Chakkarapani, K.; Thangavelu, T.; Dharmalingam, K.; Thandavarayan, P. Multiobjective design optimization and analysis of magnetic flux distribution for slotless permanent magnet brushless DC motor using evolutionary algorithms. J. Magn. Magn. Mater. 2019, 476, 524–537. [Google Scholar] [CrossRef]
- Abd-Rabou, A.S.; Marei, M.I.; El-Sattar, A.A.; Basha, M.A. Multiobjective Design optimization of Axial Flux Permanent Magnet Brushless DC Micromotor Using Response Surface Methodology and Multi-Verse optimization Algorithm. In Proceedings of the IEEE Jordan International Joint Conference on Electrical Engineering and Information Technology (JEEIT), Amman, Jordan, 9–11 April 2019; pp. 13–18. [Google Scholar]
- Zhao, S.D.; Liang, J.T.; Zhao, Y.Q. Optimization Design and Direct Torque Control of a Flux Concentrating Axial Flux Permanent Magnet Motor for Direct Driving System. Electr. Pow. Compo. Sys. 2014, 42, 1517–1529. [Google Scholar] [CrossRef]
- Zhao, J.L.; Lin, M.Y.; Xu, D.; Hao, L.; Zhang, W. Vector Control of a Hybrid Axial Field Flux-Switching Permanent Magnet Machine Based on Particle Swarm Optimization. IEEE Trans. Magn. 2015, 51, 8204004. [Google Scholar] [CrossRef]
- Haddad, R.Z. Iron Loss Analysis in Axial Flux Permanent Magnet Synchronous Motors with Soft Magnetic Composite Core Material. IEEE Trans. Energy Convers. 2022, 37, 295–303. [Google Scholar] [CrossRef]
- Liu, C.-T.; Lee, S.C. Magnetic field modeling and optimal operational control of a single-side axial-flux permanent magnet motor with center poles. J. Magn. Magn. Mater. 2006, 304, E454–E456. [Google Scholar] [CrossRef]
- Akhil, R.S.; Mini, V.P.; Mayadevi, N.; Harikumar, R. Modified Flux-Weakening Control for Electric Vehicle with PMSM Drive. IFAC-PapersOnLine 2020, 53, 325–331. [Google Scholar]
- Zhang, W.; Liang, X.Y.; Yu, F. Fault-Tolerant Control of Hybrid Excitation Axial Field Flux-Switching Permanent Magnet Machines. IEEE Trans. Magn. 2018, 54, 8106305. [Google Scholar] [CrossRef]
- Wilson, R.; Gandhi, R.; Kumar, A.; Roy, R. Performance analysis of twin-rotor axial flux permanent magnet synchronous motor for in-wheel electric vehicle applications with sensorless optimized vector control strategy. In Proceedings of the 9th IEEE International Conference on Power Electronics, Drives and Energy Systems (PEDES 2020), Jaipur, India, 16–19 December 2020. [Google Scholar]
- Neethu, S.; Pal, S.; Wankhede, A.K.; Fernandes, B.G. High Performance Axial Flux Permanent Magnet Synchronous Motor for High Speed Applications. In Proceedings of the 43rd Annual Conference of the IEEE-Industrial-Electronics-Society (IECON), Beijing, China, 29 October–1 November 2017; pp. 5093–5098. [Google Scholar]
- Luo, X.; Niu, S.X.; Fu, W.N. Design and Sensorless Control of a Novel Axial-Flux Permanent Magnet Machine for In-Wheel Applications. IEEE Trans. Appl. Supercond. 2016, 26, 0608105. [Google Scholar] [CrossRef]
- Malyshev, A.; Ivanov, A. Direct Torque Control of the Axial Flux Permanent Magnet Motor. In Proceedings of the 13th International IEEE Scientific and Technical Conference on Dynamics of Systems, Mechanisms and Machines, Omsk, Russia, 5–7 November 2019. [Google Scholar]
- Siami, M.; Gholamian, S.A.; Yousefi, M. A Comparative Study Between Direct Torque Control and Predictive Torque Control for Axial Flux Permanent Magnet Synchronous Machines. J. Electr. Eng. Slovak. 2014, 64, 346–353. [Google Scholar] [CrossRef]
- Fard, J.R.; Ardebili, M. Dynamic performance of the novel axial flux-switching permanent magnet motor. COMPEL—Int. J. Comput. Math. Electr. Electron. Eng. 2017, 36, 1270–1286. [Google Scholar]
- Nguyen, T.D.; Foo, G.; Tseng, K.J.; Vilathgamuwa, D.M. Modeling and Sensorless Direct Torque and Flux Control of a Dual-Airgap Axial Flux Permanent-Magnet Machine with Field-Weakening Operation. IEEE-Asme Trans. Mech. 2014, 19, 412–422. [Google Scholar] [CrossRef]
- Zhao, J.F.; Hua, M.Q.; Liu, T.Z. Research on a Sliding Mode Vector Control System Based on Collaborative Optimization of an Axial Flux Permanent Magnet Synchronous Motor for an Electric Vehicle. Energies 2018, 11, 3116. [Google Scholar] [CrossRef]
- Yang, G.D.; Lin, M.Y.; Li, N.; Hao, L. Vector Control of Stator-Permanent Magnet Memory Machine Based on Three Magnetization State Manipulations. J. Electr. Eng. Technol. 2019, 14, 169–177. [Google Scholar] [CrossRef]
- Zhao, J.F.; Zheng, L.X.; Wang, S.; Hua, M.Q. Research on Deadbeat Current Prediction Vector Control System of Axial Flux Permanent Magnet Synchronous Motor for Electric Bus Based on Efficiency Optimal Torque Distribution Method. IEEE Access 2019, 7, 128384–128393. [Google Scholar] [CrossRef]
- Yang, G.D.; Lin, M.Y.; Li, N.; Fu, X.H.; Liu, K.; Tan, G.Y.; Zhang, B.B.; Kong, Y. Flux-weakening Stage Control of Hybrid Permanent Magnet Axial Field Flux-switching Memory Machines. Proc. CSEE 2017, 37, 6557–6566. [Google Scholar]
- Zhai, L.G.; Zhang, W.; Liang, X.Y.; Yang, Z.X.; Wang, J.L.; Zhu, Y.F. Speed Sensorless Control of Axial Field Flux-Switching Permanent Magnet Machine Based on Improved Adaptive Sliding Mode Observer. In Proceedings of the 22nd International Conference on Electrical Machines and Systems (ICEMS), Harbin, China, 11–14 August 2019; pp. 1475–1479. [Google Scholar]
- Yuan, X.Q.; Zhang, W.; Yu, F.; Gu, W.G. Sliding Mode Control of Axial Field Flux-Switching Permanent Magnet Machine. In Proceedings of the 20th IEEE International Conference on Electrical Machines and Systems (ICEMS), Sydney, Australia, 11–17 August 2017. [Google Scholar]
- Verkroost, L.; Druant, J.; Vansompel, H.; De Belie, F.; Sergeant, P. Performance Degradation of Surface PMSMs with Demagnetization Defect under Predictive Current Control. Energies 2019, 12, 782. [Google Scholar] [CrossRef]
- Zhang, W.; Wang, J.L.; Liang, X.Y.; Yang, Z.X. Position Sensorless Control of a Hybrid Excitation Axial Flux-switching Permanent Magnet Machine in Full Speed Range. Proc. CSEE 2021, 41, 4646–4655. [Google Scholar]
- Zhao, J.L.; Quan, X.W.; Lin, M.Y. Model Predictive Torque Control of a Hybrid Excited Axial Field Flux-Switching Permanent Magnet Machine. IEEE Access 2021, 8, 33703–33712. [Google Scholar] [CrossRef]
- Ahmed, A.A.; Koh, B.K.; Lee, Y.I. A Comparison of Finite Control Set and Continuous Control Set Model Predictive Control Schemes for Speed Control of Induction Motors. IEEE Trans. Ind. Inform. 2018, 14, 1334–1346. [Google Scholar] [CrossRef]
- Yuan, X.Q.; Zhang, W.; Liang, X.Y.; Hao, L.; Liang, Y.W. Research of Control Methods for Axial Field Flux-Switching Permanent Magnet Machine. In Proceedings of the 21st International Conference on Electrical Machines and Systems (ICEMS), Jeju, South Korea, 7–10 October 2018; pp. 1218–1222. [Google Scholar]
- Zhao, J.L.; Quan, X.W.; Jing, M.D.; Lin, M.Y.; Li, N.A. Design, Analysis and Model Predictive Control of an Axial Field Switched-Flux Permanent Magnet Machine for Electric Vehicle/Hybrid Electric Vehicle Applications. Energies 2018, 11, 1859. [Google Scholar] [CrossRef]
- Yang, G.D.; Lin, M.Y.; Li, N.; Fu, X.H.; Liu, K. Maximum torque output control of hybrid permanent magnet axial field flux-switching memory machine. In Proceedings of the 2017 IEEE Energy Conversion Congress and Exposition (ECCE), Cincinnati, OH, USA, 1–5 October 2017; pp. 1212–1219. [Google Scholar]
- Yang, Z.X.; Zhang, W.; Liang, X.Y.; Wang, J.L.; Zhai, L.G.; Zhu, Y.F. Position Sensorless Control of Hybrid Excitation Axial Field Flux-Switching Permanent Magnet Machine Based on Model Reference Adaptive System. In Proceedings of the 22nd International Conference on Electrical Machines and Systems (ICEMS), Harbin, China, 11–14 August 2019; pp. 1006–1010. [Google Scholar]
- Wang, S.; Zhao, J.F.; Liu, T.Z.; Hua, M.Q. Adaptive Robust Control System for Axial Flux Permanent Magnet Synchronous Motor of Electric Medium Bus Based on Torque Optimal Distribution Method. Energies 2020, 12, 4681. [Google Scholar] [CrossRef]
- Zhang, W.; Yang, Z.X.; Zhai, L.G.; Wang, J.L. Speed Sensorless Control of Hybrid Excitation Axial Field Flux-Switching Permanent-Magnet Machine Based on Model Reference Adaptive System. IEEE Access 2020, 8, 22013–22024. [Google Scholar] [CrossRef]
- Zhang, Y.C.; Xia, B.; Yang, H.T. Performance evaluation of an improved model predictive control with field oriented control as a benchmark. IET Electr. Power Appl. 2017, 11, 677–687. [Google Scholar] [CrossRef]
- Geweth, D.; Vollmer, U.; Diehl, M. An Observer based Field Oriented Economic Model Predictive Control Approach for Permanent Magnet Synchronous Motors. In Proceedings of the 30th Mediterranean Conference on Control and Automation (MED), Vouliagmeni, Greece, 28 June–1 July 2022; pp. 145–151. [Google Scholar]












| Scope | Keywords | Results |
|---|---|---|
| Web of Science and Engineering Village (Publisher: MDPI, Elsevier, IEEE, etc.) |
|
|
| ||
| ||
| ||
| ||
| ||
| ||
|
| Methods | Optimization Objectives | Verification Methods | Ref |
|---|---|---|---|
| EGA |
|
| [87] |
| NSGA-II |
|
| [88] |
| PSO |
|
| [90] |
| MOMVO |
|
| [95] |
| Algorithms | Complexity | Response | Robustness | Ref |
|---|---|---|---|---|
| improved FOC vs. PI | basically same | quicker response than PI | better robustness | [109] |
| improved FOC vs. PI | more complex control than PI | quicker response than PI | better robustness | [110] |
| MPTC vs. DTC | more complex control than DTC | quicker response than DTC | better robustness | [119] |
| ARC vs. PI | basically same | better response than PI | better anti-interference ability | [123] |
| MPC vs. FOC | more complex control than FOC | quicker response than FOC | better steady-state performance than FOC | [125] |
| FO-EMPC vs. FOC | more complex control than FOC | quicker response than FOC | better robustness | [126] |
Publisher’s Note: MDPI stays neutral with regard to jurisdictional claims in published maps and institutional affiliations. |
© 2022 by the authors. Licensee MDPI, Basel, Switzerland. This article is an open access article distributed under the terms and conditions of the Creative Commons Attribution (CC BY) license (https://creativecommons.org/licenses/by/4.0/).
Share and Cite
Hao, Z.; Ma, Y.; Wang, P.; Luo, G.; Chen, Y. A Review of Axial-Flux Permanent-Magnet Motors: Topological Structures, Design, Optimization and Control Techniques. Machines 2022, 10, 1178. https://doi.org/10.3390/machines10121178
Hao Z, Ma Y, Wang P, Luo G, Chen Y. A Review of Axial-Flux Permanent-Magnet Motors: Topological Structures, Design, Optimization and Control Techniques. Machines. 2022; 10(12):1178. https://doi.org/10.3390/machines10121178
Chicago/Turabian StyleHao, Zhuo, Yangyang Ma, Pengyu Wang, Geng Luo, and Yisong Chen. 2022. "A Review of Axial-Flux Permanent-Magnet Motors: Topological Structures, Design, Optimization and Control Techniques" Machines 10, no. 12: 1178. https://doi.org/10.3390/machines10121178
APA StyleHao, Z., Ma, Y., Wang, P., Luo, G., & Chen, Y. (2022). A Review of Axial-Flux Permanent-Magnet Motors: Topological Structures, Design, Optimization and Control Techniques. Machines, 10(12), 1178. https://doi.org/10.3390/machines10121178

