Comparative Analysis of Current and Voltage THD at Different Grid Powers for Powerful Active Front-End Rectifiers with Preprogrammed PWM
Abstract
1. Introduction
2. PPWM
2.1. Overview
- (1)
- Increased efficiency and quality parameters of the converted voltage;
- (2)
- Increased effective converter voltage value;
- (3)
- Reduced requirements for the filtering of feedback signals for converter currents and voltages;
- (4)
- The opportunity to bypass the current and voltage resonance region without additional filter-compensating equipment;
- (5)
- The opportunity to leave the harmonics that are divisible by three in the three-phase converter voltage system uncontrolled;
- (6)
- The opportunity to control the levels of specific harmonic components and the total index of harmonic distortions of voltage/current.
- (1)
- Selective harmonic elimination (SHE);
- (2)
- Selective harmonic mitigation (SHM).
2.2. Selective Harmonic Elimination
2.3. Selective Harmonic Mitigation
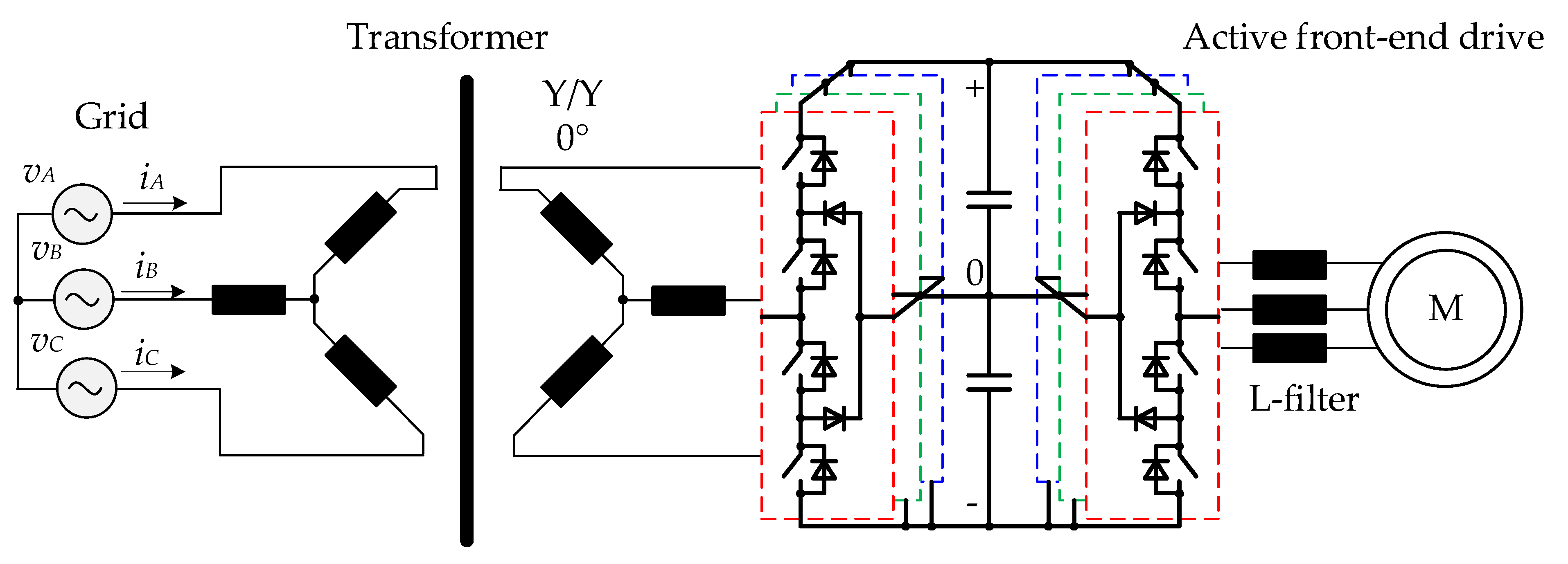
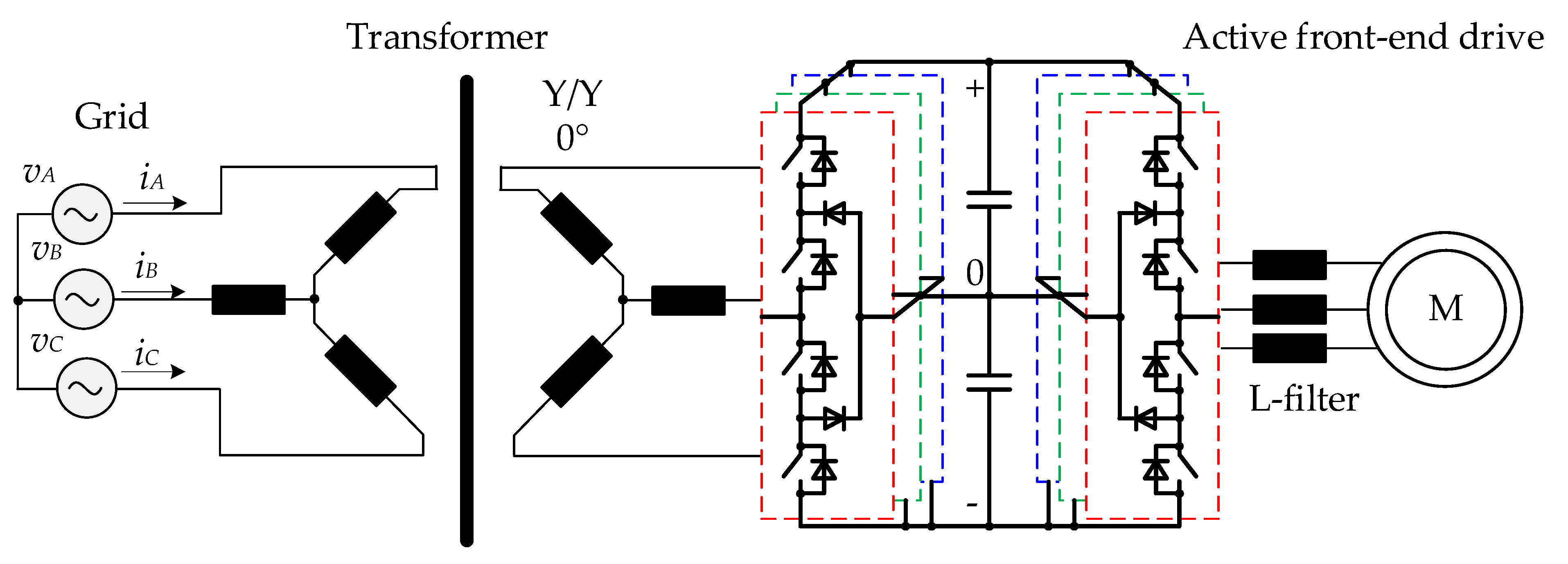
3. Experiments
4. Experimental Research Analysis
5. Conclusions
Author Contributions
Funding
Institutional Review Board Statement
Informed Consent Statement
Data Availability Statement
Conflicts of Interest
Nomenclature
| THD | Total harmonic distortion |
| AFE | Active front-end |
| PPWM | Preprogrammed pulse width modulation |
| NPC | Neutral-point-clamped |
| DC | Direct current |
| SHE | Selective harmonic elimination |
| SHE3 | 5th and 7th harmonic elimination |
| SHE5 | 5th, 7th, 11th, and 13th harmonic elimination |
| SHE7 | 5th, 7th, 11th, 13th, 17th, and 19th harmonic elimination |
| SHE9 | 5th, 7th, 11th, 13th, 17th, 19th, 23rd, and 25th harmonic elimination |
| SHE11 | 5th, 7th, 11th, 13th, 17th, 19th, 23rd, 25th, 29th, and 31st harmonic elimination |
| SHE13 | 5th, 7th, 11th, 13th, 17th, 19th, 23rd, 25th, 29th, 31st, 35th, and 37th harmonic elimination |
| SHE15 | 5th, 7th, 11th, 13th, 17th, 19th, 23rd, 25th, 29th, 31st, 35th, 37th, 41st, and 43rd harmonic elimination |
| SHM | Selective harmonic mitigation |
| SHM13 | 5th, 7th, 11th, 13th, 17th, 19th, 23rd, 25th, 29th, 31st, 35th, 37th, 41st, 43rd, 47th, and 49th harmonic mitigation |
| SHM15 | 5th, 7th, 11th, 13th, 17th, 19th, 23rd, 25th, 29th, 31st, 35th, 37th, 41st, 43rd, 47th, and 49th harmonic mitigation |
| VOC | Voltage-oriented control |
| PLL | Phase-locked loop |
| LPF | Low-pass filter |
| SPG | Switching pattern generator |
| CPLD | Complex programmable logic device |
| FPGA | Field-programmable gate array |
| DSP | Digital signal processor |
| T | Transformer |
| IGBT | Insulated-gate bipolar transistor |
| MIPS | Million instructions per second |
| Sconv | Converter power |
| Sgrid | Grid power |
| Irated | Rated AFE-consumed current |
| Ugrid | Phase-to-phase grid voltage |
| UAFE | Phase-to-phase AFE voltage |
References
- Leon, J.I.; Vazquez, S.; Franquelo, L.G. Multilevel converters: Control and modulation techniques for their operation and industrial applications. Proc. IEEE 2017, 105, 2066–2081. [Google Scholar] [CrossRef]
- Abu-Rub, H.; Bayhan, S.; Moinoddin, S.; Malinowski, M.; Guzinski, J. Medium-Voltage Drives: Challenges and existing technology. IEEE Power Electron. Mag. 2016, 3, 29–41. [Google Scholar] [CrossRef]
- Cheng, J.; Xu, T.; Chen, D.; Chen, G. Dynamic and steady state response analysis of selective harmonic elimination in high power inverters. IEEE Access 2021, 9, 75588–75598. [Google Scholar] [CrossRef]
- Hoevenaars, A.; Farbis, M.; McGraw, M. Active harmonic mitigation: What the manufacturers don’t tell you. IEEE Ind. Appl. Mag. 2020, 62, 41–51. [Google Scholar] [CrossRef]
- Chen, J.; Shen, Y.; Chen, J.; Bai, H.; Gong, C.; Wang, F. Evaluation on the Autoconfigured Multipulse AC/DC Rectifiers and Their Application in More Electric Aircrafts. IEEE Trans. Transp. Electrif. 2020, 6, 1721–1739. [Google Scholar] [CrossRef]
- Patil, S.D.; Kadu, A.; Dhabe, P. Improved Control Strategy for Harmonic Mitigation in Multilevel Inverter. In Proceedings of the 5th International Conference on Intelligent Computing and Control Systems, Madurai, India, 6–8 May 2021; pp. 727–732. [Google Scholar]
- Steczek, M.; Chudzik, P.; Szeląg, A. Combination of SHE- and SHM-PWM techniques for VSI DC-link current harmonics control in railway applications. IEEE Trans. Ind. Electron. 2017, 64, 7666–7678. [Google Scholar] [CrossRef]
- Nikolaev, A.A.; Gilemov, I.G.; Denisevich, A.S. Analysis of Influence of Frequency Converters with Active Rectifiers on the Power Quality in Internal Power Supply Systems of Industrial Enterprises. In Proceedings of the International Conference on Industrial Engineering, Applications and Manufacturing, Moscow, Russia, 1–4 May 2018. [Google Scholar]
- Portillo, R.; Sharifzadeh, M.; Vahedi, H.; Franquelo, L.G.; Al-Haddad, K. Improved Hybrid SHM-SHE Modulation Technique 865 for Four-Leg Three-Level NPC Inverters. In Proceedings of the IECON 2015-41st Annual Conference of the IEEE Industrial 866 Electronics Society, Yokohama, Japan, 9–12 November 2015. [Google Scholar]
- Campos-Gaona, D.; Peña-Alzola, R.; Monroy-Morales, J.L.; Ordonez, M.; Anaya-Lara, O.; Leithead, W.E. Fast selective harmonic mitigation in multifunctional inverters using internal model controllers and synchronous reference frames. IEEE Trans. Ind. Electron. 2017, 64, 6338–6349. [Google Scholar] [CrossRef]
- Su, N.; Huang, W.; Zheng, S. Closed-loop dynamic control for dual-stator winding induction generator at low carrier ratio with selective harmonic elimination pulsewidth modulation. IEEE Trans. Ind. Electron. 2020, 68, 4737–4747. [Google Scholar] [CrossRef]
- Sharifzadeh, M.; Vahedi, H.; Sheikholeslami, A.; Labbé, P.; Al-Haddad, K. Hybrid SHM–SHE modulation technique for a four-leg NPC inverter with DC capacitor self-voltage balancing. IEEE Trans. Ind. Electron. 2015, 62, 4890–4899. [Google Scholar] [CrossRef]
- Janabi, A.; Wang, B.; Czarkowski, D. Generalized Chudnovsky algorithm for real-time PWM selective harmonic elimination/modulation: Two-Level VSI example. IEEE Trans. Power Electron. 2020, 35, 5437–5446. [Google Scholar] [CrossRef]
- Marquez Alcaide, A.; Leon, J.I.; Laguna, M.; Gonzalez-Rodriguez, F.; Portillo, R.; Zafra-Ratia, E.; Vazquez, S.; Franquelo, L.G.; Bayhan, S.; Abu-Rub, H. Real-Time Selective Harmonic Mitigation Technique for Power Converters Based on the Exchange Market Algorithm. Energies 2020, 13, 1659. [Google Scholar] [CrossRef]
- Moeini, A.; Zhao, H.; Wang, S. A current-reference-based selective harmonic current mitigation PWM technique to improve the performance of cascaded H-bridge multilevel active rectifiers. IEEE Trans. Ind. Electron. 2018, 65, 727–737. [Google Scholar] [CrossRef]
- Nikolaev, A.A.; Gilemov, I.G.; Bulanov, M.V.; Kosmatov, V.I. Providing Electromagnetic Compatibility of High-Power Frequency Converters with Active Rectifiers at Internal Power Supply System of Cherepovets Steel Mill. In Proceedings of the International Scientific Technical Conference Alternating Current Electric Drives, Ekaterinburg, Russia, 1–8 May 2021. [Google Scholar]
- de Carvalho Alves, M.D.; e Silva Aquino, R.N.A.L. Digital implementation of SHE-PWM modulation on FPGA for a multilevel inverter. In Proceedings of the Simposio Brasileiro de Sistemas Eletricos (SBSE), Niteroi, Brazil, 1–6 May 2018. [Google Scholar] [CrossRef]
- Janabi, A.; Wang, B. Real-Time Implementation of Selective Harmonic Elimination with Seamless Dynamic Performance. In Proceedings of the IEEE Energy Conversion Congress and Exposition, Portland, OR, USA, 23–27 September 2018; pp. 3362–3366. [Google Scholar]
- Aguilera, R.P.; Acuña, P.; Lezana, P.; Konstantinou, G.; Wu, B.; Bernet, S.; Agelidis, V.G. Selective harmonic elimination model predictive control for multilevel power converters. IEEE Trans. Power Electron. 2017, 32, 2416–2426. [Google Scholar] [CrossRef]
- Sharifzadeh, M.; Vahedi, H.; Portillo, R.; Franquelo, L.G.; Al-Haddad, K. Selective harmonic mitigation based self-elimination of triplen harmonics for single-phase five-level inverters. IEEE Trans. Power Electron. 2019, 34, 86–96. [Google Scholar] [CrossRef]
- González, F.J.; Marquez, A.; Leon, J.I.; Vazquez, S.; Franquelo, L.G.; Yin, J. Flexible Harmonic Control for Three-Level Selective Harmonic Modulation Using the Exchange Market Algorithm. In Proceedings of the IECON 2018—44th Annual Conference of the IEEE Industrial Electronics Society, Washington, DC, USA, 21–23 October 2018; pp. 5297–5302. [Google Scholar]
- Semedyarov, A.; Ruderman, A. Selective Harmonic Mitigation by Time Domain Constrained Optimization. In Proceedings of the 9th IEEE International Symposium on Power Electronics for Distributed Generation Systems, Charlotte, CA, USA, 1–6 June 2018. [Google Scholar]
- Buccella, C.; Cimoroni, M.G.; Cecati, C. Simple SHE Formulation for Five-Level Cascaded H-Bridge Inverters. In Proceedings of the IEEE 15th International Conference on Compatibility, Power Electronics and Power Engineering, Florence, Italy, 1–6 July 2021. [Google Scholar]
- Buccella, C.; Cimoroni, M.G.; Cecati, C. Selective Harmonic Elimination Modulation for HVDC Modular Multilevel Converter. In Proceedings of the AEIT HVDC International Conference, Genoa, Italy, 1–6 May 2021. [Google Scholar]
- Khattak, F.A.; Rehman, H.U. Improved Selective Harmonics Elimination Strategy for Multilevel Inverters with Optimal DC Values. In Proceedings of the International Conference on Emerging Power Technologies, Topi, Pakistan, 1–6 April 2021. [Google Scholar]
- Islam, J.; Meraj, S.T.; Masaoud, A.; Mahmud, M.A.; Nazir, A.; Kabir, M.A.; Hossain, M.M.; Mumtaz, F. Opposition-based quantum bat algorithm to eliminate lower-order harmonics of multilevel inverters. IEEE Access 2021, 9, 103610–103626. [Google Scholar] [CrossRef]
- Sadoughi, M.; Zakerian, A.; Pourdadashnia, A.; Farhadi-Kangarlu, M. Selective Harmonic Elimination PWM for Cascaded H-bridge Multilevel Inverter with Wide Output Voltage Range Using PSO Algorithm. In Proceedings of the IEEE Texas Power and Energy Conference, College Station, TX, USA, 1–6 February 2021. [Google Scholar]
- Aggrawal, H.; Leon, J.I.; Franquelo, L.G.; Kouro, S.; Garg, P.; Rodriguez, J. Innovative Computational Approach to Harmonic Mitigation for Seven-Level Cascaded H-Bridge Inverters. In Proceedings of the IECON 2011—37th Annual Conference of the IEEE Industrial Electronics Society, Melbourne, Australia, 7–10 November 2021; pp. 4424–4432. [Google Scholar]
- Ahmad, S.; Iqbal, A.; Ali, M.; Rahman, K.; Ahmed, A.S. A fast convergent homotopy perturbation method for solving selective harmonics elimination PWM problem in multi level inverter. IEEE Access 2021, 9, 113040–113051. [Google Scholar] [CrossRef]
- Gabour, N.E.H.; Habbi, F.; Bounekhla, M.; Boudissa, E.G. Enhanced Harmonic Elimination Using Genetic Algorithm Optimization in Multilevel Inverters. In Proceedings of the 18th International Multi-Conference on Systems, Signals & Devices, Monastir, Tunisia, 22–25 March 2021; pp. 323–329. [Google Scholar]
- Padmanaban, S.; Dhanamjayulu, C.; Khan, B. Artificial neural network and Newton Raphson (ANN-NR) algorithm based selective harmonic elimination in cascaded multilevel inverter for PV applications. IEEE Access 2021, 9, 75058–75070. [Google Scholar] [CrossRef]
- Memon, M.A.; Siddique, M.D.; Saad, M.; Mubin, M. Asynchronous particle swarm optimization-genetic algorithm (APSO-GA) based selective harmonic elimination in a cascaded H-bridge multilevel inverter. IEEE Trans. Ind. Electron. 2022, 69, 1477–1487. [Google Scholar] [CrossRef]
- Jiang, Y.; Li, X.; Qin, C.; Xing, X.; Chen, Z. Improved particle swarm optimization based selective harmonic elimination and neutral point balance control for three-level inverter in low-voltage ride-through operation. IEEE Trans. Ind. Inform. 2022, 18, 642–652. [Google Scholar] [CrossRef]











| AFE Drive Power P, kW | Grid Power Sg, kVA | Connection | PWM Frequency, Hz |
|---|---|---|---|
| 12,000 | 130,000 | 6-pulse, Y/Y | 250 |
| Power modules | 1 × P924F33 Vincotech; reverse voltage IGBT, 600 V; permissible continuous current IGBT, 30 A; admissible continuous current of the reverse diode, 27 A; maximum switching frequency IGBT, 50 kHz; voltage drop, 1.5–2 V |
| Capacitors | 2 × 517 μF Panasonic EEU-EE2W470S (two batteries of 11 × 47 μF each), maximum voltage, 450 V |
| Control drivers | 4 × Avago ACPL-P345 |
| Current sensor | 1 × LEM HLSR 20-P/SP33, nominal range ± 20 A, 450 kHz; instrument error ± 1% |
| Voltage sensor | 1 × resistive voltage divider + Avago ACPL-C87B, bandwidth, 25 kHz; instrument error ± 0.1% |
| FPGA | 1 × Xilinx XC9536XL-10VQG44C, 10 ns; 36 microelements |
| Microcontrollers | 2 × Microchip PIC24F04KA201, 16 bit, 16 MHz; 9 × 10-bit ADC; sampling rate, 500 ksps |
Publisher’s Note: MDPI stays neutral with regard to jurisdictional claims in published maps and institutional affiliations. |
© 2022 by the authors. Licensee MDPI, Basel, Switzerland. This article is an open access article distributed under the terms and conditions of the Creative Commons Attribution (CC BY) license (https://creativecommons.org/licenses/by/4.0/).
Share and Cite
Maklakov, A.S.; Jing, T.; Nikolaev, A.A. Comparative Analysis of Current and Voltage THD at Different Grid Powers for Powerful Active Front-End Rectifiers with Preprogrammed PWM. Machines 2022, 10, 1139. https://doi.org/10.3390/machines10121139
Maklakov AS, Jing T, Nikolaev AA. Comparative Analysis of Current and Voltage THD at Different Grid Powers for Powerful Active Front-End Rectifiers with Preprogrammed PWM. Machines. 2022; 10(12):1139. https://doi.org/10.3390/machines10121139
Chicago/Turabian StyleMaklakov, Alexander S., Tao Jing, and Alexander A. Nikolaev. 2022. "Comparative Analysis of Current and Voltage THD at Different Grid Powers for Powerful Active Front-End Rectifiers with Preprogrammed PWM" Machines 10, no. 12: 1139. https://doi.org/10.3390/machines10121139
APA StyleMaklakov, A. S., Jing, T., & Nikolaev, A. A. (2022). Comparative Analysis of Current and Voltage THD at Different Grid Powers for Powerful Active Front-End Rectifiers with Preprogrammed PWM. Machines, 10(12), 1139. https://doi.org/10.3390/machines10121139

