Gaussian–Versoria Mixed Kernel Correntropy-Based Robust Parameter and State Estimation for Bilinear State–Space Systems with Non-Gaussian Process and Measurement Noises
Abstract
1. Introduction
- Integration of two different types of kernels (i.e., a Gaussian kernel function and a Versoria function) into a mixed kernel to produce a Gaussian–Versoria mixed kernel correntropy-based cost function for enhancing robustness to complex non-Gaussian noise.
- Comprehensive consideration of the influence of non-Gaussian process noise and non-Gaussian measurement noise and development of a Gaussian–Versoria mixed kernel correntropy-based Kalman filtering method to obtain robust state estimation of a bilinear system.
- Presentation of a Gaussian–Versoria mixed kernel correntropy-based Kalman filtering robust recursive least squares method for jointly estimating the states and parameters of a bilinear system under non-Gaussian noise environments.
2. Problem Description
3. Gaussian–Versoria Mixed Kernel Correntropy-Based Robust Parameter and State Estimation Method
3.1. Gaussian–Versoria Mixed Kernel Correntropy
3.2. Gaussian–Versoria Mixed Kernel Correntropy-Based Kalman Filtering
3.3. Gaussian–Versoria Mixed Kernel Correntropy-Based Robust Recursive Least Squares Method
| Algorithm 1 The GVMKC-KF-RRLS method |
|
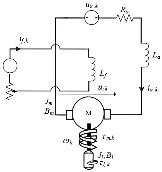
4. Simulation Examples
- (1)
- The Laplace distribution: , ;
- (2)
- The Cauchy distribution: , ;
- (3)
- The mixed Gaussian distribution: , .
5. Conclusions
Author Contributions
Funding
Institutional Review Board Statement
Informed Consent Statement
Data Availability Statement
Conflicts of Interest
References
- Ding, F.; Xu, L.; Zhang, X.; Xu, H.; Zhou, Y.H.; Luan, X.L. Hierarchical generalized extended parameter identification for multivariable equation-error ARMA-like systems by using the filtering identification idea. Annu. Rev. Control 2025, 60, 100993. [Google Scholar] [CrossRef]
- Chen, Y.S.; Hung, Y.H.; Lee, M.Y.J.; Lai, C.J.; Chang, J.R.; Chien, C.Y. Identification of the yield rate by a hybrid fuzzy control PID-based four-stage model: A case study of optical filter industry. Axioms 2024, 13, 54. [Google Scholar] [CrossRef]
- Bosov, A. Maneuvering object tracking and movement parameters identification by indirect observations with random delays. Axioms 2024, 13, 668. [Google Scholar] [CrossRef]
- Li, C.J.; You, C.T.; Gu, Y.; Zhu, Y.F. Parameter identification of the RBF-ARX model based on the hybrid whale optimization algorithm. IEEE Trans. Circuits Syst. II Express Briefs 2024, 71, 2774–2778. [Google Scholar] [CrossRef]
- Zhao, Y.S.; Ji, Y. Weighted multi-innovation parameter estimation for a time-varying Volterra-Hammerstein system with colored noise. Optim. Control Appl. Met. 2025, 46, 271–291. [Google Scholar] [CrossRef]
- Pan, J.; Liu, S.D.; Shu, J.; Wan, X.K. Hierarchical recursive least squares estimation algorithm for second-order Volterra nonlinear systems. Int. J. Control Autom. Syst. 2022, 20, 3940–3950. [Google Scholar] [CrossRef]
- Fan, Y.M.; Liu, X.M.; Li, M.H. Data filtering-based maximum likelihood gradient-based iterative algorithm for input nonlinear Box-Jenkins systems with saturation nonlinearity. Circuits Syst. Signal Process. 2024, 43, 6874–6910. [Google Scholar] [CrossRef]
- Xu, L.; Ding, F.; Yang, E.F. Auxiliary model multiinnovation stochastic gradient parameter estimation methods for nonlinear sandwich systems. Int. J. Robust Nonlinear Control 2021, 31, 148–165. [Google Scholar] [CrossRef]
- Wang, Y.J.; Liu, Y.T.; Chen, J.H.; Tang, S.H.; Deng, M.Q. Online identification of Hammerstein systems with B-spline networks. Int. J. Adapt. Control Signal Process. 2024, 38, 2074–2092. [Google Scholar] [CrossRef]
- Gonzàlez, T.; Blais, A.; Couëllan, N.; Ruiz, C. Distributional loss for convolutional neural network regression and application to parameter estimation in satellite navigation signals. Expert Syst. Appl. 2024, 255, 124682. [Google Scholar] [CrossRef]
- Zare, A.R.; Aliyari-Shoorehdeli, M.; Sabahi, M.T.K. Output feedback tracking control for a class of bilinear systems: Application to power electronics devices. IEEE Control Syst. Lett. 2024, 8, 1883–1888. [Google Scholar] [CrossRef]
- Zhang, X.; Ding, F.; Xu, L.; Yang, E.F. Highly computationally efficient state filter based on the delta operator. Int. J. Adapt. Control Signal Process. 2019, 33, 875–889. [Google Scholar] [CrossRef]
- Najib, H.; Yahyaoui, S.; Ouzahra, M. Weak observability conditions for exponential and prescribed-time stabilization of non-autonomous bilinear systems. Eur. J. Control 2025, 85, 101255. [Google Scholar] [CrossRef]
- Gupta, S.; Padhee, S.; Pekar, L. Recursive least squares identification of heat exchanger system using block-structured models. Proc. Inst. Mech. Eng. I J. Syst. Control Eng. 2022, 236, 870–879. [Google Scholar] [CrossRef]
- Mechhoud, S.; Belkhatir, Z. Adaptive bounded bilinear control of a parallel-flow heat exchanger. Int. J. Adapt. Control Signal Process. 2025, 39, 320–331. [Google Scholar] [CrossRef]
- An, S.; Wang, L.J.; He, Y. Filtering-based maximum likelihood hierarchical recursive identification algorithms for bilinear stochastic systems. Nonlinear Dyn. 2023, 111, 12405–12420. [Google Scholar] [CrossRef]
- Wang, X.; Zhu, F. Synchronous parameter and state estimation for bilinear state-space systems with censored measurements. AIMS Math. 2025, 10, 16898–16926. [Google Scholar] [CrossRef]
- Favoreel, W.; Moor, B.D.; Overschee, P.V. Subspace identification of bilinear systems subject to white inputs. IEEE Trans. Automat. Control 1999, 44, 1157–1165. [Google Scholar] [CrossRef]
- Bayati, K.; Umapathy, K.; Beheshti, S. Reliable truncation parameter selection and model order estimation for stochastic subspace identification. J. Franklin Inst. 2025, 362, 107766. [Google Scholar] [CrossRef]
- Li, M.; Liu, X.; Fan, Y. Multi-innovation gradient identification methods for bilinear output-error systems. Optim. Control Appl. Met. 2025, 46, 1569–1586. [Google Scholar] [CrossRef]
- Gu, Y.; Dai, W.; Zhu, Q.M.; Nouri, H. Hierarchical multi-innovation stochastic gradient identification algorithm for estimating a bilinear state-space model with moving average noise. J. Comput. Appl. Math. 2023, 420, 114794. [Google Scholar] [CrossRef]
- Li, M.H.; Liu, X.M.; Fan, Y.M.; Ding, F. Highly efficient maximum-likelihood identification methods for bilinear systems with colored noises. Proc. Inst. Mech. Eng. I J. Syst. Control Eng. 2024, 238, 1763–1784. [Google Scholar] [CrossRef]
- Wang, W.; Liu, S.; Jiang, Y.; Sun, J.; Xu, W.; Chen, X.; Dong, Z.; Jiao, W. A robust filter and smoother-based expectation–maximization algorithm for bilinear systems with heavy-tailed noise. Mech. Syst. Signal Process. 2025, 236, 112912. [Google Scholar] [CrossRef]
- Liu, S.Y.; Wang, Y.J.; Ding, F.; Alsaedi, A.; Hayat, T. Joint iterative state and parameter estimation for bilinear systems with autoregressive noises via the data filtering. ISA Trans. 2024, 147, 337–349. [Google Scholar] [CrossRef]
- Wang, H.; Liu, X. Highly efficient two-stage filtering-based maximum likelihood stochastic gradient algorithm for multiple-input multiple-output systems. Circuits Syst. Signal Process. 2025, 44, 5608–5639. [Google Scholar] [CrossRef]
- Ding, F.; Xu, L.; Zhang, X.; Zhou, Y.H.; Luan, X.L. Recursive identification methods for general stochastic systems with colored noises by using the hierarchical identification principle and the filtering identification idea. Annu. Rev. Control 2024, 57, 100942. [Google Scholar] [CrossRef]
- Wang, H.H.; Liu, X.M. Highly efficient three-stage maximum likelihood recursive least squares identification method for multiple-input multiple-output systems. Syst. Control Lett. 2025, 200, 106094. [Google Scholar] [CrossRef]
- Zhao, S.; Wang, X.; Liu, Y. Cauchy kernel correntropy-based robust multi-innovation identification method for the nonlinear exponential autoregressive model in non-Gaussian environment. Int. J. Robust Nonlinear Control 2024, 34, 7174–7196. [Google Scholar] [CrossRef]
- Ding, F.; Luan, X.; Xu, L.; Zhang, X. Hierarchical recursive gradient parameter identification for multi-input ARX systems with partially-coupled information vectors. Int. J. Adapt. Control Signal Process. 2025, 39. [Google Scholar] [CrossRef]
- Ren, P.; Gui, W.; Liang, S. Parameter estimation of the lomax lifetime distribution based on middle-censored data: Methodology, applications, and comparative analysis. Axioms 2025, 14, 330. [Google Scholar] [CrossRef]
- Wu, C.; Lin, D.; Zheng, Y.; He, F.; Wang, S. Maximum correntropy criterion-based Kalman filter for replay attack in non-Gaussian noises. Signal Process. 2026, 238, 110098. [Google Scholar] [CrossRef]
- Wang, X.; Zhao, S. Correntropy-based robust interval-varying recursive estimation method for nonlinear systems with spline networks and outliers. Int. J. Robust Nonlinear Control 2025. [Google Scholar] [CrossRef]
- Zhao, J.; Xie, B.; Li, Q.; Zhang, H. A family of data-reuse-based recursive generalized maximum correntropy algorithm. Circuits Syst. Signal Process. 2025. [Google Scholar] [CrossRef]
- Abdelrhman, O.M.; Li, S. Fractional-order maximum versoria criterion algorithms for α-stable environment. IEEE Trans. Circuits Syst. II Express Briefs. 2024, 71, 5049–5053. [Google Scholar] [CrossRef]
- Zhao, H.; Xin, L. Broad learning system based on maximum multi-kernel correntropy criterion. Neural Netw. 2024, 179, 106521. [Google Scholar] [CrossRef] [PubMed]
- Wang, G.; Fan, X.; Zhao, J.; Yang, C.; Ma, L.; Dai, W. Iterated maximum mixture correntropy Kalman filter and its applications in tracking and navigation. IEEE Sens. J. 2024, 24, 27790–27802. [Google Scholar] [CrossRef]
- Liu, W.T.; Ma, J.X.; Xiong, W.L. State estimation moving window gradient iterative algorithm for bilinear systems using the continuous mixed p-norm technique. CMES-Comp. Model. Eng. Sci. 2023, 134, 873–892. [Google Scholar] [CrossRef]
- Wang, L.; Zhu, S.; Wei, M.; Wang, X.; Huangfu, Z.; Chen, Y. Iterative learning control with adaptive Kalman filtering for trajectory tracking in non-repetitive time-varying systems. Axioms 2025, 14, 324. [Google Scholar] [CrossRef]
- Xu, L.; Zhu, Q.M. A delta operator state estimation algorithm for discrete-time systems with state time-delay. IEEE Signal Process. Lett. 2025, 32, 391–395. [Google Scholar] [CrossRef]
- Williamson, D. Observation of bilinear systems with application to biological control. Automatica 1977, 13, 243–254. [Google Scholar] [CrossRef]
- Liu, S.Y.; Zhang, X.; Xu, L.; Ding, F. Expectation-maximization algorithm for bilinear systems by using the Rauch-Tung-Striebel smoother. Automatica 2022, 142, 110365. [Google Scholar] [CrossRef]
- Ranjan, A.; Yadav, S.; Jain, S.; Mitra, R.; Uysal, M. Quaternion recursive maximum correntropy and Versoria criterion algorithm for channel estimation under impulsive noise. IEEE Trans. Circuits Syst. I Regul. Pap. 2024. [Google Scholar] [CrossRef]
- Daniel-Berhe, S.; Unbehauen, H. Experimental physical parameter estimation of a thyristor driven DC-motor using the HMF-method. Control Eng. Pract. 1998, 6, 615–626. [Google Scholar] [CrossRef]












| Methods | k | (%) | ||||||||
|---|---|---|---|---|---|---|---|---|---|---|
| HMCK-KF-RRLS | 100 | 0.06777 | 0.21072 | −0.04823 | 0.03123 | −0.33294 | 0.00783 | −0.76646 | −0.83803 | 27.10081 |
| 200 | 0.09363 | 0.26618 | −0.09548 | 0.10265 | −0.41861 | 0.12581 | −0.88498 | −0.98901 | 12.90231 | |
| 500 | 0.10244 | 0.22480 | −0.08773 | 0.14387 | −0.44554 | 0.15205 | −0.94929 | −1.07631 | 5.49213 | |
| 1000 | 0.10608 | 0.21143 | −0.07401 | 0.14162 | −0.45942 | 0.13681 | −0.97418 | −1.10683 | 2.85052 | |
| 2000 | 0.10113 | 0.21034 | −0.07580 | 0.14314 | −0.47226 | 0.13296 | −0.98781 | −1.12109 | 1.96369 | |
| 3000 | 0.09991 | 0.20624 | −0.08001 | 0.13365 | −0.47109 | 0.13724 | −0.99150 | −1.12771 | 1.24894 | |
| KF-RLS | 100 | 0.01860 | 0.23386 | −0.00771 | 0.09147 | −0.36004 | 0.01241 | −0.72558 | −0.74796 | 32.18531 |
| 200 | −0.15103 | 0.42480 | −0.22993 | 0.17817 | −0.36582 | 0.33386 | −0.82050 | −0.70372 | 39.55145 | |
| 500 | −0.04035 | 0.17004 | −0.11716 | −0.23939 | −0.16535 | 0.21346 | −1.14042 | −1.03440 | 32.87922 | |
| 1000 | 0.10480 | 0.15849 | −0.09430 | −0.17452 | −0.21359 | 0.05613 | −0.92341 | −1.07969 | 25.69518 | |
| 2000 | 0.04609 | 0.32114 | −0.11738 | 0.08879 | −0.13974 | 0.02426 | −1.02994 | −1.14131 | 22.98173 | |
| 3000 | 0.03568 | 0.26981 | −0.07977 | 0.15041 | −0.29377 | 0.10274 | −1.08493 | −1.08666 | 13.64798 | |
| True values | 0.10000 | 0.20000 | −0.08000 | 0.13000 | −0.46000 | 0.14000 | −1.00000 | −1.14000 |
| k | (%) | |||||||||
|---|---|---|---|---|---|---|---|---|---|---|
| 100 | −0.01964 | 0.21970 | −0.00081 | −0.02868 | −0.33531 | 0.12144 | −0.74423 | −0.82168 | 29.64132 | |
| 200 | 0.08197 | 0.19753 | −0.01762 | 0.10705 | −0.44611 | 0.23169 | −0.83643 | −0.94408 | 17.36114 | |
| 500 | 0.08935 | 0.19843 | −0.01774 | 0.10942 | −0.45003 | 0.20689 | −0.94856 | −1.06340 | 8.19833 | |
| 1000 | 0.08578 | 0.19969 | −0.02463 | 0.14382 | −0.45467 | 0.19675 | −0.97305 | −1.09516 | 6.02228 | |
| 2000 | 0.09822 | 0.19729 | −0.03162 | 0.11818 | −0.46273 | 0.14959 | −0.98705 | −1.12096 | 3.46150 | |
| 3000 | 0.09506 | 0.19706 | −0.04113 | 0.11783 | −0.46221 | 0.15047 | −0.99381 | −1.12816 | 2.76101 | |
| 100 | 0.01354 | 0.21783 | −0.07134 | 0.01831 | −0.37965 | 0.08900 | −0.75474 | −0.84329 | 26.11439 | |
| 200 | 0.09192 | 0.25320 | −0.13028 | 0.17622 | −0.40265 | 0.10861 | −0.86428 | −0.98117 | 14.59630 | |
| 500 | 0.09975 | 0.22830 | −0.12440 | 0.16815 | −0.42283 | 0.13374 | −0.93999 | −1.07477 | 7.20105 | |
| 1000 | 0.10033 | 0.21731 | −0.11635 | 0.15892 | −0.41996 | 0.10690 | −0.97322 | −1.11057 | 5.08736 | |
| 2000 | 0.10501 | 0.21682 | −0.09449 | 0.14501 | −0.45404 | 0.11962 | −0.98885 | −1.12007 | 2.56656 | |
| 3000 | 0.10085 | 0.21839 | −0.10777 | 0.13155 | −0.45770 | 0.13402 | −0.99140 | −1.12916 | 2.27257 | |
| 100 | 0.10820 | 0.18539 | −0.03825 | 0.01925 | −0.18817 | −0.04694 | −0.76262 | −0.80486 | 33.47432 | |
| 200 | 0.11616 | 0.27045 | −0.08163 | 0.08575 | −0.36802 | 0.08646 | −0.87184 | −0.97253 | 15.55185 | |
| 500 | 0.11013 | 0.22949 | −0.07679 | 0.13808 | −0.44479 | 0.13892 | −0.94519 | −1.07740 | 5.61255 | |
| 1000 | 0.10396 | 0.22012 | −0.07730 | 0.13261 | −0.46404 | 0.13341 | −0.97008 | −1.11117 | 2.91988 | |
| 2000 | 0.10361 | 0.21174 | −0.07634 | 0.13155 | −0.46106 | 0.13467 | −0.98498 | −1.12887 | 1.44751 | |
| 3000 | 0.10229 | 0.20709 | −0.07994 | 0.12983 | −0.46328 | 0.13496 | −0.99151 | −1.13751 | 0.80762 | |
| True values | 0.10000 | 0.20000 | −0.08000 | 0.13000 | −0.46000 | 0.14000 | −1.00000 | −1.14000 |
| k | (%) | |||||||||
|---|---|---|---|---|---|---|---|---|---|---|
| 100 | 0.03139 | 0.22351 | −0.06538 | 0.02126 | −0.36181 | 0.05722 | −0.75477 | −0.84288 | 26.45218 | |
| 200 | 0.08886 | 0.26573 | −0.12960 | 0.14943 | −0.40277 | 0.10736 | −0.86890 | −0.98183 | 14.37696 | |
| 500 | 0.09870 | 0.23339 | −0.11891 | 0.15798 | −0.43124 | 0.13850 | −0.94261 | −1.07384 | 6.76388 | |
| 1000 | 0.09696 | 0.22511 | −0.10296 | 0.15268 | −0.44199 | 0.12328 | −0.97599 | −1.10689 | 3.89832 | |
| 2000 | 0.09643 | 0.22352 | −0.09092 | 0.14739 | −0.46870 | 0.12913 | −0.98937 | −1.11871 | 2.59053 | |
| 3000 | 0.09371 | 0.22242 | −0.10773 | 0.14361 | −0.46908 | 0.14297 | −0.99088 | −1.12796 | 2.64068 | |
| 100 | 0.05143 | 0.21989 | −0.05920 | 0.02554 | −0.34834 | 0.02886 | −0.75828 | −0.84032 | 26.80869 | |
| 200 | 0.08841 | 0.27427 | −0.11545 | 0.11823 | −0.42308 | 0.12481 | −0.87518 | −0.98173 | 13.75472 | |
| 500 | 0.09918 | 0.23361 | −0.10268 | 0.14744 | −0.44826 | 0.15178 | −0.94512 | −1.07324 | 6.10171 | |
| 1000 | 0.10133 | 0.22027 | −0.08575 | 0.14306 | −0.45479 | 0.13259 | −0.97523 | −1.10536 | 3.10590 | |
| 2000 | 0.09578 | 0.22056 | −0.08449 | 0.14570 | −0.47800 | 0.13563 | −0.98853 | −1.11813 | 2.52469 | |
| 3000 | 0.09346 | 0.21802 | −0.09588 | 0.13871 | −0.47731 | 0.14070 | −0.99070 | −1.12699 | 2.19236 | |
| 100 | 0.10815 | 0.18559 | −0.03881 | 0.01823 | −0.19023 | −0.04778 | −0.76266 | −0.80574 | 33.40349 | |
| 200 | 0.11589 | 0.27195 | −0.08293 | 0.08789 | −0.36970 | 0.08835 | −0.87166 | −0.97317 | 15.47164 | |
| 500 | 0.10983 | 0.22953 | −0.07716 | 0.14092 | −0.44501 | 0.14031 | −0.94503 | −1.07881 | 5.57253 | |
| 1000 | 0.10382 | 0.22047 | −0.07769 | 0.13359 | −0.46500 | 0.13330 | −0.96972 | −1.11233 | 2.90940 | |
| 2000 | 0.10383 | 0.21175 | −0.07595 | 0.13179 | −0.46084 | 0.13410 | −0.98492 | −1.13017 | 1.42908 | |
| 3000 | 0.10245 | 0.20677 | −0.08009 | 0.13005 | −0.46322 | 0.13461 | −0.99171 | −1.13928 | 0.78491 | |
| True values | 0.10000 | 0.20000 | −0.08000 | 0.13000 | −0.46000 | 0.14000 | −1.00000 | −1.14000 |
| (%) | |||||||||||
|---|---|---|---|---|---|---|---|---|---|---|---|
| 0.11067 | 0.19461 | −0.06940 | 0.13484 | −0.46912 | 0.14908 | −0.99194 | −1.11727 | 1.98511 | |||
| 0.09965 | 0.20818 | −0.07827 | 0.13440 | −0.47275 | 0.13928 | −0.98868 | −1.12539 | 1.51034 | |||
| 0.09991 | 0.20624 | −0.08001 | 0.13365 | −0.47109 | 0.13724 | −0.99150 | −1.12771 | 1.24894 | |||
| 0.10013 | 0.20771 | −0.07873 | 0.13396 | −0.47113 | 0.13792 | −0.98822 | −1.12481 | 1.48533 | |||
| 0.10012 | 0.20767 | −0.07867 | 0.13392 | −0.47114 | 0.13790 | −0.98822 | −1.12481 | 1.48477 | |||
| 0.09904 | 0.20658 | −0.07972 | 0.13496 | −0.47547 | 0.14040 | −0.99357 | −1.13049 | 1.29991 | |||
| 0.09943 | 0.20644 | −0.07984 | 0.13439 | −0.47356 | 0.13903 | −0.99264 | −1.12926 | 1.26310 | |||
| 0.09991 | 0.20624 | −0.08001 | 0.13365 | −0.47109 | 0.13724 | −0.99150 | −1.12771 | 1.24894 | |||
| 0.10051 | 0.20594 | −0.08029 | 0.13261 | −0.46775 | 0.13483 | −0.99004 | −1.12570 | 1.28938 | |||
| 0.10132 | 0.20543 | −0.08083 | 0.13099 | −0.46300 | 0.13152 | −0.98811 | −1.12297 | 1.44698 | |||
| 0.10239 | 0.20414 | −0.08251 | 0.12883 | −0.45528 | 0.12701 | −0.98514 | −1.11893 | 1.84468 | |||
| 0.10443 | 0.20374 | −0.07824 | 0.12726 | −0.44671 | 0.12205 | −0.97879 | −1.11051 | 2.67438 | |||
| 0.10340 | 0.20359 | −0.07990 | 0.12872 | −0.45146 | 0.12501 | −0.98319 | −1.11579 | 2.13975 | |||
| 0.09991 | 0.20624 | −0.08001 | 0.13365 | −0.47109 | 0.13724 | −0.99150 | −1.12771 | 1.24894 | |||
| 0.09678 | 0.21079 | −0.07765 | 0.13781 | −0.48286 | 0.14741 | −0.99358 | −1.13185 | 1.83659 | |||
| 0.09103 | 0.22242 | −0.07501 | 0.14476 | −0.49472 | 0.15992 | −0.99320 | −1.13213 | 3.12102 | |||
| True values | 0.10000 | 0.20000 | −0.08000 | 0.13000 | −0.46000 | 0.14000 | −1.00000 | −1.14000 | |||
| Noises | k | (%) | ||||||||
|---|---|---|---|---|---|---|---|---|---|---|
| Cauchy noise | 100 | 0.18014 | −0.10092 | −0.10995 | 0.08347 | −0.47285 | −0.02605 | −0.62682 | −0.60766 | 45.97503 |
| 200 | 0.19772 | 0.03412 | −0.11618 | 0.09050 | −0.40935 | 0.03534 | −1.05269 | −1.14033 | 14.69448 | |
| 500 | 0.14952 | 0.15420 | −0.08429 | 0.10980 | −0.44768 | 0.11447 | −1.06952 | −1.22371 | 8.22579 | |
| 1000 | 0.14892 | 0.17978 | −0.08107 | 0.11338 | −0.44784 | 0.12044 | −1.08355 | −1.26395 | 9.98350 | |
| 2000 | 0.12899 | 0.19008 | −0.07537 | 0.11803 | −0.45362 | 0.12283 | −1.03237 | −1.19407 | 4.55835 | |
| 3000 | 0.12347 | 0.19237 | −0.07424 | 0.12219 | −0.45641 | 0.13275 | −1.02098 | −1.17124 | 2.89661 | |
| Laplace noise | 100 | 0.16710 | 0.25154 | −0.28676 | −0.02328 | −0.46359 | 0.06956 | −0.78732 | −0.69092 | 35.34258 |
| 200 | 0.15102 | 0.26373 | −0.09966 | 0.13613 | −0.42173 | 0.20662 | −0.84152 | −0.83131 | 22.63319 | |
| 500 | 0.19689 | 0.15794 | −0.19903 | 0.21706 | −0.41123 | 0.16446 | −0.96766 | −1.03146 | 13.67631 | |
| 1000 | 0.09939 | 0.18023 | −0.07486 | 0.15656 | −0.42700 | 0.13009 | −0.96488 | −1.05079 | 6.64625 | |
| 2000 | 0.09737 | 0.19479 | −0.06733 | 0.17793 | −0.42513 | 0.11934 | −1.00411 | −1.12240 | 4.13900 | |
| 3000 | 0.11994 | 0.17869 | −0.08971 | 0.14410 | −0.46261 | 0.12163 | −1.00700 | −1.14119 | 2.43129 | |
| True values | 0.10000 | 0.20000 | −0.08000 | 0.13000 | −0.46000 | 0.14000 | −1.00000 | −1.14000 |
| Parameter | Value | Unit |
|---|---|---|
| Armature inductance, | 0.314 | H |
| Armature resistance, | 12.345 | |
| Motor constant, | 0.2534 | Nm/A2 |
| Total system moment of inertia, J | 0.00441 | Nm sec2 |
| Total system viscous friction constant, B | 0.00732 | Nm sec |
| Load torque, | 1.47 | Nm |
| Armature terminal voltage source, | 60 | V |
Disclaimer/Publisher’s Note: The statements, opinions and data contained in all publications are solely those of the individual author(s) and contributor(s) and not of MDPI and/or the editor(s). MDPI and/or the editor(s) disclaim responsibility for any injury to people or property resulting from any ideas, methods, instructions or products referred to in the content. |
© 2025 by the authors. Licensee MDPI, Basel, Switzerland. This article is an open access article distributed under the terms and conditions of the Creative Commons Attribution (CC BY) license (https://creativecommons.org/licenses/by/4.0/).
Share and Cite
Wang, X.; Duan, Y. Gaussian–Versoria Mixed Kernel Correntropy-Based Robust Parameter and State Estimation for Bilinear State–Space Systems with Non-Gaussian Process and Measurement Noises. Axioms 2025, 14, 630. https://doi.org/10.3390/axioms14080630
Wang X, Duan Y. Gaussian–Versoria Mixed Kernel Correntropy-Based Robust Parameter and State Estimation for Bilinear State–Space Systems with Non-Gaussian Process and Measurement Noises. Axioms. 2025; 14(8):630. https://doi.org/10.3390/axioms14080630
Chicago/Turabian StyleWang, Xuehai, and Yijuan Duan. 2025. "Gaussian–Versoria Mixed Kernel Correntropy-Based Robust Parameter and State Estimation for Bilinear State–Space Systems with Non-Gaussian Process and Measurement Noises" Axioms 14, no. 8: 630. https://doi.org/10.3390/axioms14080630
APA StyleWang, X., & Duan, Y. (2025). Gaussian–Versoria Mixed Kernel Correntropy-Based Robust Parameter and State Estimation for Bilinear State–Space Systems with Non-Gaussian Process and Measurement Noises. Axioms, 14(8), 630. https://doi.org/10.3390/axioms14080630

