The Deep Removal of Mercury in Contaminated Acid by Colloidal Agglomeration Materials M201
Abstract
1. Introduction
2. Materials and Methods
2.1. Materials and Analysis
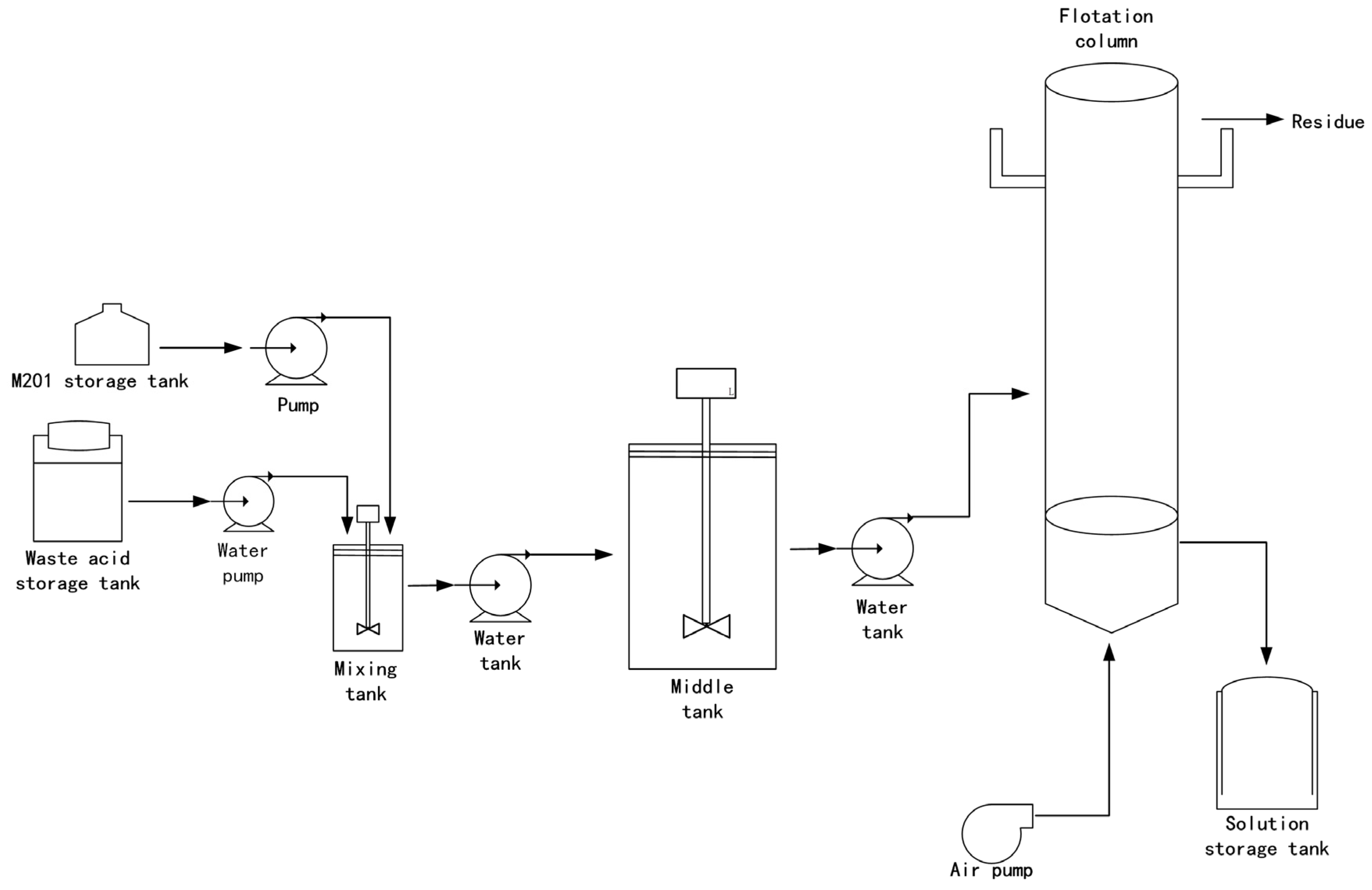
2.2. Mercury Removal Process
3. Results and Discussion
3.1. Mercury Removal Test
3.1.1. Effect of M201 Addition
3.1.2. Effect of Mixing Temperature
3.1.3. Effect of Mixing Time
3.1.4. Effect of H2SO4 Concentration
3.1.5. Effect of Air Blowing Time
3.1.6. Effect of Air Flow Rate
3.2. Continuous Test
4. Conclusions
- In the process, the dosage of reagent M201 is the key factor influencing mercury removal, and an increase in dosage can significantly improve Hg removal. However, an increase in temperature will reduce mercury removal, so it is advisable to use it at room temperature.
- Under the recommended process conditions, the residual mercury content was 2 mg/L (the mercury content after two-stage mercury removal treatment reached 0.01 mg/L). This brought about a better separation of arsenic and mercury, achieving one-step mercury removal. Mercury in the residue was well enriched, with a content of 41.20%, and could be used as a raw material for recovering mercury elements.
Author Contributions
Funding
Data Availability Statement
Acknowledgments
Conflicts of Interest
Appendix A
| Term | M201 (ml/L) | Temperature (°C) | Mixing Time (min) | H2SO4 Concentration (g/L) | Air blow Time (min) | Air Flow Rate (L/min) | Removal % | |
| Hg | As | |||||||
| M201 (ml/L) | 0.8 | 20 | 10 | 33.67 | 10 | 0.1 | 71.49 | 11.75 |
| 4 | 99.45 | 23.97 | ||||||
| 6 | 99.55 | 31.56 | ||||||
| 8 | 99.39 | 24.91 | ||||||
| 10 | 98.26 | 17.78 | ||||||
| 40 | 98.63 | 20.34 | ||||||
| 50 | 98.57 | 48.75 | ||||||
| 60 | 99.54 | 70.75 | ||||||
| Temperature (°C) | 6 | 20 | 10 | 33.67 | 10 | 0.1 | 99.55 | 31.56 |
| 30 | 98.15 | 18.28 | ||||||
| 40 | 97.47 | 27.13 | ||||||
| 50 | 97.38 | 14.84 | ||||||
| 60 | 98.63 | 20.34 | ||||||
| 70 | 94.02 | 11.31 | ||||||
| Mixing time (min) | 6 | 20 | 1 | 33.67 | 10 | 0.1 | 98.01 | 9.84 |
| 2 | 97.84 | 15.47 | ||||||
| 5 | 95.98 | 17.5 | ||||||
| 15 | 93.16 | 15.94 | ||||||
| 20 | 94.14 | 16.41 | ||||||
| 30 | 92.07 | 17.34 | ||||||
| H2SO4 Concentration (g/L) | 6 | 20 | 5 | 33.67 | 10 | 0.1 | 99.55 | 31.56 |
| 46.53 | 92.38 | 59.38 | ||||||
| 108.11 | 90.5 | 60.34 | ||||||
| 137.43 | 91.76 | 62.22 | ||||||
| 140.23 | 86.23 | 65.03 | ||||||
| Air blow time (min) | 6 | 20 | 5 | 33.67 | 1 | 0.1 | 92.74 | 31.84 |
| 5 | 88.02 | 36.53 | ||||||
| 10 | 95.2 | 36.72 | ||||||
| 20 | 94.92 | 42.59 | ||||||
| 30 | 93.13 | 46.59 | ||||||
| air flow rate (L/min) | 6 | 20 | 5 | 33.67 | 10 | 0.1 | 99.55 | 31.56 |
| 0.2 | 95.89 | 47.81 | ||||||
| 0.3 | 95.86 | 47.53 | ||||||
| 0.4 | 95.63 | 52.09 | ||||||
| 0.6 | 95.11 | 54.28 | ||||||
Appendix B
- For correlation analysis:
- 2.
- Regression analysis of Removal % Hg
- 3.
- Regression analysis for Removal % As
References
- Wu, Q.; Wang, S.; Hui, M.; Wang, F.; Zhang, L.; Duan, L.; Luo, Y. New insight into atmospheric mercury emissions from zinc smelters using mass flow analysis. Environ. Sci. Technol. 2015, 49, 3532–3539. [Google Scholar] [CrossRef] [PubMed]
- Wu, Q.R.; Wang, S.X.; Zhang, L.; Song, J.X.; Yang, H.; Meng, Y. Update of mercury emissions from China’s primary zinc, lead and copper smelters, 2000–2010. Atmos. Chem. Phys. 2012, 12, 11153–11163. [Google Scholar] [CrossRef]
- Liao, Y.; Liu, W.; Xu, H.; Hong, Q.; Wang, Y.; Qu, Z.; Yan, N. Zinc concentrate internal circulation technology for elemental mercury recovery from zinc smelting flue gas. Fuel 2020, 280, 118566. [Google Scholar] [CrossRef]
- Zheng, N.; Liu, J.; Wang, Q.; Liang, Z. Mercury contamination due to zinc smelting and chlor-alkali production in NE China. Appl. Geochem. 2011, 26, 188–193. [Google Scholar] [CrossRef]
- Cao, S.; Zhang, L.; Zhang, Y.; Wang, S.; Wu, Q. Impacts of removal compensation effect on the mercury emission inventories for nonferrous metal (zinc, lead, and copper) smelting in China. Environ. Sci. Technol. 2022, 56, 2163–2171. [Google Scholar] [CrossRef]
- Xie, X.; Zhang, Z.; Chen, Z.; Wu, J.; Li, Z.; Zhong, S.; Liu, H.; Xu, Z.; Zhilou, L. In-situ preparation of zinc sulfide adsorbent using local materials for elemental mercury immobilization and recovery from zinc smelting flue gas. Chem. Eng. J. 2022, 429, 132115. [Google Scholar] [CrossRef]
- Yang, J.; Wang, T.; Yan, B.; Zhang, Y.; Wang, J.; Pan, W.P. Molecular-level insights into efficient immobilization of gas-phase elemental mercury by zinc selenide. Appl. Surf. Sci. 2021, 537, 147913. [Google Scholar] [CrossRef]
- Li, G.; Feng, X.; Li, Z.; Qiu, G.; Shang, L.; Liang, P.; Wang, D.; Yang, Y. Mercury emission to atmosphere from primary Zn production in China. Sci. Total Environ. 2010, 408, 4607–4612. [Google Scholar] [CrossRef] [PubMed]
- Košak, A.; Lobnik, A.; Bauman, M. dsorption of mercury (II), lead (II), cadmium (II) and zinc (II) from aqueous solutions using mercapto-modified silica particles. Int. J. Appl. Ceram. Technol. 2015, 12, 461–472. [Google Scholar] [CrossRef]
- Mattigod, S.; Fryxell, G.; Parker, K. A thiol-functionalized nanoporous silica sorbent for removal of mercury from actual industrial waste. Environ. Appl. Nanomater. Synth. Sorbents Sens. 2007, 275, 359–367. [Google Scholar]
- Wang, J.; Feng, X.; Anderson, C.W.; Xing, Y.; Shang, L. Remediation of mercury contaminated sites—A review. J. Hazard. Mater. 2012, 221, 1–18. [Google Scholar] [CrossRef]
- Feng, Q.; Li, A.J.; An, Y.F.; Zhang, B.; Zhao, Y.Q. Research development on separation and extraction of selenium and mercury. Solid State Phenom. 2022, 330, 161–168. [Google Scholar] [CrossRef]
- Wang, X.Q.; Wang, P.; Ning, P.; Ma, Y.X.; Wang, F.; Guo, X.L.; Lan, Y. Adsorption of gaseous elemental mercury with activated carbon impregnated with ferric chloride. RSC Adv. 2015, 5, 24899–24907. [Google Scholar] [CrossRef]
- Al-Eryani, D.A.; Ahmad, W.; Mohammad, G.I.; Ali Zainy, F.M.; Alwael, H.; Bahaffi, S.O.; El-Shahawi, M.S. An ultrasensitive detection platform for mercury ions speciation in water using procaine hydrochloride ion pair coupled extractive spectrofluorimetry. J. Fluoresc. 2019, 29, 211–219. [Google Scholar] [CrossRef]
- Kolopajlo, L. Analytical Methodologies for Arsenic, Selenium, and Mercury: A Historical Perspective. In Elements Old and New: Discoveries Developments, Challenges, and Environmental Implications; American Chemical Society: Washington, DC, USA, 2017; pp. 141–172. [Google Scholar]
- Wang, Q.; Qin, W.; Chai, L.; Li, Q. Understanding the formation of colloidal mercury in acidic wastewater with high concentration of chloride ions by electrocapillary curves. Environ. Sci. Pollut. Res. 2014, 21, 3866–3872. [Google Scholar] [CrossRef]
- Deonarine, A.; Hsu-Kim, H. Precipitation of mercuric sulfide nanoparticles in NOM-containing water: Implications for the natural environment. Environ. Sci. Technol. 2009, 43, 2368–2373. [Google Scholar] [CrossRef]
- Li, Q.; Liu, T.; Deng, P. Recovery of mercury and lead from wastewater by sulfide precipitation-flotation. In Characterization of Minerals Metals and Materials; Springer: Berlin/Heidelberg, Germany, 2016; pp. 667–674. [Google Scholar]
- Piao, H.; Bishop, P.L. Stabilization of mercury-containing wastes using sulfide. Environ. Pollut. 2006, 139, 498–506. [Google Scholar] [CrossRef]
- Gondikas, A.P.; Jang, E.K.; Hsu-Kim, H. Influence of amino acids cysteine and serine on aggregation kinetics of zinc and mercury sulfide colloids. J. Colloid Interface Sci. 2010, 347, 167–171. [Google Scholar] [CrossRef]
- Wang, X.; Zhang, D.; Qian, H.; Liang, Y.; Pan, X.; Gadd, G.M. Interactions between biogenic selenium nanoparticles and goethite colloids and consequence for remediation of elemental mercury contaminated groundwater. Sci. Total Environ. 2018, 613, 672–678. [Google Scholar] [CrossRef]
- Bao, T.; Wang, P.; Hu, B.; Jin, Q.; Zheng, T.; Li, D. Adsorption and distribution of heavy metals in aquatic environments: The role of colloids and effects of environmental factors. J. Hazard. Mater. 2024, 474, 134725. [Google Scholar] [CrossRef]
- Masuda, T.; Yamamoto, S.I.; Moriya, O.; Kashio, M.; Sugizaki, T. Preparation of amphiphilic polysilsesquioxane by grafting of block copolymer of acrylamide monomers. Polym. J. 2007, 39, 220–229. [Google Scholar] [CrossRef]
- Kalak, T.; Cierpiszewski, R.; Ulewicz, M. High efficiency of the removal process of Pb (II) and Cu (II) ions with the use of fly ash from incineration of sunflower and wood waste using the CFBC technology. Energies 2021, 14, 1771. [Google Scholar] [CrossRef]
- Zouboulis, A.I.; Moussas, P.A. Polyferric silicate sulphate (PFSiS): Preparation, characterisation and coagulation behaviour. Desalination 2008, 224, 307–316. [Google Scholar] [CrossRef]
- Li, S.; Dai, M.; Wu, Y.; Fu, H.; Hou, X.; Peng, C.; Luo, H. Resource utilization of electroplating wastewater: Obstacles and solutions. Environ. Sci. Water Res. Technol. 2022, 8, 484–509. [Google Scholar] [CrossRef]
- Nakashima, S.; Yagi, M. Determination of nanogram amounts of cadmium in water by electrothermal atomic absorption spectrometry after flotation separation. Anal. Chim. Acta 1983, 147, 213–218. [Google Scholar] [CrossRef]












| Element | Zn | Pb | Cd | Cu | Cr | As | Hg | F | Cl | H2SO4 |
|---|---|---|---|---|---|---|---|---|---|---|
| Concentration | 3.48 | 7.7 | 16.8 | 39.3 | 2.8 | 0.032 | 0.47 | 2.11 | 1.68 | 33.67 |
| Solution No. | F− | Cl− |
|---|---|---|
| Hg-raw | 2.11 | 1.68 |
| Hg-filtrate | 2.04 | 1.62 |
| Hg-2 | 2.68 | 1.95 |
| Hg-3 | 2.39 | 1.74 |
| Hg-4 | 2.60 | 1.64 |
| Hg-5 | 2.81 | 1.72 |
| Hg-6 | 2.54 | 1.86 |
| Element | Al | Ba | Ca | Cu | Fe | Pb | Sr | Zn | Hg | As |
|---|---|---|---|---|---|---|---|---|---|---|
| Content (wt.%) | 0.49 | 0.2 | 0.06 | 0.71 | 0.26 | 2.64 | 0.17 | 1.64 | 41.2 | 0.028 |
Disclaimer/Publisher’s Note: The statements, opinions and data contained in all publications are solely those of the individual author(s) and contributor(s) and not of MDPI and/or the editor(s). MDPI and/or the editor(s) disclaim responsibility for any injury to people or property resulting from any ideas, methods, instructions or products referred to in the content. |
© 2024 by the authors. Licensee MDPI, Basel, Switzerland. This article is an open access article distributed under the terms and conditions of the Creative Commons Attribution (CC BY) license (https://creativecommons.org/licenses/by/4.0/).
Share and Cite
Qin, S.; Yang, B.; Northwood, D.O.; Waters, K.E.; Ma, H. The Deep Removal of Mercury in Contaminated Acid by Colloidal Agglomeration Materials M201. Minerals 2024, 14, 782. https://doi.org/10.3390/min14080782
Qin S, Yang B, Northwood DO, Waters KE, Ma H. The Deep Removal of Mercury in Contaminated Acid by Colloidal Agglomeration Materials M201. Minerals. 2024; 14(8):782. https://doi.org/10.3390/min14080782
Chicago/Turabian StyleQin, Shuchen, Biwen Yang, Derek O. Northwood, Kristian E. Waters, and Hao Ma. 2024. "The Deep Removal of Mercury in Contaminated Acid by Colloidal Agglomeration Materials M201" Minerals 14, no. 8: 782. https://doi.org/10.3390/min14080782
APA StyleQin, S., Yang, B., Northwood, D. O., Waters, K. E., & Ma, H. (2024). The Deep Removal of Mercury in Contaminated Acid by Colloidal Agglomeration Materials M201. Minerals, 14(8), 782. https://doi.org/10.3390/min14080782

