The Impact of Hydrothermal Fluids on Porosity Enhancement and Hydrocarbon Migration in Qamchuqa Formation, Lower Cretaceous, Kirkuk Oil Company
Abstract
1. Introduction
2. Geological and Structural Settings
3. Materials and Methods
4. Results
4.1. Field Observation
4.2. Micro-Scale Observation
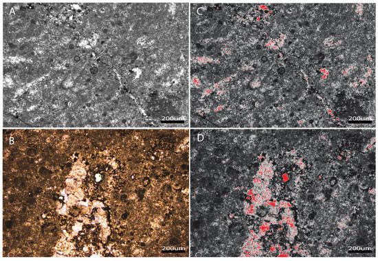
4.3. ImageJ Software
4.4. Stable Isotopes
5. Discussion
- (1)
- Geometrically, the saddle dolomite phase is postdated by all the previous diagenetic phases.
- (2)
- The saddle dolomite formation postdated the stylolization process.
- (3)
- The fractures and pore spaces cemented by small size of saddle dolomite compare to cm-sized saddle dolomite crystals on the exposed surface [25], and the tight arrangement of dolomite crystals in this study confirms that the growth mechanism of saddle dolomite formation takes a long term to form due to relatively constant temperature and pressure under surface conditions. This is in contrast to the large crystals of saddle dolomite, which formed in shallow diagenetic settings in the Bekhme Formation [25]. The influx of hydrothermal fluid, which precipitate the curved faces dolomites at shallow burial or near surface setting, always provides a huge dissolution and fracturing of previous carbonate rocks. This provokes a precipitation of very coarse-sized crystals of saddle dolomite [25] due to sudden change in hot fluid conditions, such as temperature and pressure, which move from deep burial conditions (high temperature and pressure) to shallow burial conditions (low temperature and pressure). For more details, see Figure 8, which explains each phase of diagenesis separately.
6. Conclusions
- (1)
- The Qamchuqa Formation underwent main three stages: early, middle, and late diagenesis stages. The micrite was considered as the first and early diagenetic product, and moldic pores are formed and predate the formation of anhydrite minerals. However, most of the samples were extensively dolomitized, and the host limestone still preserves the pristine facies.
- (2)
- Multiple episodes of non-hydrothermal and hydrothermal fluids were accompanied by hydrocarbon migration, and the later fluids caused an activation for and formation of a new fracture system.
- (3)
- The non-hydrothermal diagenesis started with anhydrite minerals and an early dolomitization process. Geometrically, the early dolomite cross-cut the anhydrite mineral.
- (4)
- Different generations of dolomites formation are observed in this study: very fine, non- planar early dolomite, planar rhombohedral dolomite crystals, curved faces, and non-planar saddle dolomites. These two characteristics of saddle dolomites are applied to the mechanism of dolomite formation where the temperature of dolomitizing fluids is hot enough when fluxed to any stratigraphic unit.
- (5)
- The distribution of hydrothermal dolomitizing fluids was found to be consistent with the direction of the fracture and open space system, which was indicated by the destructive dolomite fabric.
- (6)
- The Qamchuqa reservoir formation shows an intensive dolomitization by two mechanisms: fracturing and dissolution by hot fluids, which caused porosity enhancement during early and late dolomitizing fluids.
- (7)
- ImageJ software shows that hot fluids enhance the porous media and the migration of hydrocarbon processes.
- (8)
- The tightly arranged dolomite crystals are along the fractures, pore spaces, and within the matrix; besides small-sized crystals of saddle dolomite compared with previous studies, these confirm that the growth mechanisms and the condition where these crystals formed are related to influxes of hot fluid under deep setting conditions.
- (9)
- Stable isotopes reveal two population groups: the first group shows light δ18OVPDB values, and a wide range of δ13CVPDB fits the inverse ‘J’ Lohmann curve, and these values are linked to near surface/shallow diagenetic settings.
- (10)
- The second group shows an overlapping of oxygen values with hot dolomitizing fluids under subsurface conditions. The shift of δ13C values toward enrichment of δ13C values is consistent with those of hydrocarbon generation.
Funding
Data Availability Statement
Conflicts of Interest
References
- Qing, H.; Mountjoy, E.W. Formation of coarsely crystalline, hydrothermal dolomite reservoirs in the Presqu’ile Barrier, Western Canada sedimentary basin. AAPG Bull 1994, 78, 55–77. [Google Scholar]
- Smith, L.B., Jr. Origin and reservoir characteristics of Upper Ordovician Trenton—Black River hydrothermal dolomite reservoirs in New York. AAPG Bull. 2006, 90, 1691–1718. [Google Scholar] [CrossRef]
- Lavoie, D.; Chi, G. Lower Paleozoic foreland basins in eastern Canada: Tectono-thermal events recorded by faults, fluids and hydrothermal dolomites. Bull. Can. Pet. Geol. 2010, 58, 17–35. [Google Scholar] [CrossRef]
- Carpenter, A.B. Origin and chemical evolution of brines in sedimentary basins. In Proceedings of the Thirteenth Annual Forum on the Geology of Industrial Minerals, Norman, Oklahoma, 12–14 May 1977; Johnson, K.S., Russell, J.A., Eds.; Oklahoma Geological Survey: Toulsa, OK, USA, 1978; Volume 79, pp. 60–77. [Google Scholar]
- Conliffe, J.; Azmy, K.; Knight, I.; Lavoie, D. Dolomitization of the Lower Ordovician Watts Bight Formation of the St. George Group, western Newfoundland: Evidence of hydrothermal fluid alteration. Can. J. Earth Sci. 2009, 46, 247–261. [Google Scholar] [CrossRef]
- Iannace, A.; Gasparrini, M.; Gabellone, T.; Mazzoli, S. Late dolomitization in basinal limestones of the southern Apennines fold and thrust belt (Italy). Oil Gas Sci. Technol. Rev. D’IFP Energ. Nouv. 2012, 67, 59–75. [Google Scholar] [CrossRef]
- Lavoie, D. Hydrothermal dolomite reservoirs in eastern Canada—A promising newly recognized play in Paleozoic carbonates (abs.). In Proceedings of the American Association of Petroleum Geologists/Canadian Society of Petroleum Geologists Joint Convention, Calgary, AB, Canada, 19–22 June 2005; Abstract Volume. p. A79. [Google Scholar]
- Salih, N.; Muchez, H.M.P.; Gerdes, A.; Préat, A. Hydrothermal Fluids and Cold Meteoric Waters along Tectonic-Controlled Open Spaces in Upper Cretaceous Carbonate Rocks, NE-Iraq: Scanning Data from In Situ U-Pb Geochronology and Microthermometry. Water 2021, 13, 3559. [Google Scholar] [CrossRef]
- Salih, N.; Mansurbeg, H.; Kolo, K.; Préat, A. Hydrothermal Carbonate Mineralization, Calcretization, and Microbial Diagenesis Associated with Multiple Sedimentary Phases in the Upper Cretaceous Bekhme Formation, Kurdistan Region-Iraq. Geosciences 2019, 9, 459. [Google Scholar] [CrossRef]
- Salih, N. Scanning the Lower Cretaceous carbonate rocks utilizing stable isotopes and petrographic records. J. Earth Sci. Environ. Stud. 2022, 6, 148–163. [Google Scholar]
- Machel, H.G. Concept and models of dolomitization: A critical reappraisal. In The Geometry and Petrophysics of Dolomite Hydrocarbon Reservoir; Braithwaite, C., Rizzi, G., Darke, G., Eds.; Geological Society of London Special Publication: London, UK, 2004; Volume 235, pp. 7–63. [Google Scholar]
- Adams, J.E.; Rhodes, M.L. Dolomitization by seepage refluxion. AAPG Bull. 1960, 44, 1912–1920. [Google Scholar] [CrossRef]
- Clark, D.N. The diagenesis of Zechstein carbonate sediments. In The Zechstein Basin with Emphasis on Carbonate Sequences: Contributions in Sedimentology; Fuchtbauer, H., Peryt, T., Eds.; Schweitserbart’sche Verlagsbuchhandlung: Stuttgart, Germany, 1980; Volume 9, pp. 167–203. [Google Scholar]
- Land, L.S. The origin of massive dolomite. J. Geol. Educ. 1985, 33, 112–125. [Google Scholar] [CrossRef]
- Machel, H.G.; Mountjoy, E.W. Chemistry and environments of dolomitization: A reappraisal. Earth Sci. Rev. 1986, 23, 175–222. [Google Scholar] [CrossRef]
- Hardie, L.A. Dolomitization: A critical view of some current views. J. Sediment. Petrol. 1987, 57, 166–183. [Google Scholar] [CrossRef]
- White, D.E. Thermal waters of volcanic origin. Geol. Soc. Am. Bull. 1957, 68, 1637–1658. [Google Scholar] [CrossRef]
- Jassim, S.Z.; Goff, J.C. Geology of Iraq; Dolin, Prague and Moravian Museum: Brno, Czech Republic, 2006; 355p. [Google Scholar]
- Buday, T.; Jassim, S.Z. The Regional Geology of Iraq, Volume 2: Tectonism, Magmatism and Metamorphism; Publication of GEOSURV; GEOSURV: Baghdad, Iraq, 1987; 352p. [Google Scholar]
- Buday, T. The Regional Geology of Iraq, Volume 1: Stratigraphy and Paleogeography; Dar Al-Kutub Publishing House, University of Mosul: Mosul, Iraq, 1980; 445p. [Google Scholar]
- Alavi, M. Regional stratigraphy of the Zagros fold-thrust belt of Iran and its proforeland evolution. Am. J. Sci. 2004, 304, 1–20. [Google Scholar] [CrossRef]
- English, J.M.; Lunn, G.; Ferreira, L.; Yacu, G. Geologic evolution of the Iraqi Zagros, and its influence on the distribution of hydrocarbons in the Kurdistan region. AAPG Bull. 2015, 99, 231–272. [Google Scholar] [CrossRef]
- Sharland, P.R.; Archer, R.; Casey, D.M.; Davies, R.B.; Hall, S.H.; Heward, A.P.; Horbury, A.D.; Simmons, M.D. Arabian Plate Sequence Stratigraphy; GeoArabia Special Publication; Gulf Petrolink: Manama, Bahrain, 2001; 371p. [Google Scholar]
- Prokoph, A.; Shields, G.A.; Veizer, J. Compilation and time-series analysis of a marine carbonate d18O, d13C, 87Sr/86Sr and d34S database through Earth history. Earth-Sci. Rev. 2008, 87, 113–133. [Google Scholar] [CrossRef]
- Salih, N.; Mansurbeg, H.; Kolo, K.; Gerdes, A.; Préat, A. In situ U-Pb dating of hydrothermal diagenesis in tectonically controlled fracturing in the Upper Cretaceous Bekhme Formation, Kurdistan Region-Iraq. Int. Geol. Rev. 2020, 62, 2261–2279. [Google Scholar] [CrossRef]
- Girard, J.P.; Nahon, D. Diagenesis of the upper Proterozoic siliciclastic sediments of the Taoudeni Basin (west Africa) and relation to diabase emplacement. J. Sediment. Res. 1989, 59, 233–248. [Google Scholar]
- Davies, G.R.; Smith, L.B. Structurally controlled hydrothermal dolomite reservoir facies: An overview. AAPG Bull. 2006, 90, 1641–1690. [Google Scholar] [CrossRef]
- Sibley, D.F. Unstable to stable transformations during dolomitization. J. Geol. 1990, 98, 739–748. [Google Scholar] [CrossRef]
- Gradstein, F.M.; Ogg, J.G.; Schmitz, M.; Ogg, G. (Eds.) The Geologic Time Scale 2012; Elsevier: Amsterdam, The Netherlands, 2012; 1176p. [Google Scholar]
- Lohmann, C. Geochemical patterns of meteoric diagenetic systems and their application to studies of paleokarst. In Paleokarst; James, N.P., Choquette, P.W., Eds.; Springer: New York, NY, USA, 1988; pp. 58–80. [Google Scholar]
- Cramer, B.S.; Toggweiler, J.R.; Wright, J.D.; Katz, M.E.; Miller, K.G. Ocean overturning since the Late Cretaceous: Inferences from a new benthic foraminiferal isotope compilation. Paleoceanography 2009, 24, PA4216. [Google Scholar] [CrossRef]
- Nader, H.; Swennen, R.; Ottenburgs, R. Karst-meteoric dedolomitisation in Jurassic carbonates, Lebanon. Geol. Belg. 2003, 6, 3–23. [Google Scholar]
- Kingston, A.; Ardakani, O.H.; Watt, E.; Samson, I.M. Evidence of Hydrocarbon Generation and Overpressure Development in an Unconventional Reservoir Using Fluid Inclusion and Stable Isotope Analysis from the Early Triassic, Western Canadian Sedimentary Basin. Front. Earth Sci. 2022, 10, 918898. [Google Scholar] [CrossRef]










Disclaimer/Publisher’s Note: The statements, opinions and data contained in all publications are solely those of the individual author(s) and contributor(s) and not of MDPI and/or the editor(s). MDPI and/or the editor(s) disclaim responsibility for any injury to people or property resulting from any ideas, methods, instructions or products referred to in the content. |
© 2023 by the author. Licensee MDPI, Basel, Switzerland. This article is an open access article distributed under the terms and conditions of the Creative Commons Attribution (CC BY) license (https://creativecommons.org/licenses/by/4.0/).
Share and Cite
Salih, N.M. The Impact of Hydrothermal Fluids on Porosity Enhancement and Hydrocarbon Migration in Qamchuqa Formation, Lower Cretaceous, Kirkuk Oil Company. Minerals 2023, 13, 377. https://doi.org/10.3390/min13030377
Salih NM. The Impact of Hydrothermal Fluids on Porosity Enhancement and Hydrocarbon Migration in Qamchuqa Formation, Lower Cretaceous, Kirkuk Oil Company. Minerals. 2023; 13(3):377. https://doi.org/10.3390/min13030377
Chicago/Turabian StyleSalih, Namam M. 2023. "The Impact of Hydrothermal Fluids on Porosity Enhancement and Hydrocarbon Migration in Qamchuqa Formation, Lower Cretaceous, Kirkuk Oil Company" Minerals 13, no. 3: 377. https://doi.org/10.3390/min13030377
APA StyleSalih, N. M. (2023). The Impact of Hydrothermal Fluids on Porosity Enhancement and Hydrocarbon Migration in Qamchuqa Formation, Lower Cretaceous, Kirkuk Oil Company. Minerals, 13(3), 377. https://doi.org/10.3390/min13030377

