High-Resolution Transmission Electron Microscopy Study of a Powder River Basin Coal-Derived Fly Ash
Abstract
:1. Introduction
2. Methods and Materials
2.1. Scanning and Transmission Electron Microscopy
2.2. Chemistry
3. Results and Discussion
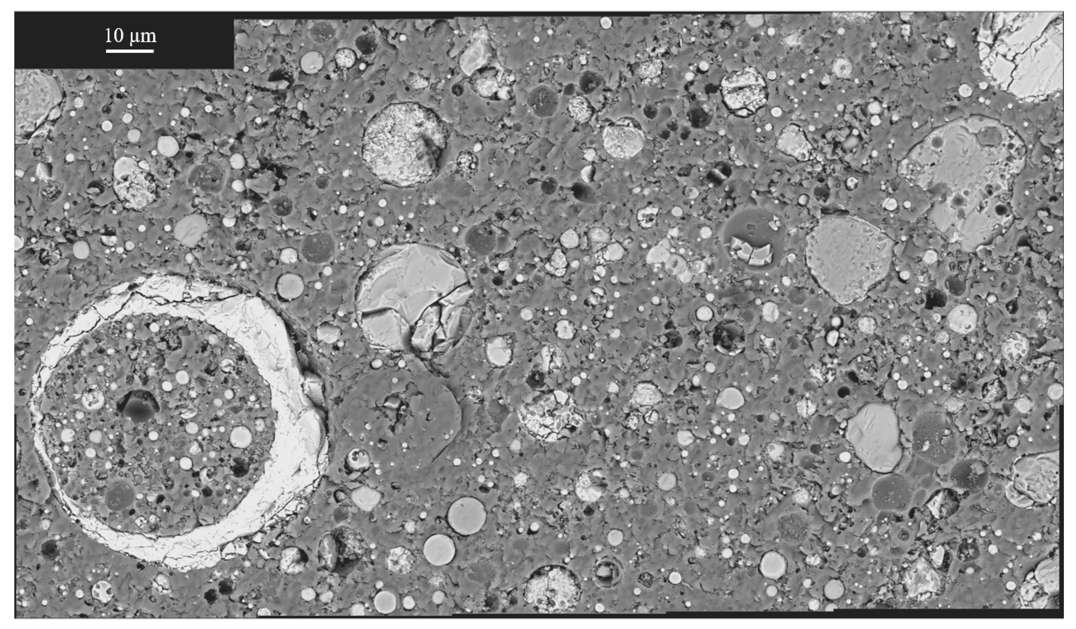
3.1. SEM-EDS
3.2. HRTEM
3.2.1. REE-Lean Particle: Analysis at Virginia Tech NanoEarth
3.2.2. REE-Rich Particle: Analysis at University of Kentucky Electron Microscopy Center
Areas 1213, 0940, and 1158/1201
Area 1003
Fast Fourier Transform (FFT) Analysis of Mineralogy
4. Summary
Supplementary Materials
Author Contributions
Funding
Acknowledgments
Conflicts of Interest
Disclaimer
References
- U.S. Environmental Protection Agency. Sulfur Dioxide (SO2) Pollution. 2021. Available online: https://www.epa.gov/so2-pollution (accessed on 8 June 2022).
- U.S. Environmental Protection Agency. Mercury. 2022. Available online: https://www.epa.gov/mercury (accessed on 8 June 2022).
- Vaninetti, G.E.; Worrall, C. Markets for southern Powder River Basin coal. Min. Eng. 1994, 46, 951–954. [Google Scholar]
- Young, B.C.; Pavlish, J.H.; Gerlach, T.R.; Zygarlicke, C.J. Mitigation of air toxic elements from the combustion of low-rank coals in power generation plants. In Proceedings of the Air & Waste Management Association’s Annual Meeting & Exhibition, Nashville, TN, USA, 23–28 June 1996; p. 18. [Google Scholar]
- Schimmoller, B.K. Western push east. Power Eng. 1999, 103, 18–26. [Google Scholar]
- Buecker, B.; Meinders, J. PRB coal switch not a complete panacea. Power Eng. 2000, 104, 76–79. [Google Scholar]
- Benson, S.A. How does Western coal affect mercury emissions? EM: Air Waste Manag. Assoc. Mag. Environ. Manag. 2003, 32–34. Available online: https://www.osti.gov/etdeweb/biblio/20423883 (accessed on 29 July 2022).
- Javetski, J. Burning PRB coal: Problems and solutions. Power 2004, 148, 46–50. [Google Scholar]
- Medine, E.S.; Schwartz, S. The roller coaster formerly known as the PRB. Coal Age 2006, 111, 34–35. [Google Scholar]
- Gerking, S.; Hamilton, S.F. What explains the increased utilization of Powder River Basin coal in electric power generation? Am. J. Agric. Econ. 2008, 90, 933–950. [Google Scholar] [CrossRef]
- Deye, C.S.; Layman, C.M. A review of Electrostatic Precipitator upgrades and SO2 reduction at the Tennessee Valley Authority Johnsonville Fossil Plant. In Air and Waste Management Association-7th Power Plant Air Pollutant Control ‘Mega’ Symposium; Air Waste Management Association: Pittsburgh, PA, USA, 2008; Volume 2, pp. 1056–1073. [Google Scholar]
- Chudnovsky, B.; Talanker, A.; Berman, Y.; Saveliev, R.; Perelman, M.; Korytnyi, E.; Davidson, B.; Bar-Ziv, E. Prediction of Performance from PRB Coal Fired in Utility Boilers with Various Furnace and Firing System Arrangements; American Society of Mechanical Engineers, Power Division (Publication) PWR: New York, NY, USA, 2009; pp. 27–34. [Google Scholar]
- McCartney, R.H.; Williams, R.L., Jr. Fuel blending with PRB coal. Power Eng. 2009, 113, 54–60. [Google Scholar]
- Taggart, R.K.; Hower, J.C.; Dwyer, G.S.; Hsu-Kim, H. Trends in the rare-earth element content of U.S.-based coal combustion fly ashes. Environ. Sci. Technol. 2016, 50, 5919–5926. [Google Scholar] [CrossRef]
- Hood, M.M.; Taggart, R.K.; Smith, R.C.; Hsu-Kim, H.; Henke, K.R.; Graham, U.M.; Groppo, J.G.; Unrine, J.M.; Hower, J.C. Rare earth element distribution in fly ash derived from the Fire Clay coal, Kentucky. Coal Combust. Gasif. Prod. 2017, 9, 22–33. [Google Scholar] [CrossRef]
- Bagdonas, D.A.; Nye, C.; Thomas, R.B., Sr.; Rose, K.K. Rare earth element occurrence and distribution in Powder River Basin coal core, Wyoming. In Proceedings of the 36th Annual International Pittsburgh Coal Conference: Clean Coal-Based Energy/Fuels and the Environment, Pittsburgh, PA, USA, 3–6 September 2019. [Google Scholar]
- Hower, J.C.; Groppo, J.G.; Henke, K.R.; Graham, U.M.; Hood, M.M.; Joshi, P.; Preda, D.V. Ponded and landfilled fly ash as a source of rare earth elements from a Kentucky power plant. Coal Combust. Gasif. Prod. 2017, 9, 1–21. [Google Scholar] [CrossRef]
- Hower, J.C.; Groppo, J.G.; Joshi, P.; Preda, D.V.; Gamliel, D.P.; Mohler, D.T.; Wiseman, J.D.; Hopps, S.D.; Morgan, T.D.; Beers, T.; et al. Distribution of Lanthanides, Yttrium, and Scandium in the pilot-scale beneficiation of fly ashes derived from eastern Kentucky coals. Minerals 2020, 10, 105. [Google Scholar] [CrossRef]
- Hower, J.C.; Groppo, J.G.; Hsu-Kim, H.; Taggart, R.K. Signatures of Rare Earth Element distributions in fly ash derived from the combustion of Central Appalachian, Illinois, and Powder River basin coals. Fuel 2021, 301, 121048. [Google Scholar] [CrossRef]
- Hower, J.C.; Groppo, J.G.; Jewell, R.F.; Wiseman, J.D.; Duvallet, T.Y.; Oberlink, A.E.; Hopps, S.D.; Morgan, T.D.; Henke, K.R.; Joshi, P.; et al. Distribution of Rare earth elements in the pilot-scale processing of fly ashes derived from eastern Kentucky coals: Comparisons of the feed and processed ashes. Fuel 2021, 295, 120562. [Google Scholar] [CrossRef]
- ASTM International. Standard Specification for Coal Fly Ash and Raw or Calcined Natural Pozzolan for Use in Concrete; ASTM C618-19; ASTM International: West Conshohoken, PA, USA, 2019. [Google Scholar]
- Hower, J.C.; Qian, D.; Briot, N.; Henke, K.R.; Hood, M.M.; Taggart, R.K.; Hsu-Kim, H. Rare earth element associations in the Kentucky State University stoker ash. Int. J. Coal Geol. 2018, 189, 75–82. [Google Scholar] [CrossRef]
- Hower, J.C.; Qian, D.; Briot, N.J.; Santillan-Jimenez, E.; Hood, M.M.; Taggart, R.K.; Hsu-Kim, H. Nano-scale rare earth distribution in fly ash derived from combustion of the Fire Clay coal, Kentucky. Minerals 2019, 9, 206. [Google Scholar] [CrossRef]
- Hower, J.C.; Cantando, E.; Eble, C.F.; Copley, G.C. Characterization of stoker ash from the combustion of high-lanthanide coal at a Kentucky bourbon distillery. Int. J. Coal Geol. 2019, 213, 103260. [Google Scholar] [CrossRef]
- ASTM International. Ultimate Analysis of Coal and Coke, ASTM D3176-15; ASTM International: West Conshohoken, PA, USA, 2015. [Google Scholar]
- French, D.; Dale, L.; Matulis, C.; Saxby, J.; Chatfield, P.; Hurst, H.J. Characterization of mineral transformations in pulverized fuel combustion by dynamic high-temperature X-ray diffraction analysis. In Proceedings of the 18th Pittsburgh International Coal Conference, Newcastle, Australia, 3–7 December 2001; p. 7. [Google Scholar]
- Osborn, E.F.; Muan, A. Phase equilibrium diagrams of oxide systems. In The System CaO-Al2O3-SiO2. Plate 1; The American Ceramic Society and the Edward Orton Jr. Ceramic Foundation: Columbus, OH, USA, 1960. [Google Scholar]
- Ehlers, E.G. The Interpretation of Geological Phase Diagrams; W.H. Freeman & Co.: San Francisco, CA, USA, 1972; p. 280. [Google Scholar]
- Alekseev, Y.I.; Vereshchagin, V.I. Formation of crystalline phases in electroceramics of the system CaO−MgO−Al2O3−SiO2 (A review). Glass Ceram. 1997, 54, 340–343. [Google Scholar] [CrossRef]
- Schairer, J.H.; Yoder, H.S., Jr. The system albite-anorthite-forsterite at 1 atmosphere. Yearb. Carnegie Inst. Wash. 1967, 65, 204–209. [Google Scholar]
- Querol, X.; Fernandez Turiel, J.L.; Lopez Soler, A. The behaviour of mineral matter during combustion of Spanish subbituminous and brown coals. Mineral. Mag. 1994, 58, 119–133. [Google Scholar] [CrossRef]
- Hower, J.C.; Henke, K.R.; Dai, S.; Ward, C.R.; French, D.; Liu, S.; Graham, U. The generation and nature of coal fly ash and bottom ash. In Coal Combustion Products; Robl, T.L., Oberlink, A., Jones, R., Eds.; Woodhead Publishing (Elsevier): Cambridge, MA, USA, 2017; Volume 2, pp. 21–65. [Google Scholar] [CrossRef]
- Ray, H.L.; Zhao, N.; De Jonghe, L.C. Hole percolation and proton conduction in monazite solid solutions: La 0.98-xCe xSr 0.02PO 4-δ. Electrochim. Acta 2012, 78, 294–301. [Google Scholar] [CrossRef]



















| As Rec. (%) | Dry (%) | Ash Basis (%) | |||||||||||
|---|---|---|---|---|---|---|---|---|---|---|---|---|---|
| Type | Sample | Mois | C | Na2O | MgO | Al2O3 | SiO2 | P2O5 | K2O | CaO | TiO2 | Fe2O3 | SO3 |
| PRB | 93925 | 0.13 | 3.68 | 2.11 | 6.04 | 17.82 | 36.43 | 1.27 | 0.41 | 26.28 | 1.18 | 5.44 | 1.40 |
| PRB | 93927 | 0.15 | 2.85 | 1.99 | 6.98 | 16.56 | 29.49 | 1.57 | 0.32 | 31.10 | 1.12 | 4.80 | 3.93 |
| PRB | 93966 | 0.08 | 2.63 | 1.67 | 4.21 | 22.53 | 38.30 | 1.37 | 0.57 | 22.94 | 1.30 | 5.21 | 1.12 |
| PRB | 93971 | 0.19 | 2.91 | 1.15 | 7.79 | 15.28 | 30.12 | 1.17 | 0.32 | 33.64 | 1.11 | 4.40 | 3.35 |
| PRB | 93973 | 0.11 | 2.70 | 1.55 | 5.08 | 20.67 | 39.20 | 0.97 | 0.55 | 22.44 | 1.19 | 5.98 | 1.37 |
| CAPP | 93814 | 0.13 | 0.15 | 0.09 | 0.81 | 30.27 | 55.27 | 0.04 | 2.13 | 0.93 | 1.51 | 8.41 | bdl |
| CAPP | 93819 | 0.11 | 0.46 | 0.07 | 0.90 | 32.93 | 54.38 | 0.06 | 2.35 | 1.03 | 1.57 | 6.24 | bdl |
| CAPP | 93914 | 0.79 | 8.33 | 0.27 | 1.22 | 29.61 | 51.84 | 0.37 | 2.35 | 1.83 | 1.42 | 11.00 | 0.42 |
| CAPP | 93932 | 0.17 | 7.76 | 0.32 | 1.07 | 28.43 | 54.21 | 0.54 | 2.26 | 4.01 | 1.60 | 7.60 | 0.09 |
| CAPP | 93955 | 0.22 | 8.11 | 0.25 | 0.94 | 30.76 | 52.81 | 0.52 | 1.90 | 1.72 | 1.75 | 7.54 | 0.12 |
| CAPP | 93963 | 0.13 | 7.82 | 0.38 | 1.05 | 26.50 | 52.08 | 0.36 | 2.52 | 2.05 | 1.48 | 14.06 | 0.14 |
| CAPP | 94012 | bdl | 6.48 | 0.29 | 1.16 | 29.89 | 52.64 | 1.36 | 2.44 | 2.04 | 1.59 | 8.41 | 0.22 |
| Ash Basis (ppm) | |||||||||||||
| Type | Sample | V | Cr | Mn | Co | Ni | Cu | Zn | As | ||||
| PRB | 93925 | 215 | 33 | 98 | 39 | 48 | 164 | 133 | bdl | ||||
| PRB | 93927 | 192 | 26 | 80 | 34 | 39 | 181 | 96 | 2 | ||||
| PRB | 93966 | 323 | 59 | 92 | 51 | 58 | 204 | 152 | 9 | ||||
| PRB | 93971 | 185 | 25 | 50 | 58 | 43 | 174 | 106 | bdl | ||||
| PRB | 93973 | 258 | 54 | 189 | 52 | 65 | 159 | 161 | 5 | ||||
| CAPP | 93814 | 434 | 148 | 198 | 40 | 122 | 130 | 156 | 63 | ||||
| CAPP | 93819 | 493 | 177 | 149 | 37 | 134 | 169 | 207 | 125 | ||||
| CAPP | 93914 | 528 | 178 | 215 | 51 | 148 | 143 | 284 | 194 | ||||
| CAPP | 93932 | 486 | 156 | 223 | 82 | 137 | 181 | 177 | 73 | ||||
| CAPP | 93955 | 622 | 203 | 132 | 75 | 147 | 271 | 183 | 218 | ||||
| CAPP | 93963 | 490 | 161 | 213 | 64 | 131 | 178 | 170 | 160 | ||||
| CAPP | 94012 | 496 | 182 | 149 | 67 | 142 | 190 | 206 | 320 | ||||
| Ash Basis (ppm) (Hg—Whole Sample Basis (ppm)) | |||||||||||||
| Type | Sample | Rb | Sr | Zr | Mo | Cd | Sb | Ba | Hg | Pb | |||
| PRB | 93925 | 190 | 2863 | 347 | 6 | 2 | 4 | 5984 | 0.86 | 60 | |||
| PRB | 93927 | 170 | 3151 | 335 | bdl | 2 | 3 | 6650 | 0.02 | 63 | |||
| PRB | 93966 | 63 | 3279 | 354 | 31 | 2 | 4 | 5634 | 84 | ||||
| PRB | 93971 | 64 | 2864 | 314 | bdl | 2 | 2 | 5915 | 82 | ||||
| PRB | 93973 | 76 | 2674 | 323 | 17 | 1 | 2 | 4972 | 83 | ||||
| CAPP | 93814 | 62 | 845 | 59 | 1 | bdl | 963 | 75 | |||||
| CAPP | 93819 | 26 | 1120 | 74 | 1 | bdl | 1010 | 113 | |||||
| CAPP | 93914 | 113 | 1812 | 39 | 1 | 2 | 998 | 1.01 | 121 | ||||
| CAPP | 93932 | 355 | 1175 | 302 | 152 | 1 | 6 | 1273 | 81 | ||||
| CAPP | 93955 | bdl | 1035 | 327 | 122 | bdl | bdl | 1573 | 1.36 | 149 | |||
| CAPP | 93963 | 211 | 1581 | 345 | 110 | 3 | 9 | 1444 | 0.23 | 112 | |||
| CAPP | 94012 | bdl | 1767 | 296 | 117 | bdl | 6 | 2112 | 183 | ||||
Publisher’s Note: MDPI stays neutral with regard to jurisdictional claims in published maps and institutional affiliations. |
© 2022 by the authors. Licensee MDPI, Basel, Switzerland. This article is an open access article distributed under the terms and conditions of the Creative Commons Attribution (CC BY) license (https://creativecommons.org/licenses/by/4.0/).
Share and Cite
Hower, J.C.; Berti, D.; Winkler, C.R.; Qian, D.; Briot, N.J. High-Resolution Transmission Electron Microscopy Study of a Powder River Basin Coal-Derived Fly Ash. Minerals 2022, 12, 975. https://doi.org/10.3390/min12080975
Hower JC, Berti D, Winkler CR, Qian D, Briot NJ. High-Resolution Transmission Electron Microscopy Study of a Powder River Basin Coal-Derived Fly Ash. Minerals. 2022; 12(8):975. https://doi.org/10.3390/min12080975
Chicago/Turabian StyleHower, James C., Debora Berti, Christopher R. Winkler, Dali Qian, and Nicolas J. Briot. 2022. "High-Resolution Transmission Electron Microscopy Study of a Powder River Basin Coal-Derived Fly Ash" Minerals 12, no. 8: 975. https://doi.org/10.3390/min12080975
APA StyleHower, J. C., Berti, D., Winkler, C. R., Qian, D., & Briot, N. J. (2022). High-Resolution Transmission Electron Microscopy Study of a Powder River Basin Coal-Derived Fly Ash. Minerals, 12(8), 975. https://doi.org/10.3390/min12080975

