Study on Fluidization Characteristics of Magnetically Fluidized Beds for Microfine Particles
Abstract
:1. Introduction
2. Materials and Methods
2.1. Materials
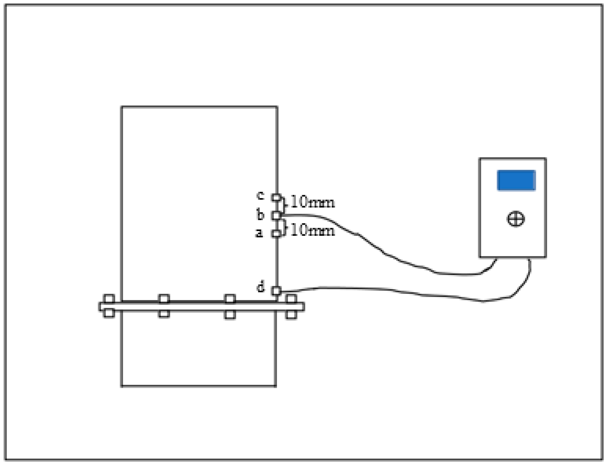
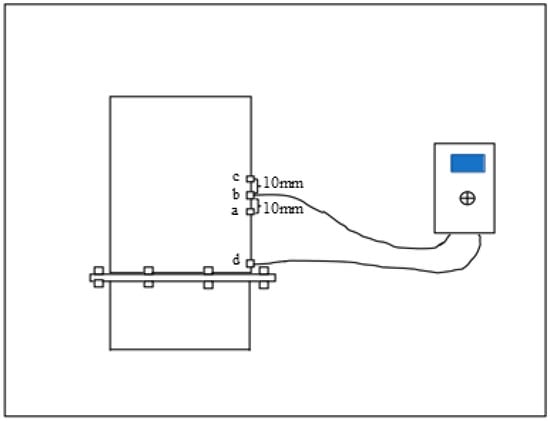
2.2. Experimental System and Research Methods
3. Results and Discussion
3.1. Magnetic Fluidization Characteristics of Microfine Particles
3.1.1. Effect of Magnetic Field Strength on Bed Pressure Drop
3.1.2. Effect of Adding Sequence of Magnetic Field on Bed Pressure drop
3.1.3. Effect of Magnetic Field Strength on the Minimum Fluidized Gas Velocity
3.2. Bed Expansion Rate
4. Conclusions
Author Contributions
Funding
Data Availability Statement
Acknowledgments
Conflicts of Interest
Abbreviations
| μsHf2x | the magnetic energy possessed by the magnetic chain |
| ρsUg2 | the kinetic energy possessed by the particles |
| μs | the magnetic permeability of the ferromagnetic substance, its value is 1.256 × 10−6 H/m |
| Hf | the magnetic field strength, A/m |
| x | is the volume fraction of ferromagnetic substance, % |
| ρs | is the density of the ferromagnetic substance, kg/m3 |
| Ug | is the operating gas velocity, m/s |
| N(r) | the total number of primary particles in a spherical domain of radius r |
| D | the fractal dimension |
| a | the radius of the particle, m |
| dc | the length of the magnetic chain, m |
| ρc | the density of the magnetic chain, Kg/m3 |
| ρg | the density of air, Kg/m3 |
| g | the acceleration of gravity, m/s2 |
| μg | the air viscosity coefficient, s/m2 |
Appendix A
References
- Yang, W.C. Handbook of Fluidization and Fluid-Particle Systems; Siemens Westinghouse Power Corporation: Pittsburgh, PA, USA; Marcel Dekker Inc.: New York City, NY, USA, 2003; Chapter 6; p. 200. [Google Scholar]
- Kunii, D.; Levenspiel, O. Fluidization Engineering, 2nd ed.; Butterworth-Heinemann: Oxford, UK, 1991. [Google Scholar]
- Nowak, W.; Mirek, P. Circulating Fluidized Bed Combustion (CFBC). In Fluidized Bed Technologies for Near-Zero Emission Combustion and Gasification; Scala, F., Ed.; Woodhead Publishing: Cambridge, UK, 2013; Chapter 16; pp. 701–764. [Google Scholar]
- Krzywanski, J.; Czakiert, T.; Shimizu, T.; Majchrzak-Kuceba, I.; Shimazaki, Y.; Zylka, A.; Grabowska, K.; Sosnowski, M. NO x Emissions from Regenerator of Calcium Looping Process. Energy Fuels 2018, 32, 6355–6362. [Google Scholar] [CrossRef]
- Win, K.K.; Nowak, W.; Matsuda, H.; Hasatani, M.; Bis, Z.; Krzywanski, J.; Gajewski, W. Transport Velocity of Coarse Particles in Multi-Solid Fluidized Bed. J. Chem. Eng. Jpn. 2005, 28, 535–540. [Google Scholar] [CrossRef] [Green Version]
- Carter, A.; Briens, L. Inline acoustic monitoring to determine fluidized bed performance during pharmaceutical coating. Int. J. Pharm. 2018, 549, 293–298. [Google Scholar] [CrossRef]
- Zhao, Y.; Li, G.; Luo, Z.; Zhang, B.; Dong, L.; Liang, C.; Duan, C. Industrial Application of a Modularized Dry-Coal-Beneficiation Technique Based on a Novel Air Dense Medium Fluidized Bed. Int. J. Coal Prep. Util. 2017, 37, 44–57. [Google Scholar] [CrossRef]
- Song, S.; Zhang, G.; Luo, Z.; Lv, B.; Cao, X. Comparative analysis of coal beneficiation performance in gas-solid fluidized separation beds with different bed structures. Environ. Eng. Manag. J. 2019, 18, 2343–2353. [Google Scholar] [CrossRef]
- Azimi, E.; Karimipour, S.; Xu, Z.; Szymanski, J.; Gupta, R. Statistical analysis of coal beneficiation performance in a continuous air dense medium fluidized bed separator. Int. J. Coal Prep. Util. 2017, 37, 12–32. [Google Scholar] [CrossRef]
- Oshitani, J.; Kajimoto, S.; Yoshida, M.; Franks, G.V.; Kubo, Y.; Nakatsukasa, S. Continuous float-sink density separation of lump iron ore using a dry sand fluidized bed dense medium. Adv. Powder Technol. 2013, 24, 468–472. [Google Scholar] [CrossRef]
- Chen, C.; Wang, L.; Luo, Z.; Zhao, Y.; Lv, B.; Fu, Y.; Xu, X. The Effect of the Characteristics of the Partition Plate Unit on the Separating Process of 6 mm Fine Coal in the Compound Dry Separator. Minerals 2019, 9, 215. [Google Scholar] [CrossRef] [Green Version]
- Luo, Z.; Zhao, Y.; Chen, Q.; Tao, X.; Fan, M. Effect of Gas Distributor on Performance of Dense Phase High Density Fluidized Bed for Separation. Int. J. Miner. Processing 2004, 74, 337–341. [Google Scholar] [CrossRef]
- Zhou, C.; Dong, L.; Zhao, Y.; Fan, X. Studies on bed density in a gas-vibro fluidized bed for coal cleaning. ACS Omega 2019, 4, 12817–12826. [Google Scholar] [CrossRef] [Green Version]
- Lv, B.; Luo, Z.; Fu, Y.; Zhang, B.; Qin, X.; Zhu, X. Particle mixing behavior of fine coal in density control of gas–solid separation fluidized bed. Particuology 2020, 50, 76–87. [Google Scholar] [CrossRef]
- He, J.; Zhao, Y.; Luo, Z.; Zhao, J.; Duan, C.; He, Y. Improving the separation efficiency of 6-1 mm fine coal by introducing vibration energy to dense medium gas-solid fluidized bed. Physicochem. Probl. Miner. Processing 2015, 51, 95–108. [Google Scholar] [CrossRef]
- Geldart, D. Types of gas fluidization—ScienceDirect. Powder Technol. 1973, 7, 285–292. [Google Scholar] [CrossRef]
- Li, Y.; Zhu, F.; Zhang, Y.; Zhao, Y.; Zhang, G.; Huang, Q.; Dong, L. Characterization of bubble behaviors in a dense phase pulsed gas-solid fluidized bed for dry coal processing. Particuology 2020, 53, 83–91. [Google Scholar] [CrossRef]
- Zhang, Y.; Zhao, Y.; Dong, L.; Duan, C.; Zhou, E.; Lu, J.; Zhang, B.; Yang, X. Flow pattern transition characteristics in vibrated gas-solid fluidized bed of Geldart B magnetite powder using pressure drop signals analysis. Powder Technol. 2018, 327, 358–367. [Google Scholar] [CrossRef]
- Song, S.L.; Zhao, Y.M.; Jia, Z.F.; Tang, L.G.; Yang, X.L. Fine coal particles separation by air-solid magnetic fluidization. J. China Coal Soc. 2012, 37, 1586–1590. [Google Scholar]
- Herrera, C.A.; Levy, E.K.; Ochs, J. Characteristics of acoustic standing waves in fluidized beds. AIChE J. 2002, 48, 503–513. [Google Scholar] [CrossRef]
- Qian, G.H.; Bagyi, I.; Burdick, I.W.; Pfeffer, R.; Shaw, H.; Stevens, J.G. Gas–Solid Fluidization in a Centrifugal Field. AIChE J. 2001, 47, 1022–1034. [Google Scholar] [CrossRef]
- Dong, L.; Zhao, Y.; Cai, L.; Peng, L.; Zhang, B.; Luo, Z.; He, Y. Effect of feed characteristics on the fluidization of separating fluidized bed for dry coal separation. Powder Technol. 2015, 269, 75–84. [Google Scholar] [CrossRef]
- Li, Y.; Zhou, C.; Lv, G.; Ren, Y.; Zhao, Y.; Liu, Q.; Rao, Z.; Dong, L. Prediction of minimum fluidization velocity in pulsed gas-solid fluidized bed. Chem. Eng. J. 2020, 417, 127965. [Google Scholar] [CrossRef]
- Xu, X.; Fu, Y.; Song, S.; Dong, L.; Lv, B.; Chen, Z.; Tian, Y.; Chen, J. Fluidization and separation characteristics of a gas-solid separation fluidized bed in the presence of an acoustic field. Chem. Eng. Res. Des. 2021, 169, 46–53. [Google Scholar] [CrossRef]
- Fan, M.; Chen, Q.; Zhao, Y.; Luo, Z.; Guan, Y.; Li, B. Study on magnetically stabilized fluidized beds for coal separation. Fuel Energy Abstracts 2002, 4, 283. [Google Scholar]
- Rosensweig, R.E. Magnetic Stabilization of the State of Uniform Fluidization. Ind. Eng. Chem. Fundam. 1979, 18, 75–81. [Google Scholar] [CrossRef]
- Penchev, I.P.; Hristov, J.Y. Behaviour of Fluidized Beds of Ferromagnetic Particles in an Axial Magnetic Field. Powder Technol. 1990, 61, 103–118. [Google Scholar] [CrossRef]
- Joaquin, P.E. Dynamic Behavior of Ferromagnetic Particles in a Liquid-Solid Magnetically Assisted Fluidized Bed (MAFB): Theory, Experiment, and CFD-DPM Simulation. Ph.D. Thesis, Oregon State University, Corvallis, OR, USA, 2003; pp. 7–24. [Google Scholar]
- Lu, H.; Wang, S.; Zheng, J.; Dimitri, G.; Ding, J.; Li, X. Numerical simulation of flow behavior of agglomerates in gas―cohesive particles fluidized beds using agglomerates-based approach. Chem. Eng. Sci. 2010, 65, 1462–1473. [Google Scholar] [CrossRef]
- Zhu, Q.; Li, H. Magnetic Fluidization of Group C Powder (I) Mechanism. J. Chem. Ind. Eng. 1996, 47, 54–58. [Google Scholar]
- Song, S.; Zhao, Y.; Luo, Z.; Tang, L. Motion behavior of particles in air–solid magnetically stabilized fluidized beds for separation. Int. J. Min. Sci. Technol. 2012, 22, 725–729. [Google Scholar] [CrossRef]
- Luo, Z.F.; Chen, Q.R. Effect of fine coal accumulation on dense phase fluidized bed performance. Int. J. Miner. Processing 2001, 63, 217–224. [Google Scholar] [CrossRef]
- Yu, K.; Zhong, Z.S. APPLICATION OF FRACTAL DIMENSIONTO CHARACTERIZATION OF ULTRAFINE POWDERS AGGLOMERATION STATE. Chin. J. Mater. Res. 1997, 5, 523–525. [Google Scholar]
- Rhodes, M.J.; Wang, X.S.; Forsyth, A.J.; Gan, K.S.; Phadtajaphan, S. Use of a magnetic fluidized bed in studying Geldart Group B to A transition. Chem. Eng. Sci. 2001, 56, 5429–5436. [Google Scholar] [CrossRef]
- Gros, F.; Baup, S.; Aurousseau, M. Hydrodynamic study of a liquid/solid fluidized bed under transverse electromagnetic field. Powder Technol. 2008, 183, 152–160. [Google Scholar] [CrossRef]
- Zhou, L.; Diao, R.; Zhou, T.; Wang, H.; Kage, H.; Mawatari, Y. Behavior of magnetic Fe3O4 nano-particles in magnetically assisted gas-fluidized beds. Adv. Powder Technol. 2011, 22, 427–432. [Google Scholar] [CrossRef]
- Zhu, Q.; Li, H. Magnetic fluidization of group C powder (II)experimental study. J. Chem. Ind. Eng. 1996, 47, 59–64. [Google Scholar]
- Zhou, T.; Li, H.Z. Estimation of agglomerate size for cohesive particles during fluidization. Powder Technol. 1999, 101, 57–62. [Google Scholar] [CrossRef]










| Size Fraction (mm) | Content (%) |
|---|---|
| <0.01 | 6.84 |
| 0.01~0.02 | 7.04 |
| 0.02~0.03 | 32.98 |
| 0.03~0.045 | 47.52 |
| >0.045 | 5.62 |
| Total | 100.00 |
| H (KA/m) | P0 (Pa) | Pm (Pa) | Recovery Time (s) |
|---|---|---|---|
| 0 | 625 | 626 | / |
| 1 | 625 | 624 | 40 |
| 2 | 625 | 654 | 30 |
| 3 | 625 | 660 | 15 |
| 4 | 625 | 650 | 3 |
| 5 | 625 | 640 | <1 |
Publisher’s Note: MDPI stays neutral with regard to jurisdictional claims in published maps and institutional affiliations. |
© 2022 by the authors. Licensee MDPI, Basel, Switzerland. This article is an open access article distributed under the terms and conditions of the Creative Commons Attribution (CC BY) license (https://creativecommons.org/licenses/by/4.0/).
Share and Cite
Tian, Y.; Song, S.; Xu, X.; Wei, X.; Yan, S.; Zhan, M. Study on Fluidization Characteristics of Magnetically Fluidized Beds for Microfine Particles. Minerals 2022, 12, 61. https://doi.org/10.3390/min12010061
Tian Y, Song S, Xu X, Wei X, Yan S, Zhan M. Study on Fluidization Characteristics of Magnetically Fluidized Beds for Microfine Particles. Minerals. 2022; 12(1):61. https://doi.org/10.3390/min12010061
Chicago/Turabian StyleTian, Yakun, Shulei Song, Xuan Xu, Xinyu Wei, Shanwen Yan, and Mingzhe Zhan. 2022. "Study on Fluidization Characteristics of Magnetically Fluidized Beds for Microfine Particles" Minerals 12, no. 1: 61. https://doi.org/10.3390/min12010061
APA StyleTian, Y., Song, S., Xu, X., Wei, X., Yan, S., & Zhan, M. (2022). Study on Fluidization Characteristics of Magnetically Fluidized Beds for Microfine Particles. Minerals, 12(1), 61. https://doi.org/10.3390/min12010061
