Incorporation of Rheological Characterization in Grinding and Tailings Slurries to Optimize the CMP Magnetic Separation Plant
Abstract
1. Introduction
2. Materials and Methods
2.1. Samples
2.2. Procedures
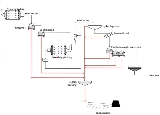
2.2.1. Slurry Preparation
2.2.2. Rheological Characterization of the Secondary Grinding Product
2.2.3. Settling Tests and Yield Stress of Tailings
3. Results
3.1. Rheological Characterization of Secondary Grinding Product
3.2. Settling Tests and Rheological Characterization of Tailings
4. Discussion
5. Conclusions
Author Contributions
Funding
Data Availability Statement
Acknowledgments
Conflicts of Interest
References
- Compañía Minera del Pacífico (CMP). Memoria Anual 2019. 2020. Available online: www.cmp.cl (accessed on 10 March 2021).
- Cochilco. Anuario de Estadísticas del Cobre y Otros Minerales 2000–2019. Corporación Chilena del Cobre. 2020. Available online: www.cochilco.cl (accessed on 10 March 2021).
- Krieger, I.M.; Maron, S.H. Direct Determination of the Flow Curves of Non-Newtonian Fluids. J. Appl. Phys. 1952, 23, 147–149. [Google Scholar] [CrossRef]
- Krieger, I.M.; Elrod, H. Direct Determination of the Flow Curves of Non-Newtonian Fluids. II. Shearing Rate in the Concentric Cylinder Viscometer. J. Appl. Phys. 1953, 24, 134–136. [Google Scholar] [CrossRef]
- Krieger, I.M.; Maron, S.H. Direct Determination of the Flow Curves of Non-Newtonian Fluids. III. Standardized Treatment of Viscometric Data. J. Appl. Phys. 1954, 25, 72. [Google Scholar] [CrossRef]
- Krieger, I.M.; Woods, E. Direct determination of the flow curves of non Newtonian fluids. IV. Parallel plane rotational viscometer. J. Appl. Phys. 1966, 37, 4703–4704. [Google Scholar]
- Jacobsen, R. The determination of the flow curve of a plastic medium in a wide gap rotational viscometer. J. Colloid Interface Sci. 1974, 48, 437–441. [Google Scholar] [CrossRef]
- Fisher, D.T.; Clayton, S.A.; Boger, D.V.; Scales, P.J. The bucket rheometer for shear stress-shear rate measurement of industrial operation. J. Rheol. 2007, 51, 821–831. [Google Scholar] [CrossRef]
- Casson, N. A flow equation for pigment-oil suspensions of the printing ink type. In Rheology of Dispersed Systems; Mill, C.C., Ed.; Pergamon Press: New York, NY, USA, 1959; p. 84. [Google Scholar]
- Klein, B. Rheology and Stability of Magnetite Dense Media. Ph.D. Thesis, The University of British Columbia, Vancouver, BC, Canada, 1992. [Google Scholar]
- Nguyen, Q.D.; Boger, D.V. Yield stress measurement for concentrated suspensions. J. Rheol. 1983, 27, 321–349. [Google Scholar]
- Nguyen, Q.D.; Boger, D.V. Direct yield stress measurement with the vane method. J. Rheol. 1985, 29, 335–347. [Google Scholar]
- Keentok, M. The measurement of the yield stress of liquids. Rheol. Acta 1982, 21, 325–332. [Google Scholar] [CrossRef]
- Barnes, H.A.; Walters, K. The yield stress myth? Rheol. Acta 1985, 24, 323–326. [Google Scholar] [CrossRef]
- Utracki, L.A. The rheology of two-phase flows. In Rheological Measurement; Collyer, A.A., Clegg, D.W., Eds.; Elsevier: London, UK, 1988; pp. 479–594. [Google Scholar]
- Goldsmith, H.; Mason, S. The flow of suspensions through tubes. I. Single spheres, rods, and discs. J. Colloid Sci. 1962, 17, 448–476. [Google Scholar] [CrossRef]
- Goldsmith, H.L.; Mason, S.G. The Microrheology of Dispersions. In Proceedings of the 4th International Congress on Rheology, Providence, RI, USA, 26–30 August 1963; Eirich, F.R., Ed.; John Wiley and Son: New York, NY, USA, 1967; pp. 85–250. [Google Scholar]
- Uribe, L.; Gutierrez, L.; Jerez, O. The Depressing Effect of Clay Minerals on the Floatability of Chalcopyrite. Miner. Process. Extr. Met. Rev. 2016, 37, 227–235. [Google Scholar] [CrossRef]
- Uribe, L.; Gutiérrez, L.; Laskowski, J.; Castro, S. Role of calcium and magnesium cations in the interactions between kaolinite and chalcopyrite in seawater. Physicochem. Probl. Miner. Process. 2017, 53, 737–749. [Google Scholar]
- Ndlovu, B.; Farrokhpay, S.; Bradshaw, D. The effect of phyllosilicate minerals on mineral processing industry. Int. J. Miner. Process. 2013, 125, 149–156. [Google Scholar] [CrossRef]
- Ndlovu, B.; Forbes, E.; Farrokhpay, S.; Becker, M.; Bradshaw, D.; Deglon, D. A preliminary rheological classification of phyllosilicate group minerals. Miner. Eng. 2014, 55, 190–200. [Google Scholar] [CrossRef]
- Ralston, J.; Fornasiero, D.; Grano, S.; Duan, J.; Akroyd, T. Reducing uncertainty in mineral flotation—Flotation rate constant prediction for particles in an operating plant ore. Int. J. Miner. Process. 2007, 84, 89–98. [Google Scholar] [CrossRef]
- Cruz, N.; Peng, Y.; Farrokhpay, S.; Bradshaw, D. Interactions of clay minerals in copper–gold flotation: Part 1—Rheological properties of clay mineral suspensions in the presence of flotation reagents. Miner. Eng. 2013, 50–51, 30–37. [Google Scholar] [CrossRef]
- McFarlane, A.; Bremmell, K.; Addai-Mensah, J. Microstructure, rheology and dewatering behaviour of smectite dispersions during orthokinetic flocculation. Miner. Eng. 2005, 18, 1173–1182. [Google Scholar] [CrossRef]
- Bakker, C.; Meyer, C.; Deglon, D. Numerical modelling of non-Newtonian slurry in a mechanical flotation cell. Miner. Eng. 2009, 22, 944–950. [Google Scholar] [CrossRef]
- Klein, C.; Hurlbut, C.S., Jr. Manual of Mineralogy (after James D. Dana), 21st ed.; Wiley: Hoboken, NJ, USA, 1993. [Google Scholar]
- Swartzen-Allen, S.L.; Matijevic, E. Surface and colloid chemistry of clays. Chem. Rev. 1974, 74, 385–400. [Google Scholar] [CrossRef]
- Gungor, N. Effect of the adsorption of surfactants on the rheology of Nabentonite slurries. J. Appl. Polym. Sci. 2000, 75, 107–110. [Google Scholar] [CrossRef]
- Paineau, E.; Michot, L.J.; Bihannic, I.; Baravian, C. Aqueous Suspensions of Natural Swelling Clay Minerals. 2. Rheological Characterization. Langmuir 2011, 27, 7806–7819. [Google Scholar] [CrossRef]
- Brigatti, M.; Galán, E.; Theng, B. Structure and Mineralogy of Clay Minerals. In Handbook of Clay Science; Beggaya, F., Theng, B.K.G., Lagaly, G., Eds.; Elsevier: Amsterdam, The Netherlands, 2006; pp. 19–86. [Google Scholar]
- Lagaly, G.; Ziesmer, S. Colloid chemistry of clay minerals: The coagulation of montmorillonite dispersions. Adv. Colloid Interface Sci. 2003, 100–102, 105–128. [Google Scholar] [CrossRef]
- Ran, B.; Melton, I.E. Particle Interactions in Aqueous Kaolinite Suspensions: I. Effect of pH and Electrolyte upon the Mode of Particle Interaction in Homoionic Sodium Kaolinite Suspensions. J. Colloid Interface Sci. 1977, 60, 308–320. [Google Scholar]
- Miller, J.D.; Nalaskowski, J.; Abdul, B.; Du, H. Surface characteristics of kaolinite and other selected two layer silicate minerals. Can. J. Chem. Eng. 2007, 85, 617–624. [Google Scholar] [CrossRef]
- Vanerek, A.; Alince, B.; van de Ven, T.G.M. Delamination and flocculation efficeincy of sodium activated kaolin and montmorillonite. Colloids Surf. A Physicochem. Eng. Asp. 2006, 273, 193–201. [Google Scholar] [CrossRef]
- Hu, Y.; Wei, S.; Hao, J.; Miller, J.; Fa, K. The anomalous behavior of kaolinite flotation with dodecyl amine collector as explained from crystal structure considerations. Int. J. Miner. Process. 2005, 76, 163–172. [Google Scholar] [CrossRef]
- Johnson, S.B.; Russell, A.S.; Scales, P.J. Volume Fraction Effects in Shear Rheology and Electroacoustic Studies of Concentrated Alumina and Kaolin Suspensions. Colloids Surf. A Physicochem. Eng. Asp. 1998, 141, 119–130. [Google Scholar] [CrossRef]
- Bickmore, B.R.; Nagy, K.L.; Sandlin, P.E.; Crater, T.S. Quantifying surface areas of clays by atomic force microscopy. Am. Miner. 2002, 87, 780–783. [Google Scholar] [CrossRef]
- Brady, P.V.; Cygan, R.T.; Nagy, K.L. Molecular Controls on Kaolinite Surface Charge. J. Colloid Interface Sci. 1996, 183, 356–364. [Google Scholar] [CrossRef]









| Sample | GU Classification Attributes | |||
|---|---|---|---|---|
| Fe Grade (%) | Grade | Oxidation Zone | Lithology | |
| M1 | 27.63 | Low | Oxided | Metandesite altered |
| M2 | 32.46 | Medium | Primary | Metandesite altered |
| M3 | 38.44 | High | Oxided | Metandesite |
| M4 | 29.19 | Low | Primary | Metandesite |
| M5 | 31.96 | Medium | Oxided | Metandesite |
| M6 | 42.57 | High | Primary | Metandesite |
| Sample | Mineralogical Composition (%) | MTF | |||||||||||
|---|---|---|---|---|---|---|---|---|---|---|---|---|---|
| Amphiboles | Plagioclase | Tectosilicates | Quartz | Magnetite | Hematite | Corrensite | Smectite | Illite/Mica | Talc | Chlorite | Kaolinite | ||
| M1 | 4.8 | 16.8 | 5.4 | 0.5 | 56.8 | 15.7 | 0.13 | 0.31 | 0.11 | 0.11 | 0.48 | 0.19 | 1.20 |
| M2 | 3.5 | 18.4 | 0.3 | 0.6 | 68.4 | 8.9 | 0.16 | 0.23 | 0.11 | 0.11 | 0.40 | 0.16 | 1.00 |
| M3 | 1.8 | 16 | 0.3 | 0.4 | 72.5 | 8.6 | 0.00 | 0.17 | 0.10 | 0.00 | 0.56 | 0.13 | 0.96 |
| M4 | 2.3 | 25.2 | 0.3 | 0.3 | 59.3 | 8.9 | 0.00 | 0.22 | 0.13 | 0.09 | 0.64 | 0.19 | 1.26 |
| M5 | 10.7 | 20.6 | 0.2 | 0.1 | 61.1 | 7.3 | 0.00 | 0.19 | 0.11 | 0.07 | 0.61 | 0.16 | 1.14 |
| M6 | 1.7 | 17.4 | 0 | 0 | 75.8 | 5 | 0.15 | 0.18 | 0.09 | 0.07 | 0.51 | 0.11 | 0.97 |
| Parameter | Magnitude | Units |
|---|---|---|
| Alkalinity MO | 15 | ppm |
| Total hardness | 791 | ppm |
| Calcic hardness | 717 | ppm |
| Total solids | 2400 | ppm |
| Solids in suspension | 250 | ppm |
| Chlorides | 420 | ppm |
| Al | Not detected | |
| Ca | 416 | ppm |
| Zn | Not detected | |
| Cu | Not detected | |
| Fe | 0.04 | ppm |
| pH | 7.6 | |
| Turbidity | 0.58 | NTU |
| Stage | Equipment | Dimensions | Ore and Ball Charge | Pulp Conditions |
|---|---|---|---|---|
| Primary grinding | Torque mill (ω = 47 rpm), Salas Ing. | D 1: 46 cm L 1: 40 cm | 20 kg ore; balls charge 25 kg of 1.5″, 21 kg of 1.25″, 20 kg of 1″ and 21 kg of 0.75″ | 55% solids content, 47 rpm |
| Rougher magnetic separator 1 | Eriez-Salas drum magnetic separator (1000 Gauss, ω = 30 rpm) | D 1: 30.4 cm L 1: 19 cm | 30% solids content, 4.6 L/min | |
| Rougher magnetic separator 2 | Eriez-Salas drum magnetic separator (750 Gauss, ω = 30 rpm) | D 1: 30.4 cm L 1: 19 cm | 30% solids content, 4.6 L/min | |
| Secondary grinding | Marcy ball mill | D 1: 30.5 cm L 1: 30.5 cm | 5 kg ore; balls charge 17.5 kg of 1.25″, 9.8 kg 1.0″, 4.2 kg of 0.75″ and 3.5 kg of 0.5″ | 80% solids content, 70 rpm |
| Hydro-separation | Hydro-separator including magnetic flocculator | D 1: 41 cm H 1: 31.3 cm | 13% solids content | |
| Screen | 200# screen | |||
| Finisher separation | Eriez-Salas drum magnetic separator (750 Gauss, ω = 30 rpm) | D 1: 30.4 cm L 1: 19 cm | 30% solids content, 4.6 L/min |
| i | Xi | Ai | Bi |
|---|---|---|---|
| 0 | 5.0 × 10−7 | −1.2 × 10−1 | |
| 1 | −325#, % | 2.1 × 10−10 | 2.5 × 10−4 |
| 2 | Amphiboles, % | −3.9 × 10−9 | 3.1 × 10−3 |
| 3 | Plagioclase, % | −9.1 × 10−9 | 7.0 × 10−3 |
| 4 | Tectosilicates, % | −1.5 × 10−8 | 1.1 × 10−2 |
| 5 | Magnetite, % | −3.6 × 10−9 | 3.4 × 10−3 |
| 6 | Fe, % | −1.5 × 10−9 | −6.3 × 10−6 |
| 7 | MTF, % | 2.4 × 10−9 | 8.7 × 10−4 |
Publisher’s Note: MDPI stays neutral with regard to jurisdictional claims in published maps and institutional affiliations. |
© 2021 by the authors. Licensee MDPI, Basel, Switzerland. This article is an open access article distributed under the terms and conditions of the Creative Commons Attribution (CC BY) license (https://creativecommons.org/licenses/by/4.0/).
Share and Cite
Brito, G.; Jerez, O.; Gutierrez, L. Incorporation of Rheological Characterization in Grinding and Tailings Slurries to Optimize the CMP Magnetic Separation Plant. Minerals 2021, 11, 386. https://doi.org/10.3390/min11040386
Brito G, Jerez O, Gutierrez L. Incorporation of Rheological Characterization in Grinding and Tailings Slurries to Optimize the CMP Magnetic Separation Plant. Minerals. 2021; 11(4):386. https://doi.org/10.3390/min11040386
Chicago/Turabian StyleBrito, Galo, Oscar Jerez, and Leopoldo Gutierrez. 2021. "Incorporation of Rheological Characterization in Grinding and Tailings Slurries to Optimize the CMP Magnetic Separation Plant" Minerals 11, no. 4: 386. https://doi.org/10.3390/min11040386
APA StyleBrito, G., Jerez, O., & Gutierrez, L. (2021). Incorporation of Rheological Characterization in Grinding and Tailings Slurries to Optimize the CMP Magnetic Separation Plant. Minerals, 11(4), 386. https://doi.org/10.3390/min11040386

