Next Article in Journal
A Novel Particle-Based Approach for Modeling a Wet Vertical Stirred Media Mill
Previous Article in Journal
Preferential Elimination of Ba2+ through Irreversible Biogenic Manganese Oxide Sequestration
 
 
Font Type:
Arial Georgia Verdana
Font Size:
Aa Aa Aa
Line Spacing:
Column Width:
Background:
Review

The Geological Occurrence, Mineralogy, and Processing by Flotation of Platinum Group Minerals (PGMs) in South Africa and Russia

by
Cyril O’Connor
1,* and
Tatiana Alexandrova
2
1
Department of Chemical Engineering, Centre for Minerals Research, University of Cape Town, Cape Town 7701, South Africa
2
Department of Minerals Processing, St Petersburg Mining University, St Petersburg 199106, Russia
*
Author to whom correspondence should be addressed.
Minerals 2021, 11(1), 54; https://doi.org/10.3390/min11010054
Submission received: 24 November 2020 / Revised: 29 December 2020 / Accepted: 31 December 2020 / Published: 7 January 2021
(This article belongs to the Section Mineral Processing and Extractive Metallurgy)

Abstract

:
Russia and South Africa are the world’s leading producers of platinum group elements (PGEs). This places them in a unique position regarding the supply of these two key industrial commodities. The purpose of this paper is to provide a comparative high-level overview of aspects of the geological occurrence, mineralogy, and processing by flotation of the platinum group minerals (PGMs) found in each country. A summary of some of the major challenges faced in each country in terms of the concentration of the ores by flotation is presented alongside the opportunities that exist to increase the production of the respective metals. These include the more efficient recovery of minerals such as arsenides and tellurides, the management of siliceous gangue and chromite in the processing of these ores, and, especially in Russia, the development of novel processing routes to recover PGEs from relatively low grade ores occurring in dunites, black shale ores and in vanadium-iron-titanium-sulphide oxide formations.

1. Introduction

It is well known that Russia and South Africa are the major producers of platinum group metals and hold the world’s largest reserves of minerals bearing these metals. Cawthorn [1] has estimated that South Africa has reserves and resources of platinum group elements (PGEs) of about 85,000 metric tons. In Russia, Norilsk alone has Pt and Pd reserves of about 2500 metric tons [2]. Platinum group metals or elements commonly refer to ruthenium, rhodium, palladium, osmium, iridium, and platinum and will be referred to as PGEs in the present paper. These metals are present in a very wide range of platinum group minerals, which will be referred to as PGMs. Table 1 shows the 2018 production figures for platinum, palladium, and rhodium illustrating the dominant global position held by these two countries. Together, they produce 84% of the world’s total production of platinum and 65% of the total gross demand. The equivalent figures for palladium are 78% and 53%, and for rhodium, they are 87% and 61%, respectively [3].
Recently, there has been a decrease in the demand for platinum, which is ascribed to the decline in its use as an autocatalyst. Palladium, on the other hand, is the preferred component in exhaust catalysts for gasoline engines and is currently in great demand. In this context, it is interesting to note the LME (London Metal Exchange) price trends for these two metals over the past three decades. In the 1990s, palladium prices were ≈USD100/oz and platinum ≈USD400/oz, whereas in 2020, palladium prices had increased almost 20-fold to ≈USD 2000/oz, and platinum only doubled to ≈USD 800/oz. Although the demand for rhodium is much less than that for Pt or Pd, its 2020 price of almost USD7000/oz makes it an economically attractive product for companies processing PGMs.
The aim of this paper is to review at a high level the geological occurrence, mineralogy, and flotation processing practice of treating PGMs in South Africa and Russia the world’s leading producers of PGEs.

2. Geological Occurrence and Mineralogy of the Ore Bodies

2.1. South Africa

In South Africa, the PGM-bearing ores are found in the Bushveld Complex, which contains extremely rich reserves of these minerals. The Bushveld Complex is located in the north of the country and is mainly characterised by what are known as the eastern, northern, and western limbs. Figure 1 shows the geographical location of the various limbs. Generally, the western limb operations are mostly underground, whereas the eastern and northern limb, which contain the Platreef ore body, are often open pit. In addition to being generally safer, open pit operations are considered to be more economical than underground mining due to less auxiliary costs involved such as ventilation and rock support and less complex and expensive techniques required for material movement [4].
Figure 2 shows a simplified geological map of the Bushveld Complex in South Africa highlighting the location of the Bushveld rocks, the granite cover rocks, and the pre- and post-Bushveld rocks, respectively [6].
The geology and mineralogy of the Bushveld Complex has been reviewed extensively [6,7,8,9]. The upper Critical Zone of the Bushveld Complex hosts the largest concentration of PGMs in the world. Apart from the Upper Group Chromitite No.2 (UG2) and Merensky Reef, the zone also hosts the Platreef mineralisation of the northern limb of the Bushveld Complex.
The Merensky Reef is generally regarded as a uniform reef type. However, large variations occur in reef thickness, reef composition, as well the position of the mineralisation. The reef comprises approximately equal amounts of dark iron–magnesium silicate minerals (feldspathic pyroxenite) and lighter calcium-aluminium-sodium silicate minerals under- and overlain by thin (5 to 15mm) often discontinuous layers of chromite concentrations. The Merensky pegmatoid Zone contains the base metal sulphide grains and associated PGMs. The Merensky Reef consists predominantly of orthopyroxene (≈60%), plagioclase feldspar (≈20%), pyroxene (≈15%), phlogopite (≈5%), and occasional olivine. Secondary minerals such as talc, serpentine, chlorite, and magnetite have widespread occurrence. The base metal sulphides consist predominantly of pyrrhotite (≈40%), pentlandite (≈30%), and chalcopyrite (≈15%). The major PGMs are cooperite (PtS), braggite ((Pt,Pd)NiS), sperrylite (PtAs2), and PGE alloys. In some areas, minerals such as laurite (RuS2) can be abundant. Typical grades in the Merensky Reef are about 3–8 g/t [6].
The UG2 Reef is a platiniferous chromitite layer which, depending on the geographic location within the complex, is developed some 20 to 400 m below the Merensky Reef. The UG2 consists predominantly of chromite with lesser silicate minerals (5–30% pyroxene and 1–10% plagioclase). Other minerals present in minor concentrations can include silicates, oxides, and base metal sulphides. Secondary minerals include quartz, serpentine, and talc. The Cr2O3 content of the UG2 Reef varies from 30 to 55%. Total PGE grades vary by locality, but on average, they range between 4 and 7 g/t. The PGMs present in the UG2 Reef are highly variable, but generally, the UG2 is characterised by the abundant PGE sulphides, viz. laurite (RuS2), cooperite (PtS), braggite ((Pt,Pd)NiS), and an unnamed PtRhCuS. The base metal distribution follows a similar trend to that of the PGEs with most of the values occurring in the bottom and top part of the reef. The base metal sulphides of a typical UG2 Reef consist predominantly of chalcopyrite, pentlandite, and pyrrhotite, containing 200–300 ppm Ni and <200 ppm copper [6].
The Platreef is located in the northern limb of the Bushveld Complex, north of Mokopane in South Africa. This reef consists of a complex assemblage of rock types, with pyroxenites, serpentinites, and calc-silicates being the most abundant. Base metal mineralisation and PGE concentrations are found to be highly irregular, both in value as well as in distribution. The northern limb is partially covered by younger Waterberg-aged rocks, with exposures confined to the eastern edge of the limb near Mokopane and in the north near Villa Nora. A variably mineralised (PGE, Cu, Ni) composite pyroxenite zone forms the eastern floor contact of the Mokopane limb and is regarded as the local equivalent of the Merensky reef. This pyroxenite zone has been termed the Platreef and has been traced for 35 km along the eastern contact, where it transgresses from the Transvaal Supergroup sedimentary rocks in the south to Archaen granite and gneiss in the north. The predominant PGMs in the mined area of the Platreef are the PGE tellurides, alloys, arsenides, and sulphides. Typical PGE grades are 2–5 g/t. The Pt and Pd tellurides contribute between 30 and 40% of the PGMs present in the Platreef ore followed by the alloys (26%), arsenides (21%), and sulphides (19%) [6].
Table 2 and Figure 3 summarise the distribution of various major platinum group and gangue minerals and in the different South African ore bodies. A more detailed analysis of these minerals and their characteristics can be found in Engelbrecht [9].

2.2. Russia

PGE production in Russia is dominated by palladium, largely occurring in the sulphide Cu-Ni ores of the Norilsk district and the Kola Peninsula, which together account for almost the entire resources being mined. In order to provide a geographical context, Figure 4 shows the location of many of the major PGM mining districts in Russia and Table 3 shows the approximate location of a number of the deposits and mining operations referred to in this paper.
Norilsk Nickel Polar Division is located on the Talmyr Peninsula, north of Norilsk. The Norilsk group of platinum sulphide deposits includes Talnakh deposits, viz. Talnakhskoye and Oktyabrskoye, and the Norilsk deposits, viz. Norilsk-I, Norilsk-2, Chernogorskoye, and Maslovskoye ore bodies. The Talnakhskoye ore body contains an estimated 4500 tons of PGMs at a PGE grade of ≈4.6 g/t. The Oktyabrskoye ore body contains an estimated 5700 tons of PGMs at a grade of ≈4.5 g/t and also accounts for almost 50% of the nickel production. Norilsk-1 deposit contains 1800 tons of PGMs at a grade of 6.6 g/t. The Chernogorskoye deposit has estimated PGM reserves of 550 tons at 3.5 g/t and the Maslovskoye deposit has estimated reserves of 1500 tons at 6.7 g/t. These include reserves of sulphide copper–nickel ores estimated at 215 million tons, and in particular, nickel (728 thousand tons), copper (1.122 million tons), platinum (12.5 million oz.), palladium (32.3 million oz.), and gold (1.3 million oz.). The Norilsk-Talnakh ore bodies occur as large sheets or pods associated with a sequence of layered igneous intrusions. The deposits are considerably wider than the narrow, continuous reefs mined in South Africa and are much more variable in grade and composition. Consequently, even within a single mine, PGE grades can vary widely, thus presenting a major challenge to mine planning [10].
In massive sulphide ores, the concentration of PGEs varies depending on the mineral type and composition [11]. The Norilsk platinum-copper-nickel deposit forms the second largest concentration of PGEs in the world after the Bushveld Complex, in which, unlike the latter, palladium prevails over platinum and, as in the Bushveld complex, rare PGEs such as rhodium (Table 1) are in significantly lower concentration relative to palladium and platinum [12]. The Norilsk copper-nickel sulphide ores are characterised by high contents of PGEs, making the Norilsk Combine the country’s largest revenue generator in the mining sector [13]. This Norilsk Cu-Ni sulphide deposit is the third largest in the world after the Canadian Sudbury and the Chinese Zhenchuan deposits. In contrast to ores of Cu-Ni sulphide deposits associated with komatiites such as in Kambalda, Australia, the Cu/Ni ratio in Norilsk generally can be as high as 2.5 in the Upper Talnakhskoye deposit [14,15].
In disseminated ores such as those occurring at the Norilsk Processing Plant, a significant amount of palladium (90–95%) is present in pentlandite, in which the palladium grade ranges from 50 to 1000 g/t, whereas in pyrrhotite and chalcopyrite, the palladium grade is as low as <0.1 g/t. In pyrrhotite and pentlandite contained in disseminated ores, the grade of platinum is < ≈1.2 g/t. However, in the Oktyabrskoye mine of Norilsk, the Pt and Pd grades in the pentlandite can be as high as 71 g/t and 265 g/t, respectively.
Dodin et al. [13] have comprehensively reviewed the geology of PGEs in Russia. Table 4 shows the dominant minerals in which the PGMs occur in the major deposits in Russia.
Table 5 summarises the occurrence of the various PGEs in the different minerals/ores.
Apart from the current mining operations, there is the possibility that an increase in platinum production in Russia could occur in the future through the processing of non-conventional platinum-containing sources, which include ores with platinum-type mineralisation associated with zonal basic and ultrabasic bodies. Such deposits occur in the Ural, Aldan, and Kamchatka regions as well as in the carbonic (black-shale) layers of Russia’s Far East region and the vanadium–ferrous–titanium oxidised-sulphide formations found in Karelia in the northwest of Russia. It is estimated that the Norilsk and Pechenga (northwest Russia) ore districts together could eventually become the largest source of platinum production in Russia.
Some illustrative structural diagrams of the platinum mineral deposits within the Baltic Shield and the platinum-metallogenic map of the northern part of the Urals are shown in Figure 5a,b.
The main opportunities and challenges in Russia are related to the treatment of new sources of PGMs and the development of environmentally friendly grinding, gravity concentration, and flotation processes required depending on the varying mineralogical composition. In dunite, which is an igneous plutonic rock of ultrabasic composition, more than 90% consists of olivine with an admixture of chromite. Large-scale ore deposits of previously mined platinum-containing dunites were deposited on the Kamchatka’s north side at the end of the 20th century, and these have an average grade 0.7–3.2 g/t Pt. There is currently considerable interest in developing these deposits, and mineralogical–geochemical studies have indicated that low grades of platinum are found in the <80 µm grain size. The most important feature of this mineralisation is the presence of platinum in free mineral forms, 85% of which are platinum-iron alloys with minor amounts of sperrylite (10%), platinum-copper alloys (4%), and other PGE minerals (1%). The material is amenable to gravity concentration without preliminary separation of chromite concentrate, and it is proposed that maximum platinum extraction can be achieved by two-stage grinding with sequential separation into gravity concentrates. It has been proposed that at an average platinum head grade in dunites of 1.21 g/t, more than 86 wt % of platinum can be extracted by gravity concentration, from which most can be isolated in concentrates with platinum grades of more than 1 kg/t.

3. Processing of the Ores

The dominant processing route for ore bodies in South Africa and Russia is comminution followed by flotation and downstream processing includes smelting and converting to produce a matte that is treated hydrometallurgically. In the present paper, the focus will be on comparing the flotation processes. Comminution practice has been extensively reviewed in numerous publications [7,9,17,18,19,20]. Generally, such comminution circuits consist of two or three stages of autogenous milling in primary milling circuits, while ball mills are employed in secondary milling stages. Each comminution stage is followed by flotation in the so-called MF2 or MF3 circuits [9].
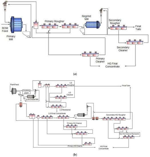
In South Africa, a variety of flotation circuits are currently used across the industry, and Figure 6 illustrates two such typical circuits. Concentrate grades for the Merensky Reef concentrate are typically 300–600 g/t compared to about 200 g/t for the treatment of UG2 ore. Overall recoveries are typically between 80 and 85%.
Fine grinding is also extensively practised using IsaMills in the so-called mainstream inert grinding (MIG) and ultra-fine grinding (UFG) mode of operation [17,20]. Figure 7 shows such applications of IsaMills on a South African PGM concentrator. The main purpose of MIGs is to increase recovery in the mainstream flotation circuit. The main purpose of UFGs is to increase grade without losing recovery in the cleaner circuit. Typical particle size distributions targeted for MIG is reduction from p80 of 75–150 microns to p80 of 45–60 microns; and for UFG, reduction from p80 of 40–80 microns to p80 of 15–25 microns.
In Russia, in the Talnakh and Norilsk concentrators, different process flowsheets are used for various types of ores, e.g., Norilsk and Chernogorskoye operations. In the processing of disseminated and cuprous ores at the Norilsk processing plant, the mass pull in the roughers is about 10–15%. After this, the focus of the circuit is to selectively recover the copper and nickel. In the processing of disseminated ores contained in the Norilsk-1 deposit, the process additionally includes the use of gravity concentration methods such as in the Knelson concentrator, which increases the recovery of noble metals [21]. Regarding gravity concentration, it is worth noting that in South Africa, PGMs found in flotation tailings are usually associated with silicates (60%) or are free PGM particles (10%) and can be separated from oxide and sulphide minerals using gravity concentration [7].
In the case of the low-grade sulphide ores in Russia, the combined gravity–flotation concentration scheme is very effective for the recovery of extremely low base metal grade ores, which are relatively rich in PGMs, with up to 89% of platinoids represented by native forms and intermetallic compounds. Losses of PGMs into the tailings of processing plants depend on the type of ores being treated and on the processing flowsheets being used. At the Talnakh Plant, processing of the sulphide ores is carried out using differential flotation, and the tailings represent only about 25–30% of the feed solids. The main difference in this processing technology is that the low nickel grade ore is a separate product, which contributes to a significant reduction in costs in the metallurgical processing due to the presence of high-grade concentrates of non-ferrous metals [22].
A flowsheet that incorporates the application of flash flotation methods is used to achieve an increase in the recovery of PGMs. A typical flowsheet for the processing of sulphide-type ores using this approach is shown in Figure 8. The numbers refer to the reagent that is added at a particular point in the circuit. The flotation feed is usually about 65% passing 75 µm with highest recoveries of Pt and Pd occurring at about 45% pulp density. It is interesting to note the similarity to the South African MF2 concept. However, the major differences are the use of gravity concentration immediately after the primary grind followed by flash flotation of the gravity tailings to produce a final concentrate. Four stages of flash flotation follow using Outotec Skim-Air flash flotation technology and result in overall recoveries of platinum and palladium of ≈92% and ≈87%, respectively. It is important to note that the grades of Pd and Pt in the gravity concentrate are as high as 184 and 114 g/t. By comparison, the equivalent grades from the cleaner concentrate are 50 and 15 g/t, respectively. Flash flotation tails are fed to a secondary ball mill followed by rougher and scavenger flotation. Reagent addition sequences are described below.
At the Chernogorskoye operation, ore preparation is carried out in a 9.8 m semi-autogenous mill to reduce losses due to over-grinding of the PGMs. Flash flotation is used to recover coarse grains of PGMs and non-ferrous metals. This is followed by gravity concentration using centrifugal concentrators. The combination of these operations extracts about 30% of the PGEs into a collective concentrate. This is followed by rougher/scavenger flotation and two stages of cleaner flotation. A feature of the flotation process for the Chernogorskoye operation is the use of nitrogen produced at the metallurgical plant, although the benefit of using nitrogen is still controversial.
In South Africa, flotation is typically carried out at a pH of between 8 and 9, which is the natural pH of the Bushveld Complex ores. Various collectors, depressants, and frothers are used. Typically, the most widely used collector in both countries is sodium isobutyl xanthate. Although information in the public domain on dosages is limited, it is understood that for the xanthate, the dosages may be as high as 100–300 g/t in the case of Platreef possibly because of the low sulphide content of the ore and the need to use high dosages to recover tellurides and arsenides. In Russia, where recently isobutyl xanthate has replaced n-butyl xanthate, dosages are in the range 30–50 g/t. In South Africa, Dowfroth 250 is widely used as a frother (40–60 g/t), and carboxymethyl cellulose is used as a depressant (200–300 g/t) [23]. In both countries, copper sulphate is often used as an activator, although the dosages are quite different (South Africa ≈40 g/t, Russia ≈10 g/t). However, recently, there has been a reduction in the use of copper sulphate on flotation plants. In South Africa, sodium ethyl dithiophosphate is often used at a dosage of ≈60 g/t. The effect of water quality is gaining ever greater importance both in terms of its quantity used as well as its quality. For example, it has been shown that an increase in the ionic strength of the system results in an increase in froth stability, leading to increased mass pulls and water recoveries [24].
In Russia, specific reagents have been designed for the processing of Norilsk ores that take into account their chemical and mineralogical composition. One such example is the introduction of the DP-4 reagent, which was originally developed as an additive to machine oil. However, later, its properties as an effective flotation reagent were observed. DP-4 is an apolar collector obtained from a heavy fraction of oil refinery waste. Due to its insolubility in water, it is used as a 5% emulsion in diesel fuel. The implementation of this reagent, together with other measures, has made it possible to significantly improve the enrichment of the disseminated ores of Norilsk and Talnakh at the Norilsk Processing Plant for both non-ferrous and precious metals. Another reagent known as T-80, which is a blend of monohydric alcohols of dioxane and pyran, is added at a dosage of ≈30 g/t overall.
With respect to the South African operations, the role of the dithiophosphate collector remains contentious, since it appears to be playing a role as a froth modifier rather than that of a classical collector [25,26]. It has also been shown that the dosage of frother and depressant needs to be carefully balanced. Depressants reduce the solids content of the froth, which may destabilise it, but this can be compensated for by a greater frother addition [27]. The use of copper sulphate remains contentious. It is widely speculated that copper sulphate activates the base metal sulphides and PGMs as in its traditional usage. However, the addition of copper sulphate can also contribute to the recovery of gangue minerals due to the inadvertent activation of these minerals [28,29]. It also appears to be playing a role in affecting the stability of the froth and flotation kinetics [30]. A further complicating factor on South African operations is to ensure that the chromite concentration in the concentrate is less than ≈3% so that it does not negatively impact on the downstream smelting process. This problem can also be addressed by the use of spirals [8]. In Russia, sodium dimethyl dithiocarbamate is also frequently used as an additional collector, and lime is used to control alkalinity to about 10.5 [31].
Jones [32] has provided a comprehensive review of the downstream processing in South Africa of flotation concentrates. Although this is not a focus area of the present paper, it is worth noting that the flotation concentrates undergo smelting and converting to produce a PGM-containing nickel-copper matte. The matte is treated hydrometallurgically to separate the base metals from the precious metals. Finally, the PGM concentrate is refined to separate the individual precious metals (PGE) into their pure forms. As a rough guide, the PGE contents during the various stages are typically as follows: ore 0.0005% (5 g/t), flotation concentrate 0.0150% (100–400 g/t), converter matte 0.20%, PGM concentrate 30–65%, refined metals 99.90% for Rh, Ru, Os, and 99.95% for Pt, Pd, and Au [33]. In Russia, nickel and pyrrhotite concentrates from the Talnakh Enrichment Plant are sent to the Nadezhda Smelter, while the Norilsk concentrator’s output is sent to the nickel smelter. Copper concentrates from both plants are processed at the copper smelter. The resulting product, rich in PGEs, is sent for toll refining at independent precious metals refineries, primarily the Krastsvetmet refinery in Krasnoyarsk [10].

4. Challenges and Opportunities

At the beginning of the 21st century, platinum-bearing ore zones similar to those found in the Kamchatka region (referred to above) were identified in the dunites in the Middle Urals. The platinum-metal mineralisation in the former contains more than 80% of platinum-bearing mineral grains in the size class <100 µm. It has been proposed that these ore bodies could be processed using primary gravity concentration, and results of laboratory experiments on flotation of the combined gravity tailings have shown that up to 65% of platinum can be recovered into the flotation concentrate and 18–20% can be recovered by magnetic separation from flotation tailings [34].
In recent years, there has been considerable interest in treating the noble metal deposits contained in black shale strata. All the major six PGEs are found together with gold in the black shale formation, and clearly, they have a potentially important role to play in terms of future sources of PGMs in Russia. Platinum-bearing black shales are considered to be widespread in the Riphean-Palaeozoic region of the Siberian Platform, in the Selemdjino-Kerbinskaya and Nileskaya structural formations of the Amur-Okhotsk folded system, and in the marginal troughs of the Bureya massif. Studies carried out on samples of the black shale formation of the Bureya massif showed that 11.9% of the platinum, which is likely to be graphite-bound or ultra-dispersed, could be extracted using gravity concentration, and a recovery of 88.1% was obtained by flotation of the gravity tailings. Significant quantities of gold were also recovered [34,35].
Significant amounts of PGMs may be associated with vanadium-iron-titanium-sulphide oxide formations in basites, primarily in the titanium-magnetite ores of the Pudozhgorsk and Kochkarskoe deposits in Karelia in which the combined grade of (Pt + Pd + Au) is ≈1.4 g/t. In the Pudogorskoye deposit, the equivalent combined grade is ≈0.9 g/t. It is proposed that the processing of this deposit will include magnetic separation to produce a ferrotitanium concentrate, and the tailings could be treated by sulphide flotation. An alternative processing route may involve flotation to yield a copper-rich concentrate with a high Au and PGE content. Then, the flotation tailings can be treated by magnetic separation to yield a ferrotitanium concentrate resulting in a platinum recovery in the copper concentrate of between 70 and 90% [3].
Currently, the main source of PGEs in Russia is the layered ultrabasite-basite blocks containing unique deposits of copper-nickel sulphide ores such as occur in the Norilsk ore body. However, in some stratified ultrabasite–basite arrays, localised in the folded frame of the Siberian ore body, significant concentrations of PGEs are present in relatively low content sulphide ores. These are typical of the Chineyskoye field, which is located in the northeast of the Trans-Baikal Territory (Siberia) (660 km from Chita) in the Kalarsky District. The Yoko-Dovyrensky and Chineiskoye plutons belong to the peridotite-pyroxenite-anorthozite-gabbroic type of magmatic formations and can be compared with the uniquely platinum-bearing stratified arrays of the ancient platform regions such as Stillwater and Platreef (cf. Table 2). The mineralisation of the Yoko-Dovyrensky massif belongs to the low-sulphide platinum-metal massif, and the Chineisky Chinea deposit belongs to the platinum-containing titanomagnetite formation [16]. To date, as a result of much geological research, general regularities and typomorphic features of unique platinum deposits have been identified within the massifs, which may have major significance [36]. However, the economic viability of extracting PGEs as by-products from non-conventional ores such as black shale, polymetallics, uranium ores, etc. remains to be demonstrated.
In South Africa, chromite is one of the main gangue constituents of especially UG2 ore, making up to between 20 and 60% by mass of the ore [37] (cf. Figure 3). Although the main minerals targeted in flotation are generally the base metal sulphides, viz. pyrrhotite, pentlandite, and chalcopyrite, a certain amount of chromite reports to the flotation concentrate. This is problematic, as chromite is a spinel mineral and forms species that are stable up to 2000 °C, and these stable species can severely affect the efficiency of the smelting process. Furthermore, the maximum chromite content that can be tolerated in flotation concentrates reporting to a typical smelter is considered to be in the region of 3%, although recently, higher grades appear to be acceptable. Chromite is naturally hydrophilic and probably reports to the concentrate by entrainment. It is possible to reduce chromite in the concentrate by the use of gravity separation prior to secondary grinding [38] or by reducing entrainment through reduced water recovery. However, it is worth noting that recently, chrome has become an economically important by-product. Another challenge in South Africa is that it has been shown that although tellurides and arsenides of Pt and Pd minerals float readily when treated with sodium isobutyl xanthate (SIBX), the addition of copper sulphate can result in a decrease in the recoveries of PtTe2 and PtAs2, which are key component minerals in the Platreef ore body [39,40].
As already explained, the use of IsaMills is aimed at promoting the liberation of PGMs, but it may also result in problems associated with fine particle flotation, although it is frequently observed that the flotation of <10 µm particles is not a major problem. However, fine particles are prone to oxidation, but this may be reduced by using inert grinding media in the IsaMill. Moreover, inert grinding of cleaner feed (MIG) can increase the flotation rate and performance by removing surface layers of talc, oxidation products, and iron hydroxides. Corin et al. [25] have also shown that dithiophosphate plays a major role in promoting the recovery of PGM particles in the <25 μm range.
One of the major challenges in the flotation of PGMs is the control and management of the gangue minerals, particularly silicates such as orthopyroxene, plagioclase feldspar, and pyroxene, which are often rimmed with talc, which then makes them naturally floatable. Apart from the problems mentioned above, copper sulphate may also inadvertently activate the gangue minerals [28].

5. Conclusions

This paper presents, firstly, a general overview of the geological occurrences of the ore bodies containing the PGMs in Russia and South Africa, the world’s major producers of such minerals, as well as the typical mineralogy of the ores in which the PGMs occur. Then, the processing of these ores in each country using flotation is compared. Whereas in Russia, the major host minerals for the PGEs tend to be generally sulphide deposits, particularly pentlandite as well as pyrrhotite and chalcopyrite, in South Africa, this is only the case in the Merensky and UG2 reefs. In the Platreef, which contains most of that country’s PGM reserves, the dominant host minerals are tellurides, arsenides, and alloys. The UG2 deposit also contains large amounts of chromite, which, although being potential problematic in the downstream smelting process, is currently of significant economic value. It has been shown that in both countries, a mill-float circuit sequence is commonly used. However, in Russia, there is significant use of gravity concentration. Challenges and opportunities in both countries aimed at increasing the production of PGEs are briefly summarised. In South Africa, this is often related to managing gangue recovery and improving the recovery of fines as well as of tellurides, arsenides, and alloys. In Russia, there is much interest in processing in the future of unconventional ore deposits such as dunites and “black shale” as well as the treatment of titanium–magnetite ores and low-sulphide content ores. Given the dominant global position of both countries in the production of the PGEs, it was thought to be useful for the various operations to be compared with a view ultimately to increasing the global production of these key commodities.

Author Contributions

Conceptualization, C.O. and T.A.; methodology, C.O. and T.A.; validation, C.O. and T.A.; formal analysis, C.O. and T.A.; investigation, C.O. and T.A.; resources, C.O. and T.A.; data curation, C.O. and T.A.; writing—original draft preparation, C.O. and T.A.; writing—review and editing, C.O. and T.A.; visualization, C.O. and T.A.; supervision, C.O. and T.A.; project administration, C.O. and T.A.; funding acquisition, T.A. All authors have read and agreed to the published version of the manuscript.

Funding

The work on Russian fields was supported by the Russian Science Foundation (Project No. 19-17-00096).

Institutional Review Board Statement

Not applicable.

Informed Consent Statement

Not applicable.

Data Availability Statement

No new data were created in this study and all the data presented in this study are available in the references listed.

Conflicts of Interest

The authors declare no conflict of interest.

References

  1. Cawthorn, R.G. The Platinum Group Element deposits of the Bushveld Complex in South Africa. Platinum Metals Rev. 2010, 54, 205–215. [Google Scholar] [CrossRef]
  2. Lavrik, N.; Litvinova, N.; Aleksandrova, T.; Stepanova, V.; Lavrik, A. Platinum Mineralization Comparative Characteristics of the Some Far East Deposits: Problems of Complex Development of Georesources Electronic Resource. E3s Web of Conferences. Mining Technology, Norilsk Mining Centre, 2018; p. 04017. Available online: https://www.mining-technology.com/projects/norilsk/ (accessed on 9 November 2020).
  3. Johnson Matthey PGM Market Report. May 2019. Available online: http://www.platinum.matthey.com/documents/new-item/pgm%20market%20reports/pgm_market_report_may_19.pdf (accessed on 9 November 2020).
  4. AngloAmerican Futuresmart MiningTM. Available online: https://www.angloamerican.com/futuresmart/stories/our-industry/mining-explained/digging-deeper-mining-methods-explained (accessed on 23 December 2020).
  5. Cawthorn, R.G.; Webb, S.J. Connectivity between western and eastern limbs of the Bushveld Complex. Tectonophysics 2001, 330, 195–209. [Google Scholar] [CrossRef]
  6. Schouwstra, R.; Kinloch, E.; Lee, A. A short geological review of the Bushveld Complex. Platin. Met. Rev. 2010, 44, 33. [Google Scholar]
  7. Cramer, L. The extractive metallurgy of South Africa’s platinum ores. J. Miner. 2010, 53, 14–18. [Google Scholar] [CrossRef]
  8. Zientek, M.L.; Douglas Causey, J.; Parks, H.L.; Miller, R.J. Platinum-Group Elements in Southern Africa—Mineral Inventory and an Assessment of Undiscovered Mineral Resources; Scientific Investigations Report 2010–5090–Q, 010, 2010; U.S. Geological Survey: Reston, VA, USA, 2014.
  9. Engelbrecht, J. Potential Changes in the Physical Beneficiation Processes That Can Improve the Recovery Grade or Costs for the Platinum Group Metals. In Proceedings of the Fifth International Platinum Conference: A Catalyst for Change 2012, Sun City, South Africa, 17–21 September 2012. [Google Scholar]
  10. Johnson Matthey, Special Report, PGM Mining in Russia, Platinum 2004. pp. 16–21. Available online: http://www.platinum.matthey.com/documents/market-review/2004/special-report/special-report---pgm-mining-russia.pdf (accessed on 9 November 2020).
  11. Dodin, D.A.; Zoloev, K.K.; Koroteev, V.A.; Chernyshov, N.M. Carbonaceous Formations—A Major New Source of Platinum Group Metals of the XXI Century; Geoinformmark Ltd.: Moscow, Russia, 2007; p. 130. Available online: https://docplayer.ru/50126569-Geologiya-poiski-i-razvedka-tvyordyh-poleznyh-iskopaemyh-minerageniya.html (accessed on 9 November 2020). (In Russian)
  12. Godlevsky, M.N. Traps and Ore-Bearing Intrusions of the Norilsk Region; Gosgeoltekhizdat: Moscow, Russia, 1959; p. 61. [Google Scholar]
  13. Dodin, D.A.; Dodina, T.S.; Zoloev, K.K.; Koroteev, V.A.; Chernyshov, N.M. Platinum of Russia: state and prospects. Lithosphere 2010, 1, 3–36. [Google Scholar]
  14. Barnes, S.; Le Vaillant, M. Microtextures and Solidification Processes in Norilsk-Talnakh Globular Sulphide Ores. In Proceedings of the 13th International Platinum Symposium, Polokwane, South Africa, 30 June–6 July 2018. [Google Scholar]
  15. Barnes, S.J.; Vaillant, M.; Godel, B.; Lesher, S.M. Droplets and Bubbles: Solidification of sulphide-rich vapour-saturated orthocumulates in the Norilsk-Talnakh Ni–Cu–PGE ore-bearing Intrusions. J. Pet. 2019, 60, 269–300. [Google Scholar] [CrossRef]
  16. Dodin, D.A.; Chernyshov, N.M.; Yatskevich, B.A. Platinum-Metal Deposits of Russia; Nauka: St. Petersburg, Russia, 2000; p. 755. (In Russian) [Google Scholar]
  17. Rule, C.M.; Knopjes, L.; Clermont, B.; Philippe, C. Fine Grinding—Developments in ceramic media technology and resulting improved plant performance at Anglo Platinum. In Proceedings of the 3rd International Platinum Conference ‘Platinum in Transformation’, The Southern African Institute of Mining and Metallurgy, Sun City, South Africa, 5–9 October 2008. [Google Scholar]
  18. Rule, C.M.; Plint, N. What will the typical PGM concentrator look like? Keynote address. In Proceedings of the 8th International Comminution Symposium (Comminution 2012), Vineyard Hotel, Cape Town, South Africa, 16–20 April 2012. [Google Scholar]
  19. Mainza, A.N.; Powell, M.S. RoM Ball mills—A comparison with AG/SAG Milling, SAG 2006. In Proceedings of the International Autogenous and Semiautogenous Grinding Technology, Vancouver, BC, Canada, 24–27 September 2006; pp. 314–325. [Google Scholar]
  20. Rule, C. Stirred milling—new comminution technology in the PGM industry. In Proceedings of the 4th International Platinum Conference, Platinum in transition ‘Boom or Bust’, The Southern African Institute of Mining and Metallurgy, Sun City, Rustenburg, South Africa, 11–14 October 2010. [Google Scholar]
  21. Khramtsova, I.N.; Baskaev, P.M. The main directions of improving the technology for beneficiation of copper-nickel ores of ZF MMC Norilsk Nickel. Tsvetnye Met. 2005, 10, 58–63. [Google Scholar]
  22. Shneerson, Y.M.; Lapin, A.Y.; Goncharov, P.A.; Shpayer, V.M.; Greiver, T.N.; Petrov, G.V.; Tatarnikov, A.V. Hydrometallurgical processing technology for low-sulfide platinum-containing concentrates. Tsvetnye Met. 2001, 3, 1–5. [Google Scholar]
  23. O’Connor, C.T.; Wiese, J.G.; Corin, K.C.; McFadzean, B. A review of investigations into the management of gangue in the flotation of platinum group minerals. Physicochem. Probl. Miner. Process. 2018, 54, 1107–1115. [Google Scholar]
  24. Corin, K.C.; Reddy, A.; Miyen, L.; Wiese, J.; Harris, P.J. The effect of ionic strength of plant water on gangue recovery in a platinum bearing ore. Miner. Eng. 2011, 24, 131–137. [Google Scholar] [CrossRef]
  25. Corin, K.C.; Bezuidenhout, J.C.; O’Connor, C.T. The role of dithiophosphate as a co-collector in the flotation of a platinum group mineral ore. Miner. Eng. 2012, 36–38, 100–104. [Google Scholar] [CrossRef]
  26. Pienaar, D.; Jordaan, T.; McFadzean, B.; O’Connor, C.T. The synergistic interaction between dithiophosphate collectors and frothers at the air-water and sulphide mineral interface. Miner. Eng. 2019, 138, 125–132. [Google Scholar] [CrossRef]
  27. Wiese, J.G.; Harris, P.J.; Bradshaw, D.J. The effect of increased frother dosage on froth stability at high depressant dosages. Miner. Eng. 2010, 23, 1010–1017. [Google Scholar] [CrossRef]
  28. Malysiak, V.; Shackleton, N.J.; O’Connor, C.T. An investigation into the floatability of a pentlandite-pyroxene system. Int. J. Min. Process. 2004, 74, 251–262. [Google Scholar] [CrossRef]
  29. Shackleton, N.J.; Malysiak, V.; O’Connor, C.T. The use of amine complexes in managing inadvertent activation of pyroxene in a pentlandite-pyroxene flotation system. Min. Eng. 2003, 16, 849–856. [Google Scholar] [CrossRef]
  30. Nyabeze, W.; McFadzean, B. Adsorption of copper sulphate on PGM-bearing ores and its influence on froth stability and flotation kinetics. Miner. Eng. 2016, 92, 28–36. [Google Scholar] [CrossRef]
  31. Woodcock, J.T.; Sparrow, G.J.; Bruckhard, W.J. Flotation of Precious Metals and Their Minerals. In Froth Flotation a Century of Innovation; Fuerstenau, M.C., Jameson, G., Yoon, R.-H., Eds.; Society for Mining, Metallurgy and Exploration: Englewood, CO, USA, 2007; pp. 575–609. [Google Scholar]
  32. Jones, R.T. An overview of Southern African PGM Smelting, Nickel and Cobalt. Challenges in Extraction and Production. In Proceedings of the 44th Annual Conference of Metallurgists, Calgary, AB, Canada, 21–24 August 2005; pp. 147–178. [Google Scholar]
  33. Vermaak, C.F. The Platinum-Group Metals: A Global Perspective; Mintek: Randburg, South Africa, 1995; pp. 86–87. [Google Scholar]
  34. Kozlov, A.P.; Chanturya, V.A.; Sidorov, E.G.; Tolstykh, N.D.; Telegin, Y.M. Large-scale ore deposits of platinum in zonal mafic-ultrabasite complexes of the Ural-Alaskan type and prospects for their development. Geol. Rudn. Mestorozhdenii 2011, 53, 417–435. [Google Scholar]
  35. Khanchuk, A.I.; Rasskazov, I.Y.; Aleksandrova, T.N.; Komarova, V.S. Natural and technological typomorphic associations of trace elements in carbonaceous rocks of the Kimkan noble metal occurrence, Far East. Russ. J. Pac. Geol. 2012, 6, 339–348. [Google Scholar] [CrossRef]
  36. Alexandrova, T.N.; Talovina, I.V. Platinum-group metals in residual soils and potential efficiency of their processing in gravity concentrators. J. Min. Sci. 2017, 53, 553–558. [Google Scholar] [CrossRef]
  37. Wesseldijk, Q.I.; Reuter, M.A.; Bradshaw, D.J.; Harris, P.J. The flotation behavior of chromite with respect to the beneficiation of UG2 ore. Miner. Eng. 1999, 12, 1177–1184. [Google Scholar] [CrossRef]
  38. Maharaj, L.; Loveday, B.K.; Pocock, J. Gravity separation of a UG-2 ore secondary sample for the reduction of chromite minerals. Miner. Eng. 2012, 30, 99–101. [Google Scholar] [CrossRef]
  39. O’Connor, C.T.; Shackleton, N.J. Investigations into the recovery of platinum group minerals from the Platreef ore of the Bushveld Complex of South Africa. Platin. Met. Rev. 2013, 57, 302–309. [Google Scholar] [CrossRef]
  40. Tadie, M.; Corin, K.C.; Wiese, J.G.; O’Connor, C.T. Electrochemical interactions of platinum group minerals with copper sulphate. Miner. Eng. 2017, 112, 43–49. [Google Scholar] [CrossRef]
Figure 1. Geological map of the Bushveld complex showing the geographical location of the western, eastern, and northern limbs [5].
Figure 1. Geological map of the Bushveld complex showing the geographical location of the western, eastern, and northern limbs [5].
Minerals 11 00054 g001
Figure 2. Simplified geological map of the Bushveld Complex in South Africa. The green shades represent the Bushveld rocks, the rose shades are the granite cover rocks, the blue and brown shades represent the pre- and post-Bushveld rocks, respectively. The red circular shape near Rustenburg is the Pilanesberg alkali complex [6].
Figure 2. Simplified geological map of the Bushveld Complex in South Africa. The green shades represent the Bushveld rocks, the rose shades are the granite cover rocks, the blue and brown shades represent the pre- and post-Bushveld rocks, respectively. The red circular shape near Rustenburg is the Pilanesberg alkali complex [6].
Minerals 11 00054 g002
Figure 3. Major gangue minerals contained in the different Bushveld complex ore bodies [6].
Figure 3. Major gangue minerals contained in the different Bushveld complex ore bodies [6].
Minerals 11 00054 g003
Figure 4. Map showing many of the important PGM mining operations in Russia.
Figure 4. Map showing many of the important PGM mining operations in Russia.
Minerals 11 00054 g004
Figure 5. (a). The structure diagram of the hypothetical Baltic stratified platinum-bearing pluton (coarse-grained igneous rock) [8]. 1—individual massifs of peridotite–pyroxenite–gabbronorite formation; 2—prospective pluton branches: Pechengo–Imandro–Varzug (I), North (II) and South Karelian (III); 3—western and eastern parts of the first branch; 4—Paleozoic potentially platinum alkaline massifs; 5-8—platinum deposits and ore occurrences: 5—low-sulphide platinum–metal, 6—sulphide platinum–copper–nickel, 7, 8—platinum-containing chromite (7) and vanadium–titanomagnetite. (b). Platinum-metallogenic map of the northern part of the Urals [16]. 1-8—types of structural formational complexes: 1—sedimentary basins of the Western slope of the Urals, 2—ophiolite belts, 3—andesite–basalt belts, 4—intrusive and dyke-intrusive belts and zones, 5—granitoids, 6—carbonaceous shale officeiolite belts, 7—covers of West Siberian and Russian platforms, 8—black shale strata at middle massifs; 9–14—platinum-bearing ore formations, deposits installed and forecasted: 9—dunite–garzburgite, 10—platinum-containing chromite, 11, 12—platinum-containing titanium–magnetite (including 11—with copper), 13—platinum-containing polymetallic (black shale and their metasomatite), 14—platinum-containing alluvial; 15—platinum-bearing placers development areas; 16—Ural platinum-bearing belt; 17—platinum-bearing and potentially platinum-bearing provinces: IV—Vostochno-Uralskaya, V—Zapadno-Uralskaya; 18—various platinum-bearing and potential-platinum-bearing regions (figures in triangles).
Figure 5. (a). The structure diagram of the hypothetical Baltic stratified platinum-bearing pluton (coarse-grained igneous rock) [8]. 1—individual massifs of peridotite–pyroxenite–gabbronorite formation; 2—prospective pluton branches: Pechengo–Imandro–Varzug (I), North (II) and South Karelian (III); 3—western and eastern parts of the first branch; 4—Paleozoic potentially platinum alkaline massifs; 5-8—platinum deposits and ore occurrences: 5—low-sulphide platinum–metal, 6—sulphide platinum–copper–nickel, 7, 8—platinum-containing chromite (7) and vanadium–titanomagnetite. (b). Platinum-metallogenic map of the northern part of the Urals [16]. 1-8—types of structural formational complexes: 1—sedimentary basins of the Western slope of the Urals, 2—ophiolite belts, 3—andesite–basalt belts, 4—intrusive and dyke-intrusive belts and zones, 5—granitoids, 6—carbonaceous shale officeiolite belts, 7—covers of West Siberian and Russian platforms, 8—black shale strata at middle massifs; 9–14—platinum-bearing ore formations, deposits installed and forecasted: 9—dunite–garzburgite, 10—platinum-containing chromite, 11, 12—platinum-containing titanium–magnetite (including 11—with copper), 13—platinum-containing polymetallic (black shale and their metasomatite), 14—platinum-containing alluvial; 15—platinum-bearing placers development areas; 16—Ural platinum-bearing belt; 17—platinum-bearing and potentially platinum-bearing provinces: IV—Vostochno-Uralskaya, V—Zapadno-Uralskaya; 18—various platinum-bearing and potential-platinum-bearing regions (figures in triangles).
Minerals 11 00054 g005
Figure 6. Typical circuits used in treatment of Merensky, Upper Group Chromitite No.2 (UG2), and Platreef ores. (a) MF2 (2 stages of mill-float) flow sheet (b) MF3 (3 stages of mill-float) flow sheet [9].
Figure 6. Typical circuits used in treatment of Merensky, Upper Group Chromitite No.2 (UG2), and Platreef ores. (a) MF2 (2 stages of mill-float) flow sheet (b) MF3 (3 stages of mill-float) flow sheet [9].
Minerals 11 00054 g006
Figure 7. Two applications for IsaMills, viz. mainstream inert grinding (MIG) and ultra-fine grinding (UFG) on a typical PGM circuit [17,20].
Figure 7. Two applications for IsaMills, viz. mainstream inert grinding (MIG) and ultra-fine grinding (UFG) on a typical PGM circuit [17,20].
Minerals 11 00054 g007
Figure 8. Flowsheet for the processing of sulphide ore. Various reagent addition points are shown: 1: iso-butyl xanthate; 2: Aerofloat; 3: DP4; 4: CuSO4; 5: T80
Figure 8. Flowsheet for the processing of sulphide ore. Various reagent addition points are shown: 1: iso-butyl xanthate; 2: Aerofloat; 3: DP4; 4: CuSO4; 5: T80
Minerals 11 00054 g008
Table 1. Production of platinum, palladium, and rhodium in 2018 [1].
Table 1. Production of platinum, palladium, and rhodium in 2018 [1].
Country2018 Production of Pt (000 oz)2018 Production of Pd (000 oz)2018 Production of Rh (000 oz)
South Africa44672543618
Russia687297669
Other959145870
World total61236977792
Recycling21503124371
Gross demand784610,2221119
Net demand57417098748
Table 2. Distribution of various major platinum group minerals (PGMs) in the different Bushveld Complex ore bodies [6].
Table 2. Distribution of various major platinum group minerals (PGMs) in the different Bushveld Complex ore bodies [6].
MineralSulphidesTelluridesArsenidesAlloysRest
Merensky Reef36307720
UG270<5<520<5
Platreef330212620
Table 3. Approximate geographical location of a selection of deposits referred to in this paper (all deposits shown are currently being mined except for those indicated by an *).
Table 3. Approximate geographical location of a selection of deposits referred to in this paper (all deposits shown are currently being mined except for those indicated by an *).
DepositRegion/LocationDepositRegion/Location
Norilsk Nickel PolarNorilsk/TalnakhKondyorFar East
KamchatkaKoryakChernogorskNorilsk
KareliaNorth West RussiaMaslovskoyeNorilsk
PechengaKola PeninsulaSvetloborskCentral Urals
Sukhoi Log *IrkutskNizhny TagilCentral Urals
AmurFar EastBureyaFar East
Yoko-DovyrenskyNE of Lake BaikalChineiskyEastern Baikal
Vaygach Island *North West RussiaBarents SeaNorth West Russia
Table 4. Distribution of various sulphide minerals in the different major Russian PGM-bearing ore bodies (%).
Table 4. Distribution of various sulphide minerals in the different major Russian PGM-bearing ore bodies (%).
DepositPentlanditeChalcopyritePyrrhotiteChromiteCubanite
Oktyabrskoye4.0–5.611.167–724.8–7.34.0–5.6
Talnakhskoye2–104–1450–653.40.2–24.7
Chernogorsk12–1515–2540–705–710–30
Maslovskoye10–1510–3040–705–1010–40
Table 5. The distribution of platinum group elements (PGEs) in various minerals (g/t).
Table 5. The distribution of platinum group elements (PGEs) in various minerals (g/t).
MineralPdPtRhRuIrOs
Pentlandite49.0–265.08.1–71.00.03–1.30.06–1.30.06–0.20.04–0.08
Chalcopyrite0.00.00.01–0.070.12–0.130.00.03–0.08
Pyrrhotite7–91.5–20.6–1.20.2–0.30.06–0.10.03–0.05
Cubanite19–233.4–4.90.05–0.100.09–0.140.01–0.080.01–0.08
Disseminated3–50.4–1.50.02–0.1400.003–0.06-
Publisher’s Note: MDPI stays neutral with regard to jurisdictional claims in published maps and institutional affiliations.

Share and Cite

MDPI and ACS Style

O’Connor, C.; Alexandrova, T. The Geological Occurrence, Mineralogy, and Processing by Flotation of Platinum Group Minerals (PGMs) in South Africa and Russia. Minerals 2021, 11, 54. https://doi.org/10.3390/min11010054

AMA Style

O’Connor C, Alexandrova T. The Geological Occurrence, Mineralogy, and Processing by Flotation of Platinum Group Minerals (PGMs) in South Africa and Russia. Minerals. 2021; 11(1):54. https://doi.org/10.3390/min11010054

Chicago/Turabian Style

O’Connor, Cyril, and Tatiana Alexandrova. 2021. "The Geological Occurrence, Mineralogy, and Processing by Flotation of Platinum Group Minerals (PGMs) in South Africa and Russia" Minerals 11, no. 1: 54. https://doi.org/10.3390/min11010054

APA Style

O’Connor, C., & Alexandrova, T. (2021). The Geological Occurrence, Mineralogy, and Processing by Flotation of Platinum Group Minerals (PGMs) in South Africa and Russia. Minerals, 11(1), 54. https://doi.org/10.3390/min11010054

Note that from the first issue of 2016, this journal uses article numbers instead of page numbers. See further details here.

Article Metrics

Back to TopTop