Electrochemical Study of Galena Weathering in NaCl Solution: Kinetics and Environmental Implications
Abstract
1. Introduction
2. Materials and Methods
3. Results and Discussion
3.1. OCP Study
3.1.1. Effect of NaCl Concentration
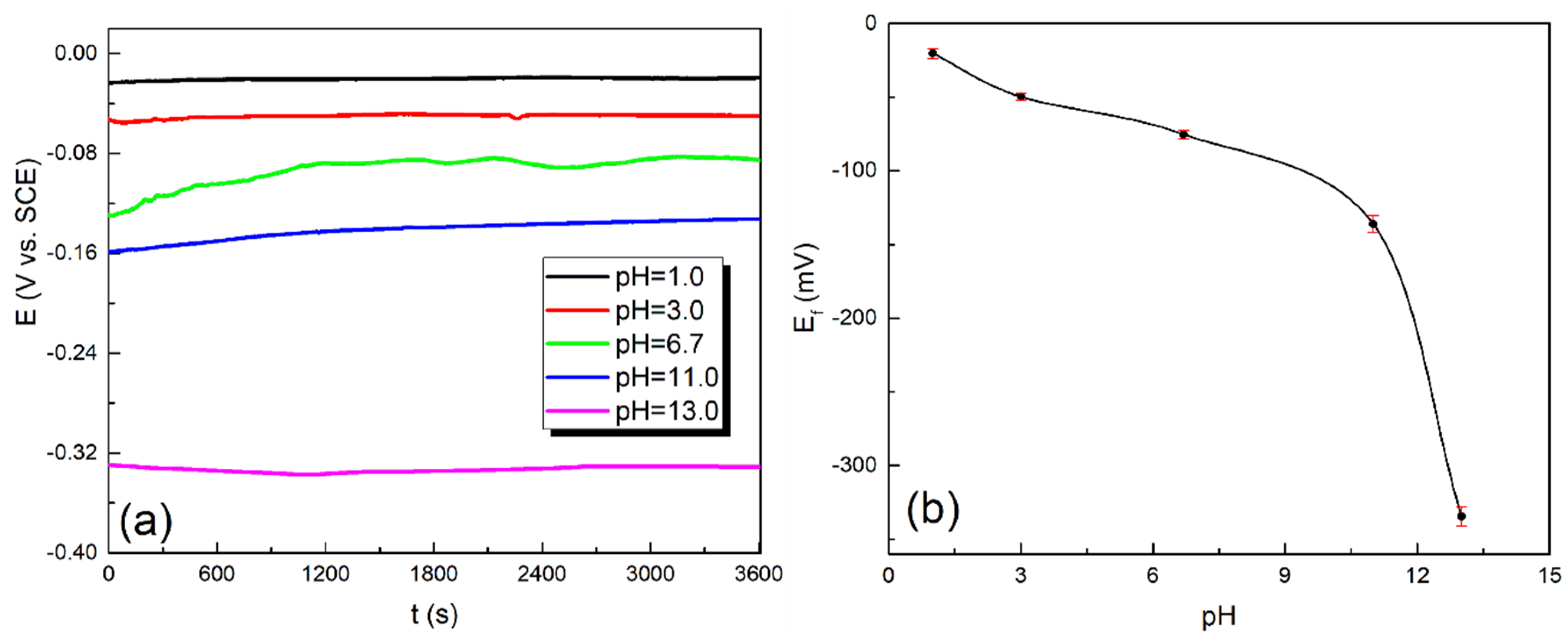
3.1.2. Effect of pH
3.2. PDP Study
3.2.1. Effect of NaCl Concentration
3.2.2. Effect of pH
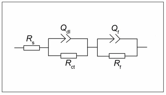
3.3. EIS Study
3.3.1. Effect of NaCl Concentration
3.3.2. Effect of pH
3.4. Environmental Risk Assessment
4. Conclusions
Author Contributions
Funding
Conflicts of Interest
References
- Fallon, E.K.; Petersen, S.; Brooker, R.A.; Scott, T.B. Oxidative dissolution of hydrothermal mixed-sulphide ore: An assessment of current knowledge in relation to seafloor massive sulphide mining. Ore Geol. Rev. 2017, 86, 309–337. [Google Scholar] [CrossRef]
- Johnson, A.W.; Gutiérrez, M.; Gouzie, D.; McAliley, L.R. State of remediation and metal toxicity in the Tri-State Mining District, USA. Chemosphere 2016, 144, 1132–1141. [Google Scholar] [CrossRef]
- Gutiérrez, M.; Mickus, K.; Camacho, L.M. Abandoned PbZn mining wastes and their mobility as proxy to toxicity: A review. Sci. Total Environ. 2016, 565, 392–400. [Google Scholar] [CrossRef]
- Chen, J.; Chen, Y.; Long, X.; Li, Y. DFT study of coadsorption of water and oxygen on galena (PbS) surface: An insight into the oxidation mechanism of galena. Appl. Surf. Sci. 2017, 420, 714–719. [Google Scholar] [CrossRef]
- Lara, R.H.; Briones, R.; Monroy, M.G.; Mullet, M.; Humbert, B.; Dossot, M.; Naja, G.M.; Cruz, R. Galena weathering under simulated calcareous soil conditions. Sci. Total Environ. 2011, 409, 3971–3979. [Google Scholar] [CrossRef]
- Flores-Álvarez, J.M.; ddElizondo-Álvarez, M.A.; Dávila-Pulido, G.I.; Guerrero-Flores, A.D.; Uribe-Salas, A. Electrochemical behavior of galena in the presence of calcium and sulfate ions. Miner. Eng. 2017, 111, 158–166. [Google Scholar] [CrossRef]
- Zheng, K.; Li, H.P.; Wang, L.Y.; Wen, X.Y.; Liu, Q.Y. Galena weathering under simulated acid rain conditions: Electrochemical processes and environmental assessments. Environ. Sci. Processes Impacts 2018, 20, 822–832. [Google Scholar] [CrossRef]
- Johnson, J.W.; Chang, J.; Narasagoudar, R.A.; O’Keefe, T.J. Anodic dissolution of galena concentrate in perchloric acid. J. Appl. Electrochem. 1978, 8, 25–32. [Google Scholar] [CrossRef]
- Jin, G.H.; Wang, L.Y.; Zheng, K.; Li, H.P.; Liu, Q.Y. Influence of pH, Pb2+, and temperature on the electrochemical dissolution of galena: Environmental implications. Ionics 2016, 22, 975–984. [Google Scholar] [CrossRef]
- Liu, Q.Y.; Jin, G.H.; Zheng, K.; Wen, X.Y.; Li, H.P. Influence of temperature and potential on the electrochemical dissolution of galena in HNO3 at pH 2.0. Int. J. Electrochem. Sci. 2017, 12, 7004–7016. [Google Scholar] [CrossRef]
- Güler, T. Redox behavior of galena in alkaline condition. Ionics 2018, 24, 221–227. [Google Scholar] [CrossRef]
- Liu, Q.Y.; Li, H.P.; Jin, G.H.; Zheng, K.; Wang, L.Y. Assessing the influence of humic acids on the weathering of galena and its environmental implications. Ecotox. Environ. Saf. 2018, 158, 230–238. [Google Scholar] [CrossRef]
- Paul, R.L.; Nicol, M.J.; Diggle, J.W.; Saunders, A.P. The electrochemical behaviour of galena (lead sulphide)—I. Anodic dissolution. Electrochim. Acta 1978, 23, 625–633. [Google Scholar] [CrossRef]
- Nicol, M.J.; Paul, R.L.; Diggle, J.W. The electrochemical behaviour of galena (lead sulphide)—II. Cathodic reduction. Electrochim. Acta 1978, 23, 635–639. [Google Scholar] [CrossRef]
- Nava, J.L.; Oropeza, M.T.; González, I. Electrochemical characterisation of sulfur species formed during anodic dissolution of galena concentrate in perchlorate medium at pH 0. Electrochim. Acta 2002, 47, 1513–1525. [Google Scholar] [CrossRef]
- Moreno-Medrano, E.D.; Casillas, N.; Cruz, R.; Lara-Castro, R.H.; Barcena-Soto, M.; Larios-Duran, E.R. Impedance study during anodic oxidation of native galena in a highlyconcetrated xanthate solution. Int. J. Electrochem. Sci. 2011, 6, 6319–6331. [Google Scholar]
- Moreno-Medrano, E.D.; Casillas, N.; Cruz, R.; Lara-Castro, R.H.; Larios-Duran, R.; Barcena-Soto, M. EIS evaluation of kinetics parameters for the oxidation of galena in presence of xanthate. ECS Trans. 2013, 47, 173–179. [Google Scholar] [CrossRef]
- Elizondo-Alvarez, M.A.; Davila-Pulido, G.I.; Bello-Teodoro, S.; Uribe-Salas, A. Role of pH on the adsorption of xanthate and dithiophosphinate onto galena. Can. Metall. Q. 2019, 58, 107–115. [Google Scholar] [CrossRef]
- Shapter, J.G.; Brooker, M.H.; Skinner, W.M. Observation of the oxidation of galena using Raman spectroscopy. Int. J. Miner. Process. 2000, 60, 199–211. [Google Scholar] [CrossRef]
- Nowak, P.; Laajalehto, K. Oxidation of galena surface—An XPS study of the formation of sulfoxy species. Appl. Surf. Sci. 2000, 157, 101–111. [Google Scholar] [CrossRef]
- De Giudici, G.; Rossi, A.; Fanfani, L.; Lattanzi, P. Mechanisms of galena dissolution in oxygen-saturated solutions: Evaluation of pH effect on apparent activation energies and mineral-water interface. Geochim. Cosmochim. Acta 2005, 69, 2321–2331. [Google Scholar] [CrossRef]
- Acero, P.; Cama, J.; Ayora, C. Rate law for galena dissolution in acidic environment. Chem. Geol. 2007, 245, 219–229. [Google Scholar] [CrossRef]
- Chernyshova, I.V. Anodic processes on a galena (PbS) electrode in the presence of n-butyl xanthate studied FTIR-spectroelectrochemically. J. Phys. Chem. B 2001, 105, 8185–8191. [Google Scholar] [CrossRef]
- Chernyshova, I.V. Anodic oxidation of galena (PbS) studied FTIR-spectroelectrochemically. J. Phys. Chem. B 2001, 105, 8178–8184. [Google Scholar] [CrossRef]
- Chernyshova, I.V. In situ FTIR-spectroelectrochemical study of the anodic processes on a galena (PbS) electrode under open-air conditions in the absence and presence of n-butyl xanthate. Langmuir 2002, 18, 6962–6968. [Google Scholar] [CrossRef]
- Ralston, J. The chemistry of galena flotation: Principles & practice. Miner. Eng. 1994, 7, 715–735. [Google Scholar]
- Chen, J.; Ke, B.; Lan, L.; Li, Y. Influence of Ag, Sb, Bi and Zn impurities on electrochemical and flotation behaviour of galena. Miner. Eng. 2015, 72, 10–16. [Google Scholar] [CrossRef]
- Wu, Z.H.; Dreisinger, D.B.; Urch, H.; Fassbender, S. The kinetics of leaching galena concentrates with ferric methanesulfonate solution. Hydrometallurgy 2014, 142, 121–130. [Google Scholar] [CrossRef]
- Boschen, R.E.; Rowden, A.A.; Clark, M.R.; Gardner, J.P.A. Mining of deep-sea seafloor massive sulfides: A review of the deposits, their benthic communities, impacts from mining, regulatory frameworks and management strategies. Ocean Coast. Manag. 2013, 84, 54–67. [Google Scholar] [CrossRef]
- Ferreira da Silva, E.; Bobos, I.; Xavier Matos, J.; Patinha, C.; Reis, A.P.; Cardoso Fonseca, E. Mineralogy and geochemistry of trace metals and REE in volcanic massive sulfide host rocks, stream sediments, stream waters and acid mine drainage from the Lousal mine area (Iberian Pyrite Belt, Portugal). Appl. Geochem. 2009, 24, 383–401. [Google Scholar] [CrossRef]
- Aikawa, K.; Ito, M.; Segawa, T.; Jeon, S.; Park, I.; Tabelin, C.B.; Hiroyoshi, N. Depression of lead-activated sphalerite by pyrite via galvanic interactions: Implications to the selective flotation of complex sulfide ores. Miner. Eng. 2020, 152, 106367. [Google Scholar] [CrossRef]
- Cisneros-González, I.; Oropeza-Guzmán, M.T.; González, I. Cyclic voltammetry applied to the characterisation of galena. Hydrometallurgy 1999, 53, 133–144. [Google Scholar] [CrossRef]
- Leckie, H.P.; Uhlig, H.H. Environmental factors affecting the critical potential for pitting in 18–8 Stainless Steel. J. Electrochem. Soc. 1966, 113, 1262–1267. [Google Scholar] [CrossRef]
- Moslemi, H.; Shamsi, P.; Habashi, F. Pyrite and pyrrhotite open circuit potentials study: Effects on flotation. Miner. Eng. 2011, 24, 1038–1045. [Google Scholar] [CrossRef]
- Sun, H.; Wu, X.; Han, E.-H.; Wei, Y. Effects of pH and dissolved oxygen on electrochemical behavior and oxide films of 304SS in borated and lithiated high temperature water. Corros. Sci. 2012, 59, 334–342. [Google Scholar] [CrossRef]
- Liu, X.; Wu, X.; Han, E.-H. Influence of Zn injection on characteristics of oxide film on 304 stainless steel in borated and lithiated high temperature water. Corros. Sci. 2011, 53, 3337–3345. [Google Scholar] [CrossRef]
- Kobayashi, M.; Kametani, H. The Eh-pH diagram of the Pb-S-H2O systems and its correlation with lattice imperfection and electronic charge carriers in PbS. Hydrometallurgy 1989, 22, 141–157. [Google Scholar] [CrossRef]
- Hemmingsen, T. The electrochemical reaction of sulphur—Oxygen compounds—Part I. A review of literature on the electrochemical properties of sulphur/sulphur—Oxygen compounds. Electrochim. Acta 1992, 37, 2775–2784. [Google Scholar] [CrossRef]
- MacDonald, D.D.; Urquidi-MacDonald, M. A coupled environment model for stress corrosion cracking in sensitized type 304 stainless steel in LWR environments. Corros. Sci. 1991, 32, 51–81. [Google Scholar] [CrossRef]
- Urbano, G.; Reyes, V.E.; Veloz, M.A.; González, I.; Cruz, J. Pyrite—arsenopyrite galvanic interaction and electrochemical reactivity. J. Phys. Chem. C 2008, 112, 10453–10461. [Google Scholar] [CrossRef]
- Ries, L.A.S.; Da Cunha Belo, M.; Ferreira, M.G.S.; Muller, I.L. Chemical composition and electronic structure of passive films formed on Alloy 600 in acidic solution. Corros. Sci. 2008, 50, 676–686. [Google Scholar] [CrossRef]
- Zheng, K.; Li, H.; Wang, L.; Wen, X.; Liu, Q. Pyrite oxidation under simulated acid rain weathering conditions. Environ. Sci. Pollut. Res. 2017, 24, 21710–21720. [Google Scholar] [CrossRef]
- de Assis, S.L.; Wolynec, S.; Costa, I. Corrosion characterization of titanium alloys by electrochemical techniques. Electrochim. Acta 2006, 51, 1815–1819. [Google Scholar] [CrossRef]
- Brug, G.J.; van den Eeden, A.L.G.; Sluyters-Rehbach, M.; Sluyters, J.H. The analysis of electrode impedances complicated by the presence of a constant phase element. J. Electroanal. Chem. 1984, 176, 275–295. [Google Scholar] [CrossRef]
- ASTM G 102-89. Standard Practice for Calculation of Corrosion Rates and Related Information from Electrochemical Measurements; 100 Barr Harbor Drive: West Conshohocken, PA, USA, 1989. [Google Scholar]







| C (M) | Ecorr (mV) | icorr (A/cm2) | βa (mV/dec) | βc (mV/dec) |
|---|---|---|---|---|
| 0.01 | −79.03 | 2.13 × 10−8 | 177.85 | 167.11 |
| 0.05 | −102.12 | 2.41 × 10−8 | 155.55 | 142.89 |
| 0.20 | −115.16 | 2.88 × 10−8 | 153.83 | 138.28 |
| 0.60 | −132.02 | 3.06 × 10−8 | 138.59 | 125.52 |
| pH | Ecorr (mV) | icorr (A/cm2) | βa (mV/dec) | βc (mV/dec) |
|---|---|---|---|---|
| 1.0 | −70.94 | 6.15 × 10−8 | 105.08 | 119.57 |
| 3.0 | −106.83 | 4.95 × 10−8 | 118.22 | 121.25 |
| 6.7 | −132.02 | 3.06 × 10−8 | 138.59 | 125.52 |
| 11.0 | −174.17 | 5.21 × 10−8 | 120.95 | 126.58 |
| 13.0 | −349.73 | 8.16 × 10−7 | 111.88 | - 1 |
| C (M) | Rs (Ω cm2) | Y0, dl × 105 | n | Cdl × 105 | Rct × 10−4 | Y0,f × 105 | n | Cf × 105 | Rf × 10−5 | χ2 × 104 |
|---|---|---|---|---|---|---|---|---|---|---|
| (S sn cm−2) | (F cm−2) | (Ω cm2) | (S sn cm−2) | (F cm−2) | (Ω cm2) | |||||
| 0.01 | 88.48 | 4.514 | 0.8269 | 6.069 | 9.109 | 3.691 | 0.8216 | 6.959 | 5.026 | 2.92 |
| 0.05 | 25.37 | 5.411 | 0.8225 | 7.435 | 8.059 | 4.274 | 0.7957 | 9.054 | 4.354 | 2.82 |
| 0.20 | 7.53 | 6.026 | 0.8109 | 8.006 | 5.612 | 4.614 | 0.8032 | 9.193 | 3.613 | 3.56 |
| 0.60 | 3.36 | 6.490 | 0.7988 | 8.434 | 4.361 | 6.839 | 0.8668 | 10.490 | 2.369 | 1.81 |
| pH | Rs | Y0, dl × 105 | n | Cdl × 105 | Rct × 10−4 | Y0, f × 105 | n | Cf × 105 | Rf × 10−5 | χ2 × 104 |
|---|---|---|---|---|---|---|---|---|---|---|
| (Ω cm2) | (S sn cm−2) | (F cm−2) | (Ω cm2) | (S sn cm−2) | (F cm−2) | (Ω cm2) | ||||
| 1.0 | 2.28 | 7.538 | 0.8138 | 9.047 | 2.945 | 11.02 | 0.7904 | 19.080 | 0.719 | 4.54 |
| 3.0 | 3.21 | 7.038 | 0.8120 | 8.794 | 3.719 | 8.035 | 0.7799 | 16.680 | 1.656 | 3.05 |
| 6.7 | 3.36 | 6.490 | 0.7988 | 8.434 | 4.361 | 6.839 | 0.8668 | 10.490 | 2.369 | 1.81 |
| 11.0 | 3.17 | 6.825 | 0.8084 | 8.573 | 3.834 | 7.932 | 0.8283 | 13.710 | 1.767 | 3.29 |
| 13.0 | 2.25 | 13.080 | 0.7629 | 11.940 | 0.569 | 15.18 | 0.7849 | 22.760 | 0.289 | 5.75 |
© 2020 by the authors. Licensee MDPI, Basel, Switzerland. This article is an open access article distributed under the terms and conditions of the Creative Commons Attribution (CC BY) license (http://creativecommons.org/licenses/by/4.0/).
Share and Cite
Zha, L.; Li, H.; Wang, N. Electrochemical Study of Galena Weathering in NaCl Solution: Kinetics and Environmental Implications. Minerals 2020, 10, 416. https://doi.org/10.3390/min10050416
Zha L, Li H, Wang N. Electrochemical Study of Galena Weathering in NaCl Solution: Kinetics and Environmental Implications. Minerals. 2020; 10(5):416. https://doi.org/10.3390/min10050416
Chicago/Turabian StyleZha, Lei, Heping Li, and Ning Wang. 2020. "Electrochemical Study of Galena Weathering in NaCl Solution: Kinetics and Environmental Implications" Minerals 10, no. 5: 416. https://doi.org/10.3390/min10050416
APA StyleZha, L., Li, H., & Wang, N. (2020). Electrochemical Study of Galena Weathering in NaCl Solution: Kinetics and Environmental Implications. Minerals, 10(5), 416. https://doi.org/10.3390/min10050416
