Design and Implementation of a Novel Intelligent Remote Calibration System Based on Edge Intelligence
Abstract
1. Introduction
- A high-precision frequency-to-voltage (F-V) conversion-based measurement value transmission system is proposed, enabling traceability and value transfer from satellite-derived signals to calibrated AC voltage outputs. This substantially improves the system’s accuracy and metrological authority.
- An intelligent data acquisition and on-site monitoring system is developed, enabling 24/7 visual monitoring of operational workflows, instrument statuses, and environmental conditions during calibration. It also achieves real-time image capture and automated parsing of semi-structured/unstructured data from traditional meters, enhancing the accuracy and reliability of the calibration process.
- An information, permission, and task management system is constructed within a cloud–edge–end collaborative architecture. It ensures standardized, proceduralized data processing and safeguards data security and operational integrity during multi-user collaboration. The system supports integration of multi-source, heterogeneous devices and ensures protocol compatibility. An intelligent task scheduling module optimizes resource allocation between cloud and edge nodes, effectively balancing high-precision calibration requirements with real-time response demands.
2. Related Work
2.1. Traceability and Transmission of Measurement Values
2.2. Data Acquisition and Collection
2.3. System Application Construction
2.4. Summary
3. Overall Functional Structure
3.1. Basic Tasks
3.1.1. Cloud Layer
3.1.2. Edge Layer
3.1.3. Terminal Layer
4. Materials and Methods
4.1. Value Transmission System Based on Satellite Signals
Value Transfer System Architecture
- Satellite Signal Reception and Square Wave Conversion: The system uses the TF-1006-Pro (Beijing Qianxing Time & Frequency Technology Co., Ltd., Beijing, China) model NTP network time server, capable of receiving satellite signals and converting them into a 10 MHz square wave signal. This square wave has a frequency accuracy better than over 24 h and adheres to TTL level standards.
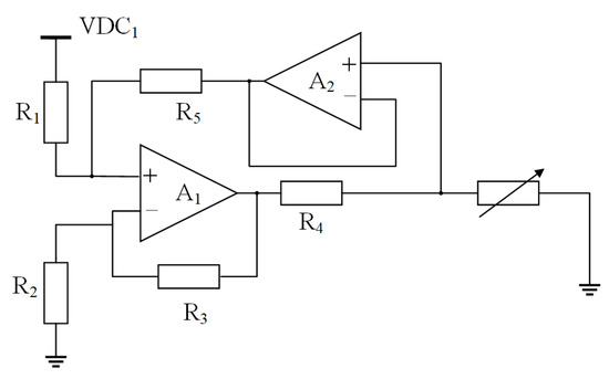
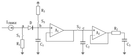
- FPGA Generation of Frequency Control Signals: A frequency-to-voltage conversion circuit is constructed using high-speed MOS switches and precision capacitors. Specifically, ADG712 high-speed MOS switches from Analog Devices (Analog Devices, Inc. (ADI)Norwood, MA, USA) and mica capacitors are utilized.
- Power Supply Current Source Output: The current source supplying necessary current for the circuit is designed around the OPA227 operational amplifier. The voltage input to this current source employs a highly precise 7.0196356 V voltage reference.
- Transmission of Calibrated Voltage Amplitude and Phase Information: The FPGA chip used is the XC7A200T-2FBG484I ( AMD (Advanced Micro Devices Inc.), Santa Clara, CA, USA), while the core of the wireless communication module is the ESP32-DOWDR2-V3 (Espressif Systems (Shanghai) Co., Ltd., Shanghai, China) main control chip.
4.2. Key Modules
4.2.1. NTP Network Time Server
4.2.2. High-Precision Frequency-to-Voltage Conversion Module
4.2.3. Power Supply Module
4.2.4. FPGA and Wireless Communication Module
4.3. Calibration Experiment Data Acquisition and On-Site Monitoring
4.3.1. Video Stream Transmission
4.3.2. Instrument Data Recognition Design
4.4. Cloud–Edge–End Management System Based on Edge Intelligence
4.4.1. Cloud-Based Information Management
User Management
Calibration Experiment Management
Standard Instrument Management
- Cloud Digital Twin Library: Maintains digital records of instruments (models, metrological properties, usage status) synchronized with edge laboratories. Allows adding, deleting, or modifying instrument entries.
- Pre-calibration Self-inspection: Uses the IoT to verify instrument status before experiments begin.
- Add Instruments: Users can register new instruments by providing details like name, model, manufacturer, calibration certificate number, and validity period.
- Delete Instruments: Retired or expired instruments can be removed after permission verification, with records kept for historical purposes.
- Reference Instruments: Enables selecting suitable instruments from the library during experiment setup, ensuring compliance with standards and supporting data traceability.
4.4.2. Permission Management Design
Front-End Permission Management Scheme
Back-End Permission Management Design
4.4.3. Cloud–Edge Collaboration Mechanism
- Terminal devices directly offload tasks to their associated edge server nodes via wireless channels.
- All task information from the terminals is sent to the cloud, where it is coordinated by a centralized scheduler. During this process, the scheduler determines whether a task should be executed at the edge node or in the cloud, based on factors such as task attributes and available computing resources.
- For tasks designated for cloud execution, the scheduler forwards them to the cloud node. The cloud node, equipped with powerful computational capabilities, handles complex computing requirements.
- For tasks retained at the edge server, the scheduling algorithm assigns them to the most suitable computing node for processing.
- Finally, the computation results are returned to the terminal devices through the edge node.
Overall Modeling of Distributed Remote Calibration System
5. System Implementation and Testing
5.1. DC Voltage Test Results and Analysis
5.2. High-Concurrency Performance Test
5.3. Cloud–Edge Collaboration Evaluation
5.4. Discussion
6. Conclusions
Author Contributions
Funding
Data Availability Statement
Conflicts of Interest
Abbreviations
| IoT | Internet of Things |
| OCR | Optical Character Recognition |
| NRC | National Research Council |
| NPL | National Physical Laboratory |
| NIST | National Institute of Standards and Technology |
| NIM | National Institute of Metrology of China |
| HOG | Histogram of Oriented Gradients |
| CNN | Convolutional Neural Network |
| CRNN | Convolutional Recurrent Neural Network |
| DCNN | Deep Convolutional Neural Networks |
| RNN | Recurrent Neural Networks |
| VI | Virtual Instrumentation |
| GUIs | Graphical User Interfaces |
| NTP | Network Time Protocol |
| OCXOs | Oven-Controlled Crystal Oscillators |
| FVC | Frequency-to-Voltage Converter |
| SRS | Simple Realtime Server |
| RPC | Remote Procedure Call |
| FCFS | First-Come-First-Served |
References
- Zhang, F.; Li, X.; Li, Y.; Zhou, Z. Research on calibration method for measurement error of multiple rate carrier energy meter. J. Phys. Conf. Ser. 2024, 2815, 012032. [Google Scholar] [CrossRef]
- Qu, Z.; Jiao, Y.; Li, H.; Chen, Q.; Zhu, Y.; Wei, W. An Online Accuracy Evaluation Method for Smart Electricity Meter Calibration Devices Based on Mutual Correlations of Calibration Data. IEEE Trans. Instrum. Meas. 2024, 73, 1–13. [Google Scholar] [CrossRef]
- Carstens, H.; Xia, X.; Yadavalli, S. Low-cost energy meter calibration method for measurement and verification. Appl. Energy 2017, 188, 563–575. [Google Scholar] [CrossRef]
- Wang, Q.; Li, H.; Wang, H.; Zhang, J.; Fu, J. A Remote Calibration Device Using Edge Intelligence. Sensors 2022, 22, 322. [Google Scholar] [CrossRef] [PubMed]
- Wang, Q.; Zhang, J.; Lei, M.; Li, H.; Peng, K.; Hu, M. Toward Wide Area Remote Sensor Calibrations: Applications and Approaches. IEEE Sens. J. 2024, 24, 8991–9001. [Google Scholar] [CrossRef]
- Zha, Z.; Ge, H.; Zou, C.; Long, F.; He, X.; Wu, G.; Dong, C.; Deng, T.; Xu, J. Synchronous Remote Calibration for Electricity Meters: Application and Optimization. Appl. Sci. 2025, 15, 1259. [Google Scholar] [CrossRef]
- Fang, L.; Ma, Y.; Duan, S.; Li, Y.; Lan, K.; Faraj, Y.; Wei, Z. Research on Remote Calibration System of Voltage Source Based on Common-View Method. SSRN Electron. J. 2022. [Google Scholar] [CrossRef]
- Fang, L.; Li, Y.; Duan, S.; Lan, K. Remote value transmission and traceability technology of measuring instruments based on wireless communication. Rev. Sci. Instrum. 2023, 94, 021501. [Google Scholar] [CrossRef] [PubMed]
- Davis, J.; Stevens, M.; Whibberley, P.; Stacey, P.; Hlavac, R. Commissioning and validation of a GPS common-view time transfer service at NPL. In Proceedings of the IEEE International Frequency Control Symposium and PDA Exhibition Jointly with the 17th European Frequency and Time Forum, Flagship Tampa, FL, USA, 4–8 May 2003; pp. 1025–1031. [Google Scholar] [CrossRef]
- Baca, L.; Duda, L.; Walker, R.; Oldham, N.; Parker, M. Internet-Based Calibration of a Multifunction Calibrator. In Proceedings of the 2000 National Conference of Standards Laboratories Workshop and Symposium (NCSL), Toronto, ON, Canada, 16–20 July 2000; pp. 1–7. [Google Scholar]
- Rovera, G.D.; Chupin, B.; Abgrall, M.; Uhrich, P. A simple computation technique for improving the short term stability and the robustness of GPS TAIP3 common-views. In Proceedings of the 2013 Joint European Frequency and Time Forum & International Frequency Control Symposium (EFTF/IFC), Flagship Prague, Czech Republic, 21–25 July 2013; pp. 827–830. [Google Scholar] [CrossRef]
- Wouters, M.J.; Marais, E.L.; Gupta, A.S.; bin Omar, A.S.; Phoonthong, P. The Open Traceable Time Platform: Open Source Software and Hardware for Dissemination of Traceable Time and Frequency. In Proceedings of the 2019 Joint Conference of the IEEE International Frequency Control Symposium and European Frequency and Time Forum (EFTF/IFC), Orlando, FL, USA, 14–18 April 2019; pp. 1–2. [Google Scholar] [CrossRef]
- Jeang, Y.L.; Chen, L.B.; Huang, C.P.; Hsu, Y.H.; Yeh, M.Y.; Yang, K.M. Design of FPGA-based adaptive remote calibration control system. In Proceedings of the 2003 IEEE International Conference on Field-Programmable Technology (FPT) (IEEE Cat. No. 03EX798), Tokyo, Japan, 17 December 2003; pp. 299–302. [Google Scholar] [CrossRef]
- Xu, X. Research on Remote Calibration Technology Based on Virtual Instruments. Ph.D. Thesis, Northwestern Polytechnical University, Xi’an, China, 2006. [Google Scholar]
- Ouyang, H.; Ding, D.; Li, Y.; Wang, X. Research on Remote Calibration System Based on LabVIEW. J. Astronaut. Metrol. Meas. 2020, 40, 32–37. [Google Scholar]
- Albu, M.; Ferrero, A.; Mihai, F.; Salicone, S. Remote calibration using mobile, multiagent technology. IEEE Trans. Instrum. Meas. 2005, 54, 24–30. [Google Scholar] [CrossRef]
- Haur, Y.E.; Roziati, Z.; Rashid, Z.A.A. Internet-based calibration of measurement instruments. In Proceedings of the 2006 International Conference on Computing & Informatics, Kuala Lumpur, Malaysia, 6–8 June 2006; pp. 1–6. [Google Scholar] [CrossRef]
- Jebroni, Z.; Chadli, H.; Chadli, E.; Tidhaf, B. Remote calibration system of a smart electrical energy meter. J. Electr. Syst. 2017, 13, 806–823. [Google Scholar]
- Han, K.; Ding, C.; Yu, L.; Chen, Q. Application Study of NIMDO-Based Time and Frequency Remote Calibration. Metrol. Sci. Technol. 2021, 65, 9–12. [Google Scholar] [CrossRef]
- Fang, L.; Duan, S.; Li, Y.; Ma, X.; Lan, K. A New Model for Remote Calibration of Voltage Source Based on GPS Common-View Method. IEEE Trans. Instrum. Meas. 2023, 72, 1–9. [Google Scholar] [CrossRef]
- Zhao, N. Design and Implementation of a Field Virtual Instrument Control System for Remote Data Acquisition. Foreign Electron. Meas. Technol. 2018, 37, 130–134. [Google Scholar] [CrossRef]
- Uchida, S. Text Localization and Recognition in Images and Video. In Handbook of Document Image Processing and Recognition; Doermann, D., Tombre, K., Eds.; Springer: London, UK, 2014; pp. 843–883. [Google Scholar] [CrossRef]
- Ye, Q.; Doermann, D. Text Detection and Recognition in Imagery: A Survey. IEEE Trans. Pattern Anal. Mach. Intell. 2015, 37, 1480–1500. [Google Scholar] [CrossRef] [PubMed]
- Zhu, Y.; Yao, C.; Bai, X. Scene text detection and recognition: Recent advances and future trends. Front. Comput. Sci. 2016, 10, 19–36. [Google Scholar] [CrossRef]
- Shi, B.; Bai, X.; Yao, C. An End-to-End Trainable Neural Network for Image-Based Sequence Recognition and Its Application to Scene Text Recognition. IEEE Trans. Pattern Anal. Mach. Intell. 2017, 39, 2298–2304. [Google Scholar] [CrossRef] [PubMed]
- Djemouai, A.; Sawan, M.; Slamani, M. High performance integrated CMOS frequency-to-voltage converter. In Proceedings of the Tenth International Conference on Microelectronics (Cat. No.98EX186), Monastir, Tunisia, 16–16 December 1998; pp. 63–66. [Google Scholar] [CrossRef]
- Djemouai, A.; Sawan, M.; Slamani, M. New frequency-locked loop based on CMOS frequency-to-voltage converter: Design and implementation. IEEE Trans. Circuits Syst. II Analog Digital Signal Process. 2001, 48, 441–449. [Google Scholar] [CrossRef]
- Bui, H.T.; Savaria, Y. High-speed differential frequency-to-voltage converter. In Proceedings of the 3rd International IEEE-NEWCAS Conference, Quebec, QC, Canada, 22–22 June 2005; pp. 373–376. [Google Scholar] [CrossRef]
- Bui, H.T.; Savaria, Y. Design of a High-Speed Differential Frequency-to-Voltage Converter and Its Application in a 5-GHz Frequency-Locked Loop. IEEE Trans. Circuits Syst. I Regul. Pap. 2008, 55, 766–774. [Google Scholar] [CrossRef]
- Ding, X.; Wu, J.; Chen, C. A Fast Settling Frequency-to-Voltage Converter with Separate Voltage Tracing Technique for FLLs. In Proceedings of the 2021 18th International Conference on Electrical Engineering/Electronics, Computer, Telecommunications and Information Technology (ECTI-CON), Chiang Mai, Thailand, 19–22 May 2021; pp. 700–703. [Google Scholar] [CrossRef]
- Dong, Z.; Zhang, X.; Zhang, L.; Giannelos, S.; Strbac, G. Flexibility enhancement of urban energy systems through coordinated space heating aggregation of numerous buildings. Appl. Energy 2024, 374, 123971. [Google Scholar] [CrossRef]


















| Field Name | Type | Description |
|---|---|---|
| id | bigint | Auto-incremented primary key |
| username | varchar(255) | Username |
| password | varchar(255) | Password |
| varchar(255) | Email address | |
| role | varchar(255) | User role |
| Field Name | Type | Description |
|---|---|---|
| id | Long | ID |
| expName | String | Experiment name |
| expDesc | String (TEXT) | Experiment description |
| expStatus | String | Experiment status |
| expTime | String | Experiment time |
| expAddress | String | Experiment location |
| expContent | String (TEXT) | Experiment content |
| expProcessIndex | Long | Experiment process index |
| expInitiatorId | Long | Initiator ID |
| expOperatorIds | String | Operator IDs |
| monitorCameraId | Long | Monitoring camera ID |
| expDeviceIds | String | Experiment device IDs |
| ocrCaptureIds | String | OCR capture IDs |
| Output Voltage (V)/ Input Frequency (MHz) | Linearity (%) | Standard Source Voltage (V) | Standard Source Linearity (%) | Output Voltage (V)/ Input Frequency (MHz) | Linearity (%) | Standard Source Voltage (V) | Standard Source Linearity (%) |
|---|---|---|---|---|---|---|---|
| 0.15825/49.0 | −0.02181 | 0.15817 | 0.12878 | 0.18853/39.0 | −0.03298 | 0.18862 | −0.02660 |
| 0.15887/49.1 | −0.03492 | 0.15870 | −0.12973 | 0.18934/39.1 | 0.01844 | 0.18984 | 0.10899 |
| 0.15956/49.2 | −0.00600 | 0.15975 | −0.05794 | 0.19007/39.2 | 0.02803 | 0.19047 | −0.06737 |
| 0.16027/49.3 | 0.03362 | 0.16093 | 0.09420 | 0.19079/39.3 | 0.03083 | 0.19172 | 0.08272 |
| 0.16093/49.4 | 0.04046 | 0.16161 | −0.06610 | 0.19144/39.4 | −0.00281 | 0.19241 | −0.06042 |
| 0.16154/49.5 | 0.01471 | 0.16281 | 0.09656 | 0.19201/39.5 | −0.07758 | 0.19347 | −0.01036 |
| 0.16220/49.6 | 0.01832 | 0.16338 | −0.12928 | 0.19298/39.6 | 0.04322 | 0.19416 | −0.15155 |
| 0.16286/49.7 | 0.02028 | 0.16465 | 0.07446 | 0.19359/39.7 | −0.01525 | 0.19542 | 0.00103 |
| 0.16341/49.8 | −0.04707 | 0.16532 | −0.08790 | 0.19434/39.8 | −0.00665 | 0.19667 | 0.14694 |
| 0.16412/49.9 | −0.01759 | 0.16653 | 0.07700 | 0.19512/39.9 | 0.01474 | 0.19730 | −0.02335 |
| Output Voltage (V)/ Input Frequency (MHz) | Linearity (%) | Standard Source Voltage (V) | Standard Source Linearity (%) | Output Voltage (V)/ Input Frequency (MHz) | Linearity (%) | Standard Source Voltage (V) | Standard Source Linearity (%) |
|---|---|---|---|---|---|---|---|
| 1.5624/4.0 | 0.02923 | 1.5611 | 0.04604 | 1.9438/3.0 | 0.02624 | 1.9428 | 0.03899 |
| 1.5924/4.1 | −0.12658 | 1.5907 | 0.02367 | 1.9926/3.1 | −0.04483 | 1.9919 | −0.00271 |
| 1.6259/4.2 | −0.14740 | 1.6209 | 0.03917 | 2.0474/3.2 | 0.04711 | 2.0417 | −0.00805 |
| 1.6661/4.3 | 0.14166 | 1.6511 | 0.05410 | 2.1007/3.3 | −0.06733 | 2.0907 | −0.05141 |
| 1.7030/4.4 | 0.14047 | 1.6820 | 0.11017 | 2.1612/3.4 | 0.00898 | 2.1418 | 0.00538 |
| 1.7394/4.5 | 0.01890 | 1.7022 | −0.46146 | 2.2232/3.5 | −0.00033 | 2.1915 | −0.00434 |
| 1.7798/4.6 | 0.02633 | 1.7405 | 0.02685 | 2.2898/3.6 | 0.03085 | 2.2413 | −0.00917 |
| 1.8222/4.7 | 0.04026 | 1.7707 | 0.04099 | 2.3593/3.7 | 0.01516 | 2.2922 | 0.03425 |
| 1.8631/4.8 | −0.13055 | 1.8001 | 0.01020 | 2.4335/3.8 | 0.01373 | 2.3414 | 0.00316 |
| 1.9120/4.9 | 0.00638 | 1.8319 | 0.11157 | 2.5114/3.9 | −0.02984 | 2.3911 | −0.00571 |
| Role | Operating System | CPU | Memory |
|---|---|---|---|
| Server | Ubuntu 24.04 LTS ×86_64 | AMD Ryzen 7950X 16C32T | 39 GB |
| WAN Client | Windows 10 ×64 | Intel Core i5-12400F 6C12T | 16 GB |
| LAN Client | Windows 10 ×64 | Intel Core i5-12400F 6C12T | 16 GB |
| Endpoint | Description |
|---|---|
| /api/exp/get | Retrieve all experiments |
| /api/exp/device/get | Retrieve all experiment devices |
| /api/exp/device/get/dataModel | Retrieve all data models |
| /api/device/data/get/all | Retrieve all device data |
| /api/camera/get/register | Retrieve registered cameras |
| /api/exp/data/get | Retrieve experiment data |
| Concurrency | Avg. Response Time (ms) | Max. Response Time (ms) | Error Rate (%) | Throughput (Requests/sec) |
|---|---|---|---|---|
| 100 | 4 | 23 | 0.00 | 95 |
| 200 | 4 | 14 | 0.00 | 199 |
| 500 | 4 | 240 | 0.00 | 503 |
| 1000 | 13 | 1272 | 0.00 | 3058 |
| 2000 | 63 | 3022 | 0.00 | 2386 |
| 5000 | 880 | 23,132 | 1.90 | 1254 |
| 10,000 | 1955 | 53,399 | 11.40 | 1118 |
| Concurrency | Avg. Response Time (ms) | Max. Response Time (ms) | Error Rate (%) | Throughput (Requests/sec) |
|---|---|---|---|---|
| 100 | 1 | 5 | 0.00 | 100 |
| 200 | 1 | 5 | 0.00 | 201 |
| 500 | 1 | 6 | 0.00 | 505 |
| 1000 | 1 | 7 | 0.00 | 984 |
| 2000 | 1 | 12 | 0.00 | 992 |
| 5000 | 204 | 391 | 0.00 | 13,562 |
| 10,000 | 329 | 1460 | 0.00 | 12,104 |
| Concurrency | Avg. Response Time (ms) | Max. Response Time (ms) | Error Rate (%) | Throughput (Requests/sec) |
|---|---|---|---|---|
| 100 | 4 | 12 | 0.00 | 100.30 |
| 200 | 3 | 14 | 0.00 | 199.60 |
| 500 | 3 | 37 | 0.00 | 497.51 |
| 1000 | 11 | 150 | 0.00 | 886.52 |
| 2000 | 53 | 2349 | 0.00 | 2749.14 |
| 5000 | 517 | 8730 | 0.00 | 3243.59 |
| 10,000 | 1329 | 26,238 | 0.45 | 2020.47 |
| Concurrency | Avg. Response Time (ms) | Max. Response Time (ms) | Error Rate (%) | Throughput (Requests/sec) |
|---|---|---|---|---|
| 100 | 1 | 3 | 0.00 | 100.91 |
| 200 | 1 | 3 | 0.00 | 199.40 |
| 500 | 1 | 4 | 0.00 | 495.54 |
| 1000 | 0 | 6 | 0.00 | 986.19 |
| 2000 | 0 | 7 | 0.00 | 987.17 |
| 5000 | 61 | 1016 | 0.00 | 16,787.91 |
| 10,000 | 72 | 2115 | 0.00 | 22,123.89 |
Disclaimer/Publisher’s Note: The statements, opinions and data contained in all publications are solely those of the individual author(s) and contributor(s) and not of MDPI and/or the editor(s). MDPI and/or the editor(s) disclaim responsibility for any injury to people or property resulting from any ideas, methods, instructions or products referred to in the content. |
© 2025 by the authors. Licensee MDPI, Basel, Switzerland. This article is an open access article distributed under the terms and conditions of the Creative Commons Attribution (CC BY) license (https://creativecommons.org/licenses/by/4.0/).
Share and Cite
Wang, Q.; Fu, J.; Han, X.; Yin, X.; Zhang, J.; Qi, X.; Zhang, X. Design and Implementation of a Novel Intelligent Remote Calibration System Based on Edge Intelligence. Symmetry 2025, 17, 1434. https://doi.org/10.3390/sym17091434
Wang Q, Fu J, Han X, Yin X, Zhang J, Qi X, Zhang X. Design and Implementation of a Novel Intelligent Remote Calibration System Based on Edge Intelligence. Symmetry. 2025; 17(9):1434. https://doi.org/10.3390/sym17091434
Chicago/Turabian StyleWang, Quan, Jiliang Fu, Xia Han, Xiaodong Yin, Jun Zhang, Xin Qi, and Xuerui Zhang. 2025. "Design and Implementation of a Novel Intelligent Remote Calibration System Based on Edge Intelligence" Symmetry 17, no. 9: 1434. https://doi.org/10.3390/sym17091434
APA StyleWang, Q., Fu, J., Han, X., Yin, X., Zhang, J., Qi, X., & Zhang, X. (2025). Design and Implementation of a Novel Intelligent Remote Calibration System Based on Edge Intelligence. Symmetry, 17(9), 1434. https://doi.org/10.3390/sym17091434
