Evaluation of Symmetrical Face Pressure of EPB
Abstract
1. Introduction
2. Previous Studies
- 0 < N < 2—Low flowing elastic conditions;
- 2 < N < 4—Limited flowing;
- 4 < N < 6—Plastic flowing;
- N > 6—Serious stability problems on the face can be seen.
- Ground loss rate [21]
- Maximum settlement amount [22]
- The maximum slope of the settlement curve [18]
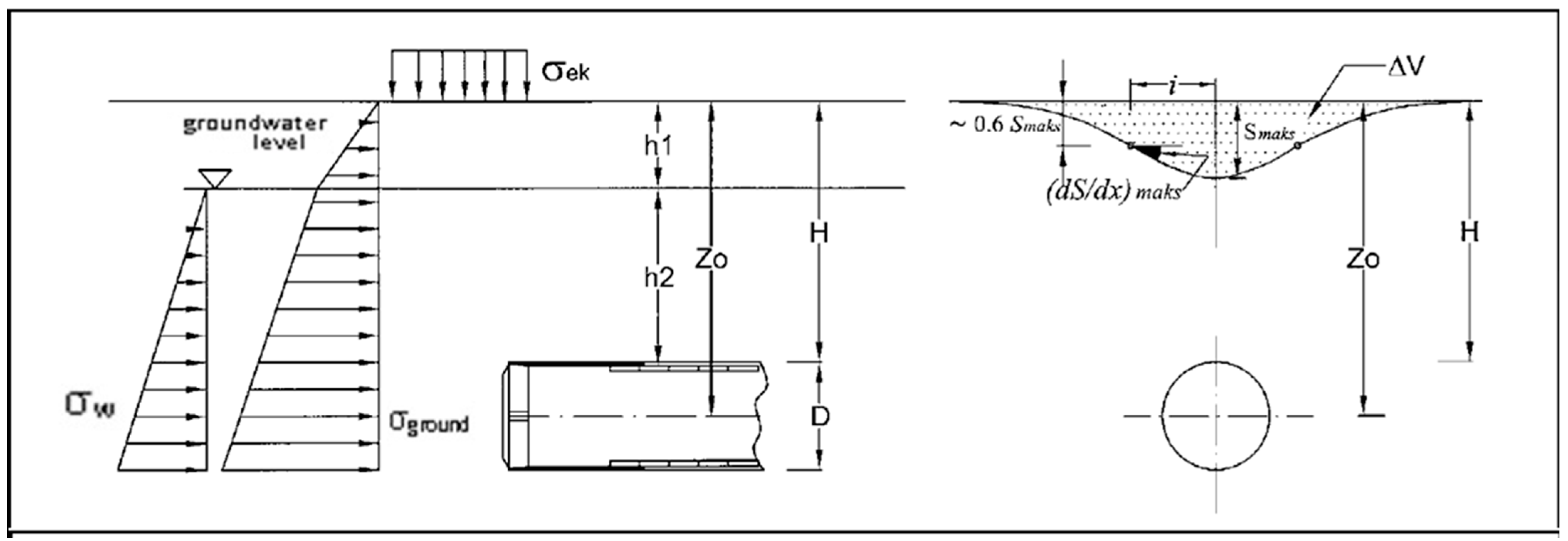
- = Tunnel face pressure;
- = Surcharge from building and traffic loads;
- = Water pressure;
- = Depth of the groundwater level from the surface;
- = Average unit weight of soil;
- = Depth of tunnel axis;
- = Cohesion of the excavated formation;
- = Modulus of elasticity of the excavated formation;
- = Settlement value measured on the surface in the tunnel axis;
- = Distance of inflection point from tunnel axis;
- , = Coefficients depending on the formation and the applied technology.
- G′, surcharge weight;
- V′ is the vertical force at the intermediate CDEF interface of the wedge-prism resulting from the effective force;
- Fx, Fz, Fz leakage forces, (Fy forces in the two opposite wedges will cancel each other, so the force in this direction is not taken into account);
- S′, normal force from the mud support in the tunnel face;
- N′, normal stress on the inclined sliding surface;
- T, shear force on inclined sliding surface.
- , effective support pressure at limit equilibrium;
- , tunnel diameter;
- , depth of cover layer (overburden);
- ∆h, h0-hf (where hf, piezometric head in the chamber and h0 elevation of the water table);
- c, cohesion;
- F0, F1, F2, and F3, parameters depending on the internal friction angle of the formation;
- , is the water-saturated unit volume weight of the soil.
3. Material and Methods
3.1. Study Area Location and Geological and Geotechnical Setting

3.2. Hydrogeological Studies
3.3. GPR Studies
3.4. Deformation Measurements with LIDAR
4. Empirical Development of the Face Pressure Formula
Verification of New Formula
5. Numerical Modeling Analysis with the Developed Formula
6. Conclusions
Author Contributions
Funding
Data Availability Statement
Acknowledgments
Conflicts of Interest
References
- Guglielmetti, V.; Grasso, P.; Mahtap, A.; Xu, S. Mechanized Tunnelling in Urban Areas Design Methodology and Construction Control; Taylor and Francis: Abingdon, UK, 22 October 2007. [Google Scholar]
- Ozacar, V. New methodology to prevent blasting damages for shallow tunnel. Geomech. Eng. 2018, 15, 1227–1236. [Google Scholar]
- Aksoy, C.O.; Safak, S.; Uyar, G.G.; Ozacar, V. A new mathematical approach for representing the deformation mechanism of rocks under constant load. Géotechnique Lett. 2018, 8, 80–90. [Google Scholar] [CrossRef]
- Chen, S.L.; Gui, M.W.; Yang, M.C. Applicability of the principle of superposition in estimating ground surface settlement of twin-and quadruple-tube tunnels. Tunn. Undergr. Space Technol. 2012, 28, 135–149. [Google Scholar] [CrossRef]
- Huang, X.; Huang, H.; Zhang, J. Flattening of jointed shield-driven tunnel induced by longitudinal differential settlements. Tunn. Undergr. Space Technol. 2012, 31, 20–32. [Google Scholar] [CrossRef]
- Avunduk, E.; Copur, H. Empirical modeling for predicting excavation performance of EPB TBM based on soil properties. Tunn. Undergr. Space Technol. 2018, 71, 340–353. [Google Scholar] [CrossRef]
- Bilgin, N.; Copur, H.; Balci, C. Mechanical Excavation in Mining and Civil Industries; CRC Press: Boca Raton, FL, USA, 2013. [Google Scholar]
- Copur, H.; Tuncdemir, H.; Bilgin, N.; Dincer, T. Specific energy as a criterion for the use of rapid excavation systems in Turkish mines. Min. Technol. 2001, 110, 149–157. [Google Scholar] [CrossRef]
- Herrenknecht, M.; Watts, D. EPB or slurry machine = the choice. Tunn. Ve Tunn. 1994, 26, 35–36. [Google Scholar]
- Herrenknecht, M.; Rehm, U. Mechanized full face tunneling. In Proceedings of the ITA/AITES-Training Course, World Tunnel Congress, Istanbul, Turkey, 7–12 May 2005. [Google Scholar]
- Lovat, R.P.; Eng, P. TBM design considerations: Selection of earth pressure balance or slurry pressure balance tunnel boring machines. In New Advanced Methods of Tunnel Engineering; TeE: Athens, Greece, 2007. [Google Scholar]
- Maidl, U.; Wingmann, J. Predicting the performance of earth pressure shields in loose rock. Geomech. Tunn. 2009, 2, 189–197. [Google Scholar] [CrossRef]
- Rehm, U. Big challenges in Turkey for mechanized tunneling. In Proceedings of the 2nd Underground Excavation Symposium for Transportation, İstanbul, Turkey, 15–17 October 2007; pp. 17–24. [Google Scholar]
- Xie, X.; Yang, Y.; Ji, M. Analysis of ground surface settlement induced by the construction of a large-diameter shield-driven tunnel in Shanghai, China. Tunn. Undergr. Space Technol. 2016, 51, 120–132. [Google Scholar] [CrossRef]
- Cinar, M.; Feridunoglu, C. Tunneling Machines (TBM). 2020. Available online: https://docplayer.biz.tr/2643897-Tunel-acma-makineleri-tbm.html (accessed on 12 April 2020). (In Turkish).
- Mahmoodzadeh, A.; Mohammadi, M.; Daraei, A.; Ali, H.F.H.; Al-Salihi, N.K.; Omer, R.M.D. Forecasting maximum surface settlement caused by urban tunneling. Autom. Constr. 2020, 120, 103375. [Google Scholar] [CrossRef]
- Skempton, A.W.; MacDonald, D.H. The allowable settlements of buildings. Proc. Inst. Civ. Eng. 1956, 5, 727–768. [Google Scholar] [CrossRef]
- Arioglu, B.; Yuksel, A.; Arioglu, E. Ground pressure balancing tunnel method (EPBM) application in Izmir metro Ummuhan main tunnel. In Proceedings of the 9th Soil Mechanics and Foundation Engineering Congress, Tokyo, Japan, 21–22 October 2002. (In Turkish). [Google Scholar]
- Broms, B.B.; Bennermark, H. Stability of clay at vertical opening. J. Soil Mech. Found. Div. 1967, 93, 71–94. [Google Scholar] [CrossRef]
- Peck, R.B. Deep excavations and tunneling in soft ground. In Proceedings of the 7th International Conference on Soil Mechanics and Foundation Engineering, Mexico City, Mexico, 25–29 August 1969; pp. 225–290. [Google Scholar]
- Mitchell, R.J. Earth mechanics in earth structures engineering. In Earth Structures Engineering; Springer: Dordrecht, The Netherlands, 1983; pp. 38–86. [Google Scholar]
- Schmidt, B. Settlements and Ground Movements Associated with Tunneling in Soil; University of Illinois at Urbana-Champaign: Champaign, IL, USA, 1969. [Google Scholar]
- Arioglu, E.; Arioglu, E.; Odbay, O. Estimation of the Parameters of Surface Strain Resulting from the Drilling of Shallow and Medium Deep Underground Engineering Structures. In Proceedings of the 4th Soil Mechanics and Foundation Engineering Congress, Istanbul, Turkey, 22–23 October 1992. (In Turkish). [Google Scholar]
- Anagnostou, G.; Kovári, K. Face stability conditions with earth-pressure-balanced shields. Tunn. Undergr. Space Technol. 1996, 11, 165–173. [Google Scholar] [CrossRef]
- Horn, M. Some Results of Six-Six Horizontal Fold Pressure Tests on the Face Safety of Tunnels. Presentations of the Deep Construction Industry Conference in Orszégos, Kdzlekedesi Dokumentacios Vallalatt, Budapest (in Hungarian), See Also Horizontal Earth Pressure on Vertical Faces of Tumuli. National Conference of the Hungarian Civil Engineering Industry, Budapest (in German), (German transalation, STUVA, Dtisseldorf). 1961. Available online: https://www.scribd.com/document/525179912/Anagnostou-G-Kovari-K-Face-stability-conditions-with-Earth-Pressure-Balance-Shields (accessed on 1 January 2024).
- Erdogan, B. Stratigraphic features and tectonic evolution of the Izmir-Ankara Zone in the region between İzmir and Seferihisar. TPDJ Newsl. 1990, 2, 1–20. (In Turkish) [Google Scholar]
- Boray, A.; Akat, U.; Akdeniz, N.; Akcoren, Z.; Caglayan, A.; Gunay, E.; Korkmazer, B.; Oztürk, E.M.; Sav, H. Some important problems along the southern edge of the Menderes Massif and their possible solutions. In Proceedings of the 50th Anniversary Earth Sciences Congress of the Republic, Ankara, Turkey, 17–19 December 1973; Volume 50, pp. 11–20. (In Turkish). [Google Scholar]
- Caglayan, A.; Ozturk, E.; Ozturk, Z.; Halit, S.; Umur, A. Findings and structural interpretation from the south of the Menderes Massif. J. Geol. Eng. 1980, 4, 9–18. (In Turkish) [Google Scholar]
- Konak, N.; Akdeniz, N.; Ozturk, E.M.; Doyuran, S. Geology of the south of Menderes Massif. IGCP Proj. 1987, 5, 42–53. [Google Scholar]
- Brinkmann, R. Mesozoic troughs and crustal structure in Anatolia. Geol. Soc. Am. Bull. 1972, 83, 819–826. [Google Scholar] [CrossRef]
- Ramazanoglu, I. Active Tectonics and Seismicity of Balcova District and Its Surroundings: Comparison of Geological and Seismological Data. Master’s Dissertation, Eylul University, İzmir, Turkey, 2008. (In Turkish). [Google Scholar]
- Inci, U.; Sozbilir, H.; Sumer, O.; Erkul, F. The reason for the earthquakes between Urla and Balikesir is a fossil fault. Repub. Sci. Tech. J. 2003, 21, 7–8. (In Turkish) [Google Scholar]
- Kaya, O. Stratigraphy and tectonics of the Middle East Aegean depression (Neogene). Bull. Turk. Geol. Inst. 1979, 22, 35–58. (In Turkish) [Google Scholar]
- Savascin, Y. Mineralogical and Geochemical Investigation and Origin Interpretation of Foca-Urla Neogene Volcanites. Doctoral Dissertation, Eylul University, İzmir, Turkey, 1978. (In Turkish). [Google Scholar]
- Sozbilir, H.; Kocer, T.; Demirtas, R.; Uzel, B.; Ersoy, Y.; Akgun, M.; Ozkaymak, C. Paleoseismological studies on Seferihisar-Yelki Fault Zone: Evidence for active normal faulting on strike-slip fault zone. In Proceedings of the 10th Meeting of Active Tectonics Research Group, Abstracts, İzmir, Turkey, 2–4 October 2006; pp. 76–77. (In Turkish). [Google Scholar]
- Plaxis 3D Tutorial. 2020. Available online: https://communities.bentley.com/cfs-file/__key/communityserver-wikis-components-files/00-00-00-05-58/3513.PLAXIS3DCE_2D00_V20.02_2D00_1_2D00_Tutorial.pdf (accessed on 1 January 2024).
- Alejano, L.R.; Gui, J.Y.; González-Fernández, M.A.; Pérez-Rey, I.; Muñiz, M. Toppling of a rock block resting on a rough surface. In IOP Conference Series: Earth and Environmental Science; IOP Publishing: Helsinki, Finland, 2023; Volume 1124, No. 1; p. 012054. [Google Scholar]














| Drilling No. | RMR Rating | RMR Rock Class | GSI Rock Identification |
|---|---|---|---|
| YSK-1 | 29 | Weak Rock | Blocky/Disturbed |
| YSK-1 | 29 | Weak Rock | Laminated/Foliated/Sheared |
| YSK-1 | 49 | Medium Rock | Very Blocky |
| YSK-2 | 42 | Medium Rock | Blocky/Disturbed |
| YSK-2 | 29 | Weak Rock | Laminated/Foliated/Sheared |
| YSK-3 | 29 | Weak Rock | Laminated/Foliated/Sheared |
| YSK-3 | 37 | Weak Rock | Laminated/Foliated/Sheared |
| YSK-4 | 29 | Weak Rock | Laminated/Foliated/Sheared |
| YSK-6 | 29 | Weak Rock | Laminated/Foliated/Sheared |
| YSK-6 | 26 | Weak Rock | Laminated/Foliated/Sheared |
| YSK-7 | 32 | Weak Rock | Blocky/Disturbed |
| YSK-8 | 32 | Weak Rock | Laminated/Foliated/Sheared |
| YSK-9 | 32 | Weak Rock | Laminated/Foliated/Sheared |
| YSK-10 | 30 | Weak Rock | Laminated/Foliated/Sheared |
| YSK-12 | 30 | Weak Rock | Laminated/Foliated/Sheared |
| YSK-14 | 30 | Weak Rock | Laminated/Foliated/Sheared |
| YSK-15 | 32 | Weak Rock | Laminated/Foliated/Sheared |
| YSK-15 | 37 | Weak Rock | Laminated/Foliated/Sheared |
| YSK-16 | 32 | Weak Rock | Laminated/Foliated/Sheared |
| YSK-16 | 32 | Weak Rock | Blocky/Disturbed |
| YSK-16 | 32 | Weak Rock | Laminated/Foliated/Sheared |
| YSK-17 | 25 | Weak Rock | Laminated/Foliated/Sheared |
| YSK-17 | 54 | Medium Rock | Blocky/Disturbed |
| YSK-18 | 32 | Weak Rock | Blocky/Disturbed |
| YSK-18 | 34 | Weak Rock | Blocky/Disturbed |
| YSK-19 | 44 | Medium Rock | Blocky/Disturbed |
| YSK-19 | 34 | Weak Rock | Laminated/Foliated/Sheared |
| YSK-20 | 44 | Medium Rock | Blocky/Disturbed |
| YSK-20 | 34 | Weak Rock | Laminated/Foliated/Sheared |
| YSK-22 | 29 | Weak Rock | Laminated/Foliated/Sheared |
| YSK-22 | 32 | Weak Rock | Blocky/Disturbed |
| YSK-23 | 32 | Weak Rock | Laminated/Foliated/Sheared |
| Bornova Melange (LU) | Alluvium (cm/s) | |
|---|---|---|
| Min. | 1.73 | 9.16 × 10−5 |
| Max. | 7.60 | 1.14 × 10−3 |
| Average | 3.91 | 4.66 × 10−4 |
| Measurement No. | Date |
|---|---|
| 1 | December 2020–January 2021 |
| 2 | May 2021–June 2021 |
| 3 | November 2021–December 2021 |
| Rock Type | Unit Volume Weight (kN/m3) | Deformation Modulus (kN/m2) | Poisson’s Ratio | Internal Friction Angle (°) | Cohesion (kPa) |
|---|---|---|---|---|---|
| Aluvion | 20 | 125,000 | 0.34 | 27 | 20 |
| Bornova Melenge | 24 | 214,000 | 0.3 | 34 | 47 |
| Material | Unit Volume Weight (kN/m3) | Deformation Modulus (kN/m2) | Poisson’s Ratio | Thickness (m) |
|---|---|---|---|---|
| Concrete | 27 | 31,000,000 | 0.15 | 0.25 |
| Plate (for basement of constructions) | 50 | 30,000,000 | 0.15 | 0.3 |
| Plate (for rest of the constructions) | 33.3 | 30,000,000 | 0.15 | 0.25 |
Disclaimer/Publisher’s Note: The statements, opinions and data contained in all publications are solely those of the individual author(s) and contributor(s) and not of MDPI and/or the editor(s). MDPI and/or the editor(s) disclaim responsibility for any injury to people or property resulting from any ideas, methods, instructions or products referred to in the content. |
© 2024 by the authors. Licensee MDPI, Basel, Switzerland. This article is an open access article distributed under the terms and conditions of the Creative Commons Attribution (CC BY) license (https://creativecommons.org/licenses/by/4.0/).
Share and Cite
Yaman, H.E.; Aksoy, C.O. Evaluation of Symmetrical Face Pressure of EPB. Symmetry 2024, 16, 484. https://doi.org/10.3390/sym16040484
Yaman HE, Aksoy CO. Evaluation of Symmetrical Face Pressure of EPB. Symmetry. 2024; 16(4):484. https://doi.org/10.3390/sym16040484
Chicago/Turabian StyleYaman, Hasan Eray, and Cemalettin Okay Aksoy. 2024. "Evaluation of Symmetrical Face Pressure of EPB" Symmetry 16, no. 4: 484. https://doi.org/10.3390/sym16040484
APA StyleYaman, H. E., & Aksoy, C. O. (2024). Evaluation of Symmetrical Face Pressure of EPB. Symmetry, 16(4), 484. https://doi.org/10.3390/sym16040484

