Abstract
A Neutral Point Clamped (NPC) type three-level inverter has the advantages of a low switch voltage and a high-quality output waveform. However, there are inherent problems, such as neutral point potential asymmetry and common mode interferences, which easily affect the symmetry of the three-phase output voltage and the safe operation of the inverter. Firstly, according to the different modulation degrees, the fluctuation of midpoint potential can be suppressed by adding an action time correction factor to the traditional space vector pulse-width (SVPWM) modulation strategy and virtual space vector pulse-width (VSVPWM) modulation strategy, respectively. Secondly, considering the suppression of common mode voltage, a new virtual space vector pulse-width (NVSVPWM) modulation strategy is proposed, which uses a set of new vector synthesis methods. Finally, the simulation and experiment prove that the NVSVPWM strategy with an action time correction factor can suppress the fluctuation of the neutral point potential and common mode voltage at the same time, and the effect is significant.
1. Introduction
NPC three-level inverters have been widely used in the field of high-voltage and large-capacity industrial applications. However, they have some inherent problems, such as neutral point potential asymmetry and common-mode interference, which affect the safe and reliable operation of the electrical drive system and power grid [1,2,3]. Some methods propose adding an auxiliary circuit into the main circuit, which can control the DC side capacitor and realize symmetrical control of the neutral point potential [4,5,6]. However, these methods require additional power switching devices, which reduces the reliability of the system and increases the manufacturing cost; therefore, it is not likely to be popularized.
In addition to the modification of the topology, current research mainly focuses on modulation strategies. When using the space vector pulse width modulation (SVPWM) strategy, a method of adding an action time correction factor has been proposed [7,8,9]. In this way, the seven-segment vector sequence contains at least one pair of positive and negative small vectors. By detecting the voltage difference between the upper and lower capacitors on the DC side and the neutral point current corresponding to the different action vectors, a correction factor is calculated and added to change the action time of positive and negative small vectors; then, the neutral point potential can drop to zero. In another method named “One Large One Medium Vector (OLOM)”, a large vector, a medium vector and a zero vector are used to synthesize the reference output voltage vector in each small sector [10,11,12]. Because the large vector is used, the OLOM method has the same maximum DC bus voltage utilization as the nearest three vector (NTV) method, and the amplitude of common-mode voltage can be reduced to one-sixth of the original. However, the average neutral point current corresponding to the medium vector in a switching cycle is not zero. This method does not have the ability to realize the symmetry of the neutral point potential [13,14]. All in all, most of the current research focuses on neutral point potential symmetry or common mode voltage suppression, but there is relatively little research on the coordination suppression of the above two problems. Ref. [15] proposes a new phase opposition disposition (POD) modulation method, which selects different zero-sequence components to inject into different small sectors. However, when the modulation degree is small, the inhibition effect of this method on neutral point potential fluctuation is not obvious. Referring to the VSVPWM strategy [16], a novel virtual space vector pulse width (NVSVPWM) modulation strategy is proposed in this paper. Combined with the method of adding an action time correction factor, it can control the neutral point potential and the common mode voltage cooperatively.
The remainder of this paper is organized as follows. Section 2 briefly introduces the reasons for neutral point potential fluctuation and common mode voltage generation. Section 3 presents the modulation strategy for neutral point potential symmetry, including SVPWM and VSVPWM, with the action time correction factor added, respectively. Section 4 introduces in detail the coordination suppression strategy for the neutral point potential and common mode voltage, including a new virtual space vector pulse-width modulation (NVSVPWM) strategy with an action time correction factor added. In Section 5, the simulation results are analyzed. In Section 6, an analysis of the experimental results is given. The conclusions are given in Section 7.
2. The Reasons for Neutral Point Potential Fluctuation and Common Mode Voltage Generation
2.1. Neutral Point Potential Asymmetry
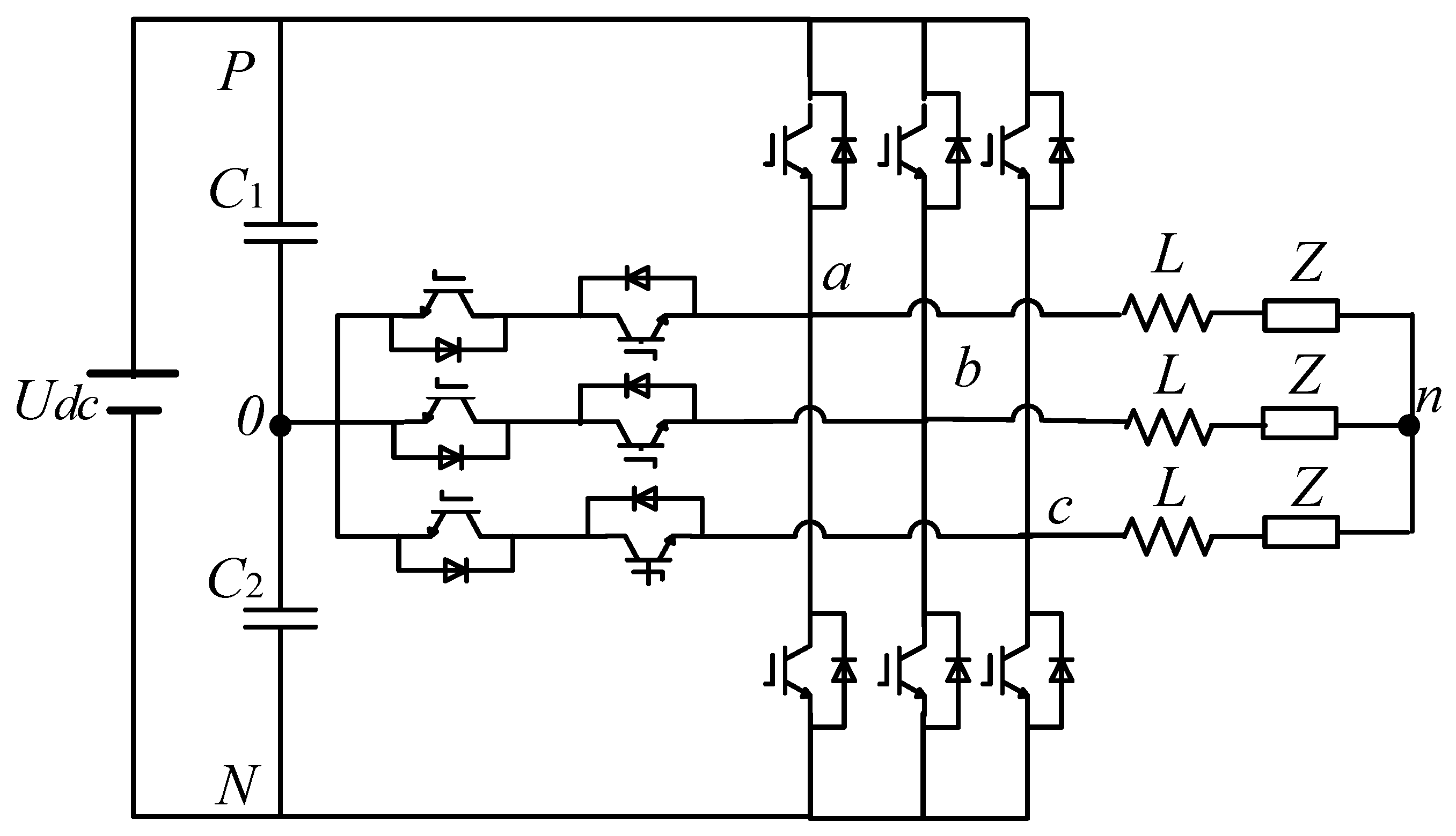
This paper analyzes the T-type three-level inverter widely used at present as an example, as shown in Figure 1. On the one hand, the upper and lower capacitors C1 and C2 of the DC side cannot be exactly the same, as this will result in uneven voltage distribution; on the other hand, different control strategies will make the current flow into (out of) the neutral point. These will cause neutral point potential asymmetry and produce low-frequency harmonics in the output voltage, which will lead to waveform deterioration and affect the switching devices and capacitors in the long run.
Figure 1.
Main circuit of NPC three-level inverter.
2.2. Common Mode Voltage
The so-called common mode voltage (CMV) refers to the voltage between the neutral point of the load and the midpoint of the DC side. Its calculation formula is as follows:
In the SVPWM control strategy, the common mode voltages corresponding to 27 different space vectors are shown in Table 1.
Table 1.
Space vectors vs. CMV.
The common mode voltage will not only damage the motor and other loads, but also cause common mode interference, which will affect the power quality of the power grid and the normal operation of other electrical equipment.
3. Control Strategy for Neutral Point Potential Symmetry
3.1. SVPWM with Adding a Time-of-Action Correction Factor
When the SVPWM control strategy is adopted, the direction of outflow is assumed to be the positive direction of the neutral point current inp. Taking medium vector PON as an example, the circuit is shown in Figure 2a, and it can be seen that the corresponding neutral point current is ib. Taking a pair of positive and negative small vectors, ONN and POO, as an example, as shown in Figure 2b,c, the corresponding neutral point currents are ia and −ia.
Figure 2.
Neutral point current corresponding to medium vector or small vector. (a) PON (b) ONN (c) POO.
As mentioned above, different space vectors have different effects on the neutral point potential. The influence of the medium vector on the neutral point potential cannot be changed, while the influence of positive and negative small vectors on the neutral point potential is the opposite. Therefore, the neutral point potential can be reduced to zero by properly selecting the action time of positive and negative small vectors [17,18]. First, take the No. 5 small sector of the large sector I as an example, as shown in Figure 3.
Figure 3.
Small Sector Division of Large Sector I in SVPWM.
For the process of synthesizing the reference voltage vector Vref, the generating sequence of the seven-segment vector, the corresponding neutral point current and the action time after adding the correction factor k are shown in Table 2.
Table 2.
Vector allocation table of I-5 sector in SVPWM.
According to the principle of volt second balance, the action time of three space vectors (T1, T2 and T3) and the corresponding neutral point current (inp1, inp2 and inp3) can be calculated, respectively. It is assumed that the upper and lower capacitances C1 and C2 of the DC side are equal. In a modulation period, the three-phase current remains unchanged, and the charge flowing out of the neutral point is exactly the charge difference between the upper and lower capacitors of the DC side. According to the above conditions, the time-of-action correction factor k can be calculated, as shown in formula (2):
where is the voltage difference between the upper and lower capacitances of the DC side.
Considering that the action time of positive and negative small vectors cannot be negative, the following constraints are added:
For the SVPWM control strategy with a time-of-action correction factor, the algorithm is relatively simple and does not need to re-divide the sectors. However, when the modulation degree is high, the positive and negative small vectors contribute less to the synthesis of reference output voltage vectors, and the control of neutral point potential symmetry is also relatively weakened.
3.2. VSVPWM with Adding Time-of-Action Correction Factor
The VSVPWM is used to synthesize a medium vector and two adjacent small vectors into a new vector, which is called a “Virtual Medium Vector”. Zero, small, and large vectors have similarly corresponding new virtual vectors. The large sector I is still illustrated, as shown in Figure 4.
Figure 4.
Small Sector Division of Large Sector I in VSVPWM.
The medium vector PON and two adjacent small vectors (PPO and ONN) are used to synthesize a new virtual medium vector according to the action time ratio of 1:1:1; two pairs of positive and negative small vectors (POO and ONN, PPO and OON) are used to synthesize two new virtual small vectors according to the same action time; large vectors (PPN and PNN) and zero vectors (PPP, OOO and NNN) are retained as virtual large vectors and virtual zero vectors, respectively. The results are as follows:
According to the analysis in Section 3.1, the average neutral point current is zero with the VSVPWM strategy, which will not affect the neutral point potential. However, the VSVPWM strategy cannot control the initial offset of the neutral point potential. Figure 4 presents that there is at least one pair of positive and negative small vectors in the other four small sectors, except small Sector 5. For these reasons, this paper combines the method of adding a time-of-action correction factor to the VSVPWM strategy. According to the potential difference between the two capacitors detected and the neutral point current, the action time of positive and negative small vectors are changed accordingly so as to realize the symmetry of the neutral point potential.
Taking the No.1 small sector shown in Figure 4 as an example, the generating sequence of the nine-segment vectors, the corresponding neutral point current and the action time after adding the correction factor k are shown in Table 3.
Table 3.
I-1 sector nine-segment vector allocation table in VSVPWM.
According to the method described in Section 3.1, the action time correction factor k of the No.1 small sector is derived as follows:
No matter how the modulation degree m changes, the VSVPWM strategy with a time-of-action correction factor will have a good symmetric effect on the neutral point potential, but sectors need to be re-divided in the process. Because of the nine-segment vector, the power-switching device operates more frequently, and the switch loss is also increased accordingly.
4. Coordination Suppression Strategy for Neutral Point Potential and Common Mode Voltage
The analysis in Section 3.2 shows that the VSVPWM control strategy with a time-of-action correction factor can effectively control the fluctuation of the neutral point potential. On this basis, a new virtual space vector control strategy (NVSVPWM) is proposed to simultaneously control the neutral point potential and common-mode voltage.
4.1. Synthesis of New Virtual Space Vectors
Adhering to the principle that the neutral point potential can be balanced and the common mode voltage can be suppressed at the same time, a batch of space vectors is selected to synthesize new virtual space vectors. The large sector I is still an example, as shown in Figure 5.
Figure 5.
Division of Sector in NVSVPWM.
The new virtual vector synthesis method is as follows:
(1) The new virtual zero vector
As shown in Table 1, only OOO is selected as the new virtual zero vector because PPP and NNN will produce a common mode voltage:
(2) The new virtual small vector
Small vectors may control the fluctuation of the neutral point potential only when they appear in pairs, but positive small vectors will produce a large common-mode voltage. Therefore, small vectors are abandoned, and large vectors with intervals are used to synthesize new virtual small vectors with a 1:1 ratio:
When the above new virtual small vector acts, the corresponding neutral point current is 0, and the common mode voltage value is reduced to Udc/6. Compared with the VSVPWM strategy, the effect of the virtual small vector on the neutral point potential symmetry and common mode voltage suppression is further enhanced.
(3) The new virtual medium vector
The medium vector does not produce a common mode voltage, but it can cause neutral point potential fluctuations. In this paper, a new virtual medium vector is synthesized with an original medium vector and its adjacent medium vectors in a ratio of 1:1:1.
When a new virtual medium vector is used, the average neutral point current is zero, which will not cause neutral point potential fluctuation and generate the common mode voltage.
(4) The new virtual large vector
Large vectors do not affect the neutral point potential, and the resulting common mode voltage value is small, at only Udc/6. In addition, the large vector is located on the outermost side of the whole vector diagram, which determines the maximum output voltage. In order to keep the utilization ratio of the DC bus voltage constant, the new virtual large vector still uses the original large vector, which is as follows:
4.2. NVSVPWM with Adding Time-of-Action Correction Factor
As mentioned above, the average neutral point current corresponding to the new virtual space vector is zero, which does not cause fluctuation of the neutral point potential. To further resolve the initial offset of the neutral point potential, the NVSVPWM is still used by adding a time-of-action correction factor k. That is, the action time of three original medium vectors is adjusted to balance the neutral point potential. The synthesis process is as follows:
It can be seen from formula (6) that adding a time-of-action correction factor k has no effect on the size and direction of the new virtual medium vector. The following analysis takes small sector No.3 in the large sector I as an example, as shown in Figure 6. The generating sequence of the vectors, the corresponding neutral point current and the action time after adding the correction factor k are shown in Table 4.
Figure 6.
Small Sector Division of Large Sector I in NVSVPWM.
Table 4.
I-3 sector nine-segment vector allocation table in NVSVPWM.
The action time correction factor k is different in every small sector in VSVPWM. By contrast, the action time factor k, which corresponds to the two diagonal large sectors in the NVSVPWM, is the same (as shown in Table 5), which greatly reduces the amount of calculation for the program.
Table 5.
Large sector vs. k in NVSVPWM.
5. Simulation Results Analysis
The NPC three-level inverter model is built in Simulink, and the different control strategies mentioned above are used. The simulation parameters are set as follows: DC bus voltage Udc = 600 V, DC Bus capacitance C1 = C2 = 470 F, switching frequency f = 10 kHz, sampling time T = 0.1 ms, inverter output voltage frequency f = 50 Hz, filter inductance L = 10 mH, three-phase symmetrical resistance load R = 15Ω.
5.1. Simulation Analysis of Neutral Point Potential Symmetric Control
For the SVPWM strategy, the waveform of the output line voltage, phase voltage and neutral point potential is shown in Figure 7.
Figure 7.
Simulation waveform of SVPWM.
It can be seen from Figure 7 that the SVPWM strategy will cause neutral point potential fluctuations with different modulation degrees, and the voltage difference between the upper and lower capacitors on the DC side will exceed 15 V, which cannot be ignored for the output voltage.
According to Section 3.1, the neutral point potential waveforms of the SVPWM strategy with the time-of-action correction factor are shown in Figure 8.
Figure 8.
Neutral voltage waveform of SVPWM with time correction factor.
Compared with Figure 7 and Figure 8, it can be seen that the SVPWM strategy with a time-of-action correction factor can limit the fluctuation range of the neutral point potential to ±2 V, and the symmetric effect is obvious. From Figure 8a,b, the neutral point potential with the high modulation degree (m = 0.9) has greater fluctuation than that with a low modulation degree (m = 0.51), and the spike is more serious. The control effect is not ideal because the proportion of positive and negative small vectors in the synthesizing vector is reduced for the former.
The neutral point potential waveforms of the VSVPWM modulation strategy with a time-of-action correction factor are shown in Figure 9.
Figure 9.
Neutral voltage waveform of VSVPWM with time-of-action correction factor.
Compared with Figure 8 and Figure 9, it can be seen that the VSVPWM strategy with a time-of-action correction factor has a better balance and control effect on the neutral point potential than the SVPWM modulation. No matter whether the modulation degree is high (m = 0.9) or low (m = 0.51), the fluctuation is obviously weakened. However, the VSVPWM strategy needs nine-segment wave generation, which has many problems, such as high operation frequency and high loss of power switching devices.
This paper takes the modulation degree as the criterion, as shown in Figure 3. When m ≥ 0.577, the reference voltage vector will pass through the 5th, 3rd, 4th and 6th sectors in turn, and the positive and negative small vectors will almost not participate in the synthesis of the reference voltage vectors and have no obvious effect on improving the neutral point potential. In this case, the VSVPWM strategy with a time-of-action correction factor can be adopted. However, when m < 0.577, the symmetrical effect of the positive and negative small vectors on the neutral point potential begins to appear. The SVPWM strategy with a time-of-action correction factor can be used to avoid excessive switching loss caused by the VSVPWM strategy. The combination of different modulation strategies to make them complementary to each other has a valuable symmetrical effect on the neutral point potential.
5.2. Simulation Analysis of Coordination Control Strategy
For the NVSVPWM strategy proposed in this paper, the waveform of the output voltage and neutral point potential is shown in Figure 10.

Figure 10.
Simulation waveform of NVSVPWM.
Compared with Figure 9 and Figure 10, it can be seen that when using the NVSVPWM coordination control strategy, the fluctuation range of the neutral point potential is further limited within 1 V, and the symmetrical effect becomes more obvious.
Assuming that the voltage values of the two capacitors on the DC side are set to 305 V and 295 V, respectively, at the initial moment, the neutral point potential has an offset of 10 V, and the neutral point potential waveform of the NVSVPWM is shown in Figure 11.
Figure 11.
Simulation waveform of the neutral point potential when the initial offset is 10 V.
As can be seen from Figure 11, the NVSVPWM with a time-of-action correction factor can realize the symmetrical control of the neutral point potential in about 0.03 s.
The common mode voltage waveforms of the three different modulation strategies mentioned above are shown in Figure 12.

Figure 12.
CMV waveform with different modulation strategies.
From Figure 12, it can be seen that the common mode voltage will fluctuate between ±200 V and ±100 V under the SVPWM strategy, with a time-of-action correction factor. When using the VSVPWM strategy with a time-of-action correction factor, the common mode voltage is limited to ±200 V, and there is almost no change. Using the proposed NVSVPWM coordination control strategy, the amplitude of the common-mode voltage is further reduced to ±100 V.
In summary, the coordination control strategy proposed in this paper can control the neutral point potential and common mode voltage simultaneously, and the control effect is remarkable.
6. Experimental Result
In order to further verify the effectiveness of the proposed coordination control strategy, a T-type three-level inverter system with DSP (TMS320F28335) as the controller is built. The power switch IGBT is F3L75R12W1H3_B27, as shown in Figure 13. The DC bus voltage is set to 150 V with a high-voltage DC power supply, and other parameters are consistent with the simulation settings.
Figure 13.
T-type there-level inverter control system.
Figure 14, Figure 15 and Figure 16 are the experimental waveforms of the neutral point potential and the common mode voltage of the SVPWM, VSVPWM and NVSVPWM strategies with an added time-of-action correction factor (m = 0.9).
Figure 14.
Experimental waveform under SVPWM with time correction factor.
Figure 15.
Experimental waveform under VSVPWM with time correction factor.
Figure 16.
Experimental waveform under NVSVPWM with time correction factor.
It can be seen from Figure 14a, Figure 15a and Figure 16a that the SVPWM, VSVPWM and NVSVPWM strategies with correction factors can control the neutral point potential within ±0.5 V without offset. It can be seen from Figure 14b, Figure 15b and Figure 16b that the common mode voltage amplitude of the SVPWM and VSVPWM strategies with correction factors is ±(1/3)Udc = ±50 V, while the NVSVPWM coordination control strategy can limit the common mode voltage to ±(1/6)Udc = ±25 V, effectively suppressing the common mode voltage of the inverter.
Figure 17 is an experimental waveform of the NVSVPWM coordination control strategy with a modulation degree of 0.5.
Figure 17.
Experimental waveform under NVSVPWM with time correction factor (m = 0.5).
It can be seen from Figure 17 that under a low modulation degree, the NVSVPWM coordination control strategy can still limit the fluctuation range of the neutral point potential within ±0.5 V and the common mode voltage within ±(1/6)Udc = ±25 V.
Although the experimental results are not completely consistent with the simulation results due to the limitations of hardware conditions and measurement errors, the coordination control strategy proposed in this paper can realize the control of the neutral point potential and the common mode voltage at the same time, and the control effect is obvious.
7. Conclusions
The cooperative control of the neutral point potential and common mode voltage of the NPC three-level inverter is mainly studied. The SVPWM strategy with a time-of-action correction factor is adopted at the low modulation degree, while the VSVPWM modulation strategy with a time-of-action correction factor is adopted in the high modulation degree. The two modulation strategies complement each other to realize the effective control of the neutral point potential.
On the basis of the above research, adhering to the principle of balancing neutral point potential and suppressing common mode voltage at the same time, this paper selects some original space vectors to synthesize a new virtual space vector, which is called the “NVSVPWM” control strategy:
(1) OOO is reserved as the new virtual zero vector;
(2) Two adjacent large vectors are used to synthesize new virtual small vectors in a 1:1 ratio;
(3) A new virtual medium vector is synthesized from an original medium vector and its adjacent medium vectors in a ratio of 1:1:1;
(4) The original large vector is still used as the new virtual large vector.
The above method can realize symmetrical control of the neutral point potential and suppress common mode voltage to the greatest extent when the utilization ratio of the DC bus voltage is unchanged. The simulation results also show that the proposed NVSVPWM cooperative control strategy can effectively reduce the neutral point potential and common mode voltage of NPC-type three-level inverters at the same time to achieve initiative balance and suppression.
Author Contributions
Conceptualization, L.D. and H.H.; methodology, L.D.; software, Z.Z.; validation, Y.M. and Z.Z.; formal analysis, Z.Z.; investigation, Y.M.; resources, R.Z. and W.M.; data curation, Y.M.; writing—original draft preparation, L.D.; writing—review and editing, H.H.; visualization, Z.Z.; supervision, R.Z.; project administration, H.H.; funding acquisition, H.H. All authors have read and agreed to the published version of the manuscript.
Funding
This research was funded by an innovation fund project for graduate students at China University of Petroleum (East China) (No. CXJJ-2022-10).
Institutional Review Board Statement
Not applicable.
Informed Consent Statement
Not applicable.
Data Availability Statement
Not applicable.
Conflicts of Interest
The authors declare no conflict of interest.
References
- Peng, H.; Yuan, Z.; Zhao, X.; Narayanasamy, B.; Deshpande, A.; Emon, A.I.; Luo, F.; Chen, C. Improved space vector modulation for neutral-point balancing control in hybrid-switch-based T-type neutral-point-clamped inverters with loss and common-mode voltage reduction. CPSS Trans. Power Electron. Appl. 2019, 4, 328–337. [Google Scholar] [CrossRef]
- Ye, Z.; Xu, Y.; Wu, X.; Tan, G.; Deng, X.; Wang, Z. A simplified PWM strategy for a neutral-point-clamped (NPC) three-level converter with unbalanced DC links. IEEE Trans. Power Electron. 2015, 31, 3227–3238. [Google Scholar] [CrossRef]
- Chen, T.; Fu, P.; Chen, X.; Huang, L.; Dou, S.; Zhang, X.; Wang, Z. Novel Low-Frequency Virtual Space Vector Modulation with the Improved Continuity of Output Average-Voltage and Bus Voltage Utilization for Single-Phase Neutral Point Clamped Three-Level Inverter. IEEE J. Emerg. Sel. Top. Power Electron. 2022, 10, 2290–2304. [Google Scholar] [CrossRef]
- Hu, H.H.; Ma, W.Z.; Dong, L. Three-dimensional SVPWM control strategy for suppressing common-mode voltage of three-phase four-bridge inverter. Autom. Electr. Power Syst. 2018, 42, 122–126. [Google Scholar]
- Dong, Z.; Wang, C.; Cui, K.; Cheng, Q.; Wang, J. Neutral-Point Voltage-Balancing Strategies of NPC-Inverter Fed Dual Three-Phase AC Motors. IEEE Trans. Power Electron. 2020, 36, 3181–3191. [Google Scholar] [CrossRef]
- Pan, L.; Zhang, J.; Zhang, J.; Wang, K.; Pang, Y.; Wang, B. A New Three-Level Neutral-Point-Clamped Fifteen-Switch Inverter for Independent Control of Two Three-Phase Loads. IEEE J. Emerg. Sel. Top. Power Electron. 2019, 8, 2870–2885. [Google Scholar] [CrossRef]
- Jiang, W.D.; Yang, B.W.; Huang, J.; She, Y. Comparisons of the Neutral Point Voltage Balancing Algorithm for NPC Three-level Inverters Based on Different Zero-sequence Voltage Injection. Proc. CSEE 2013, 33, 17–25. [Google Scholar]
- Wu, X.; Tan, G.; Ye, Z.; Yao, G.; Liu, Z.; Liu, G. Virtual-Space-Vector PWM for a Three-Level Neutral-Point-Clamped Inverter with Unbalanced DC-Links. IEEE Trans. Power Electron. 2018, 33, 2630–2642. [Google Scholar] [CrossRef]
- Wang, Q.D.; Chang, T.Q.; Li, F.Z.; Yan, Z.F.; Chen, J.W. Common mode interference and common mode voltage suppression algorithm of t-shaped inverter. Trans. China Electrotech. Soc. 2016, 31, 159–168. [Google Scholar]
- Zeng, J.; Yang, L.; Huang, J.C.; Huang, Z.; Li, Z.; Huang, Y.; Yang, B.; Yu, T. Discontinuous modulation of three-level inverter based on dynamic space vector. Trans. China Electrotech. Soc. 2019, 34, 377–386. [Google Scholar]
- Cheng, D.; Wang, X.; Zhu, T.; Ma, W. A neutral-point potential balance control strategy for three-level inverter based on VSVPWM. J. Meas. Sci. Instrum. 2018, 9, 397–404. Available online: http://en.cnki.com.cn/Article_en/CJFDTotal-CSKX201804014.htm (accessed on 1 August 2022).
- Xu, X.; Ma, B.; Wang, K.; Yang, B.; Zheng, Z.; Li, Y. Common Mode Voltage and Neutral Point Potential Optimization Control for a Three-Level NPC Inverter. In Proceedings of the International Conference on Electrical Machines and Systems (ICEMS), Harbin, China, 11–14 August 2019. [Google Scholar]
- Zhang, J.; Zhang, B.; Wang, L. Neutral point potential control of three-level NPC inverter based on double balance factor. In Proceedings of the Asia Conference on Power and Electrical Engineering (ACPEE), Hangzhou, China, 15–17 April 2022. [Google Scholar]
- Zhu, W.; Hou, S.; Xie, Z.; Tang, Z. Four-Space-Vector Pulse Width Modulation for Neutral-Point-Clamped Three-Level Inverter. In Proceedings of the Asia Conference on Power and Electrical Engineering (ACPEE), Chengdu, China, 4–7 June 2020. [Google Scholar]
- Wang, P.; Qi, Y.; Zhang, Y. Co-inhibition Method of Common Mode Voltage and Neutral Point Potential Fluctuation for NPC Three-level Inverter. Proc. CSU-EPSA 2018, 30, 28–33. [Google Scholar] [CrossRef]
- Wang, H.; Chen, X.; Su, M.; Liang, X.; Dan, H.; Zhang, G.; Wheeler, P. Three-Level Indirect Matrix Converter with Neutral-Point Potential Balance Scheme for Adjustable Speed Drives. IEEE Trans. Transp. Electrification 2021, 8, 845–855. [Google Scholar] [CrossRef]
- Xu, X.; Zheng, Z.; Wang, K.; Yang, B.; Li, Y. A Comprehensive Study of Common Mode Voltage Reduction and Neutral Point Potential Balance for a Back-to-Back Three-Level NPC Converter. IEEE Trans. Power Electron. 2019, 35, 7910–7920. [Google Scholar] [CrossRef]
- Zhang, Y.; Bai, Y.; Yang, H.; Zhang, B. Low Switching Frequency Model Predictive Control of Three-Level Inverter-Fed IM Drives with Speed-Sensorless and Field-Weakening Operations. IEEE Trans. Ind. Electron. 2018, 66, 4262–4272. [Google Scholar] [CrossRef]
Disclaimer/Publisher’s Note: The statements, opinions and data contained in all publications are solely those of the individual author(s) and contributor(s) and not of MDPI and/or the editor(s). MDPI and/or the editor(s) disclaim responsibility for any injury to people or property resulting from any ideas, methods, instructions or products referred to in the content. |
© 2022 by the authors. Licensee MDPI, Basel, Switzerland. This article is an open access article distributed under the terms and conditions of the Creative Commons Attribution (CC BY) license (https://creativecommons.org/licenses/by/4.0/).


















