SVC Parameters Optimization Using a Novel Integrated MCDM Approach
Abstract
:1. Introduction
- SMFRA selects the most dominant controller parameters that are involved in the optimization process.
- REC calculates the weights of variables, and CoCoSo optimizes the selected controller parameters.
- The suggested approach has the benefit over other techniques in that it does not require any prior settings for the decision attribute and can manage both continuous and discrete parameters.
- It is applicable to datasets with a large number of input factors with complex interactions.
- Furthermore, it has a low computational burden.
2. Methods
2.1. Preliminaries
2.2. Similarity Membership Function Reduction Algorithm (SMFRA)
2.3. Removal Effects of Criteria Approach(REC)
2.4. Combined Compromise Solution (Cocoso) Approach
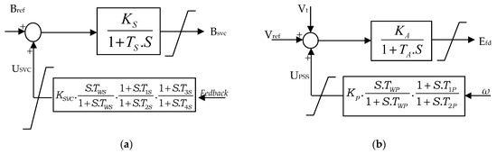
2.5. Power System Model
2.6. Proposed Methodology
3. Results, Validations and Discussion
3.1. SVC Controller Parameters Decision Table
3.2. SVC Controller Parameters Decision Table Discretization
3.3. SVC Controller Parameters Decision Table Reduction
3.4. Calculation of the Weights of the Assessment Parameters by Removal Effects of Criteria (REC)
3.5. SVC Controller Parameters Assessment by Cocoso Method
3.6. Power System Response
4. Sensitivity Analysis
4.1. Effect of Parameter Reduction on the Ranking of Alternatives
4.2. Effects of Different Weighting Methods on Parameters Weight
4.3. Comparative Analysis with Other MCDM Methods
5. Conclusions
Author Contributions
Funding
Institutional Review Board Statement
Informed Consent Statement
Data Availability Statement
Conflicts of Interest
Abbreviations
| MCDM | Multi criteria decision making |
| SVC | Static var compensator |
| PSS | Power system stabilizer |
| SMFRA | Similarity membership function reduction algorithm |
| REC | Removal effects of criteria |
| CoCoSo | Combined compromise solution |
| FACTS | Flexible ac transmission systems |
| PBIL | Population-based incremental learning |
| EVD | Eigen value decomposition |
| ABC | Artificial bee colony |
| TOPSIS | Technique for order of preference by similarity to ideal solution |
| WASPAS | Weighted aggregated sum product assessment |
| MOORA | Multi objective optimization based on ratio analysis |
| EDAS | Evaluation based on distance from average solution |
| CODAS | Combinative distance-based assessment |
| PS | Pattern search |
| CSCA | Chaotic sine cosine algorithm |
| PSS | Power system stabilizers |
| SSSC | Static synchronous series compensator |
| SRCC | Spearman’s rank correlation coefficient |
References
- Glanzmann, G.; Andersson, G. Using FACTS devices to resolve congestions in transmission grids. In Proceedings of the International Symposium CIGRE/IEEE PES 2005, New Orleans, LA, USA, 5–7 October 2005; pp. 347–354. [Google Scholar]
- Abdullah, N.R.; Musirin, I.; Othman, M. Static VAR Compensator for Minimising Transmission Loss and Installation Cost Calculation. Aust. J. Basic Appl. Sci. 2010, 4, 646–657. [Google Scholar]
- Kazemi, A.; Jamali, S.; Habibi, M.; Ramezan-Jamaat, S. Optimal Location of TCSCs in a Power System by Means of Genetic Algorithms Considering Loss Reduction. In Proceedings of the 2006 IEEE International Power and Energy Conference, Putra Jaya, Malaysia, 28–29 November 2006; pp. 134–139. [Google Scholar]
- Tiwari, R.; Niazi, K.R.; Gupta, V. Optimal location of FACTS devices for improving performance of the power systems. In Proceedings of the 2012 IEEE Power and Energy Society General Meeting, San Diego, CA, USA, 22–26 July 2012; pp. 1–8. [Google Scholar]
- Tiwari, P.K.; Sood, Y.R. Optimal location of FACTS devices in power system using Genetic Algorithm. In Proceedings of the 2009 World Congress on Nature & Biologically Inspired Computing (NaBIC), Coimbatore, India, 9–11 December 2009; pp. 1034–1040. [Google Scholar]
- Dheebika, S.K.; Kalaivani, R. Optimal location of SVC, TCSC and UPFC devices for voltage stability improvement and reduction of power loss using genetic algorithm. In Proceedings of the 2014 International Conference on Green Computing Communication and Electrical Engineering (ICGCCEE), Coimbatore, India, 6–8 March 2014; pp. 1–6. [Google Scholar]
- Cai, L.J.; Erlich, I.; Stamtsis, G. Optimal choice and allocation of FACTS devices in deregulated electricity market using genetic algorithms. In Proceedings of the IEEE PES Power Systems Conference and Exposition 2004, New York, NY, USA, 10–13 October 2004; Volume 1, pp. 201–207. [Google Scholar]
- Saravanan, M.; Slochanal, S.M.R.; Venkatesh, P.; Abraham, P.S. Application of PSO technique for optimal location of FACTS devices considering system loadability and cost of installation. In Proceedings of the 2005 International Power Engineering Conference, Singapore, 29 November–2 December 2005; Volume 2, pp. 716–721. [Google Scholar]
- Ravi, K.; Rajaram, M. Optimal location of FACTS devices using enhanced particle swarm optimization. In Proceedings of the 2012 IEEE International Conference on Advanced Communication Control and Computing Technologies (ICACCCT), Ramanathapuram, India, 23–25 August 2012; pp. 414–419. [Google Scholar]
- Dombo, D.; Folly, K.A. Optimization of a Static VAR Compensation Parameters Using PBIL. Adv. Nat. Biol. Inspired Comput. 2016, 419, 315–325. [Google Scholar]
- Vanishree, J.; Ramesh, V. Optimization of Size and Cost of Static VAR Compensator using Dragonfly Algorithm for Voltage Profile Improvement in Power Transmission Systems. Int. J. Renew. Energy Res. 2018, 8, 56–66. [Google Scholar]
- Shaheen, H.I.; Rashed, G.I.; Cheng, S.J. Application of differential evolution algorithm for optimal location and parameters setting of UPFC considering power system security. Eur. Trans. Electr. Power 2009, 19, 911–932. [Google Scholar] [CrossRef]
- Karthikaikannan, D.; Ravi, G. Optimal Location and Setting of FACTS Devices for Reactive Power Compensation Using Harmony Search Algorithm. Automatika 2016, 574, 881–892. [Google Scholar] [CrossRef] [Green Version]
- Balachennaiah, P.; Reddy, P.H.; Raju, U.N.K. A novel algorithm for voltage stability augmentation through optimal placement and sizing of SVC. In Proceedings of the IEEE International Conference on Signal Processing Informatic Communication and Energy Systems (SPICES) 2015, Kozhikode, India, 19–21 February 2015; pp. 1–5. [Google Scholar]
- Kamarposhti, M.A.; Colak, I.; Iwendi, C.; Band, S.S.; Ibeke, E. Optimal Coordination of PSS and SSSC Controllers in Power System Using Ant Colony Optimization Algorithm. J. Circuits Syst. Comput. 2021, 31, 2250060. [Google Scholar] [CrossRef]
- Choudhury, S.; Dash, T. Modified brain storming optimization technique for transient stability improvement of SVC controller for a two machine system. World J. Eng. 2021, 18, 841–850. [Google Scholar] [CrossRef]
- Guesmi, T.; Alshammari, B.M.; Almalaq, Y.; Alateeq, A.; Alqunun, K. New Coordinated Tuning of SVC and PSSs in Multimachine Power System Using Coyote Optimization Algorithm. Sustainability 2021, 13, 3131. [Google Scholar] [CrossRef]
- Eslami, M.; Neshat, M.; Khalid, S.A. A Novel Hybrid Sine Cosine Algorithm and Pattern Search for Optimal Coordination of Power System Damping Controllers. Sustainability 2022, 14, 541. [Google Scholar] [CrossRef]
- Kar, M.K.; Kumar, S.; Singh, A.K.; Panigrahi, S. A modified sine cosine algorithm with ensemble search agent updating schemes for small signal stability analysis. Int. Trans. Electr. Energy Syst. 2021, 31, e13058. [Google Scholar] [CrossRef]
- Eslami, M.; Shareef, H.; Mohamed, A.; Khajehzadeh, M. Optimal location of PSS using improved PSO with chaotic sequence. In Proceedings of the International Conference on Electrical, Control and Computer Engineering 2011 (InECCE), Kuantan, Malaysia, 21–22 June 2011; IEEE: Piscataway, NJ, USA, 2011; pp. 253–258. [Google Scholar]
- Khajehzadeh, M.; Taha, M.R.; Eslami, M. A new hybrid firefly algorithm for foundation optimization. Natl. Acad. Sci. Lett. 2013, 36, 279–288. [Google Scholar] [CrossRef]
- Sahu, P.R.; Hota, P.K.; Panda, S. Modified whale optimization algorithm for coordinated design of fuzzy lead-lag structure based SSSC controller and power system stabilizer. Int. Trans. Electr. Energy Syst. 2019, 29, e2797. [Google Scholar] [CrossRef]
- Farah, A.; Belazi, A.; Alqunun, K.; Almalaq, A.; Alshammari, B.M.; Ben Hamida, M.B.; Abbassi, R. A New Design Method for Optimal Parameters Setting of PSSs and SVC Damping Controllers to Alleviate Power System Stability Problem. Energies 2021, 14, 7312. [Google Scholar] [CrossRef]
- Asghari, K.; Masdari, M.; Gharehchopogh, F.S.; Saneifard, R. Multi-swarm and chaotic whale-particle swarm optimization algorithm with a selection method based on roulette wheel. Expert Syst. 2021, 38, e12779. [Google Scholar] [CrossRef]
- Zaidan, M.R.; Toos, S.I. Optimal Location of Static Var Compensator to Regulate Voltage in Power System. IETE J. Res. 2021, 1–9. [Google Scholar] [CrossRef]
- Aydin, F.; Gumus, B. Determining Optimal SVC Location for Voltage Stability Using Multi-Criteria Decision Making Based Solution: Analytic Hierarchy Process (AHP) Approach. IEEE Access 2021, 9, 143166–143180. [Google Scholar] [CrossRef]
- Diyaley, S.; Shilal, P.; Shivakoti, I.; Ghadai, R.; Kalita, K. PSI and TOPSIS Based Selection of Process Parameters in WEDM. Period. Polytech. Mech. Eng. 2017, 61, 255–260. [Google Scholar] [CrossRef] [Green Version]
- Pathapalli, V.R.; Basam, V.R.; Gudimetta, S.K.; Koppula, M.R. Optimization of machining parameters using WASPAS and MOORA. World J. Eng. 2019, 17, 237–246. [Google Scholar] [CrossRef]
- Shaban, S.M.; AbdEl-latif, A.M. Integration of Evaluation Distance from Average Solution Approach with Information Entropy Weight for Diesel Engine Parameter Optimization. Int. J. Intell. Eng. Syst. 2020, 13, 101–111. [Google Scholar] [CrossRef]
- Sivalingam, V.; Kumar, P.G.; Prabakaran, R.; Sun, J.; Velraj, R.; Kim, S.C. An automotive radiator with multi-walled carbon-based nanofluids: A study on heat transfer optimization using MCDM techniques. Case Stud. Therm. Eng. 2022, 29, 1–17. [Google Scholar] [CrossRef]
- Huang, Z. A fast Clustering Algorithm to Cluster Very Large Categorical Data Sets in Data Mining. Dmkd 1997, 3, 34–39. [Google Scholar]
- Pawlak, Z. Rough sets. Int. J. Inf. Comput. Sci. 1982, 11, 341–356. [Google Scholar] [CrossRef]
- Fetouh, T.; Zaki, M.S. New Approach to Design SVC-Based Stabilizer using Genetic Algorithm and Rough Set Theory. IET Gener. Transm. Distrib. 2017, 11, 372–382. [Google Scholar] [CrossRef]
- Pawlak, Z. Rough Sets: Theoretical Aspects of Reasoning about Data; Kluwer Academic Publishers: Boston, MA, USA, 1991. [Google Scholar]
- Lin, T.Y. Granular fuzzy sets: A view from rough set and probability theories. Int. J. Fuzzy System 2001, 3, 373–381. [Google Scholar]
- Lin, T.Y. Sets with partial memberships: A rough sets view of fuzzy sets. In Proceedings of the World Congress of Computational Intelligence (WCCI98), Anchorage, AK, USA, 4–9 May 1998; Volume 4, pp. 785–790. [Google Scholar]
- Stepaniuk, J. Rough sets similarity based learning. In Proceedings of the 5th European Congress on Intelligent Techniques & Soft Computing, Aachen, Germany, 8–11 September 1997. [Google Scholar]
- Kamel El-Sayed, M. Similarity Based Membership of Elements to Uncertain Concept in Information System. Int. Sch. Sci. Res. Innov. 2018, 12, 62–65. [Google Scholar]
- Keshavarz, M.; Amiri, M.; Zavadskas, E.K.; Turskis, Z.; Antucheviciene, J. Determination of Objective Weights Using a New Method Based on the Removal Effects of Criteria (MEREC). Symmetry 2021, 13, 1–20. [Google Scholar]
- Yazdani, M.; Zarate, P.; Zavadskas, E.K.; Turskis, Z. A combined compromise solution (CoCoSo) method for multi-criteria decision-making problems. Manag. Decis. 2019, 57, 2501–2519. [Google Scholar] [CrossRef]
- Lai, H.; Liao, H.; Wen, Z.; Zavadskas, E.K.; Al-Barakati, A. An Improved CoCoSo Method with a Maximum Variance Optimization Model for Cloud Service Provider Selection. Inz. Ekon-Eng. Econ. 2021, 31, 411–424. [Google Scholar] [CrossRef]
- Yazdani, M.; Wen, Z.; Liao, H.C.; Banaitis, A.; Turskis, Z. A grey combined compromise solution (CoCoSoG) method for supplier selection in construction management. J. Civ. Eng. Manag. 2019, 25, 858–874. [Google Scholar] [CrossRef] [Green Version]
- Agwa, A.M.; Shaaban, S.M. Siting hydropower plant by rough set and combinative distance-based assessment. Przegląd Elektrotechniczny 2021, 97, 15–20. [Google Scholar] [CrossRef]
- Shaaban, S.M. Groundwater Assessment Using Feature Extraction Algorithm Combined with Complex Proportional Assessment Method and Standard Deviation. Int. J. Intell. Eng. Syst. 2021, 14, 306–313. [Google Scholar] [CrossRef]






| OP. NO. | SVC Controller Parameters | Decision | |||||||||
|---|---|---|---|---|---|---|---|---|---|---|---|
| T1P | T2P | TWP | KP | T1S | T2S | T3S | T4S | TWS | KSVC | d | |
| Op.1 | 0.941 | 0.489 | 3.967 | 17.115 | 0.264 | 0.135 | 0.529 | 0.921 | 0.429 | 130.966 | 1.397 |
| Op.2 | 0.452 | 0.545 | 1.684 | 38.531 | 0.629 | 0.436 | 0.854 | 0.069 | 0.093 | 278.131 | 0.818 |
| Op.3 | 0.330 | 0.490 | 4.418 | 23.022 | 0.127 | 0.163 | 0.868 | 0.688 | 0.842 | 222.241 | 1.401 |
| Op.4 | 0.787 | 0.207 | 7.047 | 79.501 | 0.085 | 0.118 | 0.668 | 0.967 | 0.161 | 298.078 | 1.004 |
| Op.5 | 0.968 | 0.492 | 4.352 | 13.609 | 0.284 | 0.163 | 0.700 | 0.692 | 0.937 | 266.465 | 1.405 |
| Op.6 | 0.290 | 0.816 | 1.008 | 38.595 | 0.899 | 0.361 | 0.918 | 0.150 | 0.123 | 89.679 | 0.834 |
| Op.7 | 0.758 | 0.957 | 4.101 | 18.091 | 0.143 | 0.241 | 0.574 | 0.780 | 0.491 | 286.564 | 1.412 |
| Op.8 | 0.914 | 0.438 | 3.966 | 43.252 | 0.265 | 0.132 | 0.870 | 0.268 | 0.786 | 222.206 | 1.417 |
| Op.9 | 0.299 | 0.131 | 4.265 | 99.072 | 0.682 | 0.649 | 0.092 | 0.919 | 0.376 | 156.038 | 1.005 |
| Op.10 | 0.968 | 0.368 | 1.491 | 15.201 | 0.373 | 0.378 | 0.695 | 0.966 | 0.372 | 156.876 | 1.435 |
| Op.11 | 0.968 | 0.833 | 3.733 | 39.365 | 0.284 | 0.104 | 0.908 | 0.681 | 0.920 | 210.376 | 1.441 |
| Op.12 | 0.968 | 0.368 | 3.733 | 15.170 | 0.284 | 0.163 | 0.700 | 0.681 | 0.452 | 210.966 | 1.447 |
| Op.13 | 0.970 | 0.279 | 6.378 | 22.341 | 0.158 | 0.135 | 0.815 | 0.670 | 0.952 | 284.678 | 1.453 |
| Op.14 | 0.834 | 0.381 | 3.883 | 15.116 | 0.098 | 0.552 | 0.663 | 0.177 | 0.372 | 208.138 | 1.468 |
| Op.15 | 0.850 | 0.438 | 7.582 | 65.258 | 0.633 | 0.137 | 0.355 | 0.662 | 1.000 | 210.037 | 1.486 |
| Op.16 | 0.902 | 0.492 | 4.352 | 17.511 | 0.284 | 0.163 | 0.670 | 0.692 | 0.935 | 285.355 | 1.488 |
| Op.17 | 0.968 | 0.492 | 4.927 | 14.975 | 0.284 | 0.401 | 0.670 | 0.929 | 0.920 | 275.983 | 1.491 |
| Op.18 | 0.962 | 0.368 | 3.733 | 15.167 | 0.284 | 0.163 | 0.700 | 0.681 | 0.935 | 210.380 | 1.512 |
| Op.19 | 0.834 | 0.381 | 3.883 | 15.116 | 0.158 | 0.582 | 0.663 | 0.179 | 0.848 | 281.942 | 1.517 |
| Op.20 | 0.968 | 0.369 | 4.971 | 15.164 | 0.284 | 0.163 | 0.700 | 0.681 | 0.935 | 210.380 | 1.521 |
| Op.21 | 0.995 | 0.492 | 4.352 | 15.560 | 0.254 | 0.141 | 0.670 | 0.690 | 0.935 | 210.380 | 1.522 |
| Op.22 | 0.954 | 0.852 | 5.275 | 42.480 | 0.167 | 0.135 | 0.680 | 0.817 | 0.885 | 212.495 | 1.536 |
| Op.23 | 0.954 | 0.728 | 7.748 | 43.229 | 0.767 | 0.373 | 0.548 | 0.672 | 0.970 | 193.752 | 1.539 |
| Op.24 | 0.999 | 0.496 | 4.429 | 15.560 | 0.277 | 0.622 | 0.679 | 0.677 | 0.253 | 285.795 | 1.543 |
| Op.25 | 0.993 | 0.816 | 4.464 | 4.301 | 0.406 | 0.157 | 0.621 | 0.661 | 0.693 | 13.015 | 1.008 |
| Op.26 | 0.388 | 0.279 | 8.819 | 18.293 | 0.158 | 0.581 | 0.693 | 0.297 | 0.491 | 211.277 | 1.562 |
| Op.27 | 0.865 | 0.431 | 2.979 | 15.557 | 0.263 | 0.135 | 0.680 | 0.993 | 0.928 | 210.628 | 1.581 |
| Op.28 | 1.000 | 0.496 | 4.334 | 14.098 | 0.284 | 0.280 | 0.678 | 0.681 | 0.848 | 211.991 | 1.636 |
| Op.29 | 0.961 | 0.492 | 3.966 | 18.341 | 0.158 | 0.135 | 0.693 | 0.906 | 0.491 | 249.350 | 1.701 |
| Op.30 | 0.968 | 0.492 | 3.966 | 18.292 | 0.158 | 0.135 | 0.693 | 0.906 | 0.491 | 211.863 | 1.765 |
| Attributes | Discretization Code | ||||
|---|---|---|---|---|---|
| I | II | III | IV | V | |
| T1P | T1P < 0.208 | 0.208 ≤ T1P < 0.406 | 0.406 ≤ T1P < 0.604 | 0.604 ≤ T1P < 0.802 | 0.802 ≤ T1P |
| T2P | T2P < 0.208 | 0.208 ≤ T2P < 0.406 | 0.406 ≤ T2P < 0.604 | 0.604 ≤ T2P < 0.802 | 0.802 ≤ T2P |
| TWP | TWP < 2.8 | 2.8 ≤ TWP < 4.6 | 4.6 ≤ TWP < 6.4 | 6.4 ≤ TWP < 8.2 | 8.2 ≤ TWP |
| KP | KP < 20.08 | 20.08 ≤ KP < 40.06 | 40.06 ≤ KP < 60.04 | 60.04 ≤ KP < 80.02 | 80.02 ≤ KP |
| T1S | T1S < 0.24 | 0.24 ≤ T1S < 0.43 | 0.43 ≤ T1S < 0.62 | 0.62 ≤ T1S < 0.81 | 0.81 ≤ T1S |
| T2S | T2S < 0.24 | 0.24 ≤ T2S < 0.43 | 0.43 ≤ T2S < 0.62 | 0.62 ≤ T2S < 0.81 | 0.81 ≤ T2S |
| T3S | T3S < 0.24 | 0.24 ≤ T3S < 0.43 | 0.43 ≤ T3S < 0.62 | 0.62 ≤ T3S < 0.81 | 0.81 ≤ T3S |
| T4S | T4S < 0.24 | 0.24 ≤ T4S < 0.43 | 0.43 ≤ T4S < 0.62 | 0.62 ≤ T4S < 0.81 | 0.81 ≤ T4S |
| TWS | TWS < 0.24 | 0.24 ≤ TWS < 0.43 | 0.43 ≤ TWS < 0.62 | 0.62 ≤ TWS < 0.81 | 0.81 ≤ TWS |
| KSVC | KSVC < 60.08 | 60.08 ≤ KSVC < 120.06 | 120.06 ≤ KSVC < 180.04 | 180.04 ≤ KSVC < 240.02 | 240.02 ≤ KSVC |
| d | d < 0.1099 | 0.1099 ≤ d < 0.2084 | 0.2084 ≤ d < 0.36 | 0.36 ≤ d | ------- |
| OP. No. | SVC Controller Parameters | Decision | |||||||||
|---|---|---|---|---|---|---|---|---|---|---|---|
| T1P | T2P | TWP | KP | T1S | T2S | T3S | T4S | TWS | KSVC | d | |
| Op.1 | V | III | II | I | II | I | III | V | II | III | III |
| Op.2 | III | III | I | II | IV | III | V | I | I | V | I |
| Op.3 | II | III | II | II | I | I | V | IV | V | IV | III |
| Op.4 | IV | I | IV | IV | I | I | IV | V | I | V | II |
| Op.5 | V | III | II | I | II | I | IV | IV | V | V | III |
| Op.6 | II | V | I | II | V | II | V | I | I | II | I |
| Op.7 | IV | V | II | I | I | II | III | IV | III | V | III |
| Op.8 | V | III | II | III | II | I | V | II | IV | IV | III |
| Op.9 | II | I | II | V | IV | IV | I | V | II | III | II |
| Op.10 | V | II | I | I | II | II | IV | V | II | III | III |
| Op.11 | V | V | II | II | II | I | V | IV | V | IV | III |
| Op.12 | V | II | II | I | II | I | IV | IV | III | IV | III |
| Op.13 | V | II | III | II | I | I | V | IV | V | V | III |
| Op.14 | V | II | II | I | I | III | IV | I | II | IV | III |
| Op.15 | V | III | IV | IV | IV | I | II | IV | V | IV | III |
| Op.16 | V | III | II | I | II | I | IV | IV | V | V | III |
| Op.17 | V | III | III | I | II | II | IV | V | V | V | III |
| Op.18 | V | II | II | I | II | I | IV | IV | V | IV | III |
| Op.19 | V | II | II | I | I | III | IV | I | V | V | III |
| Op.20 | V | II | III | I | II | I | IV | IV | V | IV | IV |
| Op.21 | V | III | II | I | II | I | IV | IV | V | IV | IV |
| Op.22 | V | V | III | III | I | I | IV | V | V | IV | IV |
| Op.23 | V | IV | IV | III | IV | II | III | IV | V | IV | IV |
| Op.24 | V | III | II | I | II | IV | IV | IV | II | V | IV |
| Op.25 | V | V | II | I | II | I | IV | IV | IV | I | II |
| Op.26 | II | II | V | I | I | III | IV | II | III | IV | IV |
| Op.27 | V | III | II | I | II | I | IV | V | V | IV | IV |
| Op.28 | V | III | II | I | II | II | IV | IV | V | IV | IV |
| Op.29 | V | III | II | I | I | I | IV | V | III | V | IV |
| Op.30 | V | III | II | I | I | I | IV | V | III | IV | IV |
| OP. NO. | Condition Parameter | Decision | |||||
|---|---|---|---|---|---|---|---|
| T1P | T2P | KP | T1S | T3S | KSVC | D | |
| Op.1 | 0.941 | 0.489 | 17.115 | 0.264 | 0.529 | 130.966 | 1.397 |
| Op.2 | 0.452 | 0.545 | 38.531 | 0.629 | 0.854 | 278.131 | 0.818 |
| Op.3 | 0.330 | 0.490 | 23.022 | 0.127 | 0.868 | 222.241 | 1.401 |
| Op.4 | 0.787 | 0.207 | 79.501 | 0.085 | 0.668 | 298.078 | 1.004 |
| Op.5 | 0.968 | 0.492 | 13.609 | 0.284 | 0.700 | 266.465 | 1.405 |
| Op.6 | 0.290 | 0.816 | 38.595 | 0.899 | 0.918 | 89.679 | 0.834 |
| Op.7 | 0.758 | 0.957 | 18.091 | 0.143 | 0.574 | 286.564 | 1.412 |
| Op.8 | 0.914 | 0.438 | 43.252 | 0.265 | 0.870 | 222.206 | 1.417 |
| Op.9 | 0.299 | 0.131 | 99.072 | 0.682 | 0.092 | 156.038 | 1.005 |
| Op.10 | 0.968 | 0.368 | 15.201 | 0.373 | 0.695 | 156.876 | 1.435 |
| Op.11 | 0.968 | 0.833 | 39.365 | 0.284 | 0.908 | 210.376 | 1.441 |
| Op.12 | 0.968 | 0.368 | 15.170 | 0.284 | 0.700 | 210.966 | 1.447 |
| Op.13 | 0.970 | 0.279 | 22.341 | 0.158 | 0.815 | 284.678 | 1.453 |
| Op.14 | 0.834 | 0.381 | 15.116 | 0.098 | 0.663 | 208.138 | 1.468 |
| Op.15 | 0.850 | 0.438 | 65.258 | 0.633 | 0.355 | 210.037 | 1.486 |
| Op.16 | 0.902 | 0.492 | 17.511 | 0.284 | 0.670 | 285.355 | 1.488 |
| Op.17 | 0.968 | 0.492 | 14.975 | 0.284 | 0.670 | 275.983 | 1.491 |
| Op.18 | 0.962 | 0.368 | 15.167 | 0.284 | 0.700 | 210.380 | 1.512 |
| Op.19 | 0.834 | 0.381 | 15.116 | 0.158 | 0.663 | 281.942 | 1.517 |
| Op.20 | 0.968 | 0.369 | 15.164 | 0.284 | 0.700 | 210.380 | 1.521 |
| Op.21 | 0.995 | 0.492 | 15.560 | 0.254 | 0.670 | 210.380 | 1.522 |
| Op.22 | 0.954 | 0.852 | 42.480 | 0.167 | 0.680 | 212.495 | 1.536 |
| Op.23 | 0.954 | 0.728 | 43.229 | 0.767 | 0.548 | 193.752 | 1.539 |
| Op.24 | 0.999 | 0.496 | 15.560 | 0.277 | 0.679 | 285.795 | 1.543 |
| Op.25 | 0.993 | 0.816 | 4.301 | 0.406 | 0.621 | 13.015 | 1.008 |
| Op.26 | 0.388 | 0.279 | 18.293 | 0.158 | 0.693 | 211.277 | 1.562 |
| Op.27 | 0.865 | 0.431 | 15.557 | 0.263 | 0.680 | 210.628 | 1.581 |
| Op.28 | 1.000 | 0.496 | 14.098 | 0.284 | 0.678 | 211.991 | 1.636 |
| Op.29 | 0.961 | 0.492 | 18.341 | 0.158 | 0.693 | 249.350 | 1.701 |
| Op.30 | 0.968 | 0.492 | 18.292 | 0.158 | 0.693 | 211.863 | 1.765 |
| OP. NO. | Condition Parameter | |||||
|---|---|---|---|---|---|---|
| T1P | T2P | KP | T1S | T3S | KSVC | |
| Op.1 | 0.941 | 0.489 | 17.115 | 0.264 | 0.529 | 130.966 |
| Op.2 | 0.452 | 0.545 | 38.531 | 0.629 | 0.854 | 278.131 |
| Op.3 | 0.330 | 0.490 | 23.022 | 0.127 | 0.868 | 222.241 |
| Op.4 | 0.787 | 0.207 | 79.501 | 0.085 | 0.668 | 298.078 |
| Op.5 | 0.968 | 0.492 | 13.609 | 0.284 | 0.700 | 266.465 |
| Op.6 | 0.290 | 0.816 | 38.595 | 0.899 | 0.918 | 89.679 |
| Op.7 | 0.758 | 0.957 | 18.091 | 0.143 | 0.574 | 286.564 |
| Op.8 | 0.914 | 0.438 | 43.252 | 0.265 | 0.870 | 222.206 |
| Op.9 | 0.299 | 0.131 | 99.072 | 0.682 | 0.092 | 156.038 |
| Op.10 | 0.968 | 0.368 | 15.201 | 0.373 | 0.695 | 156.876 |
| Op.11 | 0.968 | 0.833 | 39.365 | 0.284 | 0.908 | 210.376 |
| Op.12 | 0.968 | 0.368 | 15.170 | 0.284 | 0.700 | 210.966 |
| Op.13 | 0.970 | 0.279 | 22.341 | 0.158 | 0.815 | 284.678 |
| Op.14 | 0.834 | 0.381 | 15.116 | 0.098 | 0.663 | 208.138 |
| Op.15 | 0.850 | 0.438 | 65.258 | 0.633 | 0.355 | 210.037 |
| Op.16 | 0.902 | 0.492 | 17.511 | 0.284 | 0.670 | 285.355 |
| Op.17 | 0.968 | 0.492 | 14.975 | 0.284 | 0.670 | 275.983 |
| Op.18 | 0.962 | 0.368 | 15.167 | 0.284 | 0.700 | 210.380 |
| Op.19 | 0.834 | 0.381 | 15.116 | 0.158 | 0.663 | 281.942 |
| Op.20 | 0.968 | 0.369 | 15.164 | 0.284 | 0.700 | 210.380 |
| Op.21 | 0.995 | 0.492 | 15.560 | 0.254 | 0.670 | 210.380 |
| Op.22 | 0.954 | 0.852 | 42.480 | 0.167 | 0.680 | 212.495 |
| Op.23 | 0.954 | 0.728 | 43.229 | 0.767 | 0.548 | 193.752 |
| Op.24 | 0.999 | 0.496 | 15.560 | 0.277 | 0.679 | 285.795 |
| Op.25 | 0.993 | 0.816 | 4.301 | 0.406 | 0.621 | 13.015 |
| Op.26 | 0.388 | 0.279 | 18.293 | 0.158 | 0.693 | 211.277 |
| Op.27 | 0.865 | 0.431 | 15.557 | 0.263 | 0.680 | 210.628 |
| Op.28 | 1.000 | 0.496 | 14.098 | 0.284 | 0.678 | 211.991 |
| Op.29 | 0.961 | 0.492 | 18.341 | 0.158 | 0.693 | 249.350 |
| Op.30 | 0.968 | 0.492 | 18.292 | 0.158 | 0.693 | 211.863 |
| OP. NO. | Condition Parameter | ||||||
|---|---|---|---|---|---|---|---|
| T1P | T2P | KP | T1S | T3S | KSVC | ||
| Op.1 | 0.941 | 0.511 | 0.173 | 0.294 | 0.576 | 0.439 | 0.614 |
| Op.2 | 0.452 | 0.569 | 0.389 | 0.700 | 0.930 | 0.933 | 0.383 |
| Op.3 | 0.330 | 0.512 | 0.232 | 0.141 | 0.946 | 0.746 | 0.654 |
| Op.4 | 0.787 | 0.216 | 0.802 | 0.095 | 0.728 | 1.000 | 0.575 |
| Op.5 | 0.968 | 0.514 | 0.137 | 0.316 | 0.763 | 0.894 | 0.532 |
| Op.6 | 0.290 | 0.853 | 0.390 | 1.000 | 1.000 | 0.301 | 0.464 |
| Op.7 | 0.758 | 1.000 | 0.183 | 0.159 | 0.625 | 0.961 | 0.543 |
| Op.8 | 0.914 | 0.458 | 0.437 | 0.295 | 0.948 | 0.745 | 0.435 |
| Op.9 | 0.299 | 0.137 | 1.000 | 0.759 | 0.100 | 0.523 | 0.728 |
| Op.10 | 0.968 | 0.385 | 0.153 | 0.415 | 0.757 | 0.526 | 0.575 |
| Op.11 | 0.968 | 0.870 | 0.397 | 0.316 | 0.989 | 0.706 | 0.361 |
| Op.12 | 0.968 | 0.385 | 0.153 | 0.316 | 0.763 | 0.708 | 0.572 |
| Op.13 | 0.970 | 0.292 | 0.226 | 0.176 | 0.888 | 0.955 | 0.574 |
| Op.14 | 0.834 | 0.398 | 0.153 | 0.109 | 0.722 | 0.698 | 0.683 |
| Op.15 | 0.850 | 0.458 | 0.659 | 0.704 | 0.387 | 0.705 | 0.407 |
| Op.16 | 0.902 | 0.514 | 0.177 | 0.316 | 0.730 | 0.957 | 0.512 |
| Op.17 | 0.968 | 0.514 | 0.151 | 0.316 | 0.730 | 0.926 | 0.524 |
| Op.18 | 0.962 | 0.385 | 0.153 | 0.316 | 0.763 | 0.706 | 0.573 |
| Op.19 | 0.834 | 0.398 | 0.153 | 0.176 | 0.722 | 0.946 | 0.615 |
| Op.20 | 0.968 | 0.386 | 0.153 | 0.316 | 0.763 | 0.706 | 0.572 |
| Op.21 | 0.995 | 0.514 | 0.157 | 0.283 | 0.730 | 0.706 | 0.555 |
| Op.22 | 0.954 | 0.890 | 0.429 | 0.186 | 0.741 | 0.713 | 0.442 |
| Op.23 | 0.954 | 0.761 | 0.436 | 0.853 | 0.597 | 0.650 | 0.319 |
| Op.24 | 0.999 | 0.518 | 0.157 | 0.308 | 0.740 | 0.959 | 0.514 |
| Op.25 | 0.993 | 0.853 | 0.043 | 0.452 | 0.676 | 0.044 | 0.82 |
| Op.26 | 0.388 | 0.292 | 0.185 | 0.176 | 0.755 | 0.709 | 0.712 |
| Op.27 | 0.865 | 0.450 | 0.157 | 0.293 | 0.741 | 0.707 | 0.576 |
| Op.28 | 1.000 | 0.518 | 0.142 | 0.316 | 0.739 | 0.711 | 0.55 |
| Op.29 | 0.961 | 0.514 | 0.185 | 0.176 | 0.755 | 0.837 | 0.568 |
| Op.30 | 0.968 | 0.514 | 0.185 | 0.176 | 0.755 | 0.711 | 0.583 |
| OP. NO. | Condition Parameter | |||||
|---|---|---|---|---|---|---|
| T1P | T2P | KP | T1S | T3S | KSVC | |
| Op.1 | 0.609 | 0.552 | 0.442 | 0.497 | 0.563 | 0.537 |
| Op.2 | 0.288 | 0.317 | 0.269 | 0.342 | 0.375 | 0.375 |
| Op.3 | 0.553 | 0.595 | 0.519 | 0.469 | 0.650 | 0.629 |
| Op.4 | 0.553 | 0.420 | 0.555 | 0.326 | 0.545 | 0.575 |
| Op.5 | 0.529 | 0.465 | 0.316 | 0.413 | 0.506 | 0.521 |
| Op.6 | 0.325 | 0.447 | 0.360 | 0.464 | 0.464 | 0.329 |
| Op.7 | 0.516 | 0.543 | 0.363 | 0.347 | 0.496 | 0.539 |
| Op.8 | 0.425 | 0.347 | 0.341 | 0.294 | 0.429 | 0.403 |
| Op.9 | 0.625 | 0.553 | 0.728 | 0.705 | 0.523 | 0.674 |
| Op.10 | 0.572 | 0.481 | 0.382 | 0.489 | 0.549 | 0.513 |
| Op.11 | 0.357 | 0.344 | 0.247 | 0.217 | 0.359 | 0.319 |
| Op.12 | 0.569 | 0.478 | 0.378 | 0.458 | 0.546 | 0.539 |
| Op.13 | 0.572 | 0.451 | 0.424 | 0.396 | 0.563 | 0.570 |
| Op.14 | 0.668 | 0.603 | 0.511 | 0.477 | 0.656 | 0.653 |
| Op.15 | 0.389 | 0.316 | 0.359 | 0.367 | 0.295 | 0.367 |
| Op.16 | 0.502 | 0.443 | 0.322 | 0.390 | 0.480 | 0.508 |
| Op.17 | 0.521 | 0.456 | 0.317 | 0.403 | 0.492 | 0.516 |
| Op.18 | 0.570 | 0.479 | 0.379 | 0.459 | 0.547 | 0.540 |
| Op.19 | 0.599 | 0.529 | 0.430 | 0.445 | 0.586 | 0.610 |
| Op.20 | 0.569 | 0.478 | 0.378 | 0.458 | 0.547 | 0.539 |
| Op.21 | 0.554 | 0.489 | 0.360 | 0.426 | 0.524 | 0.521 |
| Op.22 | 0.437 | 0.429 | 0.347 | 0.243 | 0.409 | 0.405 |
| Op.23 | 0.313 | 0.285 | 0.213 | 0.300 | 0.255 | 0.266 |
| Op.24 | 0.514 | 0.446 | 0.310 | 0.389 | 0.483 | 0.510 |
| Op.25 | 0.819 | 0.808 | 0.558 | 0.760 | 0.791 | 0.559 |
| Op.26 | 0.632 | 0.606 | 0.564 | 0.559 | 0.689 | 0.684 |
| Op.27 | 0.562 | 0.498 | 0.385 | 0.453 | 0.547 | 0.543 |
| Op.28 | 0.550 | 0.485 | 0.343 | 0.433 | 0.521 | 0.517 |
| Op.29 | 0.564 | 0.503 | 0.395 | 0.389 | 0.541 | 0.551 |
| Op.30 | 0.580 | 0.519 | 0.412 | 0.407 | 0.556 | 0.551 |
| 0.701 | 2.169 | 4.630 | 3.766 | 1.050 | 1.175 | |
| 0.052 | 0.161 | 0.343 | 0.279 | 0.078 | 0.087 | |
| OP. NO. | Condition Parameter | |||||
|---|---|---|---|---|---|---|
| T1P | T2P | KP | T1S | T3S | KSVC | |
| Op.1 | 0.083 | 0.567 | 0.865 | 0.780 | 0.471 | 0.586 |
| Op.2 | 0.772 | 0.499 | 0.639 | 0.332 | 0.077 | 0.070 |
| Op.3 | 0.944 | 0.565 | 0.802 | 0.948 | 0.061 | 0.266 |
| Op.4 | 0.300 | 0.908 | 0.207 | 1.000 | 0.303 | 0.000 |
| Op.5 | 0.045 | 0.563 | 0.902 | 0.756 | 0.264 | 0.111 |
| Op.6 | 1.000 | 0.171 | 0.638 | 0.000 | 0.000 | 0.731 |
| Op.7 | 0.341 | 0.000 | 0.854 | 0.929 | 0.416 | 0.040 |
| Op.8 | 0.121 | 0.628 | 0.589 | 0.779 | 0.058 | 0.266 |
| Op.9 | 0.987 | 1.000 | 0.000 | 0.267 | 1.000 | 0.498 |
| Op.10 | 0.045 | 0.713 | 0.885 | 0.646 | 0.270 | 0.495 |
| Op.11 | 0.045 | 0.150 | 0.630 | 0.756 | 0.012 | 0.308 |
| Op.12 | 0.045 | 0.713 | 0.885 | 0.756 | 0.264 | 0.306 |
| Op.13 | 0.042 | 0.821 | 0.810 | 0.910 | 0.125 | 0.047 |
| Op.14 | 0.234 | 0.697 | 0.886 | 0.984 | 0.309 | 0.316 |
| Op.15 | 0.211 | 0.628 | 0.357 | 0.327 | 0.682 | 0.309 |
| Op.16 | 0.138 | 0.563 | 0.861 | 0.756 | 0.300 | 0.045 |
| Op.17 | 0.045 | 0.563 | 0.887 | 0.756 | 0.300 | 0.078 |
| Op.18 | 0.054 | 0.713 | 0.885 | 0.756 | 0.264 | 0.308 |
| Op.19 | 0.234 | 0.697 | 0.886 | 0.910 | 0.309 | 0.057 |
| Op.20 | 0.045 | 0.712 | 0.885 | 0.756 | 0.264 | 0.308 |
| Op.21 | 0.007 | 0.563 | 0.881 | 0.792 | 0.300 | 0.308 |
| Op.22 | 0.065 | 0.127 | 0.597 | 0.899 | 0.288 | 0.300 |
| Op.23 | 0.065 | 0.277 | 0.589 | 0.162 | 0.448 | 0.366 |
| Op.24 | 0.001 | 0.558 | 0.881 | 0.764 | 0.289 | 0.043 |
| Op.25 | 0.010 | 0.171 | 1.000 | 0.606 | 0.360 | 1.000 |
| Op.26 | 0.862 | 0.821 | 0.852 | 0.910 | 0.272 | 0.304 |
| Op.27 | 0.190 | 0.637 | 0.881 | 0.781 | 0.288 | 0.307 |
| Op.28 | 0.000 | 0.558 | 0.897 | 0.756 | 0.291 | 0.302 |
| Op.29 | 0.055 | 0.563 | 0.852 | 0.910 | 0.272 | 0.171 |
| Op.30 | 0.045 | 0.563 | 0.852 | 0.910 | 0.272 | 0.302 |
| OP. NO. | Condition Parameter | ||||||
|---|---|---|---|---|---|---|---|
| T1P | T2P | KP | T1S | T3S | KSVC | ||
| Op.1 | 0.004 | 0.091 | 0.297 | 0.218 | 0.037 | 0.051 | 0.698 |
| Op.2 | 0.040 | 0.080 | 0.219 | 0.093 | 0.006 | 0.006 | 0.444 |
| Op.3 | 0.049 | 0.091 | 0.275 | 0.265 | 0.005 | 0.023 | 0.708 |
| Op.4 | 0.016 | 0.146 | 0.071 | 0.279 | 0.024 | 0.000 | 0.535 |
| Op.5 | 0.002 | 0.091 | 0.309 | 0.211 | 0.021 | 0.010 | 0.643 |
| Op.6 | 0.052 | 0.027 | 0.219 | 0.000 | 0.000 | 0.064 | 0.362 |
| Op.7 | 0.018 | 0.000 | 0.293 | 0.259 | 0.032 | 0.004 | 0.606 |
| Op.8 | 0.006 | 0.101 | 0.202 | 0.217 | 0.005 | 0.023 | 0.554 |
| Op.9 | 0.051 | 0.161 | 0.000 | 0.074 | 0.078 | 0.043 | 0.408 |
| Op.10 | 0.002 | 0.115 | 0.304 | 0.180 | 0.021 | 0.043 | 0.665 |
| Op.11 | 0.002 | 0.024 | 0.216 | 0.211 | 0.001 | 0.027 | 0.481 |
| Op.12 | 0.002 | 0.115 | 0.304 | 0.211 | 0.021 | 0.027 | 0.679 |
| Op.13 | 0.002 | 0.132 | 0.278 | 0.254 | 0.010 | 0.004 | 0.680 |
| Op.14 | 0.012 | 0.112 | 0.304 | 0.275 | 0.024 | 0.027 | 0.754 |
| Op.15 | 0.011 | 0.101 | 0.122 | 0.091 | 0.053 | 0.027 | 0.406 |
| Op.16 | 0.007 | 0.091 | 0.295 | 0.211 | 0.023 | 0.004 | 0.631 |
| Op.17 | 0.002 | 0.091 | 0.304 | 0.211 | 0.023 | 0.007 | 0.638 |
| Op.18 | 0.003 | 0.115 | 0.304 | 0.211 | 0.021 | 0.027 | 0.679 |
| Op.19 | 0.012 | 0.112 | 0.304 | 0.254 | 0.024 | 0.005 | 0.711 |
| Op.20 | 0.002 | 0.115 | 0.304 | 0.211 | 0.021 | 0.027 | 0.679 |
| Op.21 | 0.000 | 0.091 | 0.302 | 0.221 | 0.023 | 0.027 | 0.665 |
| Op.22 | 0.003 | 0.020 | 0.205 | 0.251 | 0.022 | 0.026 | 0.528 |
| Op.23 | 0.003 | 0.045 | 0.202 | 0.045 | 0.035 | 0.032 | 0.362 |
| Op.24 | 0.000 | 0.090 | 0.302 | 0.213 | 0.023 | 0.004 | 0.632 |
| Op.25 | 0.001 | 0.027 | 0.343 | 0.169 | 0.028 | 0.087 | 0.655 |
| Op.26 | 0.045 | 0.132 | 0.292 | 0.254 | 0.021 | 0.026 | 0.771 |
| Op.27 | 0.010 | 0.103 | 0.302 | 0.218 | 0.022 | 0.027 | 0.682 |
| Op.28 | 0.000 | 0.090 | 0.308 | 0.211 | 0.023 | 0.026 | 0.657 |
| Op.29 | 0.003 | 0.091 | 0.292 | 0.254 | 0.021 | 0.015 | 0.676 |
| Op.30 | 0.002 | 0.091 | 0.292 | 0.254 | 0.021 | 0.026 | 0.687 |
| OP. NO. | Condition Parameter | ||||||
|---|---|---|---|---|---|---|---|
| T1P | T2P | KP | T1S | T3S | KSVC | ||
| Op.1 | 0.879 | 0.913 | 0.951 | 0.933 | 0.943 | 0.955 | 5.573 |
| Op.2 | 0.987 | 0.894 | 0.858 | 0.735 | 0.819 | 0.793 | 5.086 |
| Op.3 | 0.997 | 0.912 | 0.927 | 0.985 | 0.804 | 0.891 | 5.517 |
| Op.4 | 0.939 | 0.985 | 0.582 | 1.000 | 0.911 | 0.000 | 4.417 |
| Op.5 | 0.851 | 0.912 | 0.965 | 0.925 | 0.901 | 0.826 | 5.380 |
| Op.6 | 1.000 | 0.752 | 0.857 | 0.000 | 0.000 | 0.973 | 3.583 |
| Op.7 | 0.946 | 0.000 | 0.947 | 0.980 | 0.934 | 0.756 | 4.563 |
| Op.8 | 0.896 | 0.928 | 0.834 | 0.933 | 0.801 | 0.891 | 5.283 |
| Op.9 | 0.999 | 1.000 | 0.000 | 0.692 | 1.000 | 0.941 | 4.632 |
| Op.10 | 0.851 | 0.947 | 0.959 | 0.885 | 0.903 | 0.941 | 5.486 |
| Op.11 | 0.851 | 0.737 | 0.853 | 0.925 | 0.709 | 0.903 | 4.978 |
| Op.12 | 0.851 | 0.947 | 0.959 | 0.925 | 0.901 | 0.902 | 5.485 |
| Op.13 | 0.848 | 0.969 | 0.930 | 0.974 | 0.850 | 0.766 | 5.338 |
| Op.14 | 0.927 | 0.944 | 0.959 | 0.996 | 0.912 | 0.905 | 5.643 |
| Op.15 | 0.922 | 0.928 | 0.702 | 0.732 | 0.971 | 0.903 | 5.158 |
| Op.16 | 0.902 | 0.912 | 0.950 | 0.925 | 0.910 | 0.763 | 5.362 |
| Op.17 | 0.851 | 0.912 | 0.960 | 0.925 | 0.910 | 0.801 | 5.358 |
| Op.18 | 0.859 | 0.947 | 0.959 | 0.925 | 0.901 | 0.903 | 5.493 |
| Op.19 | 0.927 | 0.944 | 0.959 | 0.974 | 0.912 | 0.779 | 5.496 |
| Op.20 | 0.851 | 0.947 | 0.959 | 0.925 | 0.901 | 0.903 | 5.486 |
| Op.21 | 0.773 | 0.912 | 0.958 | 0.937 | 0.910 | 0.903 | 5.392 |
| Op.22 | 0.867 | 0.717 | 0.838 | 0.971 | 0.908 | 0.901 | 5.202 |
| Op.23 | 0.867 | 0.813 | 0.834 | 0.602 | 0.939 | 0.916 | 4.972 |
| Op.24 | 0.711 | 0.910 | 0.958 | 0.928 | 0.908 | 0.761 | 5.175 |
| Op.25 | 0.786 | 0.752 | 1.000 | 0.869 | 0.923 | 1.000 | 5.332 |
| Op.26 | 0.992 | 0.969 | 0.947 | 0.974 | 0.904 | 0.902 | 5.687 |
| Op.27 | 0.917 | 0.930 | 0.958 | 0.933 | 0.908 | 0.902 | 5.548 |
| Op.28 | 0.000 | 0.910 | 0.963 | 0.925 | 0.908 | 0.901 | 4.608 |
| Op.29 | 0.860 | 0.912 | 0.946 | 0.974 | 0.904 | 0.858 | 5.453 |
| Op.30 | 0.851 | 0.912 | 0.947 | 0.974 | 0.904 | 0.901 | 5.488 |
| OP. NO | K | Rank | |||
|---|---|---|---|---|---|
| Op.1 | 0.068 | 3.482 | 0.971 | 2.119 | 3 |
| Op.2 | 0.061 | 2.647 | 0.856 | 1.705 | 25 |
| Op.3 | 0.067 | 3.495 | 0.964 | 2.118 | 4 |
| Op.4 | 0.054 | 2.711 | 0.767 | 1.659 | 27 |
| Op.5 | 0.065 | 3.279 | 0.933 | 2.010 | 16 |
| Op.6 | 0.043 | 2.000 | 0.611 | 1.260 | 30 |
| Op.7 | 0.056 | 2.947 | 0.800 | 1.777 | 23 |
| Op.8 | 0.064 | 3.006 | 0.904 | 1.882 | 20 |
| Op.9 | 0.055 | 2.420 | 0.780 | 1.557 | 29 |
| Op.10 | 0.067 | 3.369 | 0.952 | 2.061 | 12 |
| Op.11 | 0.060 | 2.718 | 0.845 | 1.724 | 24 |
| Op.12 | 0.067 | 3.406 | 0.954 | 2.077 | 10 |
| Op.13 | 0.065 | 3.368 | 0.932 | 2.044 | 13 |
| Op.14 | 0.069 | 3.659 | 0.991 | 2.203 | 2 |
| Op.15 | 0.061 | 2.560 | 0.861 | 1.675 | 26 |
| Op.16 | 0.065 | 3.240 | 0.928 | 1.992 | 18 |
| Op.17 | 0.065 | 3.259 | 0.929 | 1.999 | 17 |
| Op.18 | 0.067 | 3.410 | 0.956 | 2.079 | 8 |
| Op.19 | 0.067 | 3.499 | 0.961 | 2.118 | 5 |
| Op.20 | 0.067 | 3.406 | 0.955 | 2.077 | 9 |
| Op.21 | 0.066 | 3.341 | 0.938 | 2.038 | 14 |
| Op.22 | 0.063 | 2.911 | 0.887 | 1.832 | 22 |
| Op.23 | 0.059 | 2.388 | 0.826 | 1.580 | 28 |
| Op.24 | 0.063 | 3.189 | 0.899 | 1.949 | 19 |
| Op.25 | 0.065 | 3.297 | 0.927 | 2.013 | 15 |
| Op.26 | 0.070 | 3.717 | 1.000 | 2.233 | 1 |
| Op.27 | 0.068 | 3.432 | 0.965 | 2.095 | 6 |
| Op.28 | 0.057 | 3.101 | 0.815 | 1.847 | 21 |
| Op.29 | 0.066 | 3.389 | 0.949 | 2.066 | 11 |
| Op.30 | 0.067 | 3.429 | 0.956 | 2.087 | 7 |
| Parameter | T1P | T2P | TWP | KP | T1S | T2S | T3S | T4S | TWS | KSVC |
|---|---|---|---|---|---|---|---|---|---|---|
| No Optimization | 0.5 | 0.05 | 3 | 20 | 0.3 | 0.05 | 0.3 | 0.3 | 3 | 300 |
| Ref. [33] | 0.5 | 0.5 | 3 | 20 | 0.3 | 0.8644 | 0.3 | 0.3 | 3 | 300 |
| Proposed Technique | 0.388 | 0.279 | 8.819 | 18.293 | 0.158 | 0.581 | 0.693 | 0.297 | 0.491 | 211.277 |
| T1P | T2P | TWP | KP | T1S | T2S | T3S | T4S | TWS | KSVC | |
|---|---|---|---|---|---|---|---|---|---|---|
| 0.030 | 0.099 | 0.101 | 0.206 | 0.168 | 0.148 | 0.049 | 0.073 | 0.073 | 0.053 |
| Weighting Methods | Rough Set | Standard Deviation | Information Entropy |
|---|---|---|---|
| T1P | 0.0028 | 0.29 | 0.072134 |
| T2P | 0.1333 | 0.152 | 0.12109 |
| KP | 0.0024 | 0.143 | 0.37641 |
| T1S | 0.2646 | 0.177 | 0.28967 |
| T3S | 0.4636 | 0.104 | 0.055741 |
| KSVC | 0.1333 | 0.134 | 0.084954 |
Publisher’s Note: MDPI stays neutral with regard to jurisdictional claims in published maps and institutional affiliations. |
© 2022 by the authors. Licensee MDPI, Basel, Switzerland. This article is an open access article distributed under the terms and conditions of the Creative Commons Attribution (CC BY) license (https://creativecommons.org/licenses/by/4.0/).
Share and Cite
Shaaban, S.M.; Mesalam, Y.I. SVC Parameters Optimization Using a Novel Integrated MCDM Approach. Symmetry 2022, 14, 702. https://doi.org/10.3390/sym14040702
Shaaban SM, Mesalam YI. SVC Parameters Optimization Using a Novel Integrated MCDM Approach. Symmetry. 2022; 14(4):702. https://doi.org/10.3390/sym14040702
Chicago/Turabian StyleShaaban, Shaaban M., and Yehya I. Mesalam. 2022. "SVC Parameters Optimization Using a Novel Integrated MCDM Approach" Symmetry 14, no. 4: 702. https://doi.org/10.3390/sym14040702
APA StyleShaaban, S. M., & Mesalam, Y. I. (2022). SVC Parameters Optimization Using a Novel Integrated MCDM Approach. Symmetry, 14(4), 702. https://doi.org/10.3390/sym14040702

