Fault Calculation Method of Distribution Network Based on Deep Learning
Abstract
:1. Introduction
- (1)
- A forecasting method of the connected nodes voltage is proposed based on the deep learning method. By appropriate and simulation data, BP (back propagation) neural network algorithm is applied to establish the relationship among the connected node voltage, system rated capacity, network short-circuits impedance and distributed power output.
- (2)
- Based on the proposed forecasting method, in order to achieve LVRT, a fault calculation method is proposed based on the prediction of the voltage of connected nodes. Compared with the traditional methods, the output mode of IIDG can be identified based on the voltage drop. In order to achieve LVRT, the output of IIDG can be determined. So, calculation speed is improved.
- (3)
- Based the IEEE 13 system, a study case is built to verify the effectiveness of the proposed methods. Comparing the simulation results of DIgSILENT, the proposed method can realize the accurate calculation of the voltage drop and fault calculation.
- (4)
- The structure of this paper is as follows. Section 2 analyses the connected nodes voltage under different working conditions. Section 3 introduces the method of voltage prediction based on deep learning. The effectiveness of the proposed method is verified in Section 4. Section 5 concludes the paper.
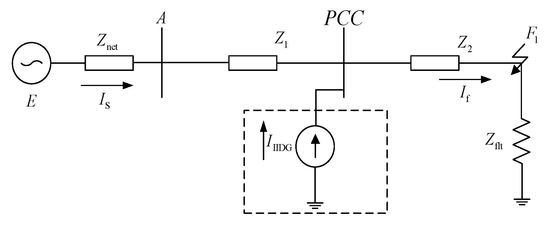
2. Analysis of Connected Nodes Voltage under Different Working Conditions
3. Voltage Prediction Based on Deep Learning
3.1. BP Neural Network Algorithm
- (1)
- Maximum and minimum method, which is as follows:
- (2)
- Mean-variance method, which is as follows:
3.2. Calculation of Distribution Network Faults Considering Voltage Prediction
- Calculate the voltage of each connected node and determine the output mode of IIDG under the control of LVRT. In this calculation process, IIDG is regarded as the PQ source.
- Calculate the node admittance matrix Yf of the distribution network.
- Get the initial voltage value U0 and phase angle θ0 at each node of the distribution network.
- Calculate the injection current Ii at each node.
- Calculate the node voltage Uik at kth iterations by Ii = Yf* Ui.
- Calculate the k+1-th injection current by Ii.k + 1 = (P + jQ)/Ui.k.
- Judge whether the corresponding voltage magnitude of the two adjacent iterations meet the convergence condition, |∆U| ≤ ε. If it meets, the calculation is done. Otherwise, repeat steps 4–6.
4. Case Analysis
4.1. The Relationship between S, Z, P, and the Voltage of the Connected Nodes
4.2. Analysis of Connected Nodes Voltage Prediction
4.3. Analysis of Distribution Network Faults Calculation Considering Voltage Prediction
5. Conclusions
- (1)
- Based the deep learning, a BP neural network model with a linear activation function is established to train the simulated datasets. Then the predicted results under different short-circuit scenarios are compared with DIgSILENT output. The proposed method can more accurately predict the voltage of the connected node. The effectiveness of the proposed method is verified.
- (2)
- Based on the prediction of the voltage, the IIDG output mode during fault calculation can be selected to meet LVRT accurately. Compared with the traditional fault calculation, the proposed method can simplify the calculation process.
Author Contributions
Funding
Institutional Review Board Statement
Informed Consent Statement
Data Availability Statement
Conflicts of Interest
References
- Kong, X.; Zhang, Z.; Yin, X.; Wang, F.; He, M. Study on fault current characteristics and fault analysis method of power grid with inverter interfaced distributed generation. Proc. CSEE 2013, 33, 65–74. [Google Scholar]
- Peng, K.; Zhang, C.; Xu, B.Y.; Chen, Y.; Chen, J.J.; Zhao, X.S. Key issues of fault analysis on distribution system with high-density dis-tributed generations. Autom. Electr. Power Syst. 2017, 41, 184–192. [Google Scholar]
- Shi, X.; Zhang, H.; Wei, C.; Li, Z.; Chen, S. Fault modeling of IIDG considering inverter’s detailed characteristics. IEEE Access 2020, 8, 183401–183410. [Google Scholar] [CrossRef]
- Dai, Z.; Chuan, L.I.; Jiao, Y. Low-voltage ride through model of inverter-interfaced distributed generator and its application to fault analysis of distribution network. Proc. CSU-EPSA 2018, 30, 16–23. [Google Scholar]
- Eskandari, M.; Li, L.; Moradi, M.H.; Siano, P.; Blaabjerg, F. Optimal voltage regulator for inverter interfaced distributed generation units part II: Application. IEEE Trans. Sustain. Energy 2020, 99, 2825–2835. [Google Scholar] [CrossRef]
- Lu, X.; Yang, D.; Wang, Q.; Yin, Z. Modeling and simulation of voltage sag assessment for distribution network based on total coverage of nodes. In IOP Conference Series: Earth and Environmental Science; IOP Publishing: Bristol, UK, 2021; Volume 772, p. 012023. [Google Scholar]
- Rasmussen, T.B.; Yang, G.; Nielsen, A.H. Interval estimation of voltage magnitude in radial distribution feeder with minimal data acquisition requirements. Int. J. Electr. Power Energy Syst. 2019, 113, 281–287. [Google Scholar] [CrossRef]
- Ding, K.; Hu, P.; Li, W.; Qian, Y.M.; Wang, Y.; Xiao, X.Y. Prediction of voltage sag economic losses based on information distribution and diffusion theory. In Proceedings of the 19th International Conference on Harmonics and Quality of Power, Dubai, United Arab Emirates, 6–7 July 2020. [Google Scholar]
- Ji, L.; Shi, J.; Hong, Q.; Fu, Y.; Chang, X.; Cao, Z.; Mi, Y.; Li, Z.; Booth, C. A multi-objective control strategy for three phase grid-connected inverter during unbalanced voltage sag. IEEE Trans. Power Deliv. 2020, 99, 1. [Google Scholar] [CrossRef]
- Bollen, M.H.J.; Tayjasanant, T.; Yalcinkaya, G. Assessment of the number of voltage sags experienced by a large industrial customer. IEEE Trans. Ind. Appl. 2002, 33, 1465–1471. [Google Scholar] [CrossRef]
- Chao, Z.; Lijun, T. An optimum allocation method of voltage sag monitoring nodes based on particle swarm opti-mization algorithm. Trans. China Electrotech. Soc. 2014, 29, 181–187. [Google Scholar]
- Dai, S.; Han, M.; Yan, W. Voltage sag assessment for distribution network containing distributed gen-eration. Power Syst. Technol. 2011, 35, 145–149. [Google Scholar]
- Yaoyao, H.; Caixi, W.; Qifa, X.; Aoyang, H.A. Method to predict probability density of medium-term power load considering temperature factor. Power Syst. Technol. 2015, 39, 176–181. [Google Scholar]
- Shuai, Z.; Shen, C.; Yin, X.; Liu, X.; Shen, Z.J. Fault analysis of inverter-interfaced distributed generators with different control schemes. IEEE Trans. Power Deliv. 2017, 33, 1223–1235. [Google Scholar] [CrossRef]
- Wang, Q.; Zhou, N.; Ye, L. Fault analysis for distribution networks with current-controlled three-phase inverter-interfaced distributed generators. IEEE Trans. Power Deliv. 2015, 30, 1532–1542. [Google Scholar] [CrossRef]
- Xu, Y.; Mu, L.; Zhang, F.; Mou, Z.; Zhu, J. Analysis of the Fault Characteristics of Microgrid with Inverter-Interfaced Distributed Generators. In Proceedings of the 2019 IEEE 8th International Conference on Advanced Power System Automation and Protection (APAP), Xi’an, China, 21–24 October 2019. [Google Scholar]
- Wang, Y.; Chen, Q.; Huang, X.; Song, Q. Faulty feeder detection based on space relative distance for compensated distribution network with IIDG injections. IEEE Trans. Power Deliv. 2020, 32, 453–461. [Google Scholar]
- Guo, W.; Mu, L.; Zhang, X. Fault models of inverter-interfaced distributed generators within a low-voltage microgrid. IEEE Trans. Power Deliv. 2017, 1, 1. [Google Scholar] [CrossRef]
- Li, B.; Peng, S.; Peng, J.; Huang, S.; Zheng, G. Wind power probability density forecasting based on deep learning quantile regression model. Electr. Power Autom. Equip. 2018, 38, 15–20. [Google Scholar]
- Hu, W.; Zheng, L.; Min, Y.; Dong, Y.; Yu, R.; Wang, L. Research on power system transient stability assessment based on deep learning of big data technique. Power Syst. Technol. 2017, 41, 3140–3146. [Google Scholar]
- Yin, X.; Yan, J.; Liu, Y.; Qiu, C.G. Deep learning based transient stability assessment and severity grading. Electr. Power Autom. Equip. 2018, 289, 71–76. [Google Scholar]
- He, Y.; Xu, Q.; Yang, S.; Yu, B. A power load probability density forecasting method based on rbf neural network quantile. Proc. CSEE 2013, 33, 93–98. [Google Scholar]
- Han, B.; Li, H.; Wang, G.; Zeng, D.; Liang, Y. A virtual multi-terminal current differential protection scheme for distribution networks with inverter-interfaced distributed generators. IEEE Trans. Smart Grid 2017, 9, 5418–5431. [Google Scholar] [CrossRef]
- Yin, X.; Li, X.; Zhang, Y.; Zhang, T.; Lu, C.; Ai, Q.; Li, Z.; Sun, Z. A survey of deep learning and its application in distribution network. In Proceedings of the 2020 International Conference on Artificial Intelligence in Information and Communication, Tianjin, China, 16 April 2020. [Google Scholar]
- Dong, D.; Sheng, Z.; Yang, T. Wind power prediction based on recurrent neural network with long short-term memory units. In Proceedings of the 2018 International Conference on Renewable Energy and Power Engineering, Toronto, ON, Canada, 24–26 November 2018. [Google Scholar]
- Tao, Y.; Chen, H.; Qiu, C. Wind power prediction and pattern feature based on deep learning method. In Proceedings of the 2014 IEEE PES Asia-Pacific Power and Energy Engineering Conference (APPEEC), Brisbane, Australia, 15–18 November 2015. [Google Scholar]
- Xiaosheng, P.; Bo, W.; Fan, Y.; Gaofeng, F.; Zheng, W.; Kai, C. A deep learning approach for wind power prediction based on stacked denoising auto encoders optimized by bat algorithm. In Proceedings of the 2018 China International Conference on Electricity Distribution (CICED), Tianjin, China, 17–19 September 2018. [Google Scholar]














| Branch | from Bus | to Bus | R (Ω) | X (H) | 
|---|---|---|---|---|
| Line 1 | 1 | 2 | 0.0922 | 0.0477 | 
| Line 2 | 2 | 3 | 0.493 | 0.2511 | 
| Line 3 | 3 | 4 | 0.366 | 0.1864 | 
| Line 4 | 4 | 6 | 0.3811 | 0.1941 | 
| Line 5 | 6 | 7 | 0.319 | 0.107 | 
| Line 6 | 7 | 8 | 0.7114 | 0.2351 | 
| Line 7 | 8 | 10 | 0.703 | 0.340 | 
| Line 8 | 10 | 12 | 0.3744 | 0.1238 | 
| Line 9 | 12 | 13 | 0.468 | 0.155 | 
| Line 10 | 4 | 5 | 0.0112 | 0.0086 | 
| Line 11 | 7 | 9 | 0.0112 | 0.0086 | 
| Line 12 | 8 | 11 | 0.0112 | 0.0086 | 
| System Rated Capacity (MVA) | The Voltage of Node 4 (kV) | The Voltage of Node 8 (kV) | The Voltage of Node 10 (kV) | System Rated Capacity (MVA) | The Voltage of Node 4 (kV) | The Voltage of Node 8 (kV) | The Voltage of Node 10 (kV) | 
|---|---|---|---|---|---|---|---|
| 150 | 7.26843 | 3.9248 | 2.14587 | 205 | 7.45517 | 4.03003 | 2.19529 | 
| 155 | 7.29079 | 3.9362 | 2.15179 | 210 | 7.46734 | 4.02624 | 2.19852 | 
| 160 | 7.31178 | 3.9469 | 2.15734 | 215 | 7.47894 | 4.03216 | 2.2016 | 
| 165 | 7.3315 | 3.95696 | 2.16256 | 220 | 7.49002 | 4.03782 | 2.20453 | 
| 170 | 7.35012 | 3.96645 | 2.16748 | 225 | 7.50061 | 4.04323 | 2.20734 | 
| 175 | 7.36767 | 3.9754 | 2.17213 | 230 | 7.51074 | 4.0484 | 2.21003 | 
| 180 | 7.38426 | 3.98386 | 2.17652 | 235 | 7.5202 | 4.05335 | 2.2126 | 
| 185 | 7.39905 | 3.99186 | 2.18067 | 240 | 7.52974 | 4.0581 | 2.21507 | 
| 190 | 7.41484 | 3.99945 | 2.18461 | 245 | 7.53866 | 4.06265 | 2.21744 | 
| 195 | 7.42897 | 4.00666 | 2.18835 | 250 | 7.54715 | 4.06702 | 2.21971 | 
| 200 | 7.44239 | 4.01351 | 2.19191 | 
| The Short Circuit Impedance (Ω) | The Voltage of Node4 (kV) | The Voltage of Node8 (kV) | The Voltage of Node10 (kV) | The Short Circuit Impedance (Ω) | The Voltage of Node4 (kV) | The Voltage of Node8 (kV) | The Voltage of Node10 (kV) | 
|---|---|---|---|---|---|---|---|
| 4.23833713 | 7.86014 | 4.22706 | 2.3309 | 4.39390062 | 7.94175 | 4.43251 | 2.56791 | 
| 4.25247927 | 7.86772 | 4.24615 | 2.32748 | 4.40804276 | 7.94897 | 4.45067 | 2.59153 | 
| 4.2666214 | 7.87527 | 4.26516 | 2.35181 | 4.42218489 | 7.95616 | 4.46875 | 2.61506 | 
| 4.29029865 | 7.88278 | 4.2841 | 2.3761 | 4.43632703 | 7.96332 | 4.48675 | 2.6385 | 
| 4.29490567 | 7.89027 | 4.30295 | 2.40034 | 4.45046916 | 7.97045 | 4.50466 | 2.66185 | 
| 4.30904781 | 7.89773 | 4.32172 | 2.4245 | 4.4646113 | 7.97754 | 4.52249 | 2.68512 | 
| 4.32318994 | 7.90515 | 4.3404 | 2.4486 | 4.47875344 | 7.98461 | 4.54024 | 2.7083 | 
| 4.33733208 | 7.91254 | 4.35889 | 2.47262 | 4.49289557 | 7.99165 | 4.5579 | 2.73138 | 
| 4.35147421 | 7.91898 | 4.3775 | 2.49657 | 4.50703771 | 7.99865 | 4.57549 | 2.75438 | 
| 4.36561635 | 7.92721 | 4.39592 | 2.52043 | 4.52117984 | 8.00563 | 4.59299 | 2.77727 | 
| 4.37975849 | 7.9345 | 4.41426 | 2.54421 | 
| Power of IIDG (MW) | The Voltage of Node4 (kV) | The Voltage of Node8 (kV) | The Voltage of Node10 (kV) | Power of IIDG (MW) | The Voltage of Node4 (kV) | The Voltage of Node8 (kV) | The Voltage of Node10 (kV) | 
|---|---|---|---|---|---|---|---|
| 0.3 | 7.78824 | 4.12042 | 2.21366 | 1.754 | 7.91482 | 4.33809 | 2.38537 | 
| 0.45 | 7.80192 | 4.14529 | 2.23533 | 1.856 | 7.92332 | 4.35066 | 2.39208 | 
| 0.6 | 7.81542 | 4.16979 | 2.25663 | 1.957 | 7.93178 | 4.36316 | 2.39874 | 
| 0.75 | 7.82876 | 4.19394 | 2.2776 | 2.058 | 7.9402 | 4.3756 | 2.40537 | 
| 0.9 | 7.84193 | 4.21774 | 2.29823 | 2.144 | 7.9474 | 4.38499 | 2.41038 | 
| 1.05 | 7.85494 | 4.24121 | 2.31885 | 2.195 | 7.95181 | 4.3873 | 2.41161 | 
| 1.2 | 7.8678 | 4.26436 | 2.33856 | 2.246 | 7.95622 | 4.38961 | 2.41285 | 
| 1.35 | 7.88015 | 4.28719 | 2.35826 | 2.296 | 7.96062 | 4.39192 | 2.41408 | 
| 1.45 | 7.88914 | 4.30001 | 2.36508 | 2.347 | 7.96526 | 4.39423 | 2.41532 | 
| 1.552 | 7.89774 | 4.31227 | 2.37188 | 2.398 | 7.96941 | 4.39654 | 2.41665 | 
| 1.653 | 7.9063 | 4.32546 | 2.37864 | 
| Node | Fault Calculation Results | DIgSILENT Simulation Results | Node | Fault Calculation Results | DIgSILENT Simulation Results | ||||
|---|---|---|---|---|---|---|---|---|---|
| Voltage Amplitude (kV) | Voltage Phase Angle (deg) | Voltage Amplitude (kV) | Voltage Phase Angle (deg) | Voltage Amplitude (kV) | Voltage Phase Angle (deg) | Voltage Amplitude (kV) | Voltage Phase Angle (deg) | ||
| 1 | 10.50000 | 0.00000 | 10.50000 | 0.00000 | 8 | 4.53172 | −3.7971 | 4.55414 | −3.65907 | 
| 2 | 10.26249 | −0.17362 | 10.26418 | −0.16980 | 9 | 4.53322 | −3.92135 | 4.55601 | −4.00023 | 
| 3 | 9.00014 | −1.19956 | 9.00792 | −1.17349 | 10 | 2.63696 | −7.42896 | 2.65624 | −7.20942 | 
| 4 | 8.06503 | −2.16887 | 8.07757 | −2.21097 | 11 | 2.63907 | −7.90213 | 2.65839 | −7.81251 | 
| 5 | 8.06487 | −2.23012 | 8.07801 | −2.30012 | 12 | 1.61623 | −5.16154 | 1.62805 | −4.94201 | 
| 6 | 7.07495 | −3.33691 | 7.09007 | −3.26921 | 13 | 0.36614 | 15.58863 | 0.36909 | 15.80816 | 
| 7 | 6.28679 | −3.46117 | 6.30419 | −3.37839 | |||||
| Publisher’s Note: MDPI stays neutral with regard to jurisdictional claims in published maps and institutional affiliations. | 
© 2021 by the authors. Licensee MDPI, Basel, Switzerland. This article is an open access article distributed under the terms and conditions of the Creative Commons Attribution (CC BY) license (https://creativecommons.org/licenses/by/4.0/).
Share and Cite
Zhang, C.; Peng, K.; Li, H.; Xu, B.; Chen, Y. Fault Calculation Method of Distribution Network Based on Deep Learning. Symmetry 2021, 13, 1086. https://doi.org/10.3390/sym13061086
Zhang C, Peng K, Li H, Xu B, Chen Y. Fault Calculation Method of Distribution Network Based on Deep Learning. Symmetry. 2021; 13(6):1086. https://doi.org/10.3390/sym13061086
Chicago/Turabian StyleZhang, Cong, Ke Peng, Huan Li, Bingyin Xu, and Yu Chen. 2021. "Fault Calculation Method of Distribution Network Based on Deep Learning" Symmetry 13, no. 6: 1086. https://doi.org/10.3390/sym13061086
APA StyleZhang, C., Peng, K., Li, H., Xu, B., & Chen, Y. (2021). Fault Calculation Method of Distribution Network Based on Deep Learning. Symmetry, 13(6), 1086. https://doi.org/10.3390/sym13061086
 
         
                                                

 
       