Design and Application of an Integrated Landscape Water Purification Device: Long-Term Performance in Nitrogen and Phosphorus Removal
Abstract
1. Introduction
2. Materials and Methods
2.1. Preparation and Treatment Effects of N and P Removal Fillers
2.2. Performance Testing of N and P Removal Units
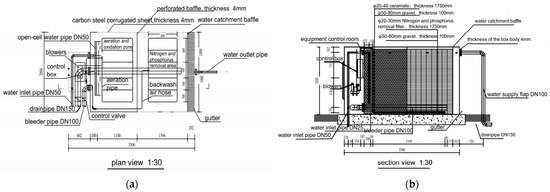
2.3. Construction, Operation, and Water Quality Monitoring of Integrated Landscape Water Purification (ILWP) Device
2.4. Data Analysis Methods
3. Results and Discussion
3.1. Effect of Different Operational Parameters on the Performance of N and P Removal Fillers
3.1.1. Performance of N and P Removal Fillers Under Different HRTs
3.1.2. Performance of N and P Removal Fillers Under Different Influent pH
3.1.3. Performance of N and P Removal Fillers Under Different Pollutant Concentrations
3.2. Practical Application of the Integrated Landscape Water Purification (ILWP) Device
3.2.1. NO3−-N Removal Efficiency of the ILWP Device
3.2.2. TN Removal Efficiency of the ILWP Device
3.2.3. TP Removal Efficiency of the ILWP Device
3.2.4. Ecological Effects and Analysis of the Applicability of the ILWP Device
3.2.5. Microbial Community Analysis of the ILWP Device
4. Conclusions
- The effect of N and P removal fillers is better than traditional fillers.
- The ILWP device runs stably and has strong seasonal adaptability.
- The ILWP device has obvious advantages and is suitable for promotion and application.
Supplementary Materials
Author Contributions
Funding
Data Availability Statement
Conflicts of Interest
Abbreviations
| ILWP | Integrated landscape water purification |
| TN | Total nitrogen |
| TP | Total phosphorus |
| HRT | Hydraulic retention times |
| PAC | Polyaluminum chloride |
| NO3−-N | Nitrate nitrogen |
References
- Zhang, Z.; Feng, Y. Research progress on ecological restoration of landscape water. E3S Web Conf. 2021, 257, 03080. [Google Scholar] [CrossRef]
- Cao, J.; Sun, Q.; Zhao, D.; Xu, M.; Shen, Q.; Wang, D.; Wang, Y.; Ding, S. A critical review of the appearance of black-odorous waterbodies in China and treatment methods. J. Hazard. Mater. 2020, 385, 121511. [Google Scholar] [CrossRef]
- Luo, P.; Liu, F.; Liu, X.; Wu, X.; Yao, R.; Chen, L.; Li, X.; Xiao, R.; Wu, J. Phosphorus removal from lagoon-pretreated swine wastewater by pilot-scale surface flow constructed wetlands planted with Myriophyllum aquaticum. Sci. Total Environ. 2017, 576, 490–497. [Google Scholar] [CrossRef]
- Flores, L.; García, J.; Pena, R.; Garfí, M. Constructed wetlands for winery wastewater treatment: A comparative Life Cycle Assessment. Sci. Total Environ. 2019, 659, 1567–1576. [Google Scholar] [CrossRef] [PubMed]
- Ao, D.; Chen, R.; Wang, X.C.; Liu, Y.; Dzakpasu, M.; Zhang, L.; Huang, Y.; Xue, T.; Wang, N. On the risks from sediment and overlying water by replenishing urban landscape ponds with reclaimed wastewater. Environ. Pollut. 2018, 236, 488–497. [Google Scholar] [CrossRef]
- Yuan, R.; Li, J.; Li, Y.; Ren, L.; Wang, S.; Kong, F. Formation mechanism of the Microcystis aeruginosa bloom in the water with low dissolved phosphorus. Mar. Pollut. Bull. 2019, 148, 194–201. [Google Scholar] [CrossRef] [PubMed]
- Xiao, Q.; Liu, Z.; Hu, Z.; Wang, W.; Zhang, M.; Xiao, W.; Duan, H. Notable changes of carbon dioxide in a eutrophic lake caused by water diversion. J. Hydrol. 2021, 603, 127064. [Google Scholar] [CrossRef]
- Sun, D.; Lin, X.; Lu, Z.; Huang, J.; Li, G.; Xu, J. Process evaluation of urban river replenished with reclaimed water from a wastewater treatment plant based on the risk of algal bloom and comprehensive acute toxicity. Water Reuse 2022, 12, 1–10. [Google Scholar] [CrossRef]
- Yang, X.; Huang, H.; Huang, L.; Li, D.; Wang, S.; He, M.; Li, D.; Xu, K. A Comparative Study on the Treatment of Eutrophic Water by Aeration and Algae Fish. IOP Conf. Ser. Earth Environ. Sci. 2019, 330, 032104. [Google Scholar] [CrossRef]
- Allen, R.G.; Dukes, M.D.; Snyder, R.L.; Kjelgren, R.; Kilic, A. A review of landscape water requirements using a multicomponent landscape coefficient. Trans. Asabe 2020, 63, 2039–2058. [Google Scholar] [CrossRef]
- He, M.; Xu, Z.; Hou, D.; Gao, B.; Cao, X.; Ok, Y.S.; Rinklebe, J.; Bolan, N.S.; Tsang, D.C.W. Waste-derived biochar for water pollution control and sustainable development. Nat. Rev. Earth Environ. 2022, 3, 444–460. [Google Scholar] [CrossRef]
- Gan, Y.; Zhao, Q.; Ye, Z. Denitrification performance and microbial diversity of immobilized bacterial consortium treating nitrate micro-polluted water. Bioresour. Technol. 2019, 281, 351–358. [Google Scholar] [CrossRef]
- He, X.; Zhao, X.; Zhang, W.; Ren, B.; Zhao, Y. Developing a Novel Alum Sludge-Based Floating Treatment Wetland for Natural Water Restoration. Water 2022, 14, 2433. [Google Scholar] [CrossRef]
- Huang, F.; Huang, Y.; Jia, J.; Li, Z.; Xu, J.; Ni, S.; Xiao, Y. Research and engineering application of bypass combined artificial wetlands system to improve river water quality. J. Water Process Eng. 2022, 48, 102905. [Google Scholar] [CrossRef]
- Ashok, V.; Hait, S. Remediation of nitrate-contaminated water by solid-phase denitrification process—A review. Environ. Sci. Pollut. Res. 2015, 22, 8075–8093. [Google Scholar] [CrossRef]
- Ge, Z.; Wei, D.; Zhang, J.; Hu, J.; Liu, Z.; Li, R. Natural Pyrite to Enhance Simultaneous Long-term Nitrogen and Phosphorus Removal in Constructed Wetland: Three Years of Pilot Study. Water Res. 2018, 148, 153–161. [Google Scholar] [CrossRef]
- Kiskira, K.; Papirio, S.; Van Hullebusch, E.D.; Esposito, G. Fe(II)-mediated autotrophic denitrification: A new bioprocess for iron bioprecipitation/biorecovery and simultaneous treatment of nitrate-containing wastewaters. Int. Biodeterior. Biodegrad. 2016, 119, 631–648. [Google Scholar] [CrossRef]
- Beller, H.R.; Madrid, V.; Hudson, G.B.; McNab, W.W.; Carlsen, T. Biogeochemistry and natural attenuation of nitrate in groundwater at an explosives test facility. Appl. Geochem. 2004, 19, 1483–1494. [Google Scholar] [CrossRef]
- Haaijer, S.C.M.; Lamers, L.P.M.; Smolders, A.J.P.; Jetten, M.S.M.; Op den Camp, H.J. Iron Sulfide and Pyrite as Potential Electron Donors for Microbial Nitrate Reduction in Freshwater Wetlands. Geomicrobiol. J. 2007, 24, 391–401. [Google Scholar] [CrossRef]
- Chandra, A.P.; Gerson, A.R. The mechanisms of pyrite oxidation and leaching: A fundamental perspective. Surf. Sci. Rep. 2010, 65, 293–315. [Google Scholar] [CrossRef]
- Zhang, W.; Liu, J.; Liu, S.; Yang, S.; Huang, E.; Ren, S.; Gong, L. Multi-effect synergistic induction of unsaturated MnO(x) on sandy sediment for enhanced manganese adsorption and byproduct resource recovery in solar evaporation. J. Hazard. Mater. 2025, 487, 137165. [Google Scholar] [CrossRef]
- Baddam, R.; Reddy, G.B.; Raczkowski, C.; Cyrus, J.S. Activity of soil enzymes in constructed wetlands treated with swine wastewater. Ecol. Eng. 2016, 91, 24–30. [Google Scholar] [CrossRef]
- Lu, S.G.; Bai, S.Q.; Zhu, L.; Shan, H.D. Removal mechanism of phosphate from aqueous solution by fly ash. J. Hazard. Mater. 2008, 161, 95–101. [Google Scholar] [CrossRef] [PubMed]
- Yang, Y.; Zhao, Y.Q.; Babatunde, A.O.; Wang, L.; Ren, Y.X.; Han, Y. Characteristics and mechanisms of phosphate adsorption on dewatered alum sludge. Sep. Purif. Technol. 2006, 51, 193–200. [Google Scholar] [CrossRef]
- Xiong, W.; Tong, J.; Yang, Z.; Zeng, G.; Zhou, Y.; Wang, D.; Song, P.; Xu, R.; Zhang, C.; Cheng, M. Adsorption of phosphate from aqueous solution using iron-zirconium modified activated carbon nanofiber: Performance and mechanism. J. Colloid Interface Sci. 2017, 493, 17–23. [Google Scholar] [CrossRef] [PubMed]
- Liu, S.; Sun, Y.; Wang, R.; Mishra, S.B.; Duan, H.; Qu, H. Modification of sand with iron and copper derived from electroplating wastewater for efficient adsorption of phosphorus from aqueous solutions: A combinatorial approach for an effective waste minimization. J. Clean. Prod. 2018, 200, 471–477. [Google Scholar] [CrossRef]
- Wang, Y.; Wang, W.-H.; Yan, F.-L.; Ding, Z.; Feng, L.-L.; Zhao, J.-C. Effects and mechanisms of calcium peroxide on purification of severely eutrophic water. Sci. Total Environ. 2019, 650, 2796–2806. [Google Scholar] [CrossRef]
- Xiao, X.; Zhang, Y.L.; Zhou, Z.A.; Wu, F.; Wang, H.F.; Zong, X. Response of sediment microbial communities to different levels of PAC contamination and exposure time. Sci. Total Environ. 2023, 861, 160683. [Google Scholar] [CrossRef]
- GB3838-2002; Environmental Quality Standards for Surface Water. Ministry of Ecology and Environment of the People’s Republic of China; General Administration of Quality Supervision, Inspection and Quarantine of the People’s Republic of China: Beijing, China, 2002.
- GB/T 17431.2-2010; Lightweight Aggregates and Its Test Methods. General Administration of Quality Supervision, Inspection and Quarantine of the People’s Republic of China; Standardization Administration of the People’s Republic of China: Beijing, China, 2010.
- Zhou, W.; Sun, Y.; Wu, B.; Zhang, Y.; Huang, M.; Miyanaga, T.; Zhang, Z. Autotrophic denitrification for nitrate and nitrite removal using sulfur-limestone. J. Environ. Sci. 2011, 23, 1761–1769. [Google Scholar] [CrossRef] [PubMed]
- Jiang, X.; Jin, X.; Yao, Y.; Li, L.; Wu, F. Effects of biological activity, light, temperature and oxygen on phosphorus release processes at the sediment and water interface of Taihu Lake, China. Water Res. 2007, 42, 2251–2259. [Google Scholar] [CrossRef]
- Shahraki, Z.M.; Mao, X.; Waugh, S.; Lotfikatouli, S.; Walker, H.W.; Gobler, C.; Wanlass, J. Potential release of legacy nitrogen from soil surrounding onsite wastewater leaching pools. Water Res. 2020, 169, 115241. [Google Scholar] [CrossRef] [PubMed]
- Cheng, X.; Huang, Y.; Li, R.; Pu, X.; Huang, W.; Yuan, X. Impacts of water temperature on phosphorus release of sediments under flowing overlying water. J. Contam. Hydrol. 2020, 235, 103717. [Google Scholar] [CrossRef] [PubMed]
- Capua, F.D.; Milone, I.; Lakaniemi, A.-M.; van Hullebusch, E.D.; Lens, P.N.L.; Esposito, G. Effects of different nickel species on autotrophic denitrification driven by thiosulfate in batch tests and a fluidized-bed reactor. Bioresour. Technol. 2017, 238, 534–541. [Google Scholar] [CrossRef]
- Pu, J.; Feng, C.; Liu, Y.; Li, R.; Kong, Z.; Chen, N.; Tong, S.; Hao, C.; Liu, Y. Pyrite-based autotrophic denitrification for remediation of nitrate contaminated groundwater. Bioresour. Technol. 2014, 173, 117–123. [Google Scholar] [CrossRef]
- Xiong, J.; Zang, L.; Zha, J.; Mahmood, Q.; He, Z. Phosphate Removal from Secondary Effluents Using Coal Gangue Loaded with Zirconium Oxide. Sustainability 2019, 11, 2453. [Google Scholar] [CrossRef]
- Weber, K.A.; Picardal, F.W.; Roden, E.E. Microbially catalyzed nitrate-dependent oxidation of biogenic solid-phase Fe(II) compounds. Environ. Sci. Technol. 2001, 35, 1644–1650. [Google Scholar] [CrossRef]
- Drizo, A.; Forget, C.; Chapuis, R.P.; Comeau, Y. Phosphorus removal by electric arc furnace steel slag and serpentinite. Water Res. 2006, 40, 1547–1554. [Google Scholar] [CrossRef] [PubMed]
- Delaney, P.; McManamon, C.; Hanrahan, J.P.; Copley, M.P.; Holmes, J.D.; Morris, M.A. Development of chemically engineered porous metal oxides for phosphate removal. J. Hazard. Mater. 2010, 185, 382–391. [Google Scholar] [CrossRef]
- Spears, B.M.; Carvalho, L.; Perkins, R.; Paterson, D.M. Effects of light on sediment nutrient flux and water column nutrient stoichiometry in a shallow lake. Water Res. 2008, 42, 977–986. [Google Scholar] [CrossRef]
- Chen, Q.; Ni, Z.; Wang, S.; Guo, Y.; Liu, S. Climate change and human activities reduced the burial efficiency of nitrogen and phosphorus in sediment from Dianchi Lake, China. J. Clean. Prod. 2020, 274, 122839. [Google Scholar] [CrossRef]
- Zhao, J.; Feng, L.; Yang, G.; Dai, J.; Mu, J. Development of simultaneous nitrification-denitrification (SND) in biofilm reactors with partially coupled a novel biodegradable carrier for nitrogen-rich water purification. Bioresour. Technol. 2017, 243, 800–809. [Google Scholar] [CrossRef]
- Zhang, Y.; Liang, J.; Zeng, G.; Tang, W.; Lu, Y.; Luo, Y.; Xing, W.; Tang, N.; Ye, S.; Li, X.; et al. How climate change and eutrophication interact with microplastic pollution and sediment resuspension in shallow lakes: A review. Sci. Total Environ. 2020, 705, 135979. [Google Scholar] [CrossRef]
- Carolina, S.N.; Duarte, O.G.H.; Zamariolli, D.M.H.R.; Eugenio, F. Two-stage partial nitrification-Anammox process for nitrogen removal from slaughterhouse wastewater: Evaluation of the nitrogen loading rate and microbial community analysis. J. Environ. Manag. 2021, 296, 113214. [Google Scholar] [CrossRef]
- Xu, D.; Xu, J.; Wu, J.; Muhammad, A. Studies on the phosphorus sorption capacity of substrates used in constructed wetland systems. Chemosphere 2006, 63, 344–352. [Google Scholar] [CrossRef]
- Chi, R.; Wei, Z.; Gong, L.; Zhang, G.; Wen, D.; Li, W. The Study of Nitrogen and Phosphorus Removal Efficiency in Urbanized River Systems Using Artificial Wetland Systems with Different Substrates. Water 2024, 16, 3309. [Google Scholar] [CrossRef]
- Li, L.; Zhang, Z.; Shen, Y.; He, B.; Fu, Y.; Kou, S.; Gao, J. Optimized Design of Modular Constructed Wetland for Treating Rural Black–Odorous Water. Water 2024, 16, 2492. [Google Scholar] [CrossRef]
- Bai, L.; Wang, C.; Huang, C.; He, L.; Pei, Y. Reuse of drinking water treatment residuals as a substrate in constructed wetlands for sewage tertiary treatment. Ecol. Eng. 2014, 70, 295–303. [Google Scholar] [CrossRef]
- Wang, R.; Zhao, X.; Wang, T.; Guo, Z.; Hu, Z.; Zhang, J.; Wu, S.; Wu, H. Can we use mine waste as substrate in constructed wetlands to intensify nutrient removal? A critical assessment of key removal mechanisms and long-term environmental risks. Water Res. 2021, 210, 118009. [Google Scholar] [CrossRef]
- Xiao, J.; Huang, J.; Huang, M.; Chen, M.; Wang, M. Application of basalt fiber in vertical flow constructed wetland for different pollution loads wastewater: Performance, substrate enzyme activity and microorganism community. Bioresour. Technol. 2020, 318, 124229. [Google Scholar] [CrossRef]
- Fu, Z.; Zhao, J. Impact of quinoline on activity and microbial culture of partial nitrification process. Bioresour. Technol. 2015, 197, 113–119. [Google Scholar] [CrossRef] [PubMed]
- Liu, C.; Li, X.; Yang, Y.; Fan, X.; Tan, X.; Yin, W.; Liu, Y.; Zhou, Z. Double-layer substrate of shale ceramsite and active alumina tidal flow constructed wetland enhanced nitrogen removal from decentralized domestic sewage. Sci. Total Environ. 2020, 703, 135629. [Google Scholar] [CrossRef] [PubMed]
- Babatunde, A.O.; Zhao, Y.Q.; Zhao, X.H. Alum sludge-based constructed wetland system for enhanced removal of P and OM from wastewater: Concept, design and performance analysis. Bioresour. Technol. 2010, 101, 6576–6579. [Google Scholar] [CrossRef]
- Pang, L.; He, Y.; Liu, X.; Li, J.; Yang, P. The role of a newly isolated strain Corynebacterium pollutisoli SPH6 in waste activated sludge alkaline fermentation. Chemosphere 2020, 241, 125072. [Google Scholar] [CrossRef] [PubMed]
- Li, Q.; Zhang, J.; Gao, J.; Huang, Z.; Zhou, H.; Duan, H.; Zhang, Z. Preparation of a novel non-burning polyaluminum chloride residue (PACR) compound filler and its phosphate removal mechanisms. Environ. Sci. Pollut. Res. Int. 2022, 29, 1532–1545. [Google Scholar] [CrossRef]
- Moon, H.S.; Chang, S.W.; Nam, K.; Choe, J.; Kim, J.Y. Effect of reactive media composition and co-contaminants on sulfur-based autotrophic denitrification. Environ. Pollut. 2006, 144, 802–807. [Google Scholar] [CrossRef] [PubMed]
- Huilinir, C.; Acosta, L.; Yanez, D.; Montalvo, S.; Esposito, G.; Retamal, G.; Levican, G.; Guerrero, L. Elemental sulfur-based autotrophic denitrification in stoichiometric S0/N ratio: Calibration and validation of a kinetic model. Bioresour. Technol. 2020, 307, 123229, Erratum in Bioresour. Technol. 2022, 347, 126445. https://doi.org/10.1016/j.biortech.2021.126445. [Google Scholar] [CrossRef] [PubMed]
- Zhou, Y.; Mai, W.; Liang, J.; Dai, J.; Niu, Y.; Li, W.; Tang, Q. Performance of sulphur/sulphurite autotrophic denitrification system for nitrogen removal. Environ. Sci. 2019, 40, 1885–1891. [Google Scholar] [CrossRef]








| Filler Name | Specific Surface Area (m2/g) | Compressive Strength (N) | Bulk Density (g/cm3) | Apparent Density (g/cm3) | Porosity (%) |
|---|---|---|---|---|---|
| N removal filler | 14.65 | 462 | 2.31 | 4.46 | 48.2 |
| P removal filler | 28.98 | 480 | 0.82 | 1.54 | 46.8 |
| Location | Sample Type | Number | Shannon | Chao | ACE | Simpson | Sobs | Coverage |
|---|---|---|---|---|---|---|---|---|
| Water inlet unit | water | S1 | 5.76 | 2082.9 | 2143.9 | 0.010 | 2011 | 0.99 |
| N and P removal unit | water | S2 | 5.59 | 1807.5 | 1817.5 | 0.014 | 1692 | 0.99 |
| Aeration unit | water | S3 | 3.61 | 448.5 | 449.2 | 0.130 | 446 | 0.99 |
| N and P removal unit | filler | S4 | 4.51 | 1500.1 | 1582.1 | 0.044 | 1420 | 0.99 |
| Aeration unit | filler | S5 | 5.84 | 1793.7 | 1845.6 | 0.007 | 1727 | 0.99 |
Disclaimer/Publisher’s Note: The statements, opinions and data contained in all publications are solely those of the individual author(s) and contributor(s) and not of MDPI and/or the editor(s). MDPI and/or the editor(s) disclaim responsibility for any injury to people or property resulting from any ideas, methods, instructions or products referred to in the content. |
© 2025 by the authors. Licensee MDPI, Basel, Switzerland. This article is an open access article distributed under the terms and conditions of the Creative Commons Attribution (CC BY) license (https://creativecommons.org/licenses/by/4.0/).
Share and Cite
Kou, S.; Yang, J.; Li, Y.; Li, S.; Shen, Y.; Gao, J. Design and Application of an Integrated Landscape Water Purification Device: Long-Term Performance in Nitrogen and Phosphorus Removal. Water 2025, 17, 556. https://doi.org/10.3390/w17040556
Kou S, Yang J, Li Y, Li S, Shen Y, Gao J. Design and Application of an Integrated Landscape Water Purification Device: Long-Term Performance in Nitrogen and Phosphorus Removal. Water. 2025; 17(4):556. https://doi.org/10.3390/w17040556
Chicago/Turabian StyleKou, Shuangshuang, Jiao Yang, Yuxuan Li, Shuo Li, Yu Shen, and Jingqing Gao. 2025. "Design and Application of an Integrated Landscape Water Purification Device: Long-Term Performance in Nitrogen and Phosphorus Removal" Water 17, no. 4: 556. https://doi.org/10.3390/w17040556
APA StyleKou, S., Yang, J., Li, Y., Li, S., Shen, Y., & Gao, J. (2025). Design and Application of an Integrated Landscape Water Purification Device: Long-Term Performance in Nitrogen and Phosphorus Removal. Water, 17(4), 556. https://doi.org/10.3390/w17040556
