Reducing the Impacts of Withdrawals on the Water Distribution in Main Irrigation Canals Based on a Modified Smith Predictor Control Scheme
Abstract
1. Introduction
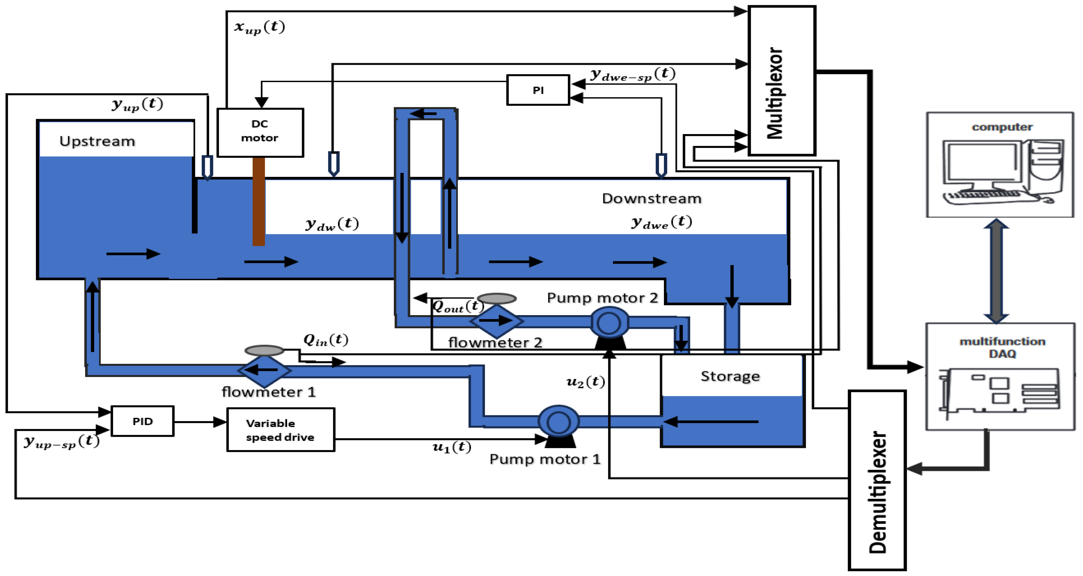
2. Facility Description
3. The Model of the Pool of the Irrigation Canal
3.1. Gate-to-Downstream Water Level Model
3.2. Disturbance Model
4. Proposed Control Scheme
4.1. Standard SP Scheme
4.2. The Modified SP Structure: The SP-H Structure
4.3. Stability Robustness
4.4. The Design of the Controller
4.5. The Design of the Compensator
5. Simulation Results
6. Experimental Results
7. Conclusions
Author Contributions
Funding
Data Availability Statement
Conflicts of Interest
References
- Aznar-Sánchez, J.A.; Velasco-Muñoz, J.F.; Belmonte-Ureña, L.J.; Manzano-Agugliaro, F. The worldwide research trends on water ecosystem services. Ecol. Indic. 2019, 99, 310–323. [Google Scholar] [CrossRef]
- Wang, H.; Asefa, T.; Bracciano, D.; Adams, A.; Wanakule, N. Proactive water shortage mitigation integrating system optimization and input uncertainty. J. Hydrol. 2019, 571, 711–722. [Google Scholar] [CrossRef]
- Rijsberman, F.R. Water scarcity: Fact or fiction? Agric. Water Manag. 2006, 80, 5–22. [Google Scholar] [CrossRef]
- Delgado Munevar, W.G. Gestión y valor económico del recurso hídrico. Rev. Finanz. Y Política Económica 2015, 7, 279–298. [Google Scholar] [CrossRef][Green Version]
- Ali, H. Fundamentals of Irrigation and On-Farm Water Management: Volume 1; Springer Science & Business Media: New York, NY, USA, 2010; Volume 1. [Google Scholar]
- Afzal, M.; Battilani, A.; Solimando, D.; Ragab, R. Improving water resources management using different irrigation strategies and water qualities: Field and modelling study. Agric. Water Manag. 2016, 176, 40–54. [Google Scholar] [CrossRef]
- Litrico, X.; Fromion, V. Modeling and Control of Hydrosystems; Springer Science & Business Media: London, UK, 2009. [Google Scholar]
- Burt, C.M.; Piao, X. Advances in PLC-based irrigation canal automation. Irrig. Drain. 2004, 53, 29–37. [Google Scholar] [CrossRef]
- Arauz, T.; Maestre, J.M.; Tian, X.; Guan, G. Design of PI controllers for irrigation canals based on linear matrix inequalities. Water 2020, 12, 855. [Google Scholar] [CrossRef]
- Bolea, Y.; Puig, V.; Blesa, J. Gain-scheduled Smith predictor PID-based LPV controller for open-flow canal control. IEEE Trans. Control Syst. Technol. 2013, 22, 468–477. [Google Scholar] [CrossRef]
- de Halleux, J.; Prieur, C.; Coron, J.M.; d’Andréa Novel, B.; Bastin, G. Boundary feedback control in networks of open channels. Automatica 2003, 39, 1365–1376. [Google Scholar] [CrossRef]
- Astrom, K.; Hagglund, T. Advanced PID Control; Research Triangle Park: The Instrumentation, Systems, and Automation Society: Pittsburgh, PA, USA, 2006. [Google Scholar]
- Diamantis, M.; Papageorgiou, M.; Kosmatopoulos, E.B.; Chamilothoris, G. Identification and adaptive control for open channel water flow systems. Comput. -Aided Civ. Infrastruct. Eng. 2011, 26, 464–480. [Google Scholar] [CrossRef]
- Fele, F.; Maestre, J.M.; Hashemy, S.M.; de la Peña, D.M.; Camacho, E.F. Coalitional model predictive control of an irrigation canal. J. Process Control 2014, 24, 314–325. [Google Scholar] [CrossRef]
- Shahdany, S.H.; Taghvaeian, S.; Maestre, J.M.; Firoozfar, A. Developing a centralized automatic control system to increase flexibility of water delivery within predictable and unpredictable irrigation water demands. Comput. Electron. Agric. 2019, 163, 104862. [Google Scholar] [CrossRef]
- Smith, O.J. Closer control of loops with dead time. Chem. Eng. Prog. 1957, 53, 217–219. [Google Scholar]
- Normey-Rico, J.E.; Camacho, E.F. Control of Dead-Time Processes; Springer: London, UK, 2007; Volume 462. [Google Scholar]
- Gonzalez, I.O.B.; Perez, R.R.; Batlle, V.F.; Garcia, F.J.C. Temperature control based on a modified Smith predictor for injectable drug formulations. IEEE Lat. Am. Trans. 2015, 13, 1041–1047. [Google Scholar] [CrossRef]
- Matausek, M.R.; Micic, A. A modified Smith predictor for controlling a process with an integrator and long dead-time. IEEE Trans. Autom. Control 1996, 41, 1199–1203. [Google Scholar] [CrossRef]
- Feliu-Batlle, V.; Pérez, R.R.; García, F.C.; Rodriguez, L.S. Smith predictor based robust fractional order control: Application to water distribution in a main irrigation canal pool. J. Process Control 2009, 19, 506–519. [Google Scholar] [CrossRef]
- Sanz, R.; García, P.; Albertos, P. A generalized smith predictor for unstable time-delay SISO systems. ISA Trans. 2018, 72, 197–204. [Google Scholar] [CrossRef]
- Batlle, V.F.; Perez, R.R.; Rodriguez, L.S.; García, F.C.; Saez, A.L. Robust fractional order PI controller for a main irrigation canal pool. IFAC Proc. Vol. 2008, 41, 15535–15540. [Google Scholar] [CrossRef]
- Garcia, F.C.; Perez, R.R.; Batlle, V.F. Fractional IIα controller combined with a Smith predictor for effective water distribution in a main irrigation canal pool. IFAC Proc. Vol. 2008, 41, 14558–14563. [Google Scholar] [CrossRef]
- Hernandez-Lopez, Y.; Rivas-Perez, R.; Feliu-Batlle, V. Design of a NARX-ANN-Based SP Controller for Control of an Irrigation Main Canal Pool. Appl. Sci. 2022, 12, 9180. [Google Scholar] [CrossRef]
- Watanabe, K.; Ito, M. A process-model control for linear systems with delay. IEEE Trans. Autom. Control 1981, 26, 1261–1269. [Google Scholar] [CrossRef]
- Rao, A.S.; Chidambaram, M. Analytical design of modified Smith predictor in a two-degrees-of-freedom control scheme for second order unstable processes with time delay. ISA Trans. 2008, 47, 407–419. [Google Scholar] [CrossRef]
- Tian, Y.C.; Gao, F. Double-controller scheme for separating load rejection from set-point tracking. Chem. Eng. Res. Des. 1998, 76, 445–450. [Google Scholar] [CrossRef]
- Astrom, K.J.; Hang, C.C.; Lim, B. A new Smith predictor for controlling a process with an integrator and long dead-time. IEEE Trans. Autom. Control 1994, 39, 343–345. [Google Scholar] [CrossRef]
- Padhan, D.G.; Majhi, S. Modified Smith predictor based cascade control of unstable time delay processes. ISA Trans. 2012, 51, 95–104. [Google Scholar] [CrossRef]
- Santos, T.L.; Torrico, B.C.; Normey-Rico, J.E. Simplified filtered Smith predictor for MIMO processes with multiple time delays. ISA Trans. 2016, 65, 339–349. [Google Scholar] [CrossRef] [PubMed]
- Zhou, H.Q.; Wang, Q.G.; Min, L. Modified Smith predictor design for periodic disturbance rejection. ISA Trans. 2007, 46, 493–503. [Google Scholar] [CrossRef] [PubMed]
- Feliu-Batlle, V.; Rivas-Perez, R. Control of the temperature in a petroleum refinery heating furnace based on a robust modified Smith predictor. ISA Trans. 2021, 112, 251–270. [Google Scholar] [CrossRef] [PubMed]
- Espin, J.; Castrillon, F.; Leiva, H.; Camacho, O. A modified Smith predictor based–Sliding mode control approach for integrating processes with dead time. Alex. Eng. J. 2022, 61, 10119–10137. [Google Scholar] [CrossRef]
- İçmez, Y.; Can, M.S. Smith Predictor Controller Design Using the Direct Synthesis Method for Unstable Second-Order and Time-Delay Systems. Processes 2023, 11, 941. [Google Scholar] [CrossRef]
- Amaral, D.L.; Torrico, B.C.; Nogueira, F.G.; Pereira, R.D.; Santos, T.L. A unified tuning rule of the simplified filtered Smith predictor for SISO and square MIMO high-order dead-time processes. Control Eng. Pract. 2023, 141, 105697. [Google Scholar] [CrossRef]
- Ahmed, A.K.; Al-Khazraji, H.; Raafat, S.M. Optimized PI-PD Control for Varying Time Delay Systems Based on Modified Smith Predictor. Int. J. Intell. Eng. Syst. 2024, 17, 331–342. [Google Scholar]
- Li, F.; Yang, L.; Ye, A.; Zhao, Z.; Shen, B. Grouping Neural Network-Based Smith PID Temperature Controller for Multi-Channel Interaction System. Electronics 2024, 13, 697. [Google Scholar] [CrossRef]
- Giraldo, S.A.; Melo, P.A.; Secchi, A.R. Enhanced control in time-delay processes: Diagnostic, monitoring, and self-tuning strategies for the filtered smith predictor in response to model-plant mismatch and abrupt load disturbances. Control Eng. Pract. 2024, 145, 105869. [Google Scholar] [CrossRef]
- Calderon-Valdez, S.N.; Feliu-Batlle, V.; Rivas-Perez, R. Fractional-order mathematical model of an irrigation main canal pool. Span. J. Agric. Res. 2015, 13, e0212. [Google Scholar] [CrossRef]
- Chaudhry, M.H. Open-Channel Flow; Springer: New York, NY, USA, 2008; Volume 523. [Google Scholar]
- Weyer, E. System identification of an open water channel. Control Eng. Pract. 2001, 9, 1289–1299. [Google Scholar] [CrossRef]
- Aleem, S.A.; Muhammad, A.; Nasir, H.A. System identification of distributory canals in the indus basin. IFAC Proc. Vol. 2014, 47, 8743–8748. [Google Scholar] [CrossRef]
- Malaterre, P.O.; Baume, J.P. Modeling and regulation of irrigation canals: Existing applications and ongoing researches. In Proceedings of the SMC’98 Conference Proceedings. 1998 IEEE International Conference on Systems, Man, and Cybernetics (Cat. No. 98CH36218), San Diego, CA, USA, 14 October 1988; IEEE: Piscataway, NJ, USA, 1998; Volume 4, pp. 3850–3855. [Google Scholar]
- Ogata, K. Modern Control Engineering; Prentice Hall: Hoboken, NJ, USA, 1993. [Google Scholar]
- Normey-Rico, J.E.; Camacho, E.F. Unified approach for robust dead-time compensator design. J. Process Control 2009, 19, 38–47. [Google Scholar] [CrossRef]
- Skogestad, S. Simple analytic rules for model reduction and PID controller tuning. J. Process Control 2003, 13, 291–309. [Google Scholar] [CrossRef]
- Gharab, S.; Benftima, S.; Batlle, V.F. Adaptive Smith Predictor Fractional Control of a Tele-operated Flexible Link Robot. In Proceedings of the 2024 IEEE/RSJ International Conference on Intelligent Robots and Systems (IROS), Abu Dhabi, United Arab Emirates, 14–18 October 2024; IEEE: Piscataway, NJ, USA, 2024; pp. 9144–9151. [Google Scholar]













| Step Number “i” | |||||
|---|---|---|---|---|---|
| 1 | 58 | 4.8913 | 0.12885 | 3.4755 | 71.1 |
| 2 | 57 | 4.1736 | 0.22689 | 4.812 | 84.13 |
| 3 | 56 | 4.7602 | 0.35803 | 3.8829 | 86.7 |
| 4 | 54 | 4.7595 | 0.56365 | 3.7226 | 92.7 |
| 5 | 52 | 4.0616 | 0.22474 | 4.7349 | 80.76 |
| 6 | 54 | 4.3181 | 0.37281 | 4.3181 | 89.76 |
| 7 | 57 | 4.0093 | 0.23847 | 7.3408 | 82.28 |
| 8 | 58 | 4.5961 | 0.12803 | 7.3408 | 70 |
| 9 | 56 | 4.8796 | 0.18676 | 4.1995 | 83.63 |
| 10 | 52 | 4.1855 | 0.2383 | 4.128 | 85 |
| 11 | 54 | 4.8871 | 0.48362 | 4.4549 | 86.11 |
| 12 | 58 | 4.7594 | 0.17417 | 4.7427 | 89.83 |
| Steps | FIT % | |||
|---|---|---|---|---|
| 1 | −3.0322 | 2.0565 | 2.4 | 74.04 |
| 2 | −3.2022 | 2.0301 | 2.4 | 83.19 |
| 3 | −2.1424 | 2.38558 | 2.4 | 65.85 |
| Controller | |||
|---|---|---|---|
| SP | 57.82 | 199.8577 | 29.4 |
| SP-F | 56.6 | 150.3174 | 28.51 |
| SP-DSMC | 44.35 | 130.60 | 28.88 |
| SP-H | 24.8 | 72.2 | 31.40 |
| Controller | ||||
|---|---|---|---|---|
| SP | 3.5998 | 107.7586 | 245.8784 | 29.13 |
| SP-H | 2.0450 | 59.66 | 71.63 | 31.34 |
Disclaimer/Publisher’s Note: The statements, opinions and data contained in all publications are solely those of the individual author(s) and contributor(s) and not of MDPI and/or the editor(s). MDPI and/or the editor(s) disclaim responsibility for any injury to people or property resulting from any ideas, methods, instructions or products referred to in the content. |
© 2025 by the authors. Licensee MDPI, Basel, Switzerland. This article is an open access article distributed under the terms and conditions of the Creative Commons Attribution (CC BY) license (https://creativecommons.org/licenses/by/4.0/).
Share and Cite
Mehallel, A.; Feliu-Batlle, V. Reducing the Impacts of Withdrawals on the Water Distribution in Main Irrigation Canals Based on a Modified Smith Predictor Control Scheme. Water 2025, 17, 373. https://doi.org/10.3390/w17030373
Mehallel A, Feliu-Batlle V. Reducing the Impacts of Withdrawals on the Water Distribution in Main Irrigation Canals Based on a Modified Smith Predictor Control Scheme. Water. 2025; 17(3):373. https://doi.org/10.3390/w17030373
Chicago/Turabian StyleMehallel, Aissa, and Vicente Feliu-Batlle. 2025. "Reducing the Impacts of Withdrawals on the Water Distribution in Main Irrigation Canals Based on a Modified Smith Predictor Control Scheme" Water 17, no. 3: 373. https://doi.org/10.3390/w17030373
APA StyleMehallel, A., & Feliu-Batlle, V. (2025). Reducing the Impacts of Withdrawals on the Water Distribution in Main Irrigation Canals Based on a Modified Smith Predictor Control Scheme. Water, 17(3), 373. https://doi.org/10.3390/w17030373

