Abstract
The mining and processing of coal resources generate substantial coal-based solid wastes, such as coal gangue and slag, which pose environmental challenges, occupy land, and are difficult to manage. However, utilizing these wastes for the stabilization and solidification (S/S) of municipal sludge containing chromium (Cr) and nickel (Ni) offers an effective solution for mitigating environmental and groundwater pollution while enabling sustainable waste treatment and resource utilization. This study applied an alkali-activated coal gangue–S95 granulated blast furnace slag-based binder (CGS) to the S/S treatment of municipal sludge. The effects of the liquid-to-solid ratio, alkali activator dosage, sludge content, and incineration on compressive strength and the leaching of Cr and Ni were analyzed. The results showed that compressive strength decreased with increases in the sludge content and liquid-to-solid ratio, while incinerated sludge (ESA) samples exhibited better strength than raw sludge (ES). Incineration decomposed the calcite (CaCO3) into CaO, which facilitated the oxidation of Cr(III) to Cr(VI) and increased Cr leaching in the ESA. However, the ESA samples demonstrated superior heavy metal stabilization, as CGS reduced Cr(VI) to Cr(III) and immobilized it through the formation of chromite phases. Using ESA as a binder in CGS provides a safe, efficient approach for resource recovery and heavy metal stabilization, offering a novel solution for the environmental management and utilization of coal-based solid wastes.
1. Introduction
Municipal sludge, the solid sediment formed during the purification process at wastewater treatment plants or water treatment plants, has seen a significant, exponential growth trend in China in recent years due to the increasing demand for water purification as a result of the excessive exploitation of water resources [1,2]. Statistics indicate that by 2020, the production of sludge with a moisture content as high as 80% in China had already exceeded 65 million tons; it is projected that by 2025, this figure will soar past 90 million tons. However, the current state of sludge treatment in China is not optimistic, with only a small portion being properly treated through standardized methods such as sanitary landfilling, land application, incineration, and construction material utilization [3,4]. The majority of the sludge is either directly discharged or simply treated before being released into the natural environment. Such a massive amount of municipal sludge will undoubtedly cause severe pollution and threats to the surrounding environment and groundwater resources if only simple treatment or direct discharge methods are adopted. Therefore, how to dispose of municipal sludge reasonably and effectively has become an important practical issue that we urgently need to address.
Sludge contains heavy metals, such as chromium and nickel, which are harmful solid wastes precipitated during the municipal wastewater treatment process that pose a threat to the ecological environment and human health, especially hexavalent chromium (Cr (VI)), which has higher mobility and toxicity. Studies have shown that the accumulation of Cr (VI) in the body can cause damage to the respiratory system and organs such as the liver and kidneys [5]. Currently, many experts at home and abroad have conducted extensive research on the harmless treatment of heavy metal elements in sludge. Li et al. [6] focused on the migration characteristics of heavy metals in biochar during the pyrolysis process of sludge and analyzed the impact of the reaction temperature, additives, and co-pyrolysis of biomass on the behavior of heavy metals. Liang et al. [7] systematically summarized and analyzed the latest research progress on the incineration of municipal sewage sludge and pollutant control, describing the co-incineration of sludge in municipal solid waste incinerators, coal-fired power plants, and cement kilns. Lin et al. [8] used tea waste to treat sludge, achieving the concept of waste treatment with waste, while also providing ideas for the subsequent harmless treatment of sludge. Gailius et al. [9] used the solidification/stabilization (S/S) method to treat sludge from bio-industrial wastewater; the results showed that by increasing the specific surface area, the efficiency of these solidified binders was improved. At present, most sludge solidification methods utilize cement; studies have shown that cement lacks the chemical fixation for Cr (VI), which cannot be precipitated and adsorbed by hydroxide or carbonate ions and is more likely to leach than other heavy metal ions [10]. Compared with Cr (VI), Cr(III) has lower mobility and toxicity; therefore, reducing Cr (VI) to Cr(III) for further fixation has become an important means of treating Cr (VI)-containing solid waste. The reducing effects of sulfides (Na2S), zero-valent iron, and ferrous ions have been confirmed by research.
With the continuous development of the mining industry, a large number of solid waste products, such as slag and coal gangue, have been produced. The stacking and storage of a large number of solid waste products have had a very serious impact on the ecological environment. Experts and scholars at home and abroad have carried out research on the solidification of heavy metal ions in sludge with solid waste products. Bellmann et al. [11] showed that sulfides in slag (GGBS) (mainly existing as S2−) provide a reducing environment that can reduce Cr (VI) to Cr(III) to control the solubility of chromium, and that the low-valent iron in coal gangue (CG) also has good reducing properties. Chen et al. [12] and others studied the alkali-activated coal gangue–slag geopolymer and found that compared with cement-based materials, it has superior mechanical strength, low permeability, acid resistance, chemical corrosion resistance, and excellent heavy metal fixation performance. Liang et al. [13] used mill powder and waste incineration fly ash as precursors and NaOH and Na2SiO3 solutions as alkali activators with which to prepare geopolymer cementitious materials for the solidification of concentrated sludge. The results of the study indicated that fly ash can effectively promote the polymerization reaction of the precursor, improving the compressive strength and water stability of the solidified sludge. Wang et al. [14] studied the application effect of industrial waste residue and bentonite in the co-treatment of municipal sludge, and evaluated the influence of composite solidifying agents and bentonite on the mechanical properties and environmental safety performance of solidified sludge. China’s industrial waste output is huge; however, the resource utilization rate is still low. The resource utilization of ES is usually carried out by incineration to reduce volumes and improve cementitious properties; however, the issue of dioxin pollution caused by incineration and the impact on heavy metal release should be considered. When ES is used as an auxiliary cementitious material component, the influence of heavy metals contained in the material properties and fixation mechanism is studied, usually by mixing soluble metal salts with cementitious materials to prepare geopolymer materials, which deviates from the complex, mutually influencing relationship between heavy metals and cementitious materials [15].
This study investigates the solidification/stabilization (S/S) of untreated and incinerated sludge using coal gangue–slag, a mining industry byproduct, as the primary material, with water glass as the alkali activator, and sludge as a component of the binder. By synergistically utilizing coal gangue, slag, and sludge, the research examines the physical and chemical properties, hydration mechanism, and heavy metal stabilization process in the solidified matrix. The findings provide a reference for the safe and resource-efficient utilization of solid waste and reducing heavy metal leaching risks, offering a sustainable treatment method for municipal sludge.
2. Experimental Materials and Methods
2.1. Experimental Materials
The sludge was obtained from mechanically dewatered sludge from the Fuan Aozhang Industrial Wastewater Treatment Plant, and dried through a 200-mesh sieve to obtain the incineration treatment for the ES, which underwent constant temperature calcination in a muffle furnace at 800 °C for 1.5 h to obtain the ESA; the XRD image of this is shown in Figure 1. The XRD spectra of ES and ESA in Figure 1 show that the main crystalline phase in ES is calcite (CaCO3), which was decomposed when undergoing incineration at 800 °C. Hard gypsum (CaSO4), fluorite (CaF2), potassium silica-aluminate (KAISi3O8), and calcium alumina can also be seen in the XRD pattern of the ESA after calcination, in addition to some phases containing heavy metals (Fe, Cr, etc.). As shown in Figure 1, which shows the SEM images of ES and ESA at different magnifications, the organic matter with elongated features in the ES cannot be observed in the ESA; the incineration process at higher temperatures tends to lead to the agglomeration of particles, with smaller fine particles attached to the surface of larger particles. The existence of hollow areas between the particles is the reason for the increase in the porosity of the surface of the sludge ash, which can be clearly observed in the high-magnification images. The ESA surface has a complex texture, irregular shape, and higher surface roughness.
Figure 1.
Sludge particle size, SEM image and XRD image: (a) ES; and (b) ESA.
The slag was obtained from S95-grade granulated blast furnace slag powder provided by the Jiyuan Steel Plant and was added to the solid waste grouting material as a high-calcium solid waste material in this test to improve the density and strength of the solid waste grouting material’s crystalline body. The powder and its SEM microscopic scans are shown in Figure 2; the particles are mainly prismatic with sharp edges. The XRD pattern of the slag shows that there is no obvious crystalline phase in the slag except for a small amount of magnesium yellow feldspar. The powder is black, and the microscopic CG particles are irregular in shape and loose in structure. The main crystalline phases, such as quartz, kaolinite, and muscovite, of the gangue can be seen in the XRD patterns shown in Figure 2. The main chemical components of the two are shown in Table 1.
Figure 2.
Particle size morphology of CG (a); and GGBS (b).
Table 1.
Chemical composition of raw materials (unit: %).
2.2. Experimental Design and Methods
According to relevant studies and preliminary tests, the mass ratio of gangue to mineral powder was determined to be 6:4. The dosage of incinerated or untreated ES was 0%, 5%, 10%, 15%, 20% and 25%. The modulus of the alkali exciters was 1.3. The dosage was 8%, and the water-to-binder ratio was set at 0.6, 0.65, 0.7, 0.75, and 0.8. GGBS, CG, and municipal sludge were stirred in accordance with the designed, proportional, homogeneous agent, injected into 50 mm × 100 mm molds and maintained according to previously established standards for 3d and 28d in order to conduct the different performance tests. The test process is shown in Figure 3.
Figure 3.
Experimental process.
3. Experimental Results Analysis
3.1. Compressive Strength
3.1.1. The Effect of Sludge Content on Compressive Strength
As shown in Figure 4a, with the increase in ESA content, the compressive strength of the specimens first briefly increased and then continued to decrease. After 28 days of curing, the maximum strength was 31.5 MPa at 5%. When the ESA content increased from 0% to 25%, the compressive strength of the specimens decreased from 28.2 MPa to 20.8 MPa, a reduction of only 26.2%. However, with the increase in untreated municipal sludge content, the strength decreased from 28.2 to 5.1 MPa, a reduction of 81.9%. This finding indicates that the treated ES has significantly higher cementitious activity, especially when a small amount of ESA is added. ESA can act as a filler in the CGS cementitious system, enhancing the compactness of the material and improving its compressive strength. However, when the content continues to increase, more unreacted ESA particles fill or envelop the hydration products, inhibiting the hydration process, loosening the internal structure of the stone body, and increasing porosity. In addition, the untreated ES contains a large amount of organic matter, which adversely affects the formation of hydration products and the integrity of the cementitious material.
Figure 4.
Effects of different sludge dosages on compressive strength (a); alkali exciter dosage (b); and liquid–solid ratio (c).
3.1.2. The Effect of Alkali Activator Content on Compressive Strength
Figure 4b shows the effect of different alkali activator contents on the compressive strength of the stone body of the slurry. The compressive strength first increases and then decreases with the increase in alkali activator content. When the alkali content is low, the potential activity of slag and coal gangue cannot be fully stimulated and the hydration reaction cannot be fully carried out; when the Na2O content is 4%, the strength of the stone body of the slurry can only reach about 1 MPa. As the alkali content increases, the Si–O bonds and Al–O bonds in the precursor materials break under the action of alkali activation, forming more silicate monomers and aluminate monomers, accelerating the formation of the hydration gel. However, when the content of the alkali activator exceeds 8%, possibly due to the high concentration of OH−, the reaction is rapid and a protective film is formed on the surface of the particles, hindering the hydration reaction. The large specific surface area of the ESA exacerbates this behavior. As can be seen in the figure, when the content increases from 4% to 8%, the compressive strength increases exponentially, indicating that the alkali activator content has a significant impact on the mechanical performance of the stone body.
3.1.3. The Effect of Liquid-to-Solid Ratio on Compressive Strength
The effects of the liquid-to-solid ratio on compressive strength are shown in Figure 4c. The results show that an increase in the liquid-to-solid ratio leads to a continuous decrease in compressive strength and that the decrease in the strength of the specimens with added ES is greater. The increase in water content leads to a reduction in the alkalinity and concentration of reactive substances in the system, resulting in a decrease in compressive strength. Previous studies have shown that an increase in mechanical strength corresponds to an increase in porosity, which may accelerate the transport of pollutants in the system, promoting, in particular, the migration of more potentially threatening Cr to the external environment.
3.2. Concentration and Efficiency of Leaching from Solid Waste Raw Materials and Agglomerates
Numerous studies have shown that a low pH accelerates the leaching capacity of heavy metals [16,17]. Therefore, in this study, an acidic solution was used as a leaching agent to consider the leaching situation under the maximum degree, and compared with the toxic leaching threshold, to study whether the curing of ES by the coal-based solid waste is in accordance with the characteristics of environmental safety. The study also explored the effect of the nodular body on the stabilization of heavy metals, fully taking into account the content of heavy metals carried by a variety of solid waste raw materials to demonstrate the differences between each solid waste material before and after the synergistic curing. In order to examine the heavy metal curing ability, this study adopted the heavy metal stabilization efficiency η to express the calculation formula as follows:
where η is the heavy metal stabilization efficiency (%), Ci1 is the leaching concentration of the grouted nodular body after curing (mg/L), and Ci0 is the sum of the leaching concentration of each original solid waste material before the curing of the grouted material (mg/L), as follows:
Cia is the leached heavy metal concentration of raw material a (mg/L), and fa is the percentage of blending of raw material a (%).
3.2.1. Leaching Concentration of Raw Materials
The leaching concentrations of heavy metals from four types of solid waste raw materials are shown in Figure 5. Compared with the toxicity threshold standards, the heavy metal leaching concentrations of GGBS and CG are within the safe range. A particular focus was placed on comparing the leaching of heavy metals in municipal sludge before and after incineration. It was found that chromium (Cr) and nickel (Ni) pose significant environmental risks in terms of leaching. Specifically, the leaching concentration of Cr in the untreated end sludge (ES) was 3.80 mg/L, while in the end sludge ash (ESA), after incineration, it was 23.89 mg/L, exceeding the safety standard by 3.778 times. The main reason for this is that during the incineration process, chromium (III) (Cr(III)) is oxidized to chromium (VI) (Cr(VI)), increasing the leaching potential of Cr. Cr(III) mainly exists in the form of Cr2O3; studies have shown that under general thermodynamic conditions, the oxidation efficiency of Cr2O3 to Cr(VI) is low. However, Lin et al. [18] and Mao et al. [19] have suggested that the presence of calcium oxide (CaO) during the heating process can significantly increase the efficiency of oxidation to Cr(VI). In this study, the municipal sludge is a typical example where lime is added during the water treatment process for neutralization and flocculation; during incineration, the decomposition of calcite (CaCO3) produces a large amount of CaO, thus promoting the oxidation to Cr(VI) and a significant increase in the leaching concentration of Cr in the ESA. The leaching concentration of Ni does not change significantly after the incineration treatment; however, it reaches 4.35 mg/L, which is close to the safety standard. Therefore, it is imperative to carry out safe treatment to prevent serious environmental impacts.
Figure 5.
Leaching concentrations of heavy metals from raw materials.
3.2.2. Leaching Concentration of Stone Bodies
Figure 6 illustrates the leaching situation of heavy metals in the grouting stone body after 28 days of curing with 25% ESA added. The concentrations of the high-risk metals, Ni (nickel) and Cr (chromium), have decreased to 0.18 and 2.3 mg/L, respectively. The leaching concentrations of the other studied heavy metal ions are below 0.1 mg/L. The grouting stone body composed of these three types of solid waste materials has a significant effect on the fixation of heavy metals from the raw materials, with the stabilization efficiency shown as Cu (copper, 86.4%) > Ni (84.3%) > Pb (lead, 81.4%) > Zn (zinc, 72.8%) > Cr (66.1%). The different stabilization efficiencies are due to the different heavy metal contents, forms in the raw materials, and the solidification methods for different heavy metals by the stone body. Considering all factors, the leaching risks of Cr and Ni are the greatest, posing threats to the environment and human health. Therefore, the following research will focus on the effects of different influencing conditions on the leaching and solidification of Cr and Ni, as well as on the solidification mechanism of heavy metals, summarizing the prevention and control measures for heavy metal leaching under the synergistic action of these three types of multi-source solid waste materials.
Figure 6.
Weight metal leaching concentration and curing efficiency of 25% ESA-doped stones.
3.3. Study of the Solidification Behaviour of Cr and Ni by Solid Waste Grouted Agglomerates
3.3.1. Sludge Proportion
The solidification of municipal sludge using coal-based solid waste activated by alkaline activators is discussed. The leaching situation of Cr and Ni at different proportions of municipal sludge after 28 days of curing is shown in Figure 7a. As the proportion of ESA (end sludge ash) increases, the leaching concentrations of Cr and Ni gradually rise. At the maximum proportion of 25%, the concentrations of Cr and Ni are 2.30 mg/L and 0.18 mg/L, respectively. The main reason is that with the increase in the proportion of ESA, the total metal pollution base value carried by the ESA also increases. However, a good stabilization efficiency is exhibited overall, with the stone body showing a higher stabilization efficiency for Ni (84.27%) than for Cr (66.06%). The main reason for this is that Cr has a stronger migration and leaching ability, especially Cr(VI). A comparison of the samples with 10% ESA and ES (end sludge), as shown in Figure 7b, demonstrated that the sample with ES has a lower leaching concentration of Cr due to the inherent leaching ability of ES. However, the stabilization efficiency of heavy metals with ESA is significantly better than that with ES, for both Cr (68.2% > 57.1%) and Ni (80.4% > 55.4%). The main reason for this is that ESA has higher pozzolanic activity, which results in the production of more hydration gel products with a lower porosity and a more integrated and compact structure, thus inhibiting the leaching of heavy metals. These results indicate that the hydration products formed in the stone body have the potential to fix Cr and Ni ions.
Figure 7.
Effect of different dosages of ESA (a); and ES (b) on the leaching concentration and curing efficiency of Cr and Ni.
3.3.2. Dosage of Alkali Exciters
Figure 8 illustrates the impact of the amount of water glass (sodium silicate) on the leaching concentrations of Cr and Ni in the stone body. Each group of test blocks maintains a water–cement ratio of 0.7, an alkali activator modulus of 1.3, and an end sludge ash (ESA) content of 10%. As shown in Figure 8a, with the increase in the amount of the alkali activator, the leaching concentrations of Cr and Ni show a gradual downward trend. An increase in the alkali activator content leads to a higher sodium silicate content, which in turn increases the alkalinity of the system, promoting the hydration of slag and coal gangue, resulting in the formation of more hydration products. This makes the stone body denser, reduces porosity, and decreases the leaching capacity of metal ions. On the other hand, the formation of more hydration products can encapsulate heavy metal ions, significantly reducing the leaching concentration. This is consistent with previous research results such as those by Zhang et al. [20]. In Figure 8b, it can be seen that when the alkali activator content is 4, the solidification efficiency of Cr is only 49.3%, which fully demonstrates the influential role of the alkali activator. This is consistent with the pattern of influence on the strength of the stone body.
Figure 8.
Effect of different alkali exciter dosages on Cr and Ni leaching concentrations (a); and curing efficiency (b).
3.3.3. Water–Ash Ratio
The variations in the leaching concentrations of Cr and Ni in a 10% ESA leachate with L/S are shown in Figure 9a,b. The Ni concentration gradually increased with L/S, which is consistent with the results of a study by Verbinnen et al. [21]. The curing efficiency of heavy metals decreased with the decrease in compressive strength; the decrease in compressive strength led to an increase in the overall porosity of the agglomerate and a decrease in densification. However, it can be seen that the leaching concentration of Cr is contrary to this and that the increase in L/S was able to inhibit the leaching ability of Cr. The increased water content in the system led to the improved diffusion of Cr (VI), which promoted the reduction reaction of Cr (VI) with the reducing substances S2− and Fe2+ in the GGBS and CG, causing the migration ability and toxicity of the lower amount of Cr (III) to be immobilized. The comparison shows that, in addition to the simple encapsulation and immobilization of heavy metals by hydration gelling, the reduction of Cr to the more easily immobilized low-valent chromium is an important factor influencing the final curing efficiency of Cr [22,23].
Figure 9.
Effects of different water–ash ratios on Cr and Ni leaching concentrations (a); and curing efficiency (b).
3.4. Microscopic Analysis
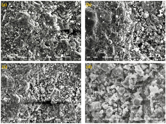
As illustrated in Figure 10a, in samples containing 0% sludge, GGBS and CG exhibit effective polymerization under the influence of alkali activators, forming N–A–S–H gels and other agglomerates (aluminosilicate gels). This hydration process leads to a denser polymeric structure. Figure 10b,c shows that as the ESA content increases, the surface morphology becomes more granular. This is attributed to the inhibitory effect of sludge on the hydration process, resulting in the reduced formation of hydration products, which disrupts the original cross-linked structure. Consequently, the structural integrity diminishes, and porosity increases, creating more pathways for heavy metal ion migration and diffusion, thereby enhancing the leaching potential. A comparison with Figure 10b,d further indicates that at a 6% alkali activator dosage, the SEM micrographs show the significant presence of unreacted particles and raw materials that have not participated in the hydration reaction. This poor cohesion adversely affects the ability to immobilize heavy metals and suppress leaching. As a result, heavy metal leaching concentrations tend to be higher under low alkali activator dosages.
Figure 10.
SEM images of: 0% ESA (a); 10% ESA (b); 25% ESA (c); and 6% alkali exciter (d) specimens.
Figure 11 presents the XRD patterns of solidified samples with different municipal sludge contents after 28 days of curing. The results indicate that in the sample with 0% municipal sludge content, the main crystal phases are quartz, hydrated calcium silicate, and zeolite (other silicoaluminates), which are similar to the results obtained in studies by Cheng et al. [24] The hydration products of zeolite and hydrated calcium silicate are the main contributors to the sample’s compressive strength; the formed, condensed structure enhances the compactness. When municipal sludge is incorporated, the crystalline peaks of the hydration products disappear or decrease, indicating the inhibition of the formation of zeolite and hydrated calcium silicate. In addition, it can be observed that there is a peak in the chromite crystal phase, especially in the samples with high ESA contents, where the concentration of Cr (VI) in the system is high. In a highly porous environment, the reduction of Cr (VI) to the more easily fixed Cr(III) is accelerated, and the chromite spinel is relatively stable and less affected by the environment [25].
Figure 11.
XRD patterns of 0%, 10% and 25% ESA-doped stone bodies.
The analysis of the leaching process of the stone body in a weakly acidic environment and the phase composition of the stone body after the leaching was completed is shown in Figure 12a. The pH value of the leaching liquid quickly transitions from acidic to alkaline, eventually stabilizing at 11.3. The final pH stabilization values for the stone bodies with 10% ESA and ES are similar, but it can be clearly observed that the pH change in the leaching liquid for the stone body with ES is faster. This may be related to the poorer integrity and higher porosity of the stone body, making it more susceptible to erosion. The XRD spectrum of the stone body with 10% ESA after the leaching test is shown in Figure 12b. A comparison with the phase composition before soaking demonstrates that the intensity of the C–S–H gel diffraction peak at 2θ = 29.355, after soaking, has decreased. This may be due to the decalcification of the C–S–H gel under acidic conditions; however, it can be seen that the zeolite and chromite phases have not changed significantly, indicating that the chromite phase is relatively stable and less affected by the environment. This ensures the stability of Cr solidification in the stone body under more complex conditions. Moreover, in the early acidic conditions, due to the erosion of acid, more reducing substances can be released from the structures of slag, etc. The lower the pH value of the leaching environment, the more intense and sufficient the reduction reaction, which promotes the reduction reaction of Cr (VI). Transformation into the more chemically stable Cr(III) for solidification greatly reduces the leaching risk of heavy metal chromium.
Figure 12.
Variations in leaching solution pH with time (a); and XRD pattern after leaching test with 10% ESA-doped stone bodies (b).
3.5. Mechanistic Analysis of Solid Waste Grouting Materials for Solidifying Heavy Metals Cr
3.5.1. Mechanism of the Effect of Sludge Incineration on the Leaching of the Heavy Metal Cr
This paper compares the different advantages of untreated sewage sludge and incinerated sludge as components of solid waste grouting materials on the workability and mechanical strength of the grouting materials. However, since the sludge itself carries heavy metals, it is necessary to fully consider the solidification of heavy metals in different sludge states, especially to focus on the source control of heavy metal solidification. Through micro analysis before and after incineration, and analysis of heavy metal leaching concentrations, it is concluded that sludge incineration promotes the oxidation of Cr, increasing its leaching ability.
Common Cr(III) in chromium-containing sludge mainly exists in the form of chromium oxide (Cr2O3), chromium hydroxide Cr(OH)3, and MCr2O4 (M = Mg, Zn), etc. At present, the oxidation of Cr generally considers Cr2O3. During the thermal treatment of sludge, research by Verbinnen and others generally indicates that the oxidation reaction of Cr2O3 will not proceed at 1400 °C (Equation (3)). However, in the presence of alkali metals or CaO, the oxidation temperature is greatly reduced, promoting the oxidation of Cr(III). When treating municipal sewage, lime and limestone are often added as conditioning agents and precipitants for sludge dewatering, resulting in a high content of CaCO3 in the sludge. As shown in the XRD diagram of the original sludge and incinerated sludge in Figure 1, the decomposition of calcite generates CaO (Equation (4)), which satisfies the oxidation conditions for trivalent chromium in the system. Research has shown that at 500–900 °C, under the conditions of the presence of alkali and alkaline earth metals such as CaO, the oxidation reaction of Cr(III) with CaO is CaCrO4 (Equation (5)) and that the oxidation amount reaches the maximum value at 900 °C. This leads to an increase in the content of Cr(VI) in the sludge ash system, greatly enhancing the leaching risk, as follows:
The influence of the incineration temperature on the oxidation of Cr is shown to be a process that first increases and then decreases. When the temperature rises to between 1000–1200 °C, some of the CaCrO4 is reduced to Ca(CrO2)2 (Equation (6)), which reduces the leaching capacity of Cr. However, when sludge is used as a raw material, it is also necessary to comprehensively consider the impact of the sludge on the performance of solid waste grouting materials as well as the cost of incineration. Research suggests that sludge, as an auxiliary cementitious material, exhibits optimal cementitious activity after incineration treatment at temperatures between 700 °C and 900 °C, as follows:
Therefore, further research is needed to reduce the leaching capacity of Cr from the source. On the one hand, the alkali metal content, especially the content of CaO, in the system can be reduced, so that within the optimal active incineration temperature range of 700–900 °C for sludge, the oxidation temperature of Cr(III) is not reached. On the other hand, during the incineration process, magnesium-containing materials (such as dolomite) can be added. Research has found that in a sludge incineration system containing CaO, the addition of MgO can induce the reduction of CaCrO4 to MgCr2O4, and the reaction can be completed at 600–900 °C. Compared with raising the temperature to convert it to Ca(CrO2)2, the reaction occurs more quickly; thus, it is a potential remedial measure to suppress the generation of Cr(VI).
3.5.2. Mechanisms of Reduction and Immobilization of Heavy Metal Cr by Coal-Based Solid Waste Materials
Hexavalent chromium has high toxicity and solubility in water, and compared with other heavy metals, it has a stronger leaching toxicity. Since it cannot be precipitated by hydroxide or carbonate ions, ordinary Portland cement lacks a chemical fixation for it. Therefore, it is particularly important to reduce Cr(VI) to Cr(III) for fixation [26]. Leaching experiments show that the Cr leaching concentration of incinerated municipal sludge rich in Cr(VI) is 23.89 mg/L, and the leaching concentration of the stone body with 10% sludge is 1.07 mg/L. A comparison of heavy metal Cr and Ni leaching concentrations under different water–cement ratios, showed that the fixation of Cr is not the same as conventional adsorption and encapsulation methods. The reduction efficiency of Cr has an important impact on the solidification of heavy metals. On the one hand, the S2− in the slag provides a reducing environment for the system, and the following reaction occurs (Equation (8)); secondly, the coal gangue contains Fe2+, which also has a reducing effect on Cr(VI) (Equation (9)), as follows:
The generated Cr(III) is further immobilized through the following mechanisms: (1) the formation of new crystalline phases, as evidenced by the XRD patterns of the sludge-amended stone bodies, which show an increase in the chromite peak compared to those without sludge. Once the spinel phase FeCr2O4 is formed, it exhibits strong chemical stability and is less susceptible to external environmental interferences, leading to a low risk of Cr leaching; (2) incorporation through ion exchange into the geopolymer. The XRD patterns of the solid waste grouting stone bodies show that the main hydration product after sludge incorporation is C–S–H gel. With its high specific surface area, it can adsorb heavy metal ions onto its surface, potentially substituting Si in the silicate tetrahedra of C–S–H to form C-(Cr)-S-H, thereby fixing it within the solidified matrix, or combining with the negatively charged (AlO4) to balance the charge. Wang Xin et al. [27] concluded that ettringite has different solidification mechanisms and stabilities for Cr6+ and Cr3+, with a solidification rate for Cr3+ exceeding 90%, whereas for Cr6+ it is less than 50%, and the solidification capacity for Cr6+ continues to weaken with the extension of the curing period; (3) adsorption. Geopolymer materials have a higher adsorption capacity for heavy metal ions compared to that of ordinary Portland cement. The zeolite phase formed in geopolymers has a strong adsorption capacity, which can immobilize them within the cavities; moreover, the reduced Fe3+ generates Fe(OH)3 precipitate in an alkaline environment and the resulting colloids, carrying a positive charge by adsorbing Fe3+, can adsorb CrO42− to produce sedimentation, supplementing the solidification of unreduced Cr(VI) [28]; and (4) physical encapsulation. This is also an important method for Cr solidification. Combined with the SEM micrographs and leaching concentrations of the stone bodies with and without sludge incineration, the unreacted portion is encapsulated within the hydration gel, implying that the heavy metals may also be encapsulated by the hydration products.
4. Conclusions
This study evaluated the stabilization/solidification (S/S) efficiency of ESA (end sludge ash) and ES (end sludge) as supplementary cementitious materials in CGS (coal gangue slurry). The key findings are as follows:
- (1)
- With increasing ESA contents, the compressive strength first rises and then declines, peaking at 31.5 MPa with 5% ESA and remaining at 20.8 MPa with 25% ESA, a decrease of only 26.2%. In contrast, the addition of ES leads to a continuous strength reduction of 81.9%, attributed to its high organic content and low pozzolanic activity, which hinder hydration. This comparison highlights the significant contribution of ESA, post incineration, to mechanical strength. While ES offers slightly better fluidity than ESA, its limitations in mechanical strength make it unsuitable for large-scale use as a supplementary cementitious material. The alkali activator significantly affects strength, with an optimal dosage of 8%;
- (2)
- Raw sludge poses potential environmental risks due to Cr (chromium) and Ni (nickel) leaching. The grouting stone effectively immobilized heavy metals, with post-stabilization leaching levels significantly below national environmental standards. The stabilization efficiency of heavy metals in the stone with 25% ESA is in the following order: Cu (86.4%) > Ni (84.3%) > Pb (81.4%) > Zn (72.8%) > Cr (66.1%). ESA-amended samples demonstrated superior heavy metal stabilization compared to that of ES due to the higher compressive strength, which resulted in a denser polymer matrix with reduced porosity;
- (3)
- A decrease in sludge content and an increase in the alkali activator dosage reduced the leaching concentrations of Cr and Ni in the grouting stone. However, a higher liquid-to-solid ratio led to a decrease in Cr leaching but an increase in Ni leaching. The increased water content facilitated the diffusion of Cr(VI), enhancing its reduction by reductive substances (S2− and Fe2+) in GGBS (Ground Granulated Blast-Furnace Slag) and CG, forming Cr(III) with lower mobility and toxicity. This demonstrates that Cr stabilization is not solely reliant on physical encapsulation by hydration gels but also significantly influenced by the chemical reduction of Cr(VI) to a less mobile valence state;
- (4)
- The reductive components in the CGS reduced Cr(VI), subsequently fixing it through the formation of chemically stable chromite phases in the geopolymer matrix. These phases enhance Cr immobilization, minimizing the risk of leaching even under external environmental influences. Thus, using ESA as a cementitious material in CGS offers a safe and resource-efficient strategy for the solidification of heavy metals. This work highlights the potential of ESA as an environmentally sustainable material for the stabilization and solidification of heavy metals in industrial and municipal waste management.
Author Contributions
Conceptualization, methodology, data curation, writing—original draft preparation, X.Z. and S.L.; formal analysis, investigation, writing—review and editing, funding acquisition, Y.D. All authors have read and agreed to the published version of the manuscript.
Funding
This research was funded by National Natural Science Foundation of Shandong Province grant number [ZR2023ME066].
Data Availability Statement
The datasets used and/or analyzed in this study are available from the corresponding author on reasonable request.
Conflicts of Interest
The authors declare no conflicts of interest.
References
- Fan, Y.; Wang, X.K.; Xu, T.; Wang, C.W. A novel sludge Acidification combined Multistage Elutriation (AME) pretreatment strategy for sludge dewaterability improvement, inorganic components separation and heavy metals removal. Resour. Conserv. Recycl. 2022, 185, 106498. [Google Scholar] [CrossRef]
- Lin, W.; Liu, X.; Ding, A.; Ngo, H.H.; Zhang, R.; Nan, J.; Ma, J.; Li, G. Advanced oxidation processes (AOPs)-based sludge conditioning for enhanced sludge dewatering and micropollutants removal: A critical review. J. Water Process Eng. 2021, 45, 102468. [Google Scholar] [CrossRef]
- Ramadan, H.; El Sayed, A.A. Optimization of alum recovery from water treatment sludge-case study: Samannoud water treatment plant, Egypt. Water Environ. J. 2022, 34, 464–473. [Google Scholar] [CrossRef]
- Lo, K.V.; Tan, H.J.; Tunile, I. Microwave enhanced advanced oxidation treatment of municipal wastewater sludge. Chem. Eng. Process. 2018, 128, 143–148. [Google Scholar] [CrossRef]
- Wang, H.; Yu, Y.; Hu, J.H.; Wang, H. A novel method for effective solidifying chromium and preparing crude stainless steel from multi-metallic electroplating sludge. J. Hazard. Mater. 2023, 465, 133068. [Google Scholar]
- Li, D.; Shan, R.; Jiang, L.; Gu, J.; Zhang, Y.; Yuan, H.; Chen, Y. A review on the migration and transformation of heavy metals in the process of sludge pyrolysis. Resour. Conserv. Recycl. 2022, 185, 106452. [Google Scholar] [CrossRef]
- Liang, Y.; Xu, D.; Feng, P.; Hao, B.; Guo, Y.; Wang, S. Municipal sewage sludge incineration and its air pollution control. J. Clean. Prod. 2021, 295, 126456. [Google Scholar] [CrossRef]
- Lin, W.; Chen, R.L.; Gong, C.X.; Desmond, P. Sustained oxidation of Tea-Fe(III)/H2O2 simultaneously achieves sludge reduction and carbamazepine removal: The crucial role of EPS regulation. J. Hazard. Mater. 2024, 470, 134182. [Google Scholar] [CrossRef] [PubMed]
- Gailius, A.; Vacenovska, B.; Drochytka, R. Hazardous Wastes Recycling by Solidification/Stabilization Method. Mater. Sci. 2010, 16, 165–169. [Google Scholar]
- Pandey, B.; Kinrade, S.D.; Catalan, L.J.J. Effects of carbonation on the leachability and compressive strength of cement-solidified and geopolymer-solidified synthetic metal wastes. J. Environ. Manag. 2012, 101, 59–67. [Google Scholar] [CrossRef] [PubMed]
- Bellmann, F.; Stark, J. Activation of blast furnace slag by a new method. Cem. Concr. Res. 2009, 39, 644–650. [Google Scholar] [CrossRef]
- Chen, Z.; Li, J.S.; Zhan, B.J. Compressive strength and microstructural properties of dry-mixed geopolymer pastes synthesized from GGBS and sewage sludge ash. Constr. Build. Mater. 2018, 182, 597–607. [Google Scholar] [CrossRef]
- Liang, S.H.; Wang, J.; Wang, Y.X. Experimental study on solidification of concentrated solution sludge by alkali-activated GGBS and MSWl fly ash cementitious materials. China Civil Eng. J. 2023, 56, 75–89. [Google Scholar]
- Wang, A.H.; Zhang, Y.F.; Ni, J.J. Performance and microscopic characteristics of industrial waste residues and bentonite-solidified sludge. Chin. J. Environ. Eng. 2024, 18, 857–865. [Google Scholar]
- Roy, A.; Stegemann, J.A. Nickel speciation in cement-stabilized/solidified metal treatment filtercakes. J. Hazard. Mater. 2017, 321, 353–361. [Google Scholar] [CrossRef]
- Tian, S.C.; Jiang, J.G.; Zhang, C. Influence of flue gas SO2 on the toxicity of heavy metals in municipal solid waste incinerator fly ash after accelerated carbonation stabilization. J. Hazard. Mater. 2010, 192, 1609–1615. [Google Scholar]
- Garrabrants, A.C.; Sanchez, F.; Kosson, D.S. Changes in constituent equilibrium leaching and pore water characteristics of a Portland cement mortar as a result of carbonation. Waste Manag. 2004, 24, 19–36. [Google Scholar] [CrossRef]
- Lin, M.; Ning, X.A.; Liang, X.; Wei, P.; Wang, Y.; Liu, J. Study of the heavy metals residual in the incineration slag of textile dyeing sludge. J. Taiwan Inst. Chem. Eng. 2014, 45, 1814–1820. [Google Scholar] [CrossRef]
- Mao, L.; Gao, B.; Deng, N.; Zhai, J.; Zhao, Y.; Li, Q.; Cui, H. The role of temperature on Cr(VI) formation and reduction during heating of chromium-containing sludge in the presence of CaO. Chemosphere 2015, 138, 197–204. [Google Scholar] [CrossRef] [PubMed]
- Zhang, M.; Yang, C.; Zhao, M.; Yang, K.; Shen, R.; Zheng, Y. Immobilization potential of Cr(VI) in sodium hydroxide activated slag pastes. J. Hazard. Mater. 2017, 321, 281–289. [Google Scholar] [CrossRef] [PubMed]
- Verbinnen, B.; Billen, P.; Van Coninckxloo, M.; Vandecasteele, C. Heating temperature dependence of Cr (III) oxidation in the presence of alkali and alkaline earth salts and subsequent Cr (VI) leaching behavior. Environ. Sci. Technol. 2013, 47, 5858–5863. [Google Scholar] [CrossRef] [PubMed]
- Chen, H.; Yuan, H.; Mao, L.; Hashmi, M.Z.; Xu, F.; Tang, X. Stabilization/solidification of chromium-bearing electroplating sludge with alkali-activated slag binders. Chemosphere 2020, 240, 124885. [Google Scholar] [CrossRef] [PubMed]
- Liu, X.F.; Liu, M.Y.; Luo, F.W.; Lu, H.J. Environmental Characteristics, Mechanical and Hydraulic Behavior of Solidified Cr(VI) Contaminated Soil with Industrial Waste Residue. Water Air Soil Pollut. 2023, 234, 117. [Google Scholar] [CrossRef]
- Yi, C.; Ma, H.Q.; Chen, H.Y.; Wang, J.; Shi, J.; Li, Z.; Yu, M. Preparation and characterization of coal gangue geopolymers. Constr. Build. Mater. 2018, 187, 318–326. [Google Scholar]
- Liao, C.; Tang, Y.; Liu, C.; Shih, K.; Li, F. Double-Barrier mechanism for chromium immobilization: A quantitative study of crystallization and leachability. J. Hazard. Mater. 2016, 311, 246–253. [Google Scholar] [CrossRef]
- Su, P.D.; Zhang, J.K.; Li, Y.D. Chemical fixation of toxic metals in stainless steel pickling residue by Na2S∙xH2O, FeSO4∙6H2O and phosphoric acid for beneficial uses. J. Environ. Sci. 2020, 90, 364–374. [Google Scholar] [CrossRef]
- Wang, X.; Cui, S.P.; Wang, L.; Liu, J. Solidification and Stability of Ettringite Doped Cr lon with Different Valence. Bull. Chin. Ceram. Soc. 2015, 34, 3308–3314. [Google Scholar]
- Guo, Q. Study on Preparation and Adsorption Properties on the Heavy Metal lons of Chitosan/Geopolymer Permeable; Lanzhou Jiaotong University: Lanzhou, China, 2023. [Google Scholar]
Disclaimer/Publisher’s Note: The statements, opinions and data contained in all publications are solely those of the individual author(s) and contributor(s) and not of MDPI and/or the editor(s). MDPI and/or the editor(s) disclaim responsibility for any injury to people or property resulting from any ideas, methods, instructions or products referred to in the content. |
© 2025 by the authors. Licensee MDPI, Basel, Switzerland. This article is an open access article distributed under the terms and conditions of the Creative Commons Attribution (CC BY) license (https://creativecommons.org/licenses/by/4.0/).











