A Comprehensive Review of Solar Still Technologies and Cost: Innovations in Materials, Design, and Techniques for Enhanced Water Desalination Efficiency
Abstract
1. Introduction
- Conventional solar still desalination (CSS).
- Modified solar still desalination systems (MSS):
- SS systems with external heat sources.
- SS systems with thermal energy storages.
- SS systems featuring reflective surfaces.
- SS systems equipped with external condensers.
- SS systems utilizing cover cooling.
- SS systems utilizing extended surface areas.
- Other improvements to the SS systems.
- Thermoelectric modules (TEC/TEH).
- SS systems productivity and cost.
- Future work.
- Conclusions drawn from the literature.
2. Conventional Solar Still (CSS) Desalination
3. Modified Solar Still (MISS) Desalination Systems
3.1. SS Systems with Thermal Energy Storages
3.2. SS Systems with Thermal Energy Storages
3.3. SS Systems Featuring Reflective Surfaces
3.4. SS Systems Equipped with External Condensers
3.5. SS Systems Utilizing Cover Cooling
3.6. SS Systems with Extended Surfaces
3.7. Other Improvements to the SS Systems
- Vibration motion: A recent study by Dawood et al. [72] explored enhancing freshwater production from solar stills through innovative modifications. The researchers combined an electric heater, vibratory motion, and thermoelectric cooling to improve evaporation and condensation rates. Using a 1 m2 footprint setup with a 450 W heater and vibration mechanism powered by solar panels, they tested various configurations (Figure 38). The most effective setup achieved a daily productivity of (12.82) kg/day at an evaluated cost of (0.01786) USD/L/m2. This modified system demonstrated higher exergo-economic efficiency and greater potential for CO2 reduction compared with conventional solar stills. The study highlights promising advancements in solar desalination technology for addressing water scarcity.
- Sun tracking system: A study by Abdallah and Badran [73] examined the impact of a sun tracking system on solar still (SS) productivity. Using a simple single-slope, single-basin SS (1 m × 1.2 m, 32° cover tilt), they found that the tracking system increased daily water output by about 22% compared with a fixed SS. The researchers presented hourly productivity data comparing both systems, highlighting the tracking system’s enhanced performance. This research demonstrates the potential of sun-tracking mechanisms to significantly improve solar desalination efficiency. Figure 39 illustrates variation in productivity per hour for both SSs.
- Internal fan: Kianifar et al. [74] examined the impact of integrating a fan into a pyramidal solar still (SS) system. Their investigation revealed that the addition of a fan significantly improved the system’s productivity during the summer, achieving an increase of 20%. This improvement was attributed to enhanced water vapor distribution and evaporation rates facilitated by the fan. However, during the winter season, the effect of the fan was negligible, likely due to lower ambient temperatures and reduced solar radiation. This finding highlights the seasonal dependency of fan-assisted modifications in solar still systems. Figure 40 illustrates the diagrammatic representation of the experiential setup.
- Inverted absorber SS system: Dev et al. [75] proposed an innovative inverted absorber solar still (SS) system and compared its performance with that of a conventional SS system. Their findings demonstrated that the inverted SS system achieved a maximum productivity per day of 6.3 kg/m2, significantly surpassing the 4.15 kg/m2 recorded for the conventional system. However, in terms of efficiency, the conventional SS system displayed a higher maximum efficiency per day of 48%, compared with 34.6% for the inverted system. Additionally, the study investigated the depth effect of water on system performance, identifying an optimum depth of 3 cm for maximizing productivity. This research highlights the potential trade-offs between productivity and efficiency in different SS configurations and emphasizes the role of water depth in optimizing system performance (Figure 41).
- Rubber scrapers on inner surface: Al-Sulttani et al. [76] inspected the performance of a double-tilt SS equipped with rubber scrapers on the inner surface of its cover. These scrapers, resembling windshield wiper blades, were designed to collect condensate from the inner cover surface (Figure 42). This mechanism prevents the re-evaporation of collected water droplets and allows more solar energy to penetrate the system by minimizing light obstruction caused by condensate accumulation. The study revealed that the modified SS system carried out an average productivity per day of 4.24 L/m2, representing a 63% improvement in productivity in comparison to the CSS. These findings underscore the effectiveness of rubber scrapers in enhancing light transmission and maintaining high productivity levels. Figure 43 displays the cumulative output of the modified and conventional SSs.
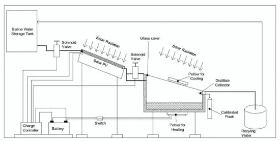
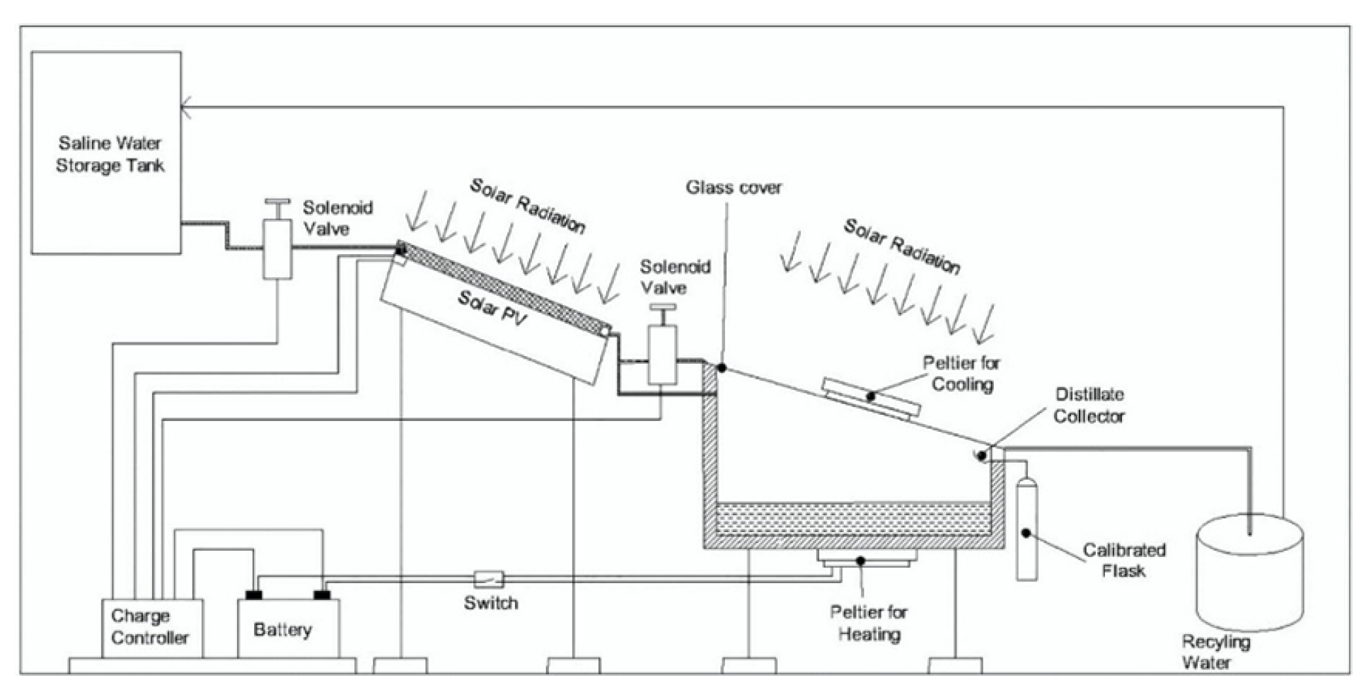
- Ultrasonic humidifiers: Alwan et al. [77] carried out an empirical investigation to evaluate the impact of modifications aimed at improving condensation and evaporation processes in a solar still (SS) system. The modifications included the placement of ultrasonic humidifiers submerged in pool water within a cotton net tent and the integration of a cooling chamber equipped with TEM elements (Figure 44). The experimental findings demonstrated a remarkable increase in productivity of the modified MSS, achieving 124% improvement in comparison to the CSS. The highest efficiency of thermal was registered at 14:00, with the modified system achieving approximately 95.8%, significantly higher than the 35.6% observed for the conventional system. Additionally, the cost study revealed that the productivity cost of water produced by the distilled process was slightly lower for the adjusted system (0.040 USD/L) compared with the conventional system (0.042 USD/L).
- High-absorbent papers: Mandev et al. [78] investigated the impact of incorporating water-absorbing materials and a Peltier cooling module into a solar still (SS) system to enhance evaporation performance. To minimize heat loss and improve thermal efficiency, the SS housing was insulated with Styrofoam. The experimental setup included a metal housing that was painted black, with the cover of glass placed at an angle about 30° from horizontal. The study reported a recovery of 25 g of purified water under standard conditions. However, modifications using black superabsorbent paper on a frame made of metal in a triangular shape (Case 5) and superabsorbent paper in upright column arrangements (Case 6) resulted in significantly higher water recovery rates of approximately 34 g and 40 g, respectively. These configurations also demonstrated remarkable improvements in thermal efficiency, with increases of 29% for Case 5 and 45% for Case 6. Additionally, a cost analysis indicated that the use of in-house materials contributed to notable cost efficiency. Case 6 achieved a cost reduction of over 35% per liter of purified water compared with the conventional setup, demonstrating the economic viability of the proposed modifications (Figure 45).
- Nanoparticles: One effective approach to increasing water temperature and enhancing the efficiency of SSs was using nanofluids instead of pure water. Nanofluids, formed by mixing nanoparticles at various concentrations into a base liquid, have higher density, offer improved thermal conductivity, and have lower heat capacity compared to water, thereby enhancing heat transfer and water productivity. Nazari et al. [79] carried study on the efficiency of an SS utilizing Cu2O–water nanofluid at a concentration of 0.08% along with a glass cooling cover. The setup included a duct connected to four TEMs through which air temperature was reduced. A fan facilitated airflow through the glass cover, further cooling the system. Their results showed that using Cu2O–water nanofluid significantly improved the productivity of water, energy efficiency, and efficiency of exergy by 81%, 80.6%, and 112.5%, in comparison to a CSS. Although the cost of water production using nanofluids is higher than that of pure water due to the expense of nanoparticles, the study reported an optimal production cost of 0.0218 USD/L for the modified MSS. This demonstrates that while the use of nanofluids offers substantial performance enhancements, economic considerations remain critical in determining the feasibility of such modifications.
- Air solar collector: Solar collectors, functioning as solar air heaters, can enhance the temperature of water in an SS through convective heat transfer, utilizing a pool liner to facilitate this process. Abdullah [80] conducted an experimental investigation on the efficiency of a staged SS integrated with a heater using solar to heat the air and the cooled cover from a glass. The system included aluminum (Al) filling with a material that worked as a heat storage beneath the plate of absorption, which maintained a sufficiently high operating temperature to enable water distillation during nighttime. In this setup, hot air was directed beneath the staged solar still, raising the temperature of the saltwater, while cooling water flowed over the glass surface to improve condensation, as depicted in Figure 46. The study reported a 112% increase in the productivity of water for the staged SS compared with conventional designs. Furthermore, the addition of aluminum filling in the staged SS produced a 53% improvement in the productivity of water over the CSS.
- Geometry: Elashmawy [3] examined the influence of a cooling of the glass surface and solar collectors on the efficiency of a high-temperature tubular SS (HTS-SS). To enhance the evaporation rate, a concentrator with a parabolic shape and solar tracking was employed, optimizing the solar energy input. The study involved three configurations: a conventional high-temperature tubular SS, one using water cooling by spray, and another with film water cooling applied to the glass surface of the tubular still. In the cooling by spray configuration, water was sprayed and atomized upon the surface of the glass at a rate of 20 mL/h, while in the film cooling configuration, water was introduced into the space between the two glass tubes at a flow rate of 40 mL/min. Contrary to expectations, the results showed that the productivity of water decreased by approximately 10% with cooling through spray application and by 43.8% with film cooling compared with the conventional HTS-SS without glass cooling. The findings indicate that cooling of the glass cover is not an effective approach for stand-alone tubular SS, as illustrated in Figure 47.
4. Thermoelectric Modules (TEC/TEH)





5. SS Systems Productivity and Cost
Assumptions Behind Cost Calculations in the Articles
- Geographic location: The lowest reported cost of 0.011 USD/L was achieved under real-world conditions in Rajshahi, Bangladesh, a region with high solar irradiance that supports consistent freshwater production with low operating costs. For comparative context, other regions referenced include Erzurum, Turkey (up to 0.452 USD/L), and Al-Arish, Egypt.
- Scale of deployment: The cost analysis is based on small-to-medium-scale systems, typically involving single-slope basin designs with surface areas of approximately 1–2 m2. These setups are intended for domestic or community-level applications. While precise commercial scalability is not always stated in the source studies, these sizes represent realistic pilot or field-tested implementations.
- System configuration: The 0.011 USD/L cost is associated with a hybrid solar still incorporating a phase change material (PCM), external condenser, and solar collector. This configuration improves energy retention, prolongs operation hours, and enhances condensation efficiency—key factors in lowering the cost per liter.
- Operating time and productivity assumptions: Water production is typically measured on a daily basis and then annualized to estimate long-term yield. Productivity gains in the referenced systems range from 2 times to 6.7 times over conventional solar stills.
- Material and component costs: Cost efficiency is enhanced by the use of affordable and locally available materials, such as paraffin wax for PCM and passive solar components. Most systems avoid complex automation or high-energy devices, further minimizing capital and operating expenses.
- Maintenance and lifespan: While detailed maintenance schedules are not always provided, the reliance on passive technologies suggests low maintenance requirements. Assumed operational lifespans range between 5 and 10 years, consistent with other solar desalination systems. Some cost estimates are supported by exergoeconomic analysis, though detailed amortization models are not uniformly applied.
- Environmental and economic context: The cost estimates reflect conditions typical of developing regions, such as low labor costs, abundant solar availability, and minimal reliance on high-cost infrastructure. R&D and prototype fabrication costs are generally excluded from these calculations.
6. Future Work
- Currently, glass and plexiglass are the predominant materials used as covers, yet these materials exhibit low thermal conductivity, which limits their effectiveness in glass cooling applications. Investigating alternative materials with superior thermal conductivity could significantly improve the condensation rate.
- Another avenue for optimization involves the thermoelectric modules utilized for both heating and cooling processes. Future studies should focus on refining the configuration of these systems, including the number of thermoelectric heating and cooling elements, as well as their power consumption, to maximize efficiency.
- Additionally, employing nanocoatings may enhance the absorption of solar intensity within the basin, thereby increasing the condensation rate, particularly when coupled with hydrophobic glass covers. This approach warrants further exploration to assess its potential benefits.
- To comprehensively understand the impacts of thermoelectric cooling and heating on the water productivity of various SS designs, computational fluid dynamics (CFDs) simulations or MATLAB modeling could be utilized. These tools would provide valuable insights into the operational dynamics of different configurations.
- Exploring the integration of solar refrigerators to lower the temperature of external condensers, along with the substitution of nanofluids for traditional liquid glass cooling, presents another promising area for research. This approach could further enhance the condensation rate.
- Finally, the utilization of low-cost materials, such as plastic in place of glass, could improve the economic viability of water production from solar still systems. This shift in materials could lead to more sustainable and accessible desalination solutions.
7. Future Outlook: Pathways for Integrating Hybrid Solar Still Technologies
7.1. Near-Term (1–3 Years): Experimental Optimization and Modeling
- Optimizing the number and arrangement of TEM heating/cooling elements for varying climates,
- Developing CFD and MATLAB models that simulate hybrid systems under diverse environmental conditions,
- Testing novel nanomaterials, including hydrophobic nanocoatings, for improving condensation efficiency.
7.2. Mid-Term (3–7 Years): Standardization and Field Deployment
- Establishing guidelines for maintenance intervals, especially for cleaning and replacing nanofluids and TEM components,
- Evaluating material degradation over time under outdoor exposure,
- Creating field-deployable kits for schools, villages, or disaster-prone areas using low-cost materials like plastic in place of glass.
7.3. Long-Term (7–10+ Years): Commercialization and Policy Integration
- Life-cycle assessments (LCA) and exergo-economic studies to benchmark environmental impact and return on investment,
- Collaborations with policymakers to embed SS systems in national water strategies, particularly in off-grid or post-disaster recovery programs,
- Encouraging open-source designs and localized manufacturing to reduce costs and increase access.
8. Conclusions Drawn from the Literature
- The highest cost per liter of water produced was recorded in a reference solar still setup with thermoelectric cooling and surface fans, which amounted to approximately USD 0.452 per liter in Erzurum, Turkey.
- Conversely, the lowest cost per liter was found in a solar still incorporating an external condenser, PCM, and wick material, at around USD 0.011 per liter in Rajshahi, Bangladesh.
- The reported cost of 0.011 USD/L was based on a prototype hybrid system operated under high solar radiation conditions in Rajshahi, Bangladesh, integrating an external condenser, PCM, and solar collector. The cost estimation assumes small-scale deployment, minimal maintenance, low material costs, and sustained productivity over typical solar daylight hours.
- Due to the intricate nature of evaporation and condensation processes in solar still systems, the majority of prior research has focused on experimental investigations, with relatively few studies utilizing theoretical or mathematical modeling and even fewer employing numerical methods.
- Given the inherently low productivity of solar stills, most research efforts have concentrated on enhancing the distillate yield, which can be achieved through several strategies:
- Increasing the evaporation rate: this can be accomplished by elevating brackish water temperatures via heaters, solar collectors, and heat exchangers; expanding the evaporation surface area using fins and wicks; enhancing solar gain with reflective surfaces; or storing solar heat with thermal storage materials.
- Increasing the condensation rate: this is typically achieved by lowering the cover temperature through film cooling or utilizing external condensers.
- Improving the thermo-optical properties of brackish water: this can be done by adding dyes and/or nanoparticles to enhance thermal conductivity and solar radiation absorption.
- Integrating multiple enhancements: some researchers have successfully combined various improvements to the solar still system or introduced innovative designs, such as multi-stage solar stills.
- Expanding the evaporation surface area is a promising approach to enhance productivity, as evaporation occurs at the water’s surface; thus, a larger surface area correlates with increased output.
- The use of nanoparticles, including nano-enhanced PCM, nanocoatings, and nano-fluids, has a direct and positive impact on the water production rate of solar stills.
- Accurately estimating water production rates or costs associated with solar still systems is challenging without experimental validation.
- The optimal tilt angle for the cover is generally recommended to match the geographical location’s latitude.
- A shallower water depth tends to enhance daytime productivity, while greater depth can improve nighttime yields.
- A double-slope cover configuration is preferred over a single-slope design for better performance.
- Utilizing low-cost materials and manufacturing techniques can significantly reduce the cost of producing one liter of water from solar stills.
- The integration of glass cover cooling with various evaporation methods has generally resulted in increased water production rates, with exceptions noted for tubular solar stills and shaded glass cooling.
- Employing an external heating source and effective water-cooling methods in solar stills has been shown to substantially increase thermal efficiency.
- The most significant productivity enhancements were observed in single-slope systems utilizing solar parabolic dishes. For example, the application of separate thermoelectric cooling and heating modules resulted in a 6.7-times increase in water productivity compared with conventional solar stills. Other configurations, such as those using double-glazed glass and fins along with thermoelectric cooling, achieved productivity increases of 5.7 times, while combinations of thermoelectric cooling, CuO–water nanofluid, and vibration motion led to a 5.3-times increase. Additionally, a drum distiller equipped with an external condenser and solar water heater, along with nanofluids, resulted in a 3.5-fold increase over traditional solar stills (see Table 3).
- The performance of solar stills is influenced by various factors, including solar radiation, water depth, thermal insulation, and the temperature difference between glass and water. To optimize this temperature differential, two main approaches can be employed: increasing the water temperature or decreasing the glass temperature.
9. Practical Challenges and Sustainability Considerations
9.1. Material Degradation and Durability
9.2. System Maintenance and Operational Demands
9.3. Environmental and Life-Cycle Impact
9.4. Research Gaps and Future Work
10. Barriers to Widespread Adoption of Solar Still Technologies
10.1. Economic and Market Limitations
10.2. Technological Complexity and Maintenance Needs
10.3. Geographic and Climatic Constraints
10.4. Policy, Awareness, and Regulatory Gaps
- Focus on cost-effective modular designs that balance simplicity and performance.
- Develop maintenance protocols and user training manuals for local deployment.
- Integrate climate-responsive models to customize designs by geography.
- Encourage policy initiatives and subsidy programs to support uptake at the grassroots level.
Author Contributions
Funding
Data Availability Statement
Conflicts of Interest
Abbreviations
| RSS | Reference Solar Still | LC | Local Clay Material |
| WI | Wast Iron Residues | WCA | Wick Corrugated Absorber |
| M | Mirrors | MWCNT | Multiwalled Carbon Nanotubes |
| SS-WT | Solar Still by Water Cooling and TEG | FA | Forced Air Cooling |
| PMMA | Acrylic | FW | Forced Water Cooling |
| PC | Polycarbonate | HE | Heat Exchanger |
| PMMSSS | Portable Modified Multi-Slope SS | EXSC | External Solar Collector |
| CDSSS | Conventional Double Slope SS | CPC | Compound Parabolic Concentrator |
| CGTCC | Cotton Gauze Top Cover Cooling | PTSS | Portable Thermoelectric Solar Still |
Appendix A
| SS Type | Condensation Techniques | Evaporation Techniques | Results | References |
|---|---|---|---|---|
| Conventional Solar Still (CSS) Desalination | ||||
| Double slope | Air | Conventional | Productivity = 4.15 kg/m2·day. Cost = 0.02 USD/L. | [29] |
| Single slope | Air | Conventional | Productivity = 1.341 L/m2 to 4.186 L/m2. Efficiency = 11.25 to 39.59%. Cost = 0.074 USD/L to 0.024 USD/L. | [30] |
| SS Systems with External Heat Sources (MSS) | ||||
| Single slope | Air | PCM and electric heater | Max freshwater production was at paraffin wax temperature of 65 °C. | [31] |
| Single slope | Air | Solar parabolic trough | Productivity increased by 177%. Hourly freshwater = 0.38 to 0.67 L/m2/h. | [32] |
| Double slope | TEC | TEH | Productivity (water-cooled) = 81.1%. Productivity MSS = 98.9%. | [101] |
| Single slope | Air | Evacuated tube solar collector | Daily yield higher by 20%. Efficiency higher by 26%. Optimum water depth = 0.03 m. | [33] |
| Single slope | Air | Solar parabolic trough | Productivity increased by 18%. | [35] |
| Single slope | Air | Solar pond | Productivity higher by 52.36%. Efficiency higher by 43.8%. | [36] |
| single slope | Air | Solar collector | Productivity increased by 36%. | [34] |
| SS systems with thermal energy storages (PCM) | ||||
| Single slope | Air | Mirrors reflector and PCM | Freshwater by CSS = 0.64, by SS-TEG = 0.63, by SS-TEG-WI = 0.652, and by SS-TEG-WI-M = 0.796 L/m2. | [37] |
| Single slope | Air | PCM and local clay | Using PCM, yield increased by 21%; with local clay, it increased by 38.7%. Daily efficiency of CSS = 34%, with PCM = 41.2%, with LC = 47%. | [38] |
| Single slope | TEC | PCM and nano-paint, TEH | TEH-S had 20% and 7% higher daily energy and exergy efficiency than TEC-S. Productivity of TEH- S to TEC-S improved by 78.8%. cost with TEH = 0.0127 USD/L, with TEC = 0.023 USD/L. | [39] |
| Double slope | External condenser | Solar collector and PCM | Productivity of finned solar still increased by 9.7%, and P of modified solar still increased by 24.7%. | [81] |
| Single slope | Air | PCM and oil heat exchanger | Productivity of CSS = 4.48 L/m2 day, MSS = 10.77 L/m2 day. Daily efficiency of CSS = 25.73%, enhanced daily efficiency = 46%. Productivity enhanced by 140.4%. Efficiency enhanced by 44%. | [40] |
| Single slope | Air | PCM | Productivity, P = from 4.51 to 7.54 L/m2/day. P higher by 67.18%. | [41] |
| Single slope | Air | PCM and V-corrugated absorber | Daily productivity higher by 11.7%. | [43] |
| Single slope | Air | Weir-type cascade with PCM | Daily productivity increased by 31%. Efficiency with PCM = 64%, without PCM = 47%. Daily yield with PCM = 6.7 kg/m2, without PCM = 5.1 kg/m2. | [42] |
| Double slope | Air | Quartzite rock as heat storage | Daily productivity enhancement = 6.2%. | [44] |
| Single slope | Air | Stearic acid PCM | Daily productivity with PCM = 9.005 kg/m2, without PCM = 4.998 kg/m2. Productivity improvement = 80%. | [45] |
| SS Systems with Reflective Surfaces | ||||
| Single slope | Air | Solar parabolic dish SPD and mirror | Productivity increased from 7.5 to 24 L/day. | [46] |
| Single slope | Air | Internal reflectors | Productivity (annual, winter, and summer) = (34%, 65%, and 22%). | [47] |
| Single slope Stepped | Air | Stepped SS and internal and external reflectors | Productivity higher by 57% with internal reflectors only 75% with internal and external reflectors up to 125%. Efficiency = 34%; efficiency of stepped without reflectors = 53%. Efficiency of stepped with reflectors = 56%. | [48] |
| Single slope | Air | Internal and external reflectors | Annual productivity with internal reflectors only = 19.9%; for combined internal and external reflectors at (0°, 10°, 20°, and 30°) slope angle of the external reflector = (34.4%, 34.5%, 34.8%, and 24.7%). | [49] |
| Single slope | Air | Internal and external reflectors | Productivity increased by 48%. | [50] |
| SS Systems with External Condensers | ||||
| Single slope | TEC and fans | CSS | Productivity increased by 35%; optimal amount of salt water = 1.5 L. | [51] |
| Single slope | TEC, THE, and tank | CSS | Productivity increased by 672%. | [12] |
| Double slope | EXTEC | TEH | Productivities = 3.07, 2.70, and 2.46 L/m2 for modified, finned, and CSS. MSS efficiency with and without EXC = 39.74% and 30%. Productivity by 10%. MSS daily efficiency = 14.23% and 22.33% higher than the finned and CSS. CPL for CSS, finned, MSS = 0.0135, 0.0133, and 0.0117 USD/L/m2. | [81] |
| Single slope | Ex. condenser and vacuum pump | CSS | Productivity higher by 16.2%. Daily efficiency of CSS = 29%, of MSS = 37.6%. | [52] |
| Single-slope stepped | Ex. condenser | internal and external reflector | Productivity higher by 66% with external condenser and by 165% with external condenser and internal–external reflectors. | [53] |
| Single slope | Ex. condenser and vacuum fan | Nanoparticles | Daily productivity with external condensers by 53.2%, and by 76% with external condenser and nanoparticles, and up to 116% with external condenser, nanoparticles, and vacuum fan. | [54] |
| Single slope | Ex. condenser | External reflector | Efficiency MSS up to 77%. Daily productivity up to 8 L/m2. | [55] |
| Single slope | Outside passive condenser | External reflector | Daily productivity of MSS improved by 70%, efficiency improved by 75%. | [56] |
| Single slope | External condenser | CSS | Efficiency with external condenser higher by 47%. | [57] |
| SS Systems with Cover Cooling | ||||
| Single slope | Partially coated cover, TEC (12 W and 36 W) | CSS | Productivity with 36 W increased by 126%, efficiency improved by 44%, exergy efficiency decreased by 25%. Lowest cost with TEC (36 W) = USD 0.036, exergo-economic = 4.64 USD/kWh/. | [58] |
| Single slope | Double-glazing and TEC | CSS | Hourly productivity increased by 30%. Production increased by 14% and 25%. Cost = 0.1033 USD/L/m2. | [59] |
| Single slope | Film cooling | Nanoparticles NP, PCM: A. NP into water, B. NP plus PCM, C. NP with cover, D. NP plus PCM with cover | Productivity improvement by (50.28% for A), (65% for B), (56.15% for C), and by (73.8% for D). | [61] |
| Single slope | Water sprinkled over glass | CSS | Daily productivity increased by 20%, efficiency by 21%. | [63] |
| Single slope | Cool water to flow over cover | CSS | Productivity improved by 56.5%, efficiency by 9.9%, optimum flow rate of cooling water = 0.075 kg/s. | [62] |
| Single slope | Heat exchanger as cooler and TEC | CSS | Daily efficiency = 70%. | [60] |
| SS Systems with Extended Surfaces | ||||
| Single slope | TEC and indoor fan | Sponge pieces | Water distillation without fan increased by 100.5%; with fan by 151.1%. | [65] |
| Single slope | Air | Blackened jute cloth | Distillate yield increased by 68% and productivity increased by 79%. | [68] |
| Single slope | Air | Blackened cotton rag | Daily productivity in summer is higher by 15% and in winter by 48%, max productivity = 7.5 kg/m2. | [69] |
| Single slope | Air | Fins and corrugated plates | Productivity with fins improved by 40%, with corrugated plate improved by 21%. | [66] |
| Single slope | Air | Jute cloth | Daily productivity improvement = 20%, daily efficiency of MSS = 52%, Daily efficiency of CSS = 44%. | [71] |
| Single slope | Air | Black coal, sponge cubes, and black steel cubes | Productivity increased about 18%–73%. The black sponge cubes were the most effective. | [70] |
| Single slope | Air | Floating black aluminum plate | Yield increased by 15% at a water depth of 3 cm and up to 40% at 6 cm. | [67] |
| Other Improvements to the SS Systems | ||||
| Single slope | TEC | Water-absorbing materials, Case 5 (triangular metal frame), Case 6 (form of upright columns) | Purified water recovered of Case 5 = 34 g and Case 6 = 40 g. Efficiency of Case 5 increased by 29% and Case 6 by 45%. Cost Case 6 reduction per liter by 35%. | [78] |
| Single slope | TEC | Electric heater and vibratory motion | Productivity in summer = 12.82 kg/day. Max cost = 0.01786 USD/L/m2. | [72] |
| Single slope | TEC | Ultrasonic humidifiers and cotton net tent | Productivity increased by 124%. Efficiency of MSS = 95.8% of CSS = 35.6%. Cost of MSS about 0.04 USD/L for CSS about 0.042 USD/L. | [77] |
| Double slope | TEC | Al2O3–water, TiO2–water, MWCNT–water, and CuO–water nanofluids | Productivity with MWCNT–water (0.9% volume fraction for all) increased by 11.57%, with Al2O3–water by 6.32%, with CuO–water by 7.16%, with TiO2–water by 4.66%. | [11] |
| Tubular | Water cooling | Compound parabolic concentrator | Productivity with spray cooling decreased by 10%, with film cooling decreased by 43.8%. | [3] |
| Single slope | Air | Cu2O–water nanofluid | Productivity improved by 81%. Efficiency by 80.6% and exergy efficiency by 112.5%. Optimal cost of MSS about 0.0218 USD/L. | [6] |
| Double-tilt SS | Rubber scrapers | CSS | Daily productivity = 4.24 L/m2. Productivity increased by 63%. | [76] |
| Staged solar still | Water cooling | Solar air heater and heat storage material | Water productivity of MSS increased by 112%; productivity with AL filling increased by 53%. | [80] |
| Pyramidal SS | Internal fan | CSS | Productivity increased by 20%. | [74] |
| Single slope | Air | Inverted absorber SS | Daily productivity of MSS = 6.3 kg/m2, for CSS = 4.15 kg/m2. Efficiency of MSS = 34.6%, for CSS = 48%. Optimum water depth = 3 cm. | [75] |
| Single slope | Air | Sun-tracking system | Daily productivity increased by 22%. | [73] |
| References | Type of SS and Enhancement | Study Location | Annual Productivity (L/m2) | Cost of Productivity (USD/L) | Improved Production % |
|---|---|---|---|---|---|
| 2024 [46] | SS with SPD, mirror reflector | Iran | 8760 | NA | 301 |
| 2024 [46] | CSS | Iran | 2737 | NA | |
| 2024 [51] | SS with surface fans/RSS | Turkey | 186.95 | 0.197 | |
| 2024 [51] | SS with TEC, transfer fan | Turkey | 250.75 | 0.187 | 35 |
| 2024 [78] | RSS/SS with TEC, surface fans/Case 1 | Turkey | 97.19 | 0.452 | |
| 2024 [78] | RSS with hemp (greyish beige)/Case 2 | Turkey | 113.03 | 0.388 | 16 |
| 2024 [78] | RSS with black hemp in basin/Case 3 | Turkey | 122.32 | 0.359 | 25 |
| 2024 [78] | RSS with black hemp in triangle/Case 4 | Turkey | 102.79 | 0.427 | 5 |
| 2024 [78] | With black papers on triangle/Case 5 | Turkey | 130.58 | 0.336 | 34 |
| 2024 [78] | With papers in upright columns/Case 6 | Turkey | 150.53 | 0.292 | 54 |
| 2024 [12] | SS with PV powered TEM | Jordan | 281 | NA | 672 |
| 2024 [13] | CSS/single-glazed glass | Iran | 141.13 | 0.0739 | |
| 2024 [13] | MSS/DGG and fins, TEC | Iran | 586.26 | 0.0326 | 570 |
| 2023 [37] | CSS | Iran | 234 | 0.062 | |
| 2023 [37] | SS-TEG | Iran | 230 | 0.075 | |
| 2023 [37] | SS-TEG-WI | Iran | 238 | 0.074 | |
| 2023 [37] | SS-TEG-WI-M | Iran | 291 | 0.071 | 24 |
| 2023 [23] | CSS | Iran | 273 | 0.042 | |
| 2023 [23] | SS-WT | Iran | 303 | 0.098 | 16 |
| 2023 [23] | SS-HP | Iran | 386 | 0.077 | |
| 2023 [23] | SS-HP-WT | Iran | 424 | 0.084 | 55 |
| 2023 [58] | Partially coated, external TEC/12W | Malaysia | 292 | 0.047 | 49 |
| 2023 [58] | Partially coated, external TEC/36W | Malaysia | 383.98 | 0.036 | 126 |
| 2023 [102] | CSS | Malaysia | 381.06 | 0.0473 | |
| 2023 [102] | Glass cover, external TEC | Malaysia | 671.81 | 0.042 | 76 |
| 2023 [102] | PC cover, external TEC | Malaysia | 69.84 | 0.376 | |
| 2023 [102] | PMMA cover, external TEC | Malaysia | 177.05 | 0.1469 | |
| 2023 [31] | SS with PCM and electric heater | Egypt | 2884 | 0.0176 | 252 |
| 2023 [90] | PMMSSS | Iran | 565.75 | 0.081 | 184 |
| 2023 [90] | CDSSS | Iran | 282.875 | 0.072 | |
| 2022 [39] | Pyramid solar stills, TEH | Iran | 3240 | 0.0127 | 78 |
| 2022 [39] | Pyramid solar stills, TEC | Iran | 1812 | 0.023 | |
| 2022 [38] | CSS | Egypt | 1320.9 | 0.00254 | |
| 2022 [38] | SS with PCM/SSPCM | Egypt | 1599 | 0.0117 | 21 |
| 2022 [38] | SS with LC/SSCL | Egypt | 1832 | 0.00241 | 38 |
| 2022 [59] | Double-glazing cooling, TEG | Iran | 288.9 | 0.1033 | 30 |
| 2022 [59] | CSS, single glass | Iran | 201.3 | 0.0972 | |
| 2022 [95] | CSS | India | 790 | 0.022 | |
| 2022 [95] | With hollow fins, PCM, and sisal fibre. | India | 1710 | 0.036 | 116 |
| 2022 [72] | CSS | Egypt | 748 | 0.0192 | |
| 2022 [72] | EH, VM, TEC/MSS | Egypt | 3193 | 0.01786 | 327 |
| 2022 [77] | With UH cotton mesh, TEC | Russia | 846 | 0.04 | 124 |
| 2022 [77] | CSS | Russia | 377.1 | 0.042 | |
| 2022 [91] | TWSS | India | 503 | 0.25 | |
| 2022 [91] | TWSS+TCU+PV+TEC+THE | India | 1317 | 0.25 | 161 |
| 2022 [103] | WCA, nano-PCM, and PV-heaters | Saudi A. | 2108 | 0.025 | |
| 2021 [32] | SS with SPT | Yemen | 1925 | 0.0135 | 177 |
| 2021 [32] | CSS | Yemen | 1080 | 0.0145 | |
| 2021 [89] | With HC, external solar water heater | Russia | 2250 | 0.0268 | 296–300 |
| 2021 [89] | CSS | Russia | 558 | 0.0282 | |
| 2021 [104] | SS with ultrasonic humidifiers | Russia | 756 | 0.0259 | 68 |
| 2021 [104] | CSS | Russia | 450 | 0.0349 | |
| 2021 [11] | Al2O3–water nanofluid, TEC | Iran | 853.78 | 0.12 | 18 |
| 2021 [11] | MWCNT–water nanofluid, TEC | Iran | 895.9 | 0.1502 | 23 |
| 2021 [11] | TiO2–water nanofluid, TEC | Iran | 840.39 | 0.1431 | 16 |
| 2021 [11] | CuO–water nanofluid, TEC | Iran | 860.47 | 0.1652 | 19 |
| 2021 [101] | TEH, water-cooled | Iran | 385.5 | 0.243 | 81 |
| 2021 [101] | TEH, air-cooled | Iran | 212.8 | 0.277 | |
| 2021 [101] | Modified water-cooled | Iran | 468.4 | 0.201 | 21 |
| 2021 [15] | Ag/Fe3O4 hybrid nanofluid, TEC | Iran | 3160 | 0.019 | |
| 2021 [81] | ExC, Solar collector, PCM | Bangladesh | 1250 | 0.011 | |
| 2021 [82] | TEC, CuO–water nanofluid and VM | Egypt | 2500 | 0.027 | 531 |
| 2021 [82] | CSS | Egypt | 396 | 0.06 | |
| 2021 [93] | CSS | Egypt | 1140 | 0.02423 | |
| 2021 [93] | MSS | Egypt | 1263.5 | 0.023186 | |
| 2021 [95] | MSS + SD | Egypt | 1462.3 | 0.020288 | |
| 2021 [93] | MSS + PTC | Egypt | 2419.4 | 0.020308 | |
| 2021 [93] | MSS + SD + PTC | Egypt | 2725.4 | 0.018164 | 139 |
| 2020 [105] | SS with external solar collector | Russia | 2007 | 0.047 | |
| 2020 [106] | SS at different water depths at 1 cm | Russia | 584 | 0.033 | |
| 2020 [107] | SS with UH, SWH | Egypt | 2701 | 0.037 | |
| 2020 [94] | Double SS with TEH and TEC | Iran | 1032.5 | 0.1055 | 129 |
| 2020 [94] | CSS | Iran | 449 | 0.176 | |
| 2020 [108] | CSS + PTC | Egypt | 2182 | 0.0217 | |
| 2020 [108] | MSS + PTC | Egypt | 2419 | 0.0203 | |
| 2020 [108] | MSS + PTC + U | Egypt | 2236 | 0.0223 | |
| 2020 [108] | MSS + PTC + FA | Egypt | 2522 | 0.0211 | |
| 2020 [108] | MSS + PTC + FW | Egypt | 2618 | 0.0209 | 22 |
| 2020 [96] | CSS | Egypt | 1140 | 0.02422 | |
| 2020 [96] | CSS + PTC | Egypt | 2182 | 0.021754 | |
| 2020 [96] | CSS + SD + PTC | Egypt | 2469.7 | 0.01937 | 102 |
| 2020 [96] | CSS + WM | Egypt | 1230 | 0.02472 | |
| 2020 [96] | CSS + WM + PTC | Egypt | 2289 | 0.02195 | |
| 2020 [109] | EXC, Al2O3 nanoparticles into PCM | Egypt | 2263 | 0.014 | 55 |
| 2020 [109] | CSS | Egypt | 1460 | 0.015 | |
| 2020 [85] | TEC, TEH | India | 1664 | 0.32 | |
| 2020 [110] | Single slope using PV/T-Black steel | Egypt | 1085 | 0.0315 | |
| 2020 [2] | Tubular using Parabolic concentrator | Saudi A. | 92 | 0.29 | |
| 2020 [111] | Conventional single slope/CSS | India | 495.04 | 0.0268 | |
| 2020 [111] | SS with Ultrasonic fogger/MSS | India | 596.775 | 0.0268 | 20 |
| 2020 [83] | TEH-Reflectors | Iran | 2971.1 | 0.0261 | |
| 2020 [112] | Passive SS | Iran | 916.15 | 0.015 | |
| 2020 [64] | With ETC, HE, SGC (½ shading) | India | 771 | NA | 16.4 |
| 2020 [64] | EXSC, ETC, THE, SGC | India | 2250.9 | 0.0136 | 138 |
| 2020 [64] | CSS | India | 946.11 | 0.0084 | |
| 2019 [113] | SS with PCM | Iraq | 857 | 0.035 | |
| 2019 [6] | With Cu2O nanofluid at 0.04% volume | Iran | 1557 | 0.0235 | |
| 2019 [6] | External TEC, Cu2O–water nanofluid | Iran | 1860 | 0.023 | 81 |
| 2019 [88] | CSS | Saudi A. | 816 | 0.05 | |
| 2019 [88] | Drum distiller DDs with heater only | Saudi A. | 3638 | 0.034 | |
| 2019 [88] | DDs with EXC, SWH, nanofluid | Saudi A. | 3740 | 0.039 | 350 |
| 2019 [114] | SS With PCM (Paraffin wax) | India | 905 | NA | 29 |
| 2019 [114] | SS With PCM (stearic acid) | India | 837 | NA | |
| 2019 [114] | SS With PCM (lauric acid) | India | 806 | NA | |
| 2019 [3] | Compound Parabolic Concentrator | Saudi A. | 1558.5 | 0.015 | |
| 2019 [3] | Spray cooling, CPC | Saudi A. | 1402.6 | 0.02 | 10 |
| 2019 [3] | Water cooling, CPC | Saudi A. | 876 | 0.035 | 43 |
| 2018 [115] | Water cooling, Electrical heater-PV/T | India | 2628 | NA | |
| 2017 [30] | Changed average gap (basin-glass) | India | 1525 | 0.024 | 212 |
| 2017 [30] | CSS | India | 489 | 0.074 | |
| 2017 [76] | Double-tilt SS with rubber scrapers | Malaysia | 1420.4 | 0.034 | 63 |
| 2017 [41] | CPC with PCM, oil heat exchanger | Egypt | 3931 | 0.0174 | 140 |
| 2017 [41] | CSS | Egypt | 1635 | 0.0177 | |
| 2017 [116] | Double slope with TEH/night | Iran | 547 | 0.237 | |
| 2017 [116] | Double slope with TEH/day | Iran | 912 | 0.1422 | |
| 2017 [117] | Condenser type solar still | Egypt | 1511 | 0.0147 | 35 |
| 2016 [63] | MSS/spray cooling | India | 1292 | NA | 20 |
| 2016 [40] | MSS With PCM | Egypt | 2752 | 0.03 | 67 |
| 2016 [118] | CSS | India | 1153 | 0.057 | |
| 2016 [118] | Square fins with wick in basin | India | 1660 | 0.049 | 45 |
| 2015 [119] | Double SS, Flat plate solar collector | Egypt | 3671 | NA | 33 |
| 2014 [62] | Water cooling (for Jodhpur climate) | India | 900 | 0.012 | 56 |
| 2014 [120] | V-type with CGTCC and air over glass | India | 1679 | 0.028 | 39 |
| 2014 [120] | V-type with CGTCC | India | 1569 | 0.012 | 30 |
| 2014 [120] | V-type and water over glass | India | 1204 | 0.014 | |
| 2014 [54] | External condenser, nanofluid | Egypt | 2040 | 0.05 | 116 |
| 2014 [54] | Vacuum fan only | Egypt | 1360 | 0.041 | 53 |
| 2014 [92] | CSS/Conventional solar still | Egypt | 850 | 0.049 | |
| 2014 [92] | DSS/Developed solar still | Egypt | 1360 | 0.056 | 56 |
| 2014 [92] | ECSS/Equivalent CSS | Egypt | 1122 | 0.0485 | 142 |
| 2014 [92] | DSS/with WSC (forced mode) | Egypt | 2040 | 0.066 | 82 |
| 2012 [60] | TEM SS (PTSS), heat-pipe cooling | Iran | 180 | 0.18 | |
| 2012 [60] | Pyramid shape | Iran | 1533 | 0.031 | |
| 2012 [60] | Sun tracking | Iran | 250 | 0.23 | |
| 2012 [60] | Single slope | Iran | 1511 | 0.035 | |
| 2012 [60] | Transportable hemispherical | Iran | 1026 | 0.18 | |
| 2012 [60] | A weir type | Iran | 1001 | 0.054 | |
| 2011 [121] | SC, sprinkling system, TEC | Iran | 438 | 0.13 | |
| 2011 [121] | Thermoelectric solar still | Iran | 730 | 0.13 | 66 |
| 2011 [42] | Weir-type cascade with PCM | Iran | 2445 | NA | 31 |
| 2011 [55] | External reflector, external condenser | Botswana | 2920 | NA | |
| 2011 [75] | Inverted absorber SS (IASS) at 0.01 m | Oman | 2300 | 0.0148 | |
| 2011 [75] | Inverted absorber (IASS) at 0.02 m | Oman | 2035 | 0.0132 | |
| 2011 [75] | Inverted absorber (IASS) at 0.03 m | Oman | 1569 | 0.0124 | |
| 2009 [45] | SS with stearic acid PCM | Saudi A. | 3286 | NA | 27 |
| 2009 [122] | SS with hybrid (PV/T) active solar still | India | 1203 | 0.0321 | |
| 2007 [123] | Single-slope solar distiller | Pakistan | 1149 | 0.062 | |
| 2005 [34] | SS with solar collector | Jordan | 1281 | 0.115 | |
| 2002 [29] | Double slope | Oman | 1514 | 0.02 | |
| 1999 [56] | External reflector | Turkey | 2555 | NA |
References
- Madiouli, J.; Lashin, A.; Shigidi, I.; Badruddin, I.A.; Kessentini, A. Experimental study and evaluation of single slope solar still combined with flat plate collector, parabolic trough and packed bed. Sol. Energy 2020, 196, 358–366. [Google Scholar] [CrossRef]
- Elashmawy, M.; Alshammari, F. Atmospheric water harvesting from low humid regions using tubular solar still powered by a parabolic concentrator system. J. Clean. Prod. 2020, 256, 120329. [Google Scholar] [CrossRef]
- Elashmawy, M. Effect of surface cooling and tube thickness on the performance of a high temperature standalone tubular solar still. Appl. Therm. Eng. 2019, 156, 276–286. [Google Scholar] [CrossRef]
- Chen, Z.; Yao, Y.; Zheng, Z.; Zheng, H.; Yang, Y.; Hou, L.A.; Chen, G. Analysis of the characteristics of heat and mass transfer of a three-effect tubular solar still and experimental research. Desalination 2013, 330, 42–48. [Google Scholar] [CrossRef]
- Bhargva, M.; Yadav, A. Experimental comparative study on a solar still combined with evacuated tubes and a heat exchanger at different water depths. Int. J. Sustain. Eng. 2020, 13, 218–229. [Google Scholar] [CrossRef]
- Nazari, S.; Safarzadeh, H.; Bahiraei, M. Experimental and analytical investigations of productivity, energy and exergy efficiency of a single slope solar still enhanced with thermoelectric channel and nanofluid. Renew. Energy 2019, 135, 729–744. [Google Scholar] [CrossRef]
- Shoeibi, S. Numerical analysis of optimizing a heat sink and nanofluid concentration used in a thermoelectric solar still: An economic and environmental study. Environ. Res. Eng. Manag. 2021, 77, 110–122. [Google Scholar] [CrossRef]
- Phadatare, M.; Verma, S.K. Influence of water depth on internal heat and mass transfer in a plastic solar still. Desalination 2007, 217, 267–275. [Google Scholar] [CrossRef]
- Rahbar, N.; Asadi, A.; Fotouhi-Bafghi, E. Performance evaluation of two solar stills of different geometries: Tubular versus triangular: Experimental study, numerical simulation, and second law analysis. Desalination 2018, 443, 44–55. [Google Scholar] [CrossRef]
- Khalifa, A.J.N.; Hamood, A.M. Effect of insulation thickness on the productivity of basin type solar stills: An experimental verification under local climate. Energy Convers. Manag. 2009, 50, 2457–2461. [Google Scholar] [CrossRef]
- Shoeibi, S.; Rahbar, N.; Esfahlani, A.A.; Kargarsharifabad, H. Improving the thermoelectric solar still performance by using nanofluids—Experimental study, thermodynamic modeling and energy matrices analysis. Sustain. Energy Technol. Assess. 2021, 47, 101339. [Google Scholar] [CrossRef]
- Nasir, M.; Afaneh, D.; Abdallah, S.; Saleet, H. Novel Design of Hybrid Single Slope Solar Distiller with Photovoltaic Powered Thermoelectric System. J. Sustain. Dev. Energy Water Environ. Syst. 2024, 12, 1–23. [Google Scholar] [CrossRef]
- Jam, R.F.; Gholizadeh, M.; Deymi-Dashtebayaz, M.; Khanjani, S.; Dartoomi, N. Experimental investigation of the thermoelectric and double-glazed glass effects on the performance of a solar still. Appl. Therm. Eng. 2024, 246, 122898. [Google Scholar] [CrossRef]
- Kabeel, A.E.; Abdelgaied, M.; Harby, K.; Eisa, A. Augmentation of diurnal and nocturnal distillate of modified tubular solar still having copper tubes filled with PCM in the basin. J. Energy Storage 2020, 32, 101992. [Google Scholar] [CrossRef]
- Sadeghi, G.; Nazari, S. Retrofitting a thermoelectric-based solar still integrated with an evacuated tube collector utilizing an antibacterial-magnetic hybrid nanofluid. Desalination 2021, 500, 114871. [Google Scholar] [CrossRef]
- Shanmugan, S.; Palani, S.; Janarthanan, B. Productivity enhancement of solar still by PCM and Nanoparticles miscellaneous basin absorbing materials. Desalination 2018, 433, 186–198. [Google Scholar] [CrossRef]
- Zanganeh, P.; Goharrizi, A.S.; Ayatollahi, S.; Feilizadeh, M. Nano-coated condensation surfaces enhanced the productivity of the single-slope solar still by changing the condensation mechanism. J. Clean. Prod. 2020, 265, 121758. [Google Scholar] [CrossRef]
- Sahota, L.; Arora, S.; Singh, H.P.; Sahoo, G. Thermo-physical characteristics of passive double slope solar still loaded with MWCNTs and Al2O3-water based nanofluid. Mater. Today Proc. 2020, 32, 344–349. [Google Scholar] [CrossRef]
- Karthikeyan, J.; Selvaraj, P.; Nagaraj, G. Day and night yield performance analysis of solar still for saline water using energetic materials with thermocol insulation. Mater. Today Proc. 2020, 33, 4848–4851. [Google Scholar] [CrossRef]
- Zeroual, M.; Bouguettaia, H.; Bechki, D.; Boughali, S.; Bouchekima, B.; Mahcene, H.J.E.P. Experimental investigation on a double-slope solar still with partially cooled condenser in the region of Ouargla (Algeria). Energy Procedia 2011, 6, 736–742. [Google Scholar] [CrossRef]
- El-Samadony, Y.; Kabeel, A. Theoretical estimation of the optimum glass cover water film cooling parameters combinations of a stepped solar still. Energy 2014, 68, 744–750. [Google Scholar] [CrossRef]
- Sahota, L.; Tiwari, G. Analytical characteristic equation of nanofluid loaded active double slope solar still coupled with helically coiled heat exchanger. Energy Convers. Manag. 2017, 135, 308–326. [Google Scholar] [CrossRef]
- Shoeibi, S.; Saemian, M.; Khiadani, M.; Kargarsharifabad, H.; Mirjalily, S.A.A. Influence of PV/T waste heat on water productivity and electricity generation of solar stills using heat pipes and thermoelectric generator: An experimental study and environmental analysis. Energy Convers. Manag. 2023, 276, 116504. [Google Scholar] [CrossRef]
- Hamida, B.; Bechir, M. Numerical analysis of tubular solar still with rectangular and cylindrical troughs for water production under vacuum. J. Taibah Univ. Sci. 2023, 17, 2159172. [Google Scholar] [CrossRef]
- Ben, H.M.B.; Alshammari, F.; Alatawi, I.; Alhadri, M.; Almeshaal, M.A.; Hajlaoui, K. Potential of tubular solar still with rectangular trough for water production under vacuum condition. Therm. Sci. 2022, 26, 4271–4283. [Google Scholar] [CrossRef]
- Khairunnas, A.; Chiari, W. Metal oxide/chitosan composite for organic pollutants removal: A comprehensive review with bibliometric analysis. Narra X 2023, 1. [Google Scholar] [CrossRef]
- Nisah, K.; Khairi, M.; Sukandar, R.; Nuzlia, C.; Nasution, R.S.; Ilhami, S.; Chiari, W. Fabrication and characterization of SiO2-embedded castor oil-based membrane (Ricinus communis L.) for aqueous Fe adsorption. Narra X 2024, 2, e158. [Google Scholar] [CrossRef]
- Sharshir, S.W.; Yang, N.; Peng, G.; Kabeel, A.E. Factors affecting solar stills productivity and improvement techniques: A detailed review. Appl. Therm. Eng. 2016, 100, 267–284. [Google Scholar] [CrossRef]
- Al-Hinai, H.; Al-Nassri, M.; Jubran, B. Effect of climatic, design and operational parameters on the yield of a simple solar still. Energy Convers. Manag. 2002, 43, 1639–1650. [Google Scholar] [CrossRef]
- Jamil, B.; Akhtar, N. Effect of specific height on the performance of a single slope solar still: An experimental study. Desalination 2017, 414, 73–88. [Google Scholar] [CrossRef]
- Abdel-Aziz, E.A.; Mansour, T.M.; Dawood, M.M.K.; Ismail, T.M.; Ramzy, K. Exergoeconomic and enviroeconomic evaluations of conventional solar still using PCM and electric heater powered by solar energy: An experimental study. Environ. Sci. Pollut. Res. 2023, 30, 66135–66156. [Google Scholar] [CrossRef] [PubMed]
- Aqlan, A.M.; Aklan, M.; Momin, A.E. Solar-powered desalination, a novel solar still directly connected to solar parabolic trough. Energy Rep. 2021, 7, 2245–2254. [Google Scholar] [CrossRef]
- Kumar, S.; Dubey, A.; Tiwari, G. A solar still augmented with an evacuated tube collector in forced mode. Desalination 2014, 347, 15–24. [Google Scholar] [CrossRef]
- Badran, O.; Al-Tahaineh, H. The effect of coupling a flat-plate collector on the solar still productivity. Desalination 2005, 183, 137–142. [Google Scholar] [CrossRef]
- Abdel-Rehim, Z.S.; Lasheen, A. Experimental and theoretical study of a solar desalination system located in Cairo, Egypt. Desalination 2007, 217, 52–64. [Google Scholar] [CrossRef]
- El-Sebaii, A.A.; Ramadan, M.R.I.; Aboul-Enein, S.; Salem, N. Thermal performance of a single-basin solar still integrated with a shallow solar pond. Energy Convers. Manag. 2008, 49, 2839–2848. [Google Scholar] [CrossRef]
- Shoeibi, S.; Saemian, M.; Parsa, S.M.; Khiadani, M.; Mirjalily, S.A.A.; Kargarsharifabad, H. A novel solar desalination system equipped with thermoelectric generator, reflectors and low-cost sensible energy-storage for co-production of power and drinking water. Desalination 2023, 567, 116955. [Google Scholar] [CrossRef]
- Mohammed, A.H.; Attalla, M.; Shmroukh, A.N. Comparative study on the performance of solar still equipped with local clay as an energy storage material. Environ. Sci. Pollut. Res. 2022, 29, 74998–75012. [Google Scholar] [CrossRef]
- Parsa, S.M.; Yazdani, A.; Javadi, D.; Afrand, M.; Karimi, N.; Ali, H.M. Selecting efficient side of thermoelectric in pyramid-shape solar desalination units incorporated phase change material (PCM), nanoparticle, turbulator with battery storage powered by photovoltaic. J. Energy Storage 2022, 51, 104448. [Google Scholar] [CrossRef]
- Kabeel, A.; Abdelgaied, M. Improving the performance of solar still by using PCM as a thermal storage medium under Egyptian conditions. Desalination 2016, 383, 22–28. [Google Scholar] [CrossRef]
- Kabeel, A.; Abdelgaied, M. Observational study of modified solar still coupled with oil serpentine loop from cylindrical parabolic concentrator and phase changing material under basin. Sol. Energy 2017, 144, 71–78. [Google Scholar] [CrossRef]
- Dashtban, M.; Tabrizi, F.F. Thermal analysis of a weir-type cascade solar still integrated with PCM storage. Desalination 2011, 279, 415–422. [Google Scholar] [CrossRef]
- Shalaby, S.; El-Bialy, E.; El-Sebaii, A. An experimental investigation of a v-corrugated absorber single-basin solar still using PCM. Desalination 2016, 398, 247–255. [Google Scholar] [CrossRef]
- Murugavel, K.K.; Sivakumar, S.; Ahamed, J.R.; Chockalingam, K.K.; Srithar, K. Single basin double slope solar still with minimum basin depth and energy storing materials. Appl. Energy 2010, 87, 514–523. [Google Scholar] [CrossRef]
- El-Sebaii, A.A.; Al-Ghamdi, A.A.; Al-Hazmi, F.S.; Faidah, A.S. Thermal performance of a single basin solar still with PCM as a storage medium. Appl. Energy 2009, 86, 1187–1195. [Google Scholar] [CrossRef]
- Soltanian, M.; Hoseinzadeh, S.; Astiaso Garcia, D. Proposal of a Reflector-Enhanced Solar Still Concept and Its Comparison with Conventional Solar Stills. Water 2024, 16, 355. [Google Scholar] [CrossRef]
- Estahbanati, M.K.; Ahsan, A.; Feilizadeh, M.; Jafarpur, K.; Ashrafmansouri, S.S.; Feilizadeh, M. Theoretical and experimental investigation on internal reflectors in a single-slope solar still. Appl. Energy 2016, 165, 537–547. [Google Scholar] [CrossRef]
- Omara, Z.; Kabeel, A.; Younes, M. Enhancing the stepped solar still performance using internal and external reflectors. Energy Convers. Manag. 2014, 78, 876–881. [Google Scholar] [CrossRef]
- Khalifa, A.J.N.; Ibrahim, H.A. Effect of inclination of the external reflector on the performance of a basin type solar still at various seasons. Energy Sustain. Dev. 2009, 13, 244–249. [Google Scholar] [CrossRef]
- Tanaka, H.; Nakatake, Y. Theoretical analysis of a basin type solar still with internal and external reflectors. Desalination 2006, 197, 205–216. [Google Scholar] [CrossRef]
- Mandev, E.; Muratçobanoğlu, B.; Manay, E.; Şahin, B. Desalination performance evaluation of a solar still enhanced by thermoelectric modules. Sol. Energy 2024, 268, 112325. [Google Scholar] [CrossRef]
- Ibrahim, A.G.; Allam, E.E.; Elshamarka, S.E. A modified basin type solar still: Experimental performance and economic study. Energy 2015, 93, 335–342. [Google Scholar] [CrossRef]
- El-Samadony, Y.; Abdullah, A.; Omara, Z. Experimental study of stepped solar still integrated with reflectors and external condenser. Exp. Heat Transf. 2015, 28, 392–404. [Google Scholar] [CrossRef]
- Kabeel, A.; Omara, Z.; Essa, F. Enhancement of modified solar still integrated with external condenser using nanofluids: An experimental approach. Energy Convers. Manag. 2014, 78, 493–498. [Google Scholar] [CrossRef]
- Monowe, P.; Masale, M.; Nijegorodov, N.; Vasilenko, V. A portable single-basin solar still with an external reflecting booster and an outside condenser. Desalination 2011, 280, 332–338. [Google Scholar] [CrossRef]
- El-Bahi, A.; Inan, D. A solar still with minimum inclination, coupled to an outside condenser. Desalination 1999, 123, 79–83. [Google Scholar] [CrossRef]
- Abu-Qudais, M.; Othman, O.N. Experimental study and numerical simulation of a solar still using an external condenser. Energy 1996, 21, 851–855. [Google Scholar] [CrossRef]
- Shatar, N.M.; Sabri, M.F.M.; Salleh, M.F.M.; Ani, M.H. Energy, exergy, economic, environmental analysis for solar still using partially coated condensing cover with thermoelectric cover cooling. J. Clean. Prod. 2023, 387, 135833. [Google Scholar] [CrossRef]
- Khanmohammadi, S.; Khanjani, S.; Musharavati, F. Experimental study and economic examination of double-glazed solar still desalination with a thermoelectric cooling system. Sustain. Energy Technol. Assess. 2022, 54, 102854. [Google Scholar] [CrossRef]
- Rahbar, N.; Esfahani, J. Experimental study of a novel portable solar still by utilizing the heatpipe and thermoelectric module. Desalination 2012, 284, 55–61. [Google Scholar] [CrossRef]
- Sharshir, S.W.; Peng, G.; Wu, L.; Essa, F.A.; Kabeel, A.E.; Yang, N. The effects of flake graphite nanoparticles, phase change material, and film cooling on the solar still performance. Appl. Energy 2017, 191, 358–366. [Google Scholar] [CrossRef]
- Somwanshi, A.; Tiwari, A.K. Performance enhancement of a single basin solar still with flow of water from an air cooler on the cover. Desalination 2014, 352, 92–102. [Google Scholar] [CrossRef]
- Gupta, B.; Sharma, R.; Shankar, P.; Baredar, P. Performance enhancement of modified solar still using water sprinkler: An experimental approach. Perspect. Sci. 2016, 8, 191–194. [Google Scholar] [CrossRef]
- Bhargva, M.; Yadav, A. Effect of shading and evaporative cooling of glass cover on the performance of evacuated tube-augmented solar still. Environ. Dev. Sustain. 2020, 22, 4125–4143. [Google Scholar] [CrossRef]
- Çolak, A.; Çelik, A.; Mandev, E.; Muratçobanoğlu, B.; Gülmüş, B.; Afshari, F.; Ceviz, M.A. Study on a novel inclined solar water distillation system using thermoelectric module for condensation. Process. Saf. Environ. Prot. 2023, 177, 986–994. [Google Scholar] [CrossRef]
- Omara, Z.; Hamed, M.H.; Kabeel, A. Performance of finned and corrugated absorbers solar stills under Egyptian conditions. Desalination 2011, 277, 281–287. [Google Scholar] [CrossRef]
- Nafey, A.S.; Abdelkader, M.; Abdelmotalip, A.; Mabrouk, A.A. Enhancement of solar still productivity using floating perforated black plate. Energy Convers. Manag. 2002, 43, 937–946. [Google Scholar] [CrossRef]
- Srivastava, P.K.; Agrawal, S. Experimental and theoretical analysis of single sloped basin type solar still consisting of multiple low thermal inertia floating porous absorbers. Desalination 2013, 311, 198–205. [Google Scholar] [CrossRef]
- Srivastava, P.K.; Agrawal, S. Winter and summer performance of single sloped basin type solar still integrated with extended porous fins. Desalination 2013, 319, 73–78. [Google Scholar] [CrossRef]
- Rababa’h, H.M. Experimental study of a solar still with sponge cubes in basin. Energy Convers. Manag. 2003, 44, 1411–1418. [Google Scholar]
- Sakthivel, M.; Shanmugasundaram, S.; Alwarsamy, T. An experimental study on a regenerative solar still with energy storage medium—Jute cloth. Desalination 2010, 264, 24–31. [Google Scholar] [CrossRef]
- Dawood, M.M.K.; Omar, A.H.; Shehata, A.I.; Samir Shehata, A.; Taha, A.A.E.; El-Shaib, M.N.; Mohamed, M.K. 3E enhancement of freshwater productivity of solar still with heater, vibration, and cover cooling. Environ. Sci. Pollut. Res. 2022, 29, 65787–65805. [Google Scholar] [CrossRef] [PubMed]
- Abdallah, S.; Badran, O. Sun tracking system for productivity enhancement of solar still. Desalination 2008, 220, 669–676. [Google Scholar] [CrossRef]
- Kianifar, A.; Heris, S.Z.; Mahian, O. Exergy and economic analysis of a pyramid-shaped solar water purification system: Active and passive cases. Energy 2012, 38, 31–36. [Google Scholar] [CrossRef]
- Dev, R.; Abdul-Wahab, S.A.; Tiwari, G. Performance study of the inverted absorber solar still with water depth and total dissolved solid. Appl. Energy 2011, 88, 252–264. [Google Scholar] [CrossRef]
- Al-Sulttani, A.O.; Ahsan, A.; Rahman, A.; Daud, N.N.; Idrus, S. Heat transfer coefficients and yield analysis of a double-slope solar still hybrid with rubber scrapers: An experimental and theoretical study. Desalination 2017, 407, 61–74. [Google Scholar] [CrossRef]
- Alwan, N.T.; Ahmed, A.S.; Majeed, M.H.; Shcheklein, S.E.; Yaqoob, S.J.; Nayyar, A.; Nam, Y.; Abouhawwash, M. Enhancement of the evaporation and condensation processes of a solar still with an ultrasound cotton tent and a thermoelectric cooling chamber. Electronics 2022, 11, 284. [Google Scholar] [CrossRef]
- Mandev, E.; Muratçobanoğlu, B.; Çelik, A.; Ceviz, M.A.; Di Nicola, G.; Afshari, F. Improving solar still efficiency through integration of cellulose-based water absorbers and Peltier condensation unit. Therm. Sci. Eng. Prog. 2024, 49, 102475. [Google Scholar] [CrossRef]
- Nazari, S.; Safarzadeh, H.; Bahiraei, M. Performance improvement of a single slope solar still by employing thermoelectric cooling channel and copper oxide nanofluid: An experimental study. J. Clean. Prod. 2019, 208, 1041–1052. [Google Scholar] [CrossRef]
- Abdullah, A. Improving the performance of stepped solar still. Desalination 2013, 319, 60–65. [Google Scholar] [CrossRef]
- Tuly, S.S.; Rahman, M.S.; Sarker, M.R.I.; Beg, R.A. Combined influence of fin, phase change material, wick, and external condenser on the thermal performance of a double slope solar still. J. Clean. Prod. 2021, 287, 125458. [Google Scholar] [CrossRef]
- Khairat Dawood, M.M.; Shehata, A.I.; Kabeel, A.E.; Elharidi, A.M.; Abdelsalam Taha, A.; Bayoumi, S.; Abdalla, A.M. Increasing the freshwater productivity of a solar still loaded with CuO nanofluids using vibration motion and cover cooling techniques. Int. J. Energy Res. 2021, 45, 9099–9115. [Google Scholar] [CrossRef]
- Parsa, S.M.; Rahbar, A.; Koleini, M.H.; Aberoumand, S.; Afrand, M.; Amidpour, M. A renewable energy-driven thermoelectric-utilized solar still with external condenser loaded by silver/nanofluid for simultaneously water disinfection and desalination. Desalination 2020, 480, 114354. [Google Scholar] [CrossRef]
- Pounraj, P.; Winston, D.P.; Kabeel, A.E.; Kumar, B.P.; Manokar, A.M.; Sathyamurthy, R.; Christabel, S.C. Experimental investigation on Peltier based hybrid PV/T active solar still for enhancing the overall performance. Energy Convers. Manag. 2018, 168, 371–381. [Google Scholar] [CrossRef]
- Muthu Manokar, A.; Vimala, M.; Prince Winston, D.; Rajendran, D.R.; Sathyamurthy, R.; Kabeel, A.E. Year around distilled water production, energy, and economic analysis of solar stills—A comparative study. Heat Transf. 2020, 49, 3651–3662. [Google Scholar] [CrossRef]
- Esfe, M.H.; Ardeshiri, E.M.; Toghraie, D. Experimental study and sensitivity analysis of a new generation of special ternary hybrid nanofluids (THNFs) and investigation of factors affecting its thermal conductivity. Case Stud. Therm. Eng. 2022, 34, 101940. [Google Scholar] [CrossRef]
- Shoeibi, S.; Rahbar, N.; Esfahlani, A.A.; Kargarsharifabad, H. A review of techniques for simultaneous enhancement of evaporation and condensation rates in solar stills. Sol. Energy 2021, 225, 666–693. [Google Scholar] [CrossRef]
- Abdullah, A.S.; Essa, F.A.; Omara, Z.M.; Rashid, Y.; Hadj-Taieb, L.; Abdelaziz, G.B.; Kabeel, A.E. Rotating-drum solar still with enhanced evaporation and condensation techniques: Comprehensive study. Energy Convers. Manag. 2019, 199, 112024. [Google Scholar] [CrossRef]
- Alwan, N.T.; Shcheklein, S.; Ali, O.M. Evaluation of distilled water quality and production costs from a modified solar still integrated with an outdoor solar water heater. Case Stud. Therm. Eng. 2021, 27, 101216. [Google Scholar] [CrossRef]
- Rabishokr, K.; Daghigh, R. A portable solar still’s productivity boost combining a magnetic stirrer and thermoelectric. Desalination 2023, 549, 116340. [Google Scholar] [CrossRef]
- Jeevadason, A.W.; Padmini, S.; Bharatiraja, C. Enhancing freshwater productivity of twin wedge solar still by temperature control through thermoelectric sensors and modules. IEEE Sens. J. 2022, 22, 9095–9103. [Google Scholar] [CrossRef]
- Eltawil, M.A.; Omara, Z. Enhancing the solar still performance using solar photovoltaic, flat plate collector and hot air. Desalination 2014, 349, 1–9. [Google Scholar] [CrossRef]
- Hassan, H.; Yousef, M.S. An assessment of energy, exergy and CO2 emissions of a solar desalination system under hot climate conditions. Process. Saf. Environ. Prot. 2021, 145, 157–171. [Google Scholar] [CrossRef]
- Shoeibi, S.; Rahbar, N.; Esfahlani, A.A.; Kargarsharifabad, H. Application of simultaneous thermoelectric cooling and heating to improve the performance of a solar still: An experimental study and exergy analysis. Appl. Energy 2020, 263, 114581. [Google Scholar] [CrossRef]
- Suraparaju, S.K.; Natarajan, S.K. Combined enhancement of evaporation and condensation rates in the solar still for augmenting the freshwater productivity using energy storage and natural fibres. AQUA Water Infrastruct. Ecosyst. Soc. 2022, 71, 628–641. [Google Scholar] [CrossRef]
- Hassan, H.; Yousef, M.S.; Fathy, M.; Ahmed, M.S. Assessment of parabolic trough solar collector assisted solar still at various saline water mediums via energy, exergy, exergoeconomic, and enviroeconomic approaches. Renew. Energy 2020, 155, 604–616. [Google Scholar] [CrossRef]
- Shannon, M.A.; Bohn, P.W.; Elimelech, M.; Georgiadis, J.G.; Mariñas, B.J.; Mayes, A.M. Science and technology for water purification in the coming decades. Nature 2008, 452, 301–310. [Google Scholar] [CrossRef]
- Al-Karaghouli, A.; Kazmerski, L.L. Energy consumption and water production cost of conventional and renewable-energy-powered desalination processes. Renew. Sustain. Energy Rev. 2013, 24, 343–356. [Google Scholar] [CrossRef]
- Kalogirou, S.A. Seawater desalination using renewable energy sources. Prog. Energy Combust. Sci. 2005, 31, 242–281. [Google Scholar] [CrossRef]
- Ghaffour, N.; Missimer, T.M.; Amy, G.L. Technical review and evaluation of the economics of water desalination: Current and future challenges for better water supply sustainability. Desalination 2013, 309, 197–207. [Google Scholar] [CrossRef]
- Shoeibi, S.; Rahbar, N.; Esfahlani, A.A.; Kargarsharifabad, H. Energy matrices, exergoeconomic and enviroeconomic analysis of air-cooled and water-cooled solar still: Experimental investigation and numerical simulation. Renew. Energy 2021, 171, 227–244. [Google Scholar] [CrossRef]
- Shatar, N.M.; Sabri, M.F.M.; Salleh, M.F.M.; Ani, M.H. Investigation on the performance of solar still with thermoelectric cooling system for various cover material. Renew. Energy 2023, 202, 844–854. [Google Scholar] [CrossRef]
- Abdullah, A.S.; Omara, Z.M.; Essa, F.A.; Alqsair, U.F.; Aljaghtham, M.; Mansir, I.B.; Shanmugan, S.; Alawee, W.H. Enhancing trays solar still performance using wick finned absorber, nano-enhanced PCM. Alex. Eng. J. 2022, 61, 12417–12430. [Google Scholar] [CrossRef]
- Alwan, N.T.; Shcheklein, S.; Ali, O.M. Experimental study and economic cost analysis about enhancement productivity for a conventional solar still combined with humidifiers ultrasonic. Energy Sources Part Recovery Util. Environ. Eff. 2021, 47, 7802–7818. [Google Scholar] [CrossRef]
- Alwan, N.T.; Shcheklein, S.; Ali, O.M. Experimental investigation of modified solar still integrated with solar collector. Case Stud. Therm. Eng. 2020, 19, 100614. [Google Scholar] [CrossRef]
- Alwan, N.T.; Shcheklein, S.; Ali, O.M. Evaluation of the productivity for new design single slope solar still at different saltwater depth. J. Phys. Conf. Ser. 2020, 1706, 012002. [Google Scholar] [CrossRef]
- Shehata, A.I.; Kabeel, A.E.; Dawood, M.M.K.; Elharidi, A.M.; Abd_Elsalam, A.; Ramzy, K.; Mehanna, A. Enhancement of the productivity for single solar still with ultrasonic humidifier combined with evacuated solar collector: An experimental study. Energy Convers. Manag. 2020, 208, 112592. [Google Scholar] [CrossRef]
- Hassan, H.; Yousef, M.S.; Fathy, M.; Ahmed, M.S. Impact of condenser heat transfer on energy and exergy performance of active single slope solar still under hot climate conditions. Sol. Energy 2020, 204, 79–89. [Google Scholar] [CrossRef]
- Essa, F.A.; Omara, Z.M.; Abdullah, A.S.; Shanmugan, S.; Panchal, H.; Kabeel, A.E.; Sathyamurthy, R.; Alawee, W.H.; Manokar, A.M.; Elsheikh, A.H. Wall-suspended trays inside stepped distiller with Al2O3/paraffin wax mixture and vapor suction: Experimental implementation. J. Energy Storage 2020, 32, 102008. [Google Scholar] [CrossRef]
- Abd Elbar, A.R.; Hassan, H. Energy, exergy and environmental assessment of solar still with solar panel enhanced by porous material and saline water preheating. J. Clean. Prod. 2020, 277, 124175. [Google Scholar] [CrossRef]
- Dumka, P.; Mishra, D.R. Performance evaluation of single slope solar still augmented with the ultrasonic fogger. Energy 2020, 190, 116398. [Google Scholar] [CrossRef]
- Parsa, S.M.; Rahbar, A.; Javadi, D.; Koleini, M.H.; Afrand, M.; Amidpour, M. Energy-matrices, exergy, economic, environmental, exergoeconomic, enviroeconomic, and heat transfer (6E/HT) analysis of two passive/active solar still water desalination nearly 4000 m: Altitude concept. J. Clean. Prod. 2020, 261, 121243. [Google Scholar] [CrossRef]
- Alwan, N.T.; Shcheklein, S.; Ali, O. A practical study of a rectangular basin solar distillation with single slope using paraffin wax (PCM) cells. Int. J. Energy Convers. 2019, 7, 162–170. [Google Scholar] [CrossRef]
- Sonker, V.K.; Chakraborty, J.P.; Sarkar, A.; Singh, R.K. Solar distillation using three different phase change materials stored in a copper cylinder. Energy Rep. 2019, 5, 1532–1542. [Google Scholar] [CrossRef]
- Winston, D.P.; Pounraj, P.; Manokar, A.M.; Sathyamurthy, R.; Kabeel, A.E. Experimental investigation on hybrid PV/T active solar still with effective heating and cover cooling method. Desalination 2018, 435, 140–151. [Google Scholar]
- Rahbar, N.; Gharaiian, A.; Rashidi, S. Exergy and economic analysis for a double slope solar still equipped by thermoelectric heating modules—An experimental investigation. Desalination 2017, 420, 106–113. [Google Scholar] [CrossRef]
- Hassan, H.; Abo-Elfadl, S. Effect of the condenser type and the medium of the saline water on the performance of the solar still in hot climate conditions. Desalination 2017, 417, 60–68. [Google Scholar] [CrossRef]
- Rajaseenivasan, T.; Srithar, K. Performance investigation on solar still with circular and square fins in basin with CO2 mitigation and economic analysis. Desalination 2016, 380, 66–74. [Google Scholar] [CrossRef]
- Morad, M.; El-Maghawry, H.A.; Wasfy, K.I. Improving the double slope solar still performance by using flat-plate solar collector and cooling glass cover. Desalination 2015, 373, 1–9. [Google Scholar] [CrossRef]
- Suneesh, P.U.; Jayaprakash, R.; Arunkumar, T.; Denkenberger, D. Effect of air flow on “V” type solar still with cotton gauze cooling. Desalination 2014, 337, 1–5. [Google Scholar] [CrossRef]
- Esfahani, J.A.; Rahbar, N.; Lavvaf, M. Utilization of thermoelectric cooling in a portable active solar still—An experimental study on winter days. Desalination 2011, 269, 198–205. [Google Scholar] [CrossRef]
- Kumar, S.; Tiwari, G. Life cycle cost analysis of single slope hybrid (PV/T) active solar still. Appl. Energy 2009, 86, 1995–2004. [Google Scholar] [CrossRef]
- Samee, M.A.; Mirza, U.K.; Majeed, T.; Ahmad, N. Design and performance of a simple single basin solar still. Renew. Sustain. Energy Rev. 2007, 11, 543–549. [Google Scholar] [CrossRef]

















































| Symbol | Meaning | Symbol | Meaning |
|---|---|---|---|
| AP | Air Pump | PCM | Phase Change Material |
| CAC | Cold Air Channel | PF | Pond Fibers |
| CC | Cover Cooling | PT | Perforated Tubes |
| CCTEC | Cooling Chamber with Thermoelectric | PTC | Parabolic Trough Solar Collector |
| CDC | Changed Dimensions Cavity | PV | Photovoltaic Solar Panel |
| CF | Condenser Fan | Ref | Reflector |
| CPC | Cylindrical Parabolic Concentrator | RSH | Rotating Shaft |
| CS | Coil Springs | SAC | Solar Air Collector |
| DCM | DC Motor | SD | Sand |
| DGG | Double-Glazed Glass | SF | Sisal Fibers |
| DS | Drum Distiller | SGC | Shading Glass Cover |
| EH | Electric Heater | SPD | Solar Parabolic Dish |
| ETC | Evacuated Tube Collector | SPT | Solar Parabolic Trough |
| EXC | External Condenser | SS | Solar Still |
| EXTEC | External Thermoelectric Cooler | SU | Spraying Unit |
| EXTEH | External Thermoelectric Heater | SWC | Solar Water Collector |
| FHSC | Finned Heat Sink Condenser | SWH | Solar Water Heater |
| FPSC | Flat Plate Solar Collector | TCU | Temperature Control Unit |
| HC | Hollow Cylinder | TEC | Thermoelectric Cooler |
| HF | Hollow Fins | TEH | Thermoelectric Heater |
| MS | Magnetic Stirrer | THE | Tubular Heat Exchanger |
| MSSS | Multi-Slope Solar Still | TWSS | Twin Wedge Solar Stills |
| NF | Nanofluid | UH | Ultrasonic Humidifier |
| NP | Nano Particles | VF | Vacuum Fan |
| OHE | Oil Heat Exchanger | VM | Vibration Motion |
| OP | Oil Pump | WM | Wire Mesh |
| TA | Tray Absorber | WP | Water Pump |
| Technology/Configuration | Key Enhancements | Location | Productivity (L/m2/Year) | Cost (USD/L) | Improved Production (% or Fold) | Reference |
|---|---|---|---|---|---|---|
| CSS | None | Iran | 234–273 | 0.042–0.074 | Baseline | [23,37] |
| SS+ PV-TEM | Dual heating and cooling via PV-TEM | Jordan | 281 | NA | 672% increase | [12] |
| SS + PCM + Mirror Reflector | Thermal energy storage with optical enhancement | Iran | 8760 | NA | 301% increase | [46] |
| SS +Evacuated Tube Collector | Enhanced solar gain | Turkey | Not reported | NA | +20% daily yield | [33] |
| SS +TEM + Double-glazed glass | Improved insulation and active cooling | Iran | 586.26 | 0.0326 | 570% increase | [13] |
| SS + CuO Nanofluid + TEM + Vibration | Thermal conductivity boost and mechanical enhancement | Not Specified | Not reported | Not specified | 5.3× increase | Article body |
| SS+ PCM + External Condenser | Enhanced condensation and thermal storage | Bangladesh | Not reported | 0.011 | Not quantified | [81] |
| SS + Internal Fan + Black Hemp | Evaporation enhancement and cheap materials | Turkey | 122.32–150.53 | 0.292–0.427 | 5–54% increase | [78] |
| SS + TEM + TEC + Water Cooling | Active thermal management | Turkey | 250.75 | 0.187 | +35% vs. RSS | [51] |
| SS+ TEM + Ultrasonic Humidifier | Enhanced evaporation via ultrasonic mist | Iraq | Not reported | 0.04 | +124% vs. CSS | [77] |
| References | Study Location | Type of Combined SS | Improved Production % |
|---|---|---|---|
| 2024 [12] | Jordan | SS + PV + TEC | 672 |
| 2024 [13] | Iran | SS + TEC + CAC + DGG | 570 |
| 2021 [82] | Egypt | SS + Ref + TEC + CS + PV + DCM | 531 |
| 2019 [88] | Saudi Arabia | DS + EXC + SWH + RSH + DCM + CF + PV + NF | 350 |
| 2022 [72] | Egypt | SS + EH + VM + TEC + CS + PV | 327 |
| 2024 [46] | Iran | SS + SPD | 301 |
| 2021 [89] | Russia | SS + SWC + HC + DCM | 300 |
| 2023 [31] | Egypt | SS + PCM + EH | 252 |
| 2017 [30] | India | SS + CDC (TA) | 212 |
| 2023 [90] | Iran | MSSS + MS + TEC | 184 |
| 2021 [32] | Yemen | SS + SPT + CF | 177 |
| 2022 [91] | India | TWSS + TCU + PV + TEC + THE | 161 |
| 2014 [92] | Egypt | SS + FPSC + SU + PT + EXC + PV + WP + AP + SWC | 142 |
| 2017 [41] | Egypt | SS + CPC + OHE + PCM | 140 |
| 2021 [93] | Egypt | SS + SD + PTC + OHE + OP + FHSC | 139 |
| 2020 [5] | India | SS + ETC + THE | 138 |
| 2020 [94] | Iran | SS + EXTEC + EXTHE + P | 129 |
| 2023 [58] | Malaysia | SS + PCCC + EXTECM | 126 |
| 2022 [77] | Russia | SS + UH + CCTEC | 124 |
| 2022 [95] | India | SS + HF + PCM + PF + SF | 116 |
| 2014 [54] | Egypt | SS + NP + EXC + PV + VF | 116 |
| 2020 [96] | Egypt | SS + SD + PTC + OHE + OP | 102 |
| 2017 [61] | China | NF + PCM | 65 |
| 2017 [61] | China | NF + CC | 56 |
| 2017 [61] | China | NF + PCM + CC | 74 |
Disclaimer/Publisher’s Note: The statements, opinions and data contained in all publications are solely those of the individual author(s) and contributor(s) and not of MDPI and/or the editor(s). MDPI and/or the editor(s) disclaim responsibility for any injury to people or property resulting from any ideas, methods, instructions or products referred to in the content. |
© 2025 by the authors. Licensee MDPI, Basel, Switzerland. This article is an open access article distributed under the terms and conditions of the Creative Commons Attribution (CC BY) license (https://creativecommons.org/licenses/by/4.0/).
Share and Cite
Khalaf, M.O.; Özdemir, M.R.; Sultan, H.S. A Comprehensive Review of Solar Still Technologies and Cost: Innovations in Materials, Design, and Techniques for Enhanced Water Desalination Efficiency. Water 2025, 17, 1515. https://doi.org/10.3390/w17101515
Khalaf MO, Özdemir MR, Sultan HS. A Comprehensive Review of Solar Still Technologies and Cost: Innovations in Materials, Design, and Techniques for Enhanced Water Desalination Efficiency. Water. 2025; 17(10):1515. https://doi.org/10.3390/w17101515
Chicago/Turabian StyleKhalaf, Mohammed Oudah, Mehmed Rafet Özdemir, and Hussein S. Sultan. 2025. "A Comprehensive Review of Solar Still Technologies and Cost: Innovations in Materials, Design, and Techniques for Enhanced Water Desalination Efficiency" Water 17, no. 10: 1515. https://doi.org/10.3390/w17101515
APA StyleKhalaf, M. O., Özdemir, M. R., & Sultan, H. S. (2025). A Comprehensive Review of Solar Still Technologies and Cost: Innovations in Materials, Design, and Techniques for Enhanced Water Desalination Efficiency. Water, 17(10), 1515. https://doi.org/10.3390/w17101515

