Competitive Adsorption Studies of Cd(II) and As(III) by Poly (Butylene Succinate) Microplastics: Based on Experimental and Theoretical Calculation
Abstract
1. Introduction
2. Materials and Methods
2.1. Materials and Instruments
2.2. Experimental Methods
2.2.1. Competitive Adsorption Experiments
2.2.2. Chemical Calculation
2.3. Data Analysis
- (1)
- The adsorption capacity
- (2)
- The sorption isotherm models
- (3)
- The site energy distribution theory
2.4. Software and Data Analysis
3. Results and Discussion
3.1. Competitive Adsorption Isotherms
3.2. Distribution of Competitive Adsorption Sites Energy
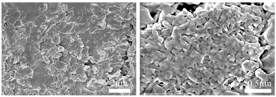
3.3. Characteristics of PBS Microplastics and Point of Zero Charge
3.4. Adsorption Mechanism of Heavy Metals on PBS Microplastics
3.5. Theoretical Computational Analysis
3.5.1. GCMC Method Simulation of Adsorption
3.5.2. DFT Calculations
4. Conclusions
Supplementary Materials
Author Contributions
Funding
Data Availability Statement
Acknowledgments
Conflicts of Interest
References
- Zhang, Y.; Bai, J.; Cui, Z.; Li, Y.; Gao, Q.; Miao, Y.; Xiong, B. Polyamine Metabolite Spermidine Rejuvenates Oocyte Quality by Enhancing Mitophagy during Female Reproductive Aging. Nat. Aging 2023, 3, 1372–1386. [Google Scholar] [CrossRef]
- Thompson, R.C.; Olsen, Y.; Mitchell, R.P.; Davis, A.; Rowland, S.J.; John, A.W.G.; McConigle, D.; Russell, A.E. Lost at Sea: Where Is All the Plastic? Science 2004, 304, 838. [Google Scholar] [CrossRef]
- Zhuang, S.; Wang, J. Interaction between Antibiotics and Microplastics: Recent Advances and Perspective. Sci. Total Environ. 2023, 897, 165414. [Google Scholar] [CrossRef]
- Zhao, W.; Zhao, Y.; Geng, T.; Tian, Y.; Zhao, P. Co-Transport Behavior and Trojan-Horse Effect of Colloidal Microplastics with Different Functional Groups and Heavy Metals in Porous Media. J. Hazard. Mater. 2023, 459, 131892. [Google Scholar] [CrossRef] [PubMed]
- Mohan, K.; Rajkumar, L.V. A Critical Review of the Recent Trends in Source Tracing of Microplastics in the Environment. Environ. Res. 2023, 239, 117394. [Google Scholar] [CrossRef]
- Zheng, M.; Wu, P.; Li, L.; Yu, F.; Ma, J. Adsorption/Desorption Behavior of Ciprofloxacin on Aged Biodegradable Plastic PLA under Different Exposure Conditions. J. Environ. Chem. Eng. 2023, 11, 109256. [Google Scholar] [CrossRef]
- Sun, Y.; Peng, B.-Y.; Wang, Y.; Wang, X.; Xia, S.; Zhao, J. Evaluating the Adsorption and Desorption Performance of Poly(Butylene Adipate-Co-Terephthalate) (PBAT) Microplastics towards Cu(II): The Roles of Biofilms and Biodegradation. Chem. Eng. J. 2023, 464, 142714. [Google Scholar] [CrossRef]
- Sun, Q.; Liu, L.; Gong, Y.; Liu, P. Adsorption Behavior and Interaction Mechanism of Microplastics with Typical Hydrophilic Pharmaceuticals and Personal Care Products. Environ. Res. 2024, 244, 117897. [Google Scholar] [CrossRef]
- Kaing, V.; Guo, Z.; Sok, T.; Kodikara, D.; Breider, F.; Yoshimura, C. Photodegradation of Biodegradable Plastics in Aquatic Environments: Current Understanding and Challenges. Sci. Total Environ. 2024, 911, 168539. [Google Scholar] [CrossRef] [PubMed]
- Rosenboom, J.-G.; Langer, R.; Traverso, G. Bioplastics for a Circular Economy. Nat. Rev. Mater. 2022, 7, 117–137. [Google Scholar] [CrossRef]
- Rafiqah, S.A.; Khalina, A.; Harmaen, A.S.; Tawakkal, I.A.; Zaman, K.; Asim, M.; Nurrazi, M.N.; Lee, C.H. A Review on Properties and Application of Bio-Based Poly(Butylene Succinate). Polymers 2021, 13, 1436. [Google Scholar] [CrossRef]
- Li, Y.; Wang, X.; Wang, Y.; Sun, Y.; Xia, S.; Zhao, J. Effect of Biofilm Colonization on Pb(II) Adsorption onto Poly(Butylene Succinate) Microplastic during Its Biodegradation. Sci. Total Environ. 2022, 833, 155251. [Google Scholar] [CrossRef] [PubMed]
- Zhang, F.; Chen, H.; Liu, Y.; Wang, M. Phthalate Acid Ester Release from Microplastics in Water Environment and Their Comparison between Single and Competitive Adsorption. Environ. Sci. Pollut. Res. 2023, 30, 118964–118975. [Google Scholar] [CrossRef] [PubMed]
- Tong, F.; Liu, D.; Zhang, Z.; Chen, W.; Fan, G.; Gao, Y.; Gu, X.; Gu, C. Heavy Metal-Mediated Adsorption of Antibiotic Tetracycline and Ciprofloxacin on Two Microplastics: Insights into the Role of Complexation. Environ. Res. 2023, 216, 114716. [Google Scholar] [CrossRef]
- Zhang, H.; Shen, N.; Li, Y.; Hu, C.; Yuan, P. Source, Transport, and Toxicity of Emerging Contaminants in Aquatic Environments: A Review on Recent Studies. Environ. Sci. Pollut. Res. 2023, 30, 121420–121437. [Google Scholar] [CrossRef]
- Zheng, X.; Wu, Q.; Huang, C.; Wang, P.; Cheng, H.; Sun, C.; Zhu, J.; Xu, H.; Ouyang, K.; Guo, J.; et al. Synergistic Effect and Mechanism of Cd(II) and as(III) Adsorption by Biochar Supported Sulfide Nanoscale Zero-Valent Iron. Environ. Res. 2023, 231, 116080. [Google Scholar] [CrossRef] [PubMed]
- Zhao, H.; Li, P.; Su, F.; He, X.; Elumalai, V. Adsorption Behavior of Aged Polybutylece Terephthalate Microplastics Coexisting with Cd(II)-Tetracycline. Chemosphere 2022, 301, 134789. [Google Scholar] [CrossRef]
- Ortega, D.E.; Cortés-Arriagada, D. Interaction Mechanism of Water-Soluble Inorganic Arsenic onto Pristine Nanoplastics. Chemosphere 2024, 350, 141147. [Google Scholar] [CrossRef] [PubMed]
- Liu, K.; Li, F.; Cui, J.; Yang, S.; Fang, L. Simultaneous Removal of Cd(II) and as(III) by Graphene-like Biochar-Supported Zero-Valent Iron from Irrigation Waters under Aerobic Conditions: Synergistic Effects and Mechanisms. J. Hazard. Mater. 2020, 395, 122623. [Google Scholar] [CrossRef]
- Wang, F.; Yang, W.; Cheng, P.; Zhang, S.; Zhang, S.; Jiao, W.; Sun, Y. Adsorption Characteristics of Cadmium onto Microplastics from Aqueous Solutions. Chemosphere 2019, 235, 1073–1080. [Google Scholar] [CrossRef]
- Zhou, Y.; Yang, Y.; Liu, G.; He, G.; Liu, W. Adsorption Mechanism of Cadmium on Microplastics and Their Desorption Behavior in Sediment and Gut Environments: The Roles of Water pH, Lead Ions, Natural Organic Matter and Phenanthrene. Water Res. 2020, 184, 116209. [Google Scholar] [CrossRef]
- Guo, X.; Hu, G.; Fan, X.; Jia, H. Sorption Properties of Cadmium on Microplastics: The Common Practice Experiment and a Two-Dimensional Correlation Spectroscopic Study. Ecotoxicol. Environ. Saf. 2020, 190, 110118. [Google Scholar] [CrossRef] [PubMed]
- Jiang, M.; Hu, L.; Lu, A.; Liang, G.; Lin, Z.; Zhang, T.; Xu, L.; Li, B.; Gong, W. Strong Sorption of Two Fungicides onto Biodegradable Microplastics with Emphasis on the Negligible Role of Environmental Factors. Environ. Pollut. 2020, 267, 115496. [Google Scholar] [CrossRef] [PubMed]
- Li, R.; Liu, Y.; Sheng, Y.; Xiang, Q.; Zhou, Y.; Cizdziel, J.V. Effect of Prothioconazole on the Degradation of Microplastics Derived from Mulching Plastic Film: Apparent Change and Interaction with Heavy Metals in Soil. Environ. Pollut. 2020, 260, 113988. [Google Scholar] [CrossRef]
- Li, L.; Luo, Y.; Li, R.; Zhou, Q.; Peijnenburg, W.J.G.M.; Yin, N.; Yang, J.; Tu, C.; Zhang, Y. Effective Uptake of Submicrometre Plastics by Crop Plants via a Crack-Entry Mode. Nat. Sustain. 2020, 3, 929–937. [Google Scholar] [CrossRef]
- Gao, X.; Hassan, I.; Peng, Y.; Huo, S.; Ling, L. Behaviors and Influencing Factors of the Heavy Metals Adsorption onto Microplastics: A Review. J. Clean. Prod. 2021, 319, 128777. [Google Scholar] [CrossRef]
- Fan, T.; Zhao, J.; Chen, Y.; Wang, M.; Wang, X.; Wang, S.; Chen, X.; Lu, A.; Zha, S. Coexistence and Adsorption Properties of Heavy Metals by Polypropylene Microplastics. Adsorpt. Sci. Technol. 2021, 2021, 4938749. [Google Scholar] [CrossRef]
- Chen, X.; Liang, J.; Bao, L.; Gu, X.; Zha, S.; Chen, X. Competitive and Cooperative Sorption between Triclosan and Methyl Triclosan on Microplastics and Soil. Environ. Res. 2022, 212, 113548. [Google Scholar] [CrossRef]
- Zhou, B.-Q.; Sang, Q.-Q.; Wang, Y.-J.; Huang, H.; Wang, F.-J.; Yang, R.-C.; Zhao, Y.-T.; Xiao, Z.-J.; Zhang, C.-Y.; Li, H.-P. Comprehensive Understanding of Tetracycline Hydrochloride Adsorption Mechanism onto Biochar-Based Gel Pellets Based on the Combination of Characterization-Based and Approximate Site Energy Distribution Methods. J. Clean. Prod. 2023, 416, 137909. [Google Scholar] [CrossRef]
- Hu, Q.; Lan, R.; He, L.; Liu, H.; Pei, X. A Critical Review of Adsorption Isotherm Models for Aqueous Contaminants: Curve Characteristics, Site Energy Distribution and Common Controversies. J. Environ. Manag. 2023, 329, 117104. [Google Scholar] [CrossRef]
- Jiang, H.; Li, Q.; Sun, J.; Huang, Y.; Zhang, P.; Mao, Y.; Qu, Y.; Liu, X. Studies on Competitive Adsorption Characteristics of Bisphenol a and 17α-Ethinylestradiol on Thermoplastic Polyurethane by Site Energy Distribution Theory. Environ. Geochem. Health 2023, 45, 5181–5194. [Google Scholar] [CrossRef] [PubMed]
- Jin, R.; Zhao, C.; Song, Y.; Qiu, X.; Li, C.; Zhao, Y. Competitive Adsorption of Sulfamethoxazole and Bisphenol a on Magnetic Biochar: Mechanism and Site Energy Distribution. Environ. Pollut. 2023, 329, 121662. [Google Scholar] [CrossRef] [PubMed]
- Huang, Y.; Cheng, Q.; Wang, Z.; Liu, S.; Zou, C.; Guo, J.; Guo, X. Competitive Adsorption of Benzene and Water Vapor on Lignite-Based Activated Carbon: Experiment and Molecular Simulation Study. Chem. Eng. J. 2020, 398, 125557. [Google Scholar] [CrossRef]
- Bao, Z.-Z.; Lu, S.-Q.; Wang, G.; Cai, Z.; Chen, Z.-F. Adsorption of 2-Hydroxynaphthalene, Naphthalene, Phenanthrene, and Pyrene by Polyvinyl Chloride Microplastics in Water and Their Bioaccessibility under in Vitro Human Gastrointestinal System. Sci. Total Environ. 2023, 871, 162157. [Google Scholar] [CrossRef]
- Feng, H.; Liu, Y.; Xu, Y.; Li, S.; Liu, X.; Dai, Y.; Zhao, J.; Yue, T. Benzo[a]Pyrene and Heavy Metal Ion Adsorption on Nanoplastics Regulated by Humic Acid: Cooperation/Competition Mechanisms Revealed by Molecular Dynamics Simulations. J. Hazard. Mater. 2022, 424, 127431. [Google Scholar] [CrossRef]
- Sun, M.; Yang, Y.; Huang, M.; Fu, S.; Hao, Y.; Hu, S.; Lai, D.; Zhao, L. Adsorption Behaviors and Mechanisms of Antibiotic Norfloxacin on Degradable and Nondegradable Microplastics. Sci. Total Environ. 2022, 807, 151042. [Google Scholar] [CrossRef]
- Meng, D.; Nabi, F.; Kama, R.; Li, S.; Wang, W.; Guo, Y.; Li, Z.; Li, H. The Interaction between Ferrihydrite and Arsenic: A Review of Environmental Behavior, Mechanism and Applied in Remediation. J. Hazard. Mater. Adv. 2024, 13, 100398. [Google Scholar] [CrossRef]
- Jiang, Z.; Huang, L.; Fan, Y.; Zhou, S.; Zou, X. Contrasting Effects of Microplastic Aging upon the Adsorption of Sulfonamides and Its Mechanism. Chem. Eng. J. 2022, 430, 132939. [Google Scholar] [CrossRef]
- Ren, J.; Zheng, L.; Su, Y.; Meng, P.; Zhou, Q.; Zeng, H.; Zhang, T.; Yu, H. Competitive Adsorption of Cd(II), Pb(II) and Cu(II) Ions from Acid Mine Drainage with Zero-Valent Iron/Phosphoric Titanium Dioxide: XPS Qualitative Analyses and DFT Quantitative Calculations. Chem. Eng. J. 2022, 445, 136778. [Google Scholar] [CrossRef]
- Jiang, Z.; Huang, X.; Wu, Q.; Li, M.; Xie, Q.; Liu, Z.; Zou, X. Adsorption of Sulfonamides on Polyamide Microplastics in an Aqueous Solution: Behavior, Structural Effects, and Its Mechanism. Chem. Eng. J. 2023, 454, 140452. [Google Scholar] [CrossRef]
- Wei, C.; Cai, Y.; Yang, Z. A Bifunctional Imidazolium-Based Porous Organic Polymer for Efficient Detection of Cr2O72− and Adsorptive Separation of Cr2O72− and MO in Water. J. Water Process Eng. 2024, 57, 104573. [Google Scholar] [CrossRef]
- Carter, M.C.; Kilduff, J.E.; Weber, W.J. Site Energy Distribution Analysis of Preloaded Adsorbents. Environ. Sci. Technol. 1995, 29, 1773–1780. [Google Scholar] [CrossRef]
- Shen, X.; Guo, X.; Zhang, M.; Tao, S.; Wang, X. Sorption Mechanisms of Organic Compounds by Carbonaceous Materials: Site Energy Distribution Consideration. Environ. Sci. Technol. 2015, 49, 4894–4902. [Google Scholar] [CrossRef]
- Zhang, X.; Tian, X.; Song, W.; Ma, B.; Chen, M.; Sun, Y.; Chen, Y.; Zhang, L. Adsorption of as(III) by Microplastics Coexisting with Antibiotics. Sci. Total Environ. 2024, 907, 167857. [Google Scholar] [CrossRef]
- Yu, Y.; Li, H.; Chen, J.; Wang, F.; Chen, X.; Huang, B.; He, Y.; Cai, Z. Exploring the Adsorption Behavior of Benzotriazoles and Benzothiazoles on Polyvinyl Chloride Microplastics in the Water Environment. Sci. Total Environ. 2022, 821, 153471. [Google Scholar] [CrossRef]
- Cheng, X.; Duan, C.; Yang, P.; Pi, Y.; Qi, H.; Sun, Z.; Chen, S. Effective Adsorption of Crystal Violet onto Magnetic Nanoparticles Decorated Bacteria: Kinetic and Site Energy Distribution Analysis. Process Saf. Environ. 2023, 173, 837–846. [Google Scholar] [CrossRef]
- Zhang, X.; Zhang, Y.; Li, D.; Wang, J.; Ding, Y.; Wang, Y.; Feng, L.; Hu, Y. Aging Properties of Polyethylene and Polylactic Acid Microplastics and Their Adsorption Behavior of Cd(II) and Cr(VI) in Aquatic Environments. Chemosphere 2024, 363, 142833. [Google Scholar] [CrossRef] [PubMed]
- Liu, X. Adsorption and Desorption Mechanism of Cd by Degradable Microplastics in Different Media. Master’s Thesis, Chongqing Jiaotong University, Chongqing, China, 2023. [Google Scholar]
- Huang, X.; Zemlyanov, D.Y.; Diaz-Amaya, S.; Salehi, M.; Stanciu, L.; Whelton, A.J. Competitive Heavy Metal Adsorption onto New and Aged Polyethylene under Various Drinking Water Conditions. J. Hazard. Mater. 2020, 385, 121585. [Google Scholar] [CrossRef] [PubMed]
- Liu, B.; Zhao, S.; Qiu, T.; Cui, Q.; Yang, Y.; Li, L.; Chen, J.; Huang, M.; Zhan, A.; Fang, L. Interaction of Microplastics with Heavy Metals in Soil: Mechanisms, Influencing Factors and Biological Effects. Sci. Total Environ. 2024, 918, 170281. [Google Scholar] [CrossRef] [PubMed]
- Fisher-Power, L.M.; Cheng, T.; Rastghalam, Z.S. Cu and Zn Adsorption to a Heterogeneous Natural Sediment: Influence of Leached Cations and Natural Organic Matter. Chemosphere 2016, 144, 1973–1979. [Google Scholar] [CrossRef] [PubMed]
- Dong, Y.; Gao, M.; Song, Z.; Qiu, W. As(III) Adsorption onto Different-Sized Polystyrene Microplastic Particles and Its Mechanism. Chemosphere 2020, 239, 124792. [Google Scholar] [CrossRef] [PubMed]
- Xue, X.-D.; Fang, C.-R.; Zhuang, H.-F. Adsorption Behaviors of the Pristine and Aged Thermoplastic Polyurethane Microplastics in Cu(II)-OTC Coexisting System. J. Hazard. Mater. 2021, 407, 124835. [Google Scholar] [CrossRef]
- Mutabazi, E.; Qiu, X.; Song, Y.; Li, C.; Jia, X.; Hakizimana, I.; Niu, J.; Nuramkhaan, M.; Zhao, Y. Cr(VI) Adsorption on Activated Carbon, Sludge Derived Biochar, and Peanut Shells Derived Biochar: Performance, Mechanisms during the Reuse Process and Site Energy Distribution Analysis. J. Water Process Eng. 2024, 57, 104679. [Google Scholar] [CrossRef]
- Gao, R.; Cui, K.; Liang, W.; Wang, H.; Wei, S.; Zhou, Y.; Zeng, F. Molecular Weight-Dependent Adsorption Heterogeneities of Humic Acid on Microplastics in Aquatic Environments: Further Insights from Fluorescence Spectra Combined with Two-Dimensional Correlation Spectroscopy and Site Energy Distribution Analysis. J. Environ. Chem. Eng. 2022, 10, 108948. [Google Scholar] [CrossRef]
- Li, H.; Zhao, Y.; Xiao, Z.; Yang, M.; Zhou, B. Analysis on Approximate Site Energy Distribution and Adsorption Behaviors Unveils Reasons for Highly Efficient Phosphorus Removal by a Novel Sludge-Based Magnetic Gel Bead. Chem. Eng. J. 2021, 422, 130028. [Google Scholar] [CrossRef]
- Hussain, N.; Khan, H.; Hussain, S.; Arshad, M.; Umar, M.; Wahab, F. Unleashing the Dye Adsorption Potential of Polyaminoimide Homopolymer: DFT, Statistical Physics, Site Energy and Pore Size Distribution Analyses. J. Environ. Chem. Eng. 2023, 11, 111383. [Google Scholar] [CrossRef]
- Ma, S.; Wei, S.; Li, S.; Wei, W.; Huang, Y. Facile Activation of Natural Calcium-Rich Sepiolite with Oxalic Acid for Selective Pb(II) Removal: Highly-Efficient Performance, Mechanisms and Site Energy Distribution. Chemosphere 2023, 342, 140201. [Google Scholar] [CrossRef]
- Bai, S.; Jin, C.; Zhu, S.; Ma, F.; Wang, L.; Wen, Q. Coating Magnetite Alters the Mechanisms and Site Energy for Sulfonamide Antibiotic Sorption on Biochar. J. Hazard. Mater. 2021, 409, 125024. [Google Scholar] [CrossRef]
- Wang, H.; Yang, Q.; Li, Z.; Xie, Y.; Kong, F.; Liang, D.; Xia, C.; Huang, H.; Li, J.; Meng, Z. Adsorption of Antibiotics on Montmorillonite and Site Energy Distribution Analysis. J. Mol. Liq. 2023, 383, 122078. [Google Scholar] [CrossRef]
- Xie, Y.; Kong, F.; Mi, Z.; Huang, H.; Xia, C.; Ma, Z.; Li, S.; Zhang, Q.; Meng, Z. High-Efficiency Removal of Antibiotics through Self-Assembly Formation of Layered Double Hydroxides in Wastewater. J. Water Process Eng. 2023, 52, 103502. [Google Scholar] [CrossRef]
- Zhao, F.; Zhang, Y.; Zheng, Z.; Mu, B. Synthesis of an Absorption Material Based on Oil Shale Semi-Coke: Discussion to Adsorption Mechanism and Corresponding Site Energy Distribution Analysis. Colloids Surf. A 2022, 637, 128251. [Google Scholar] [CrossRef]
- Kua, T.L.; Kooh, M.R.R.; Dahri, M.K.; Zaidi, N.A.H.M.; Lu, Y.; Lim, L.B.L. Aquatic Plant, Ipomoea Aquatica, as a Potential Low-Cost Adsorbent for the Effective Removal of Toxic Methyl Violet 2B Dye. Appl. Water Sci. 2020, 10, 243. [Google Scholar] [CrossRef]
- Zhao, C.; Yao, J.; Knudsen, T.Š.; Liu, J.; Zhu, X.; Ma, B.; Li, H.; Cao, Y.; Liu, B. Performance and Mechanisms for Cd(II) and as(III) Simultaneous Adsorption by Goethite-Loaded Montmorillonite in Aqueous Solution and Soil. J. Environ. Manag. 2023, 330, 117163. [Google Scholar] [CrossRef] [PubMed]
- Dong, Y.; Gao, M.; Qiu, W.; Song, Z. Adsorption of Arsenite to Polystyrene Microplastics in the Presence of Humus. Environ. Sci. Process. Impacts 2020, 22, 2388–2397. [Google Scholar] [CrossRef] [PubMed]
- Dong, Y.; Gao, M.; Song, Z.; Qiu, W. Adsorption Mechanism of as(III) on Polytetrafluoroethylene Particles of Different Size. Environ. Pollut. 2019, 254, 112950. [Google Scholar] [CrossRef] [PubMed]
- Kim, H.-S.; Kim, H.-J. Enhanced Hydrolysis Resistance of Biodegradable Polymers and Bio-Composites. Polym. Degrad. Stab. 2008, 93, 1544–1553. [Google Scholar] [CrossRef]
- Fei, J.; Cui, J.; Wang, B.; Xie, H.; Wang, C.; Zhao, Y.; Sun, H.; Yin, X. Co-Transport of Degradable Microplastics with Cd(Ⅱ) in Saturated Porous Media: Synergistic Effects of Strong Adsorption Affinity and High Mobility. Environ. Pollut. 2023, 330, 121804. [Google Scholar] [CrossRef]
- Li, Y.; Zhen, D.; Liu, F.; Zhang, X.; Gao, Z.; Wang, J. Adsorption of Azoxystrobin and Pyraclostrobin onto Degradable and Non-Degradable Microplastics: Performance and Mechanism. Sci. Total Environ. 2024, 912, 169453. [Google Scholar] [CrossRef] [PubMed]
- Ogata, F.; Uematsu, Y.; Nagai, N.; Kobata, I.; Tabuchi, A.; Saenjum, C.; Nakamura, T.; Kawasaki, N. Potential of Waste Mangosteen Shell in the Removal of Cadmium Ions: Effects of pH, Contact Time, and Temperature. Heliyon 2023, 9, e14503. [Google Scholar] [CrossRef] [PubMed]
- Hmoudah, M.; El-Qanni, A.; Abuhatab, S.; Marei, N.N.; El-Hamouz, A.; Tarboush, B.J.A.; Alsurakji, I.H.; Baniowda, H.M.; Russo, V.; Di Serio, M. Competitive Adsorption of Alizarin Red S and Bromocresol Green from Aqueous Solutions Using Brookite TiO2 Nanoparticles: Experimental and Molecular Dynamics Simulation. Environ. Sci. Pollut. R. 2022, 29, 77992–78008. [Google Scholar] [CrossRef] [PubMed]
- Ojha, J.K.; Ramesh, G.; Sreenivas, B.; Venkatram Reddy, B. Structure, Frontier Molecular Orbitals, MEP, Charge Analysis, and NLO Study of 2,4-, 2,5-, and 2,6-Dimethylanilines Using DFT. Polycycl. Aromat. Compd. 2023, 44, 5166–5187. [Google Scholar] [CrossRef]
- Zhao, H.; Jia, Y.; Liang, X.; Hao, J.; Xu, G.; Chen, B.; He, C.; Jiao, Y.; Chang, C. Theoretical and Experimental Study of 5-Ethoxymethylfurfural and Ethyl Levulinate Production from Cellulose. Chem. Eng. J. 2024, 480, 148093. [Google Scholar] [CrossRef]
- Shankar Rao, Y.B.; Prasad, M.V.S.; Udaya Sri, N.; Veeraiah, V. Vibrational (FT-IR, FT-Raman) and UV–Visible Spectroscopic Studies, HOMO–LUMO, NBO, NLO and MEP Analysis of Benzyl (Imino (1H-Pyrazol-1-Yl) Methyl) Carbamate Using DFT Calculaions. J. Mol. Struct. 2016, 1108, 567–582. [Google Scholar] [CrossRef]
- He, S.; Wei, Y.; Li, Z.; Yang, C. Aging Microplastic Aggravates the Pollution of Heavy Metals in Rhizosphere Biofilms. Sci. Total Environ. 2023, 890, 164177. [Google Scholar] [CrossRef] [PubMed]
- He, W.; Wang, X.; Zhang, Y.; Zhu, B.; Wu, H. Adsorption Behavior of Aged Polystyrene Microplastics (PSMPs) for Manganese in Water: Critical Role of Hydrated Functional Zone Surrounding the Microplastic Surface. J. Environ. Chem. Eng. 2022, 10, 109040. [Google Scholar] [CrossRef]
- Wu, M.; Yang, H.; Wu, Q.; Yang, Y.; He, Z. Adsorption and Competition Mechanism of Tetracycline and Erythromycin on Montmorillonite: Experimental and Theoretical Investigation. J. Mol. Liq. 2023, 370, 121037. [Google Scholar] [CrossRef]
- Tang, S.; Sun, P.; Ma, S.; Jin, W.; Zhao, Y. The Interfacial Behaviors of Different Arsenic Species on Polyethylene Mulching Film Microplastics: Roles of the Plastic Additives. J. Hazard. Mater. 2023, 442, 130037. [Google Scholar] [CrossRef]






| Chemical Name | Molecular Formula | Structure | Molecular Configuration | Crystallinity (%) | (°C) | Elongation at Break (%) |
|---|---|---|---|---|---|---|
| Poly (butylene succinate) | H-(C8H12O4)n-OH | ![]() | ![]() | 60.30 | −34 | >500 |
Disclaimer/Publisher’s Note: The statements, opinions and data contained in all publications are solely those of the individual author(s) and contributor(s) and not of MDPI and/or the editor(s). MDPI and/or the editor(s) disclaim responsibility for any injury to people or property resulting from any ideas, methods, instructions or products referred to in the content. |
© 2024 by the authors. Licensee MDPI, Basel, Switzerland. This article is an open access article distributed under the terms and conditions of the Creative Commons Attribution (CC BY) license (https://creativecommons.org/licenses/by/4.0/).
Share and Cite
Jiang, H.; Ding, Z.; Lei, X.; Li, X.; Que, S.; Zhou, J.; Tang, J.; Huang, Y.; Sun, D. Competitive Adsorption Studies of Cd(II) and As(III) by Poly (Butylene Succinate) Microplastics: Based on Experimental and Theoretical Calculation. Water 2025, 17, 74. https://doi.org/10.3390/w17010074
Jiang H, Ding Z, Lei X, Li X, Que S, Zhou J, Tang J, Huang Y, Sun D. Competitive Adsorption Studies of Cd(II) and As(III) by Poly (Butylene Succinate) Microplastics: Based on Experimental and Theoretical Calculation. Water. 2025; 17(1):74. https://doi.org/10.3390/w17010074
Chicago/Turabian StyleJiang, Hui, Zhaoyao Ding, Xiaoling Lei, Xia Li, Sisi Que, Jinshan Zhou, Jiafeng Tang, Yuanyuan Huang, and Da Sun. 2025. "Competitive Adsorption Studies of Cd(II) and As(III) by Poly (Butylene Succinate) Microplastics: Based on Experimental and Theoretical Calculation" Water 17, no. 1: 74. https://doi.org/10.3390/w17010074
APA StyleJiang, H., Ding, Z., Lei, X., Li, X., Que, S., Zhou, J., Tang, J., Huang, Y., & Sun, D. (2025). Competitive Adsorption Studies of Cd(II) and As(III) by Poly (Butylene Succinate) Microplastics: Based on Experimental and Theoretical Calculation. Water, 17(1), 74. https://doi.org/10.3390/w17010074



