Design of a Seawater Desalination System with Two-Stage Humidification and Dehumidification Desalination Driven by Wind and Solar Energy
Abstract
1. Introduction
2. System Scheme and Design
2.1. Design of a Two-Stage HDH Seawater Desalination System
2.2. Energy Consumption Analysis of Seawater Desalination System
2.3. Wind Power Station Design
2.4. Photovoltaic Power Station Design
2.5. Energy Storage System Design
3. Power Generation Efficiency Optimization of Wind–Solar Energy Hybrid
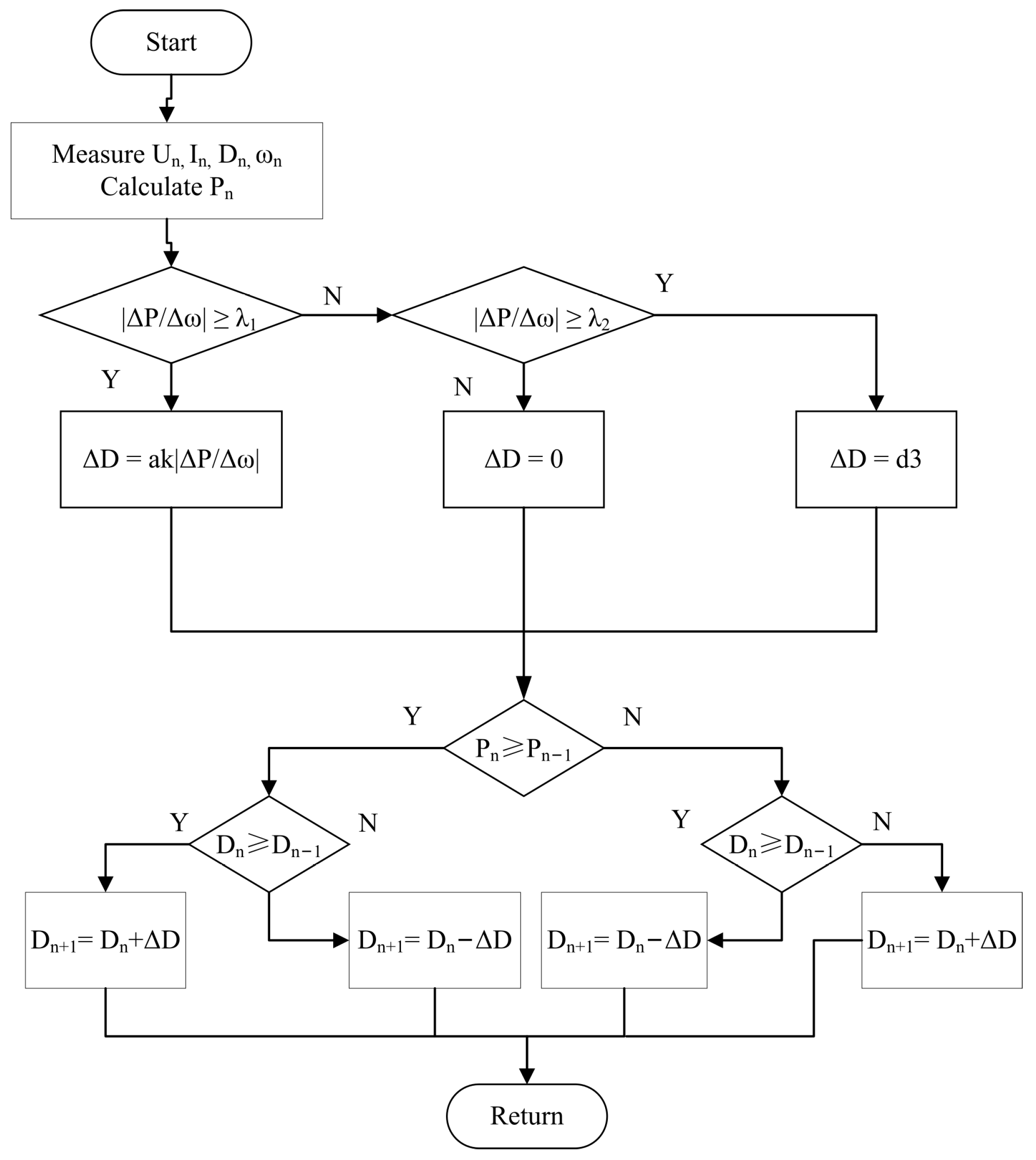
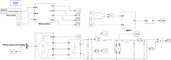
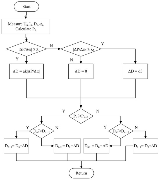
3.1. Power Generation Efficiency Optimization of Wind Power Generation
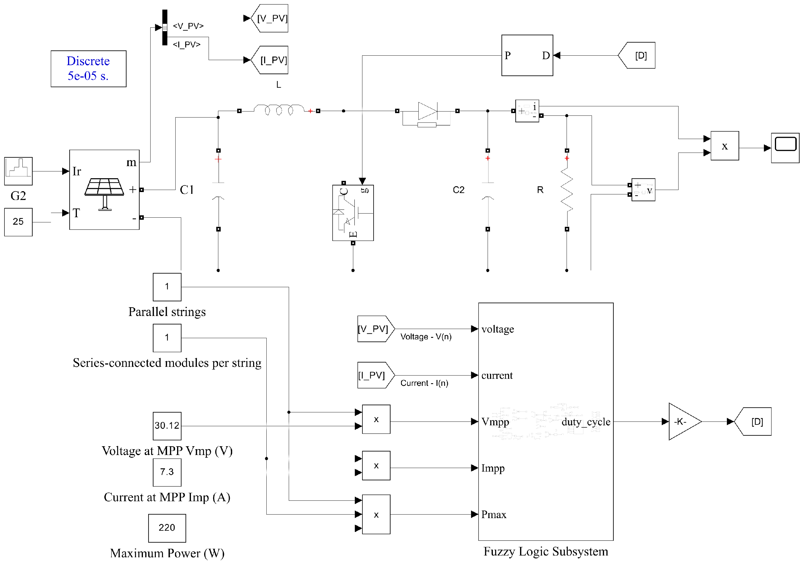
3.2. Power Generation Efficiency Optimization of PV Power Generation
- (1)
- When and , the output power is to the left of the maximum power point and is moving away from it.
- (2)
- When and , the output power is to the left of the maximum power point and is approaching the maximum power point.
- (3)
- When and the output power is to the right of the maximum power point and is moving away from the maximum power point.
- (4)
- When and , the output power is to the right of the maximum power point and is approaching the maximum power point.
4. Energy Optimization Management Strategy
4.1. Analysis of the Operation of Wind–Solar Hybrid Power System
4.2. Desalination System Operation Mode Control
5. System Operation Experiment and Water Production Cost Analysis
5.1. System Operation Experiment
5.2. Water Production Cost Analysis
6. Conclusions
Author Contributions
Funding
Data Availability Statement
Conflicts of Interest
References
- Karnauskas, K.B.; Donnelly, J.P.; Anchukaitis, K.J. Future Freshwater Stress for Island Populations. Nat. Clim. Chang. 2016, 6, 720–725. [Google Scholar] [CrossRef]
- Ahmed, F.; Sharizal Abdul Aziz, M.; Palaniandy, P.; Shaik, F. A Review on Application of Renewable Energy for Desalination Technologies with Emphasis on Concentrated Solar Power. Sustain. Energy Technol. Assess. 2022, 53, 102772. [Google Scholar] [CrossRef]
- Joo, S.H.; Tansel, B. Novel Technologies for Reverse Osmosis Concentrate Treatment: A Review. J. Environ. Manag. 2015, 150, 322–335. [Google Scholar] [CrossRef] [PubMed]
- Kim, J.; Park, K.; Yang, D.R.; Hong, S. A Comprehensive Review of Energy Consumption of Seawater Reverse Osmosis Desalination Plants. Appl. Energy 2019, 254, 113652. [Google Scholar] [CrossRef]
- Greenlee, L.F.; Lawler, D.F.; Freeman, B.D.; Marrot, B.; Moulin, P. Reverse Osmosis Desalination: Water Sources, Technology, and Today’s Challenges. Water Res. 2009, 43, 2317–2348. [Google Scholar] [CrossRef] [PubMed]
- Karabelas, A.J.; Mitrouli, S.T.; Kostoglou, M. Scaling in Reverse Osmosis Desalination Plants: A Perspective Focusing on Development of Comprehensive Simulation Tools. Desalination 2020, 474, 114193. [Google Scholar] [CrossRef]
- Zhao, J.; Wang, M.; Lababidi, H.M.S.; Al-Adwani, H.; Gleason, K.K. A Review of Heterogeneous Nucleation of Calcium Carbonate and Control Strategies for Scale Formation in Multi-Stage Flash (MSF) Desalination Plants. Desalination 2018, 442, 75–88. [Google Scholar] [CrossRef]
- Silver, R.S. An Assessment of Multiple Effect Boiling Distillation in Relation to Multi-Stage Flash Distillation. Desalination 1971, 9, 235–243. [Google Scholar] [CrossRef]
- El-Ghonemy, A.M.K. Performance Test of a Sea Water Multi-Stage Flash Distillation Plant: Case Study. Alex. Eng. J. 2018, 57, 2401–2413. [Google Scholar] [CrossRef]
- Lin, S.; Zhao, H.; Zhu, L.; He, T.; Chen, S.; Gao, C.; Zhang, L. Seawater Desalination Technology and Engineering in China: A Review. Desalination 2021, 498, 114728. [Google Scholar] [CrossRef]
- Chen, Q.; Burhan, M.; Shahzad, M.W.; Ybyraiymkul, D.; Akhtar, F.H.; Li, Y.; Ng, K.C. A Zero Liquid Discharge System Integrating Multi-Effect Distillation and Evaporative Crystallization for Desalination Brine Treatment. Desalination 2021, 502, 114928. [Google Scholar] [CrossRef]
- Datsgerdi, H.R.; Chua, H.T. Thermo-Economic Analysis of Low-Grade Heat Driven Multi-Effect Distillation Based Desalination Processes. Desalination 2018, 448, 36–48. [Google Scholar] [CrossRef]
- Lawal, D.U.; Antar, M.A.; Khalifa, A.; Zubair, S.M.; Al-Sulaiman, F. Experımental Investigation of Heat Pump Driven Humidification-Dehumidification Desalination System for Water Desalination and Space Conditioning. Desalination 2020, 475, 114199. [Google Scholar] [CrossRef]
- Miller, J.A.; Lienhard, V.J.H. Impact of Extraction on a Humidification–Dehumidification Desalination System. Desalination 2013, 313, 87–96. [Google Scholar] [CrossRef]
- Hamed, M.H.; Kabeel, A.E.; Omara, Z.M.; Sharshir, S.W. Mathematical and Experimental Investigation of a Solar Humidification–Dehumidification Desalination Unit. Desalination 2015, 358, 9–17. [Google Scholar] [CrossRef]
- Sharqawy, M.H.; Antar, M.A.; Zubair, S.M.; Elbashir, A.M. Optimum Thermal Design of Humidification Dehumidification Desalination Systems. Desalination 2014, 349, 10–21. [Google Scholar] [CrossRef]
- Xu, H.; Jiang, S.; Xie, M.X.; Jia, T.; Dai, Y.J. Technical Improvements and Perspectives on Humidification-Dehumidification Desalination—A Review. Desalination 2022, 541, 116029. [Google Scholar] [CrossRef]
- Curto, D.; Franzitta, V.; Guercio, A. A Review of the Water Desalination Technologies. Appl. Sci. 2021, 11, 670. [Google Scholar] [CrossRef]
- Borsani, R.; Rebagliati, S. Fundamentals and Costing of MSF Desalination Plants and Comparison with Other Technologies. Desalination 2005, 182, 29–37. [Google Scholar] [CrossRef]
- Mabrouk, A.N.; Fath, H.E.S. Technoeconomic Study of a Novel Integrated Thermal MSF–MED Desalination Technology. Desalination 2015, 371, 115–125. [Google Scholar] [CrossRef]
- Lawal, D.U.; Antar, M.A.; Khalifa, A.E. Integration of a MSF Desalination System with a HDH System for Brine Recovery. Sustainability 2021, 13, 3506. [Google Scholar] [CrossRef]
- Guo, Y.; Bao, M.; Gong, L.; Shen, S. Effects of Preheater Arrangement on Performance of MED Desalination System. Desalination 2020, 496, 114702. [Google Scholar] [CrossRef]
- Khoshgoftar Manesh, M.H.; Ghadikolaei, R.S.; Modabber, H.V.; Onishi, V.C. Integration of a Combined Cycle Power Plant with MED-RO Desalination Based on Conventional and Advanced Exergy, Exergoeconomic, and Exergoenvironmental Analyses. Processes 2021, 9, 59. [Google Scholar] [CrossRef]
- Alsehli, M. A New Approach to Solar Desalination Using a Humidification–Dehumidification Process for Remote Areas. Processes 2021, 9, 1120. [Google Scholar] [CrossRef]
- Lai, L.; Wang, X.; Kefayati, G.; Hu, E. Cooling and Water Production in a Hybrid Desiccant M-Cycle Evaporative Cooling System with HDH Desalination: A Comparison of Operational Modes. Processes 2023, 11, 611. [Google Scholar] [CrossRef]
- Gang, W.; Zheng, H.; Kang, H.; Yang, Y.; Cheng, P.; Chang, Z. Experimental Investigation of a Multi-Effect Isothermal Heat with Tandem Solar Desalination System Based on Humidification–Dehumidification Processes. Desalination 2016, 378, 100–107. [Google Scholar] [CrossRef]
- Zhao, P.; Xu, W.; Liu, A.; Wu, W.; Wang, J.; Yan, Z. Performance Evaluation of a Renewable Driven Standalone Combined Power and Water Supply System with Cascade Electricity and Heat Storage. Renew. Energy 2022, 199, 1283–1299. [Google Scholar] [CrossRef]
- Elminshawy, N.A.; Siddiqui, F.R.; Addas, M.F. Development of an active solar humidification-dehumidification (HDH) desalination system integrated with geothermal energy. Energy Convers. Manag. 2016, 126, 608–621. [Google Scholar] [CrossRef]
- Santosh, R.; Kumaresan, G.; Selvaraj, S.; Arunkumar, T.; Velraj, R. Investigation of Humidification-Dehumidification Desalination System through Waste Heat Recovery from Household Air Conditioning Unit. Desalination 2019, 467, 1–11. [Google Scholar] [CrossRef]
- Okampo, E.J.; Nwulu, N. Optimisation of Renewable Energy Powered Reverse Osmosis Desalination Systems: A State-of-the-Art Review. Renew. Sustain. Energy Rev. 2021, 140, 110712. [Google Scholar] [CrossRef]
- Kumar, D.; Chatterjee, K. A Review of Conventional and Advanced MPPT Algorithms for Wind Energy Systems. Renew. Sustain. Energy Rev. 2016, 55, 957–970. [Google Scholar] [CrossRef]
- Fei, L.; Li, T.; Li, J.H.; Yao, Z.Y. An Improved Variable Step Hill-Climbing Searching Algorithm for Tracking Maximum Power Point of Wind Power System. In Proceedings of the China International Conference on Electricity Distribution (CICED), Xi’an, China, 10–13 August 2016. [Google Scholar]
- Mohapatra, A.; Nayak, B.; Das, P.; Mohanty, K.B. A Review on MPPT Techniques of PV System under Partial Shading Condition. Renew. Sustain. Energy Rev. 2017, 80, 854–867. [Google Scholar] [CrossRef]
- Azadegan, A.; Porobic, L.; Ghazinoory, S.; Samouei, P.; Saman Kheirkhah, A. Fuzzy Logic in Manufacturing: A Review of Literature and a Specialized Application. Int. J. Prod. Econ. 2011, 132, 258–270. [Google Scholar] [CrossRef]
- Yilmaz, U.; Kircay, A.; Borekci, S. PV System Fuzzy Logic MPPT Method and PI Control as a Charge Controller. Renew. Sustain. Energy Rev. 2018, 81, 994–1001. [Google Scholar] [CrossRef]






















| Seawater Spray Temperature (°C) | Temperature Increase after Three Rounds of Reheating (°C) |
|---|---|
| 62 | 0.4 |
| 70 | 0.8 |
| 75 | 1.1 |
| 80 | 1.5 |
| Loads | Amount | Rated Power |
|---|---|---|
| Seawater extraction pumps | 2 | 250 W |
| Booster pumps | 2 | 250 W |
| Freshwater circulating pumps | 1 | 250 W |
| Heat collector circulating pumps | 1 | 250 W |
| Heat exchange pumps | 1 | 250 W |
| Fans | 2 | 500 W |
| Total power | / | 2750 W |
| Wind Speed (m/s) | Wind Speed Frequency (%) | Wind Turbine Power (W) | Annual Energy Production (kWh) |
|---|---|---|---|
| 0~2 | 21.64 | 0 | 0 |
| 2~3 | 19.18 | 0 | 0 |
| 3~4 | 29.04 | 90 | 228.95 |
| 4~5 | 13.71 | 130 | 156.13 |
| 5~6 | 7.12 | 300 | 187.11 |
| 6~7 | 4.93 | 470 | 202.98 |
| 7~8 | 2.19 | 700 | 134.29 |
| 8~9 | 1.37 | 960 | 115.21 |
| 9~10 | 0.55 | 1260 | 60.48 |
| >10 | 0.27 | 2000 | 48 |
| Total | 100 | / | 1133.15 |
| Month | Solar Radiation (kWh/m2) | Month | Solar Radiation (kWh/m2) |
|---|---|---|---|
| January | 71 | July | 165 |
| February | 65 | August | 147 |
| March | 121 | September | 148 |
| April | 150 | October | 153 |
| May | 133 | November | 90 |
| June | 138 | December | 106 |
| Month | Power Generation (kWh) | Month | Power Generation (kWh) |
|---|---|---|---|
| January | 16.85 | July | 31.10 |
| February | 14.90 | August | 29.38 |
| March | 26.78 | September | 32.62 |
| April | 31.54 | October | 37.37 |
| May | 25.70 | November | 22.64 |
| June | 25.70 | December | 28.72 |
Disclaimer/Publisher’s Note: The statements, opinions and data contained in all publications are solely those of the individual author(s) and contributor(s) and not of MDPI and/or the editor(s). MDPI and/or the editor(s) disclaim responsibility for any injury to people or property resulting from any ideas, methods, instructions or products referred to in the content. |
© 2024 by the authors. Licensee MDPI, Basel, Switzerland. This article is an open access article distributed under the terms and conditions of the Creative Commons Attribution (CC BY) license (https://creativecommons.org/licenses/by/4.0/).
Share and Cite
Huang, K.; Qiu, C.; Xie, W.; Qu, W.; Zhuang, Y.; Chen, K.; Yan, J.; Huang, G.; Zhang, C.; Hao, J. Design of a Seawater Desalination System with Two-Stage Humidification and Dehumidification Desalination Driven by Wind and Solar Energy. Water 2024, 16, 609. https://doi.org/10.3390/w16040609
Huang K, Qiu C, Xie W, Qu W, Zhuang Y, Chen K, Yan J, Huang G, Zhang C, Hao J. Design of a Seawater Desalination System with Two-Stage Humidification and Dehumidification Desalination Driven by Wind and Solar Energy. Water. 2024; 16(4):609. https://doi.org/10.3390/w16040609
Chicago/Turabian StyleHuang, Kaijie, Chengjun Qiu, Wenbin Xie, Wei Qu, Yuan Zhuang, Kaixuan Chen, Jiaqi Yan, Gao Huang, Chao Zhang, and Jianfeng Hao. 2024. "Design of a Seawater Desalination System with Two-Stage Humidification and Dehumidification Desalination Driven by Wind and Solar Energy" Water 16, no. 4: 609. https://doi.org/10.3390/w16040609
APA StyleHuang, K., Qiu, C., Xie, W., Qu, W., Zhuang, Y., Chen, K., Yan, J., Huang, G., Zhang, C., & Hao, J. (2024). Design of a Seawater Desalination System with Two-Stage Humidification and Dehumidification Desalination Driven by Wind and Solar Energy. Water, 16(4), 609. https://doi.org/10.3390/w16040609
