Comparative Investigation of the Anammox Process Using Free-Floating Carriers of Activated Sludge-Attached Biocenosis
Abstract
1. Introduction
2. Materials and Methods
2.1. Anammox-Activated Sludge
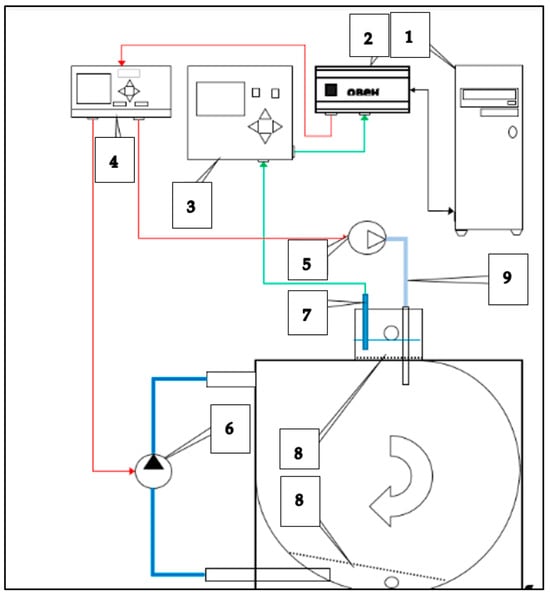
2.2. Bioreactor
2.3. Reactor Parameters and Exploitation Conditions
2.4. Equipment
2.5. Analytical Methods
2.6. Nitrogen Removal Efficiency
2.7. AAS Biomass on the Biochips
2.8. Activity of Ammonium-Oxidizing Bacteria (AOB) and Nitrite-Oxidizing Bacteria (NOB) on the Load Elements
2.9. Activity of Wall-Growing Biofilms in the Bioreactors
2.10. Determination of Biochip Buoyancy (Surfacing Rate)
2.11. Analysis of the Microbial Community Composition
2.12. Scanning Electron Microscopy
2.13. Statistical Processing
3. Results
3.1. ABC Properties Without Activated Sludge Biomass
3.2. Dynamics of Biochip Overgrowth with AAS
3.3. Dynamic of Bioreactor Technological Characteristics: Efficiency of Biochip Circulation and Nitrogen Removal
3.4. Dynamics of Nitrogen Removal
3.5. Activity of Nitrifying Bacteria on Biochips
3.6. Biochip Surface Overgrowth with the Anammox-Activated Sludge
3.7. Dynamics of the Composition of the AAS Microbial Communities
4. Discussion
Supplementary Materials
Author Contributions
Funding
Data Availability Statement
Acknowledgments
Conflicts of Interest
References
- Talan, A.; Tyagi, R.D.; Drogui, P. Critical review on insight into the impacts of different inhibitors and performance inhibition of anammox process with control strategies. Environ. Technol. Innov. 2021, 23, 101553. [Google Scholar] [CrossRef]
- Kowalski, M.S.; Devlin, T.R.; Oleszkiewicz, J.A. Start-up and long-term performance of anammox moving bed biofilm reactor seeded with granular biomass. Chemosphere 2018, 200, 481–486. [Google Scholar] [CrossRef] [PubMed]
- Ren, Z.; Wang, H.; Zhang, L.; Du, X.; Huang, B.; Jin, R. A review of anammox-based nitrogen removal technology: From microbial diversity to engineering applications. Bioresour. Technol. 2022, 363, 127896. [Google Scholar] [CrossRef] [PubMed]
- Gu, W.; Wang, L.; Liu, Y.; Liang, P.; Zhang, X.; Li, Y.; Huang, X. Anammox bacteria enrichment and denitrification in moving bed biofilm reactors packed with different buoyant carriers: Performances and mechanisms. Sci. Total Environ. 2020, 719, 137277. [Google Scholar] [CrossRef] [PubMed]
- Wu, P.; Chen, J.; Garlapati, V.K.; Zhang, X.; Jenario, F.W.V.; Li, X.; Liu, W.; Chen, C.; Aminabhavi, T.M.; Zhang, X. Novel insights into Anammox-based processes: A critical review. Chem. Eng. J. 2022, 444, 136534. [Google Scholar] [CrossRef]
- Tyagi, R.D.; Vembu, K. Wastewater Treatment by Immobilized Cells; CRC Press: Boca Raton, FL, USA, 2000. [Google Scholar]
- di Biase, A.; Kowalski, M.S.; Devlin, T.R.; Oleszkiewicz, J.A. Moving bed biofilm reactor technology in municipal wastewater treatment: A review. J. Environ. Manag. 2019, 247, 849–866. [Google Scholar] [CrossRef]
- Yang, S.; Peng, Y.; Zhang, S.; Han, X.; Li, J.; Zhang, L. Carrier type induces anammox biofilm structure and the nitrogen removal pathway: Demonstration in a full-scale partial nitritation/anammox process. Bioresour. Technol. 2021, 334, 125249. [Google Scholar] [CrossRef]
- Pimenov, N.; Nikolaev, Y.; Dorofeev, A.; Grachev, V.; Kallistova, A.; Kanapatskiy, T.; Litti, Y.; Gruzdev, E.; Begmatov, S.A.; Ravin, N.; et al. Introduction of exogenous activated sludge as a way to enhance the efficiency of nitrogen removal in the anammox process. Microbiology 2022, 91, 356–363. [Google Scholar] [CrossRef]
- Popova, N.; Vishnyakova, A.; Artemiev, G.; Sitanskaia, A.; Litti, Y.; Safonov, A. Biofilms of anammox bacteria on mineral carriers to establish a subterranean permeable barrier. Int. J. Environ. Sci. Technol. 2023, 20, 2159–2170. [Google Scholar] [CrossRef]
- Pümpel, T.; Podmirseg, S.M. Method for Determining the Amount of Anammox Bacteria. USA Patent US10633269B2, 28 April 2020. [Google Scholar]
- Pimenov, N.; Nikolaev, Y.; Grachev, V.; Kallistova, A.; Dorofeev, A.; Litti, Y.; Gruzdev, E.; Beletsky, A.; Ravin, N.; Mardanov, A. Effect of Sulfide on the Processes of Transformation of Nitrogen Compounds and the Microbial Community Composition in the Anammox. Bioreact. Water 2023, 15, 2798. [Google Scholar] [CrossRef]
- Frey, B.; Rime, T.; Phillips, M.; Stierli, B.; Hajdas, I.; Widmer, F.; Hartmann, M. Microbial diversity in European alpine permafrost and active layers. FEMS Microbiol. Ecol. 2016, 92, fiw018. [Google Scholar] [CrossRef] [PubMed]
- Magoč, T.; Salzberg, S.L. FLASH: Fast length adjustment of short reads to improve genome assemblies. Bioinformatics 2011, 27, 2957–2963. [Google Scholar] [CrossRef] [PubMed]
- Edgar, R.C. Search and clustering orders of magnitude faster than BLAST. Bioinformatics 2010, 26, 2460–2461. [Google Scholar] [CrossRef] [PubMed]
- Rognes, T.; Flouri, T.; Nichols, B.; Quince, C.; Mahé, F. VSEARCH: A versatile open source tool for metagenomics. PeerJ 2016, 18, e2584. [Google Scholar] [CrossRef] [PubMed]
- Wickham, H.; Wickham, H. Getting Started with ggplot2. ggplot2: Elegant Graphics for Data Analysis; Springer: Berlin/Heidelberg, Germany, 2016; pp. 11–31. [Google Scholar]
- Mahto, K.U.; Das, S. Bacterial biofilm and extracellular polymeric substances in the moving bed biofilm reactor for wastewater treatment: A review. Bioresour. Technol. 2022, 345, 126476. [Google Scholar] [CrossRef]
- Kallistova, A.Y.; Nikolaev, Y.A.; Pimenov, N.V.; Dorofeev, A.G.; Kozlov, M.N.; Kevbrina, M.V. Role of anammox bacteria in removal of nitrogen compounds from wastewater. Microbiology 2016, 85, 140–156. [Google Scholar] [CrossRef]
- Arter, A.; Meier, U. Harnessing Water Power on a Small Scale. V.2. Hydraulics Engineering Manual; SKAT: St. Gallen, Switzerland, 1990. [Google Scholar]
- Bekele, Z.A.; Delgado Vela, J.; Bott, C.B.; Love, N.G. Sensor-mediated granular sludge reactor for nitrogen removal and reduced aeration demand using a dilute wastewater. Water Environ. Res. 2020, 92, 1–11. [Google Scholar] [CrossRef]
- Zou, X.; Ma, M.; Zhu, J.; Zhang, Q.; Cao, Q.; Hamid, S.K.; Chen, C. Effect of sulphate on nitrogen removal, sludge characteristics and microbial community structure of anammox process. J. Water Process Eng. 2023, 56, 104447. [Google Scholar] [CrossRef]
- Kamble, B.K.; Shaha, S.S. Wastewater Treatment by Moving Bed Sequencing Batch Reactor (MBSBR): A Review. Int. Res. J. Eng. Technol. 2020, 7, 4203–4210. [Google Scholar]
- Ghimire, N.; Wang, S. Biological treatment of petrochemical wastewater. In Petroleum Chemicals—Recent Insight, Mansoor Zoveidavianpoor; IntechOpen: London, UK, 2018. [Google Scholar]
- Wang, S.; Parajuli, S.; Sivalingam, V.; Bakke, R. Biofilm in Moving Bed Biofilm Process for Wastewater Treatment. In Bacterial Biofilms; Sadik, D., Melis, S.Ö., Afet, A., Eds.; IntechOpen: London, UK, 2020. [Google Scholar]
- Iliuta, I.; Larachi, F. Biomass Accumulation and Clogging in Trickle-Bed Bioreactors. AIChE J. 2004, 50, 2541–2551. [Google Scholar] [CrossRef]
- Dapena-Mora, A.; Fernández, I.; Campos, J.L.; Mosquera-Corral, A.; Méndez, R.; Jetten, M.S.M. Evaluation of activity and inhibition effects on Anammox process by batch tests based on the nitrogen gas production. Enzym. Microb. Technol. 2007, 40, 859–865. [Google Scholar] [CrossRef]
- Strotmann, U.; Durand, M.J.; Thouand, G.C.; Eberlein, H.J.; Heipieper, S.; Gartiser, U. Pagga Microbiological toxicity tests using standardized ISO/OECD methods—Current state and outlook. Appl. Microbiol. Biotechnol. 2024, 108, 454. [Google Scholar] [CrossRef] [PubMed]
- Strotmann, U.; Zaremba, S.; Bias, W.R. Rapid toxicity test systems for the determination of substance toxicity to activated sludge. Acta Hydrochim. Hydrobiol 1992, 20, 136–142. [Google Scholar] [CrossRef]
- Dorofeev, A.G.; Nikolaev, Y.A.; Grachev, V.A.; Kallistova, A.Y.; Berestovskaya, Y.Y.; Pimenov, N.V. Effect of Abrupt Increase in Ammonium Load on Activity of the Anammox Bacterial Community in a Sequencing Batch Reactor. Microbiology 2021, 90, 763–771. [Google Scholar] [CrossRef]
- Nikolaev, Y.A.; Kanapatsky, T.A.; Grachev, V.A.; Dorofeev, A.G.; Litti, Y.V.; Gruzdev, E.V.; Mardanov, A.V.; Pimenov, N.V. pH influence of pH shocks on the anammox process and ways to overcome their consequences. Microbiology 2024, 93. in press. [Google Scholar]
- Hu, Z.; Liu, T.; Su, Z.; Zhao, J.; Guo, J.; Hu, S.; Yuan, Z.; Zheng, M. Adaptation of anammox process for nitrogen removal from acidic nitritation effluent in a low pH moving bed biofilm reactor. Water Res. 2023, 243, 120370. [Google Scholar] [CrossRef]









| Carrier Type | ETEK | BF33 | Mutag |
|---|---|---|---|
| Element weight (g) | 1.25–1.54 | 0.7–0.9 | 0.41–0.43 |
| Total number per reactor | 120 | 203 | 372 |
| Surfacing rate (cm/s *) | 12.5 ± 3 | 15 ± 3 | 3.3 ± 1.3 |
| Circulation in the reactor *,** | Medium | Low | Good |
| Day of Experiment * | ETEK | BF33 | Mutag |
|---|---|---|---|
| 0 | 0 | 0 | 0 |
| 37 | 10.50 | 1.90 | 1.00 |
| 74 | 12.33 | 1.00 | 1.55 |
| 82 | 10.50 | NG | 1.80 |
| 118 | 12.50 | NG | 1.80 |
| 151 | 13.25 | NG | 1.8 |
| 171 | 15.20 | NG | NG |
| 197 | 16.20 | NG | NG |
| Incubation Time (Days) | 7 | 167 | ||||
|---|---|---|---|---|---|---|
| Carrier Type of AAS | Biochips | Reactor Elements | % on the Chips | Biochips | Reactor Elements | % on the Chips |
| ETEK | 1.32 | 0.02 | 98.5 | 1.63 | 2.0 | 44.9 |
| BF33 | 0.39 | 0.95 | 29.1 | 2.03 | 2.0 | 50.4 |
| Mutag | 0.37 | 0.97 | 27.6 | 3.34 | 2.0 | 62.6 |
| Carrier Type | Total N Removal in the Reactor (mg/L/day) | Biomass on Biochips (g) | Share of the AAS Biomass on Chips in the Total AAS Biomass | Specific Activity of Biochips (mg/L/day/chip) | AAS Specific Activity (mg/L/(day/g AAS) |
|---|---|---|---|---|---|
| ETEK | 112 | 1.63 | 0.45 | 1.02 | 30.92 |
| BF33 | 96 | 2.03 | 0.5 | 0.50 | 23.65 |
| Mutag | 112 | 3.34 | 0.63 | 0.31 | 21.13 |
| Biochip Type | Hourly Removal Rate (mg N NO2−/h/chip) | Daily Removal Rate (mg N NO2−/day/chip) | Biomass Unit Removal Rate (mg N NO2−/day/mg AAS) |
|---|---|---|---|
| ETEK | 0.78 | 18.72 | 1.44 |
| BF33 | 0.25 | 6 | 0.86 |
| Mutag | 0.08 | 1.92 | 0.32 |
| Sample | chao1 | simpson | shannon_e |
|---|---|---|---|
| Inoculum | 853.70 | 0.05 | 4.27 |
| ETEK (127) | 655.50 | 0.05 | 4.13 |
| Mutag (127) | 583.70 | 0.05 | 4.03 |
| BF33 (127) | 503.50 | 0.05 | 3.89 |
| ETEK (150) | 489.80 | 0.08 | 3.41 |
| Mutag (150) | 537.70 | 0.07 | 3.58 |
| BF33 (150) | 474.90 | 0.09 | 3.34 |
Disclaimer/Publisher’s Note: The statements, opinions and data contained in all publications are solely those of the individual author(s) and contributor(s) and not of MDPI and/or the editor(s). MDPI and/or the editor(s) disclaim responsibility for any injury to people or property resulting from any ideas, methods, instructions or products referred to in the content. |
© 2024 by the authors. Licensee MDPI, Basel, Switzerland. This article is an open access article distributed under the terms and conditions of the Creative Commons Attribution (CC BY) license (https://creativecommons.org/licenses/by/4.0/).
Share and Cite
Nikolaev, Y.A.; Kanapatskiy, T.A.; Grachev, V.A.; Dorofeev, A.G.; Litti, Y.V.; Mardanov, A.V.; Kozhusko, A.Y.; Gruzdev, E.V.; Berestovskaya, Y.Y.; Pimenov, N.V. Comparative Investigation of the Anammox Process Using Free-Floating Carriers of Activated Sludge-Attached Biocenosis. Water 2024, 16, 3363. https://doi.org/10.3390/w16233363
Nikolaev YA, Kanapatskiy TA, Grachev VA, Dorofeev AG, Litti YV, Mardanov AV, Kozhusko AY, Gruzdev EV, Berestovskaya YY, Pimenov NV. Comparative Investigation of the Anammox Process Using Free-Floating Carriers of Activated Sludge-Attached Biocenosis. Water. 2024; 16(23):3363. https://doi.org/10.3390/w16233363
Chicago/Turabian StyleNikolaev, Yury A., Timur A. Kanapatskiy, Vladimir A. Grachev, Alexander G. Dorofeev, Yury V. Litti, Andrey V. Mardanov, Alexey Yu. Kozhusko, Evgeny V. Gruzdev, Yulia Yu. Berestovskaya, and Nikolay V. Pimenov. 2024. "Comparative Investigation of the Anammox Process Using Free-Floating Carriers of Activated Sludge-Attached Biocenosis" Water 16, no. 23: 3363. https://doi.org/10.3390/w16233363
APA StyleNikolaev, Y. A., Kanapatskiy, T. A., Grachev, V. A., Dorofeev, A. G., Litti, Y. V., Mardanov, A. V., Kozhusko, A. Y., Gruzdev, E. V., Berestovskaya, Y. Y., & Pimenov, N. V. (2024). Comparative Investigation of the Anammox Process Using Free-Floating Carriers of Activated Sludge-Attached Biocenosis. Water, 16(23), 3363. https://doi.org/10.3390/w16233363

