pH-Based Control of Anaerobic Digestion to Maximise Ammonium Production in Liquid Digestate
Abstract
1. Introduction
2. Materials and Methods
2.1. Materials
2.2. Analysis
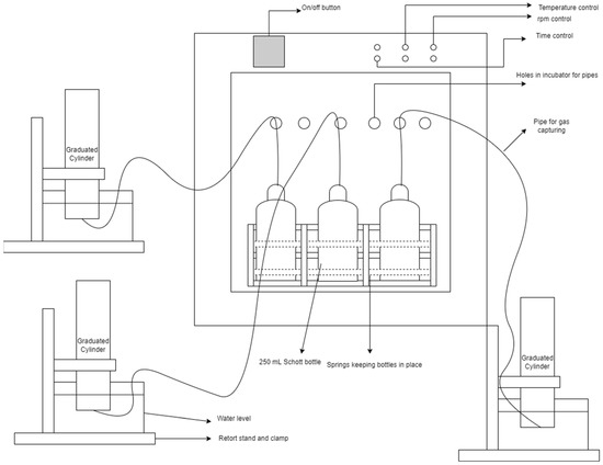
2.3. Apparatus
2.4. Experimental Procedure
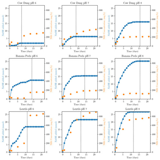
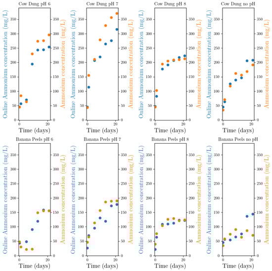
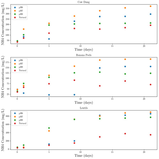
3. Results
3.1. The DDS
3.2. CDS vs. DDS
4. Discussion
5. Conclusions
Author Contributions
Funding
Data Availability Statement
Acknowledgments
Conflicts of Interest
References
- Mir, M.A.; Hussain, A.; Verma, C. Design considerations and operational performance of anaerobic digester: A review. Cogent Eng. 2016, 3, 1181696. [Google Scholar] [CrossRef]
- Macdonald, G.J. The future of methane as an energy resource. Annu. Rev. Energy 1990, 15, 53–83. [Google Scholar] [CrossRef]
- Velivela, A.; Barham, H.; Bauer, J.; Roschke, J.; Daim, T.U.; Meissner, D. Biogas: Converting Waste to Energy. In Innovation Management in the Intelligent World; Springer: Berlin/Heidelberg, Germany, 2020; pp. 285–298. [Google Scholar] [CrossRef]
- Akhiar, A.; Ahmad Zamri, M.F.M.; Torrijos, M.; Shamsuddin, A.H.; Battimelli, A.; Roslan, E.; Mohd Marzuki, M.H.; Carrere, H. Anaerobic digestion industries progress throughout the world. IOP Conf. Ser. Earth Environ. Sci. 2020, 476, 012074. [Google Scholar] [CrossRef]
- Charlottenburg, A.; Rosenheim, H. EUBP BP Anaerobic Digestion. 2015, p. 8. Available online: https://docs.european-bioplastics.org/publications/bp/EUBP_BP_Anaerobic_digestion.pdf (accessed on 6 December 2022).
- EBA. European Biogas Association Statistical Report: 2019 European Overview. 2020. Available online: https://www.europeanbiogas.eu/eba-statistical-report-2019/ (accessed on 6 December 2022).
- Ajala, O.A.; Ajibade, F.O.; Oluwadipe, O.R.; Nwogwu, N.A.; Adelodun, B.; Guadie, A.; Ajibade, T.F.; Lasisi, K.H.; Adewumi, J.R. Microbial Impact on Climate-Smart Agricultural Practices. In Microbiome Under Changing Climate: Implications and Solutions; Woodhead Publishing: Sawston, UK, 2022. [Google Scholar] [CrossRef]
- McGrath, J.M.; Spargo, J.; Penn, C.J. Soil Fertility and Plant Nutrition. In Encyclopedia of Agriculture and Food Systems; Elsevier: Amsterdam, The Netherlands, 2014. [Google Scholar] [CrossRef]
- Tamošiūnas, A.; Khiari, B.; Jeguirim, M. Biofuels Production: Biogas, Biodiesel and Bioethanol from Tomato Wastes. In Tomato Processing by-Products; Elsevier: Amsterdam, The Netherlands, 2022. [Google Scholar] [CrossRef]
- Makdi, M.; Tomcsik, A.; Orosz, V. Digestate: A New Nutrient Source—Review. In Biogas; InTech: Rijeka, Croatia, 2012. [Google Scholar] [CrossRef]
- Akhiar, A.; Battimelli, A.; Torrijos, M.; Carrere, H. Comprehensive characterization of the liquid fraction of digestates from full-scale anaerobic co-digestion. Waste Manag. 2017, 59, 118–128. [Google Scholar] [CrossRef]
- Loria, E.R.; Sawyer, J.E.; Barker, D.W.; Lundvall, J.P.; Lorimor, J.C. Use of anaerobically digested swine manure as a nitrogen source in corn production. Agron. J. 2007, 99, 1119–1129. [Google Scholar] [CrossRef]
- EI-Kazzaz, A. Soilless Agriculture a New and Advanced Method for Agriculture Development: An Introduction. Agric. Res. Technol. Open Access J. 2017, 3, 63–72. [Google Scholar] [CrossRef]
- Sengupta, A.; Banerjee, H. Soil-less culture in modern agriculture. World J. Sci. Technol. 2012, 2, 103–108. [Google Scholar]
- Tsukagoshi, S.; Shinohara, Y. Nutrition and nutrient uptake in soilless culture systems. In Plant Factory: An Indoor Vertical Farming System for Efficient Quality Food Production: Second Edition; Elsevier: Amsterdam, The Netherlands, 2019. [Google Scholar] [CrossRef]
- Mupambwa, H.A.; Namwoonde, A.S.; Liswaniso, G.M.; Hausiku, M.K.; Ravindran, B. Biogas digestates are not an effective nutrient solution for hydroponic tomato (Lycopersicon esculentum L.) production under a deep water culture system. Heliyon 2019, 5, e02736. [Google Scholar] [CrossRef]
- Neal, J.; Wilkie, A.C. Anaerobic Digester Effluent as Fertilizer for Hydroponically Grown Tomatoes. J. Undergr. Res. 2014, 15, 1–5. [Google Scholar]
- Weimers, K.; Bergstrand, K.J.; Hultberg, M.; Asp, H. Liquid Anaerobic Digestate as Sole Nutrient Source in Soilless Horticulture—Or Spiked with Mineral Nutrients for Improved Plant Growth. Front. Plant Sci. 2022, 13, 2625. [Google Scholar] [CrossRef]
- Bergstrand, K.J.; Asp, H.; Hultberg, M. Utilizing anaerobic digestates as nutrient solutions in hydroponic production systems. Sustainability 2020, 12, 10076. [Google Scholar] [CrossRef]
- Ronga, D.; Setti, L.; Salvarani, C.; De Leo, R.; Bedin, E.; Pulvirenti, A.; Milc, J.; Pecchioni, N.; Francia, E. Effects of solid and liquid digestate for hydroponic baby leaf lettuce (Lactuca sativa L.) cultivation. Sci. Hortic. 2019, 244, 172–181. [Google Scholar] [CrossRef]
- Stoknes, K.; Scholwin, F.; Krzesiński, W.; Wojciechowska, E.; Jasińska, A. Efficiency of a novel “Food to waste to food” system including anaerobic digestion of food waste and cultivation of vegetables on digestate in a bubble-insulated greenhouse. Waste Manag. 2016, 56, 466–476. [Google Scholar] [CrossRef]
- Pelayo Lind, O.; Hultberg, M.; Bergstrand, K.J.; Larsson-Jönsson, H.; Caspersen, S.; Asp, H. Biogas Digestate in Vegetable Hydroponic Production: pH Dynamics and pH Management by Controlled Nitrification. Waste Biomass-Valorization 2021, 12, 123–133. [Google Scholar] [CrossRef]
- Tabatabaei, S.; Fatemi, L.; Fallahi, E. Effect of ammonium: Nitrate ratio on yield, calcium concentration, and photosynthesis rate in strawberry. J. Plant Nutr. 2006, 29, 1273–1285. [Google Scholar] [CrossRef]
- Pisutpaisal, N.; Boonyawanich, S.; Saowaluck, H. Feasibility of biomethane production from banana peel. Energy Procedia 2014, 50, 782–788. [Google Scholar] [CrossRef]
- Khan, M.R.; Perveen, B. Transformation of agricultural wastes into sugar by Trichoderma viride. J. Pure Appl. Microbiol. 2010, 4, 103–108. [Google Scholar]
- Abano, E.E.; Sam-Amoah, L.K. Effects of different pretreatments on drying characteristics of banana slices. ARPN J. Eng. Appl. Sci. 2011, 6, 121–129. [Google Scholar]
- Lin, J.; Zuo, J.; Gan, L.; Li, P.; Liu, F.; Wang, K.; Chen, L.; Gan, H. Effects of mixture ratio on anaerobic co-digestion with fruit and vegetable waste and food waste of China. J. Environ. Sci. 2011, 23, 1403–1408. [Google Scholar] [CrossRef]
- Xin, Y.; Wang, D.; Li, X.Q.; Yuan, Q.; Cao, H. Influence of moisture content on cattle manure char properties and its potential for hydrogen rich gas production. J. Anal. Appl. Pyrolysis 2018, 130, 224–232. [Google Scholar] [CrossRef]
- Taylor, G.B. Experiments on Determination of Cow Manure in Milk; Moisture Content and Solubility of Cow Manure. J. Dairy Sci. 1917, 1, 303–312. [Google Scholar] [CrossRef]
- Kryvoruchko, V.; Machmüller, A.; Bodiroza, V.; Amon, B.; Amon, T. Anaerobic digestion of by-products of sugar beet and starch potato processing. Biomass Bioenergy 2009, 33, 620–627. [Google Scholar] [CrossRef]
- Kim, M.; Gomec, C.Y.; Ahn, Y.; Speece, R.E. Hydrolysis and acidogenesis of particulate organic material in mesophilic and thermophilic anaerobic digestion. Environ. Technol. 2003, 24, 1183–1190. [Google Scholar] [CrossRef]
- Parawira, W.; Read, J.S.; Mattiasson, B.; Björnsson, L. Energy production from agricultural residues: High methane yields in pilot-scale two-stage anaerobic digestion. Biomass Bioenergy 2008, 32, 44–50. [Google Scholar] [CrossRef]
- Meegoda, J.N.; Li, B.; Patel, K.; Wang, L.B. A review of the processes, parameters, and optimization of anaerobic digestion. Int. J. Environ. Res. Public Health 2018, 15, 2224. [Google Scholar] [CrossRef]
- Saragih, F.N.A.; Priadi, C.R.; Adityosulindro, S.; Abdillah, A.; Islami, B.B. The effectiveness of anaerobic digestion process by thermal pre-treatment on food waste as a substrate. IOP Conf. Ser. Earth Environ. Sci. 2019, 251, 012014. [Google Scholar] [CrossRef]
- Ariunbaatar, J.; Panico, A.; Esposito, G.; Pirozzi, F.; Lens, P.N.L. Pretreatment methods to enhance anaerobic digestion of organic solid waste. Appl. Energy 2014, 123, 143–156. [Google Scholar] [CrossRef]
- Khanh Nguyen, V.; Kumar Chaudhary, D.; Hari Dahal, R.; Hoang Trinh, N.; Kim, J.; Chang, S.W.; Hong, Y.; Duc La, D.; Nguyen, X.C.; Hao Ngo, H.; et al. Review on pretreatment techniques to improve anaerobic digestion of sewage sludge. Fuel 2021, 285, 119105. [Google Scholar] [CrossRef]
- Pilli, S.; Kumar Pandey, A.; Katiyar, A.; Pandey, K.; Dayal Tyagi, R. Pre-Treatment technologies to enhance anaerobic digestion. In Sustainable Sewage Sludge Management and Resource Efficiency; IntechOpen: London, UK, 2020. [Google Scholar] [CrossRef]
- Hendriks, A.T.W.M.; Zeeman, G. Pretreatments to enhance the digestibility of lignocellulosic biomass. Bioresour. Technol. 2009, 100, 10–18. [Google Scholar] [CrossRef]
- Sawatdeenarunat, C.; Surendra, K.C.; Takara, D.; Oechsner, H.; Khanal, S.K. Anaerobic digestion of lignocellulosic biomass: Challenges and opportunities. Bioresour. Technol. 2015, 178, 178–186. [Google Scholar] [CrossRef]
- Paul, S.; Dutta, A. Challenges and opportunities of lignocellulosic biomass for anaerobic digestion. Resour. Conserv. Recycl. 2018, 130, 164–174. [Google Scholar] [CrossRef]
- Khan, M.U.; Usman, M.; Ashraf, M.A.; Dutta, N.; Luo, G.; Zhang, S. A review of recent advancements in pretreatment techniques of lignocellulosic materials for biogas production: Opportunities and Limitations. Chem. Eng. J. Adv. 2022, 10, 100263. [Google Scholar] [CrossRef]
- Srivastava, R.P.; Vasishtha, H. Dehusking and cooking effect on dietary fibre, soluble protein and lectin of lentils (Lens culinaris). Indian J. Agric. Biochem. 2013, 26, e40. [Google Scholar]
- Kumar, P.; Barrett, D.M.; Delwiche, M.J.; Stroeve, P. Methods for pretreatment of lignocellulosic biomass for efficient hydrolysis and biofuel production. Ind. Eng. Chem. Res. 2009, 48, 3713–3729. [Google Scholar] [CrossRef]
- Wen, Z.; Liao, W.; Chen, S. Hydrolysis of animal manure lignocellulosics for reducing sugar production. Bioresour. Technol. 2004, 91, 31–39. [Google Scholar] [CrossRef]
- Liao, W.; Liu, Y.; Liu, C.; Wen, Z.; Chen, S. Acid hydrolysis of fibers from dairy manure. Bioresour. Technol. 2006, 97, 1687–1695. [Google Scholar] [CrossRef]
- Bakar, N.A.; Othman, N.; Yunus, Z.M.; Altowayti, W.A.H.; Al-Gheethi, A.; Asharuddin, S.M.; Tahir, M.; Fitriani, N.; Mohd-Salleh, S.N.A. Nipah (Musa Acuminata Balbisiana) banana peel as a lignocellulosic precursor for activated carbon: Characterization study after carbonization process with phosphoric acid impregnated activated carbon. Biomass Convers. Biorefin. 2021, 10, 1–14. [Google Scholar] [CrossRef]
- Kabenge, I.; Omulo, G.; Banadda, N.; Seay, J.; Zziwa, A.; Kiggundu, N. Characterization of Banana Peels Wastes as Potential Slow Pyrolysis Feedstock. J. Sustain. Dev. 2018, 11, 14. [Google Scholar] [CrossRef]
- Cioabla, A.E.; Ionel, I.; Dumitrel, G.A.; Popescu, F. Comparative study on factors affecting anaerobic digestion of agricultural vegetal residues. Biotechnol. Biofuels 2012, 5, 39. [Google Scholar] [CrossRef]
- Moosbrugger, R.E.; Wentzel, M.C.; Ekama, G.A.; Marais, G.V. Weak Acid Bases and Ph Control in Anaerobic Systems—A Review. Water SA 1993, 19, 1–10. [Google Scholar]
- Adekunle, K.F.; Okolie, J.A. A Review of Biochemical Process of Anaerobic Digestion. Adv. Biosci. Biotechnol. 2015, 6, 205–212. [Google Scholar] [CrossRef]
- Wukovits, W.; Schnitzhofer, W. Fuels—hydrogen production/biomass: Fermentation. In Encyclopedia of Electrochemical Power Sources; Elsevier: Amsterdam, The Netherlands, 2009. [Google Scholar] [CrossRef]
- Enzmann, F.; Mayer, F.; Rother, M.; Holtmann, D. Methanogens: Biochemical background and biotechnological applications. AMB Express 2018, 8, 1. [Google Scholar] [CrossRef] [PubMed]
- Wastewater Operator Certification—Advanced Anaerobic Digestion Study Guide. 1992. Available online: https://dnr.wi.gov/regulations/opcert/documents/wwsganaerobdigadv.pdf (accessed on 30 November 2022).










| Wet Mass (g) | Dry Mass (g) | % Moisture | |
|---|---|---|---|
| Sample 1 | 103 | 16.3 | 84.2 |
| Sample 2 | 100 | 14.4 | 85.6 |
| Sample 3 | 98 | 15.7 | 83.9 |
| Average | 100 | 15.5 | 84.6 |
| Feed | pH 6 | pH 7 | pH 8 | No pH Control |
|---|---|---|---|---|
| Banana peels and cow dung | ✓✓ | ✓✓ | ✓✓ | ✓✓ |
| Cow dung only | ✓✓ | ✓✓ | ✓✓ | ✓✓ |
| Lentils and cow dung | ✓ | ✓ | ✓ | ✓ |
| Feed | pH 6 (mmol) | pH 7 (mmol) | pH 8 (mmol) |
|---|---|---|---|
| Banana peels and cow dung—CDS | 15.5 | 18.7 | 27.1 |
| Banana peels and cow dung—DDS | 12.6 | 15.4 | 25.3 |
| Cow dung only—CDS | 6.9 | 8.3 | 18.7 |
| Cow dung only—DDS | 2.0 | 6.4 | 16.1 |
| Feed | pH 6 (mg/L) | pH 7 (mg/L) | pH 8 (mg/L) | No pH Control (mg/L) |
|---|---|---|---|---|
| Banana peels and cow dung—CDS | 156 | 178 | 122 | 144 |
| Banana peels and cow dung—DDS | 156 | 190 | 124 | 70 |
| Cow dung only—CDS | 254 | 315 | 223 | 208 |
| Cow dung only—DDS | 297 | 371 | 213 | 192 |
| Feed | pH 6 (mL) | pH 7 (mL) | pH 8 (mL) | No pH Control (mL) |
|---|---|---|---|---|
| Banana peels and cow dung—CDS | 793 | 735 | 643 | 374 |
| Banana peels and cow dung—DDS | 498 | 595 | 405 | 194 |
| Cow dung only—CDS | 576 | 825 | 532 | 324 |
| Cow dung only—DDS | 411 | 611 | 306 | 220 |
Disclaimer/Publisher’s Note: The statements, opinions and data contained in all publications are solely those of the individual author(s) and contributor(s) and not of MDPI and/or the editor(s). MDPI and/or the editor(s) disclaim responsibility for any injury to people or property resulting from any ideas, methods, instructions or products referred to in the content. |
© 2023 by the authors. Licensee MDPI, Basel, Switzerland. This article is an open access article distributed under the terms and conditions of the Creative Commons Attribution (CC BY) license (https://creativecommons.org/licenses/by/4.0/).
Share and Cite
Gonde, L.; Wickham, T.; Brink, H.G.; Nicol, W. pH-Based Control of Anaerobic Digestion to Maximise Ammonium Production in Liquid Digestate. Water 2023, 15, 417. https://doi.org/10.3390/w15030417
Gonde L, Wickham T, Brink HG, Nicol W. pH-Based Control of Anaerobic Digestion to Maximise Ammonium Production in Liquid Digestate. Water. 2023; 15(3):417. https://doi.org/10.3390/w15030417
Chicago/Turabian StyleGonde, Lonestar, Tristan Wickham, Hendrik Gideon Brink, and Willie Nicol. 2023. "pH-Based Control of Anaerobic Digestion to Maximise Ammonium Production in Liquid Digestate" Water 15, no. 3: 417. https://doi.org/10.3390/w15030417
APA StyleGonde, L., Wickham, T., Brink, H. G., & Nicol, W. (2023). pH-Based Control of Anaerobic Digestion to Maximise Ammonium Production in Liquid Digestate. Water, 15(3), 417. https://doi.org/10.3390/w15030417

