Elevated Vertical-Flow Constructed Wetlands for Light Greywater Treatment
Abstract
:1. Introduction
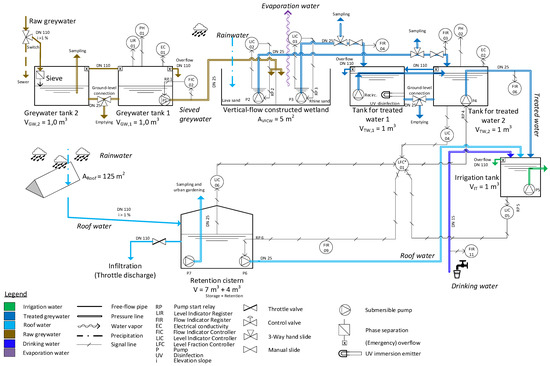
2. Materials and Methods
3. Results and Discussion
3.1. Light Greywater Characterization
3.2. Plant Development
3.3. Pretreatment Requirement for Light Greywater
3.4. Reduction of Organic Matter
3.5. Nitrification at Low Temperatures
3.6. Phosphorus Retention
3.7. Compliance with Irrigation Water Standards and Further Remarks
4. Conclusions
Author Contributions
Funding
Institutional Review Board Statement
Informed Consent Statement
Data Availability Statement
Acknowledgments
Conflicts of Interest
References
- IPCC. Global and Sectoral Aspects; Cambridge University Press: New York, NY, USA, 2014; ISBN 9781107058071. [Google Scholar]
- EPA. Green Infrastructure for Climate Resiliency. Available online: https://www.epa.gov/green-infrastructure/green-infrastructure-climate-resiliency (accessed on 2 July 2021).
- Brears, R.C. Blue and Green Cities: The Role of Blue-Green Infrastructure in Managing Urban Water Resources; Palgrave Macmillan Limited: London, UK, 2018; ISBN 9781137592583. [Google Scholar]
- Besir, A.B.; Cuce, E. Green roofs and facades: A comprehensive review. Renew. Sustain. Energy Rev. 2018, 82, 915–939. [Google Scholar] [CrossRef]
- Renaturing Cities, 1st ed.; Juvillà Ballester, E. (Ed.) Diputació de Barcelona: Barcelona, Spain, 2019; ISBN 8498038804. [Google Scholar]
- DIN EN 16323. Glossary of Wastewater Engineering Terms: Trilingual Version EN 16323:2014; DIN e. V.: Berlin, Germany, 2014; pp. 1–125. [Google Scholar]
- Busgang, A.; Friedler, E.; Gilboa, Y.; Gross, A. Quantitative Microbial Risk Analysis for Various Bacterial Exposure Scenarios Involving Greywater Reuse for Irrigation. Water 2018, 10, 413. [Google Scholar] [CrossRef] [Green Version]
- Gross, A.; Maimon, A.; Alfiya, Y.; Friedler, E. Greywater Reuse; CRC Press: Boca Raton, FL, USA, 2015; ISBN 978-1-4822-5505-8. [Google Scholar]
- Byrne, J.; Dallas, S.; Anda, M.; Ho, G. Quantifying the Benefits of Residential Greywater Reuse. Water 2020, 12, 2310. [Google Scholar] [CrossRef]
- GWIG; JBA; Water Corporation WA. The West Australian Greywater Guide: A Source of Practical Information on How to Best Reuse Domestic Greywater in Western Australia; Greywater and Wastewater Industry Group (GWIG): Perth, Australia, 2019. [Google Scholar]
- DIN 19650. Bewässerung—Hygienische Belange Von Bewässerungswasser (German Norm: Irrigation—Hygienic Concerns of Irrigation Water); February 1999; Deutsches Institut für Normung e. V. (German Institute for Standardization): Berlin, Germany, 1999. [Google Scholar]
- DIN 19684-10. Bodenbeschaffenheit—Chemische Laboruntersuchungen—Teil 10: Untersuchung und Beurteilung Des Wassers Bei Bewässerungsmaßnahmen (German: Soil Properties—Chemical Laboratory Tests—Part 10: Investigation and Evaluation of Water in Irrigation Projects); January 2009; Deutsches Institut für Normung e. V. (German Institute for Standardization): Berlin, Germany, 2009; pp. 1–20. [Google Scholar]
- ISO 16075-1. Guidelines for Treated Wastewater Use for Irrigation Projects: Part 1: The Basis of a Reuse Project for Irrigation; ISO 16075-1:2020(E); ISO Copyright Office: Geneva, Switzerland, 2020. [Google Scholar]
- WHO. WHO Guidelines for the Safe Use of Wastewater, Excreta and Greywater; World Health Organization: Geneva, Switzerland, 2006; ISBN 92-4-154686-7. [Google Scholar]
- Regulation (EU) 2020/741 of the European Parliament and of the Council of 25 May 2020 on Minimum Requirements for Water Reuse. 2020. Available online: https://eur-lex.europa.eu/legal-content/EN/TXT/?uri=CELEX%3A32020R0741 (accessed on 2 July 2021).
- Oteng-Peprah, M.; Acheampong, M.A.; de Vries, N.K. Greywater Characteristics, Treatment Systems, Reuse Strategies and User Perception-a Review. Water Air Soil Pollut. 2018, 229, 255. [Google Scholar] [CrossRef] [PubMed] [Green Version]
- Arden, S.; Ma, X. Constructed wetlands for greywater recycle and reuse: A review. Sci. Total Environ. 2018, 630, 587–599. [Google Scholar] [CrossRef] [PubMed]
- Boano, F.; Caruso, A.; Costamagna, E.; Ridolfi, L.; Fiore, S.; Demichelis, F.; Galvão, A.; Pisoeiro, J.; Rizzo, A.; Masi, F. A review of nature-based solutions for greywater treatment: Applications, hydraulic design, and environmental benefits. Sci. Total Environ. 2020, 711, 134731. [Google Scholar] [CrossRef] [PubMed]
- Stefanakis, A.; Akratos, C.S.; Tsihrintzis, V.A. Vertical Flow Constructed Wetlands: Eco-Engineering Systems for Wastewater and Sludge Treatment; Elsevier Science: Burlington, VT, USA, 2014; ISBN 9780124046122. [Google Scholar]
- Boyjoo, Y.; Pareek, V.K.; Ang, M. A review of greywater characteristics and treatment processes. Water Sci. Technol. 2013, 67, 1403–1424. [Google Scholar] [CrossRef] [PubMed]
- Li, F.; Wichmann, K.; Otterpohl, R. Review of the technological approaches for grey water treatment and reuses. Sci. Total Environ. 2009, 407, 3439–3449. [Google Scholar] [CrossRef] [PubMed]
- Stefanakis, A. The Role of Constructed Wetlands as Green Infrastructure for Sustainable Urban Water Management. Sustainability 2019, 11, 6981. [Google Scholar] [CrossRef] [Green Version]
- Atanasova, N.; Dalmau, M.; Comas, J.; Poch, M.; Rodriguez-Roda, I.; Buttiglieri, G. Optimized MBR for greywater reuse systems in hotel facilities. J. Environ. Manag. 2017, 193, 503–511. [Google Scholar] [CrossRef] [PubMed]
- DWA-A 262. Grundsätze für Bemessung, Bau und Betrieb Von Kläranlagen MIT Bepflanzten und Unbepflanzten Filtern zur Reinigung Häuslichen und Kommunalen Abwassers (German: Principles for Sizing, Construction and Operation of Wastewater Treatment Plants with Planted and Unplanted Filters for the Treatment of Domestic and Municipal Wastewater); November 2017; Deutsche Vereinigung Für Wasserwirtschaft, Abwasser Und Abfall (German Association for Water, Wastewater and Waste): Hennef, Germany, 2017; ISBN 978-3-88721-547-7. [Google Scholar]
- Dotro, G.; Langergraber, G.; Molle, P.; Nivala, J.; Puigagut, J.; Stein, O.; von Sperling, M. Biological Wastewater Treatment Series, Volume Seven: Treatment Wetlands. Water Intell Online 2017, 16. [Google Scholar] [CrossRef] [Green Version]
- Eisenberg, B.; Morandi, C.; Richter, P.; Well, F.; Winker, M.; Minke, R.; Steinmetz, H.; Ludwig, F. The Impulse Project Stuttgart—Stimulating Resilient Urban Development Through Blue-Green Infrastructure. In Building Resilience to Natural Hazards in the Context of Climate Change; Hutter, G., Neubert, M., Ortlepp, R., Eds.; Springer Fachmedien Wiesbaden: Wiesbaden, Germany, 2021; pp. 157–171. ISBN 978-3-658-33701-8. [Google Scholar]
- Toshovski, S.; Kaiser, M.; Fuchs, S.; Sacher, F.; Thoma, A.; Kümmel, V.; Lambert, B. Prioritäre Stoffe in Kommunalen Kläranlagen—Ein Deutschlandweit Harmonisiertes Vorgehen (German: Priority Substances in Municipal Wastewater Treatment Plants—A Harmonized Approach throughout Germany); 173/2020; Umweltbundesamt (German: Federal Environment Agency): Dessau-Roßlau, Germany, 2020. Available online: https://www.umweltbundesamt.de/publikationen/prioritaere-stoffe-in-kommunalen-klaeranlagen (accessed on 12 March 2020).
- DWA. New Alternative Sanitation Systems—NASS: Terminology, Material Flows, Treatment of Partial Flows, Utilisation, 1st ed.; Bauhaus-Universität Weimar Publishing House: Kromsdorf, Germany, 2016; ISBN 978-3-95773-213-2. [Google Scholar]
- Gesetz Über Die Umweltverträglichkeit Von Wasch-Und Reinigungsmitteln—Wasch-Und Reinigungsmittelgesetz (German: Law on the Environmental Compliance of Detergents and Cleaning Agents—Detergents and Cleaning Agents Act). 2013.
- Bruch, I.; Fritsche, J.; Bänninger, D.; Alewell, U.; Sendelov, M.; Hürlimann, H.; Hasselbach, R.; Alewell, C. Improving the treatment efficiency of constructed wetlands with zeolite-containing filter sands. Bioresour. Technol. 2011, 102, 937–941. [Google Scholar] [CrossRef] [PubMed]
- Verordnung Über Die Qualität Von Wasser Für Den Menschlichen Gebrauch—Trinkwasserverordnung (German: Ordinance on the Quality of Water Intended for Human Consumption—Drinking Water Ordinance): TrinkwV. 2016. Available online: https://www.gesetze-im-internet.de/trinkwv_2001/BJNR095910001.html (accessed on 7 July 2021).
- WEF. Biological and Chemical Systems for Nutrient Removal; Water Pollution Control Federation; Water Environment Federation: Alexandria, VA, USA, 1998; ISBN 9781572781238. [Google Scholar]
- Alewell, C.; Huang, J.-H.; McLaren, T.I.; Huber, L.; Bünemann, E.K. Phosphorus retention in constructed wetlands enhanced by zeolite- and clinopyroxene-dominated lava sand. Hydrol. Process. 2021, 35. [Google Scholar] [CrossRef]
- Tchobanoglous, G.; Stensel, H.D.; Tsuchihashi, R.; Burton, F.L.; Abu-Orf, M.; Bowden, G.; Pfrang, W. Wastewater Engineering: Treatment and Resource Recovery, 5th ed.; McGraw-Hill Education: New York, NY, USA, 2014; ISBN 0073401188. [Google Scholar]
- Chen, Z.-J.; Tian, Y.-H.; Zhang, Y.; Song, B.-R.; Li, H.-C.; Chen, Z.-H. Effects of root organic exudates on rhizosphere microbes and nutrient removal in the constructed wetlands. Ecol. Eng. 2016, 92, 243–250. [Google Scholar] [CrossRef]
- Bezbaruah, A.N.; Zhang, T.C. pH, Redox, and oxygen microprofiles in rhizosphere of bulrush (Scirpus validus) in a constructed wetland treating municipal wastewater. Biotechnol. Bioeng. 2004, 88, 60–70. [Google Scholar] [CrossRef] [PubMed]



| Operating Phase | Period (dd.mm.yy) | Filter Chamber | Hydraulic Surface Loading Rate in L/(m2·d) | COD Surface Loading Rate in g/(m2·d) | Outdoor Air Temperature, Daily Mean (Min/Max) in °C |
|---|---|---|---|---|---|
| 1 (start-up) | 11.07.2020–08.09.2020 | Lava sand | 80 (set) | - | 21.2 |
| Rhine sand | 80 (set) | - | (11.3/31.3) | ||
| 2 | 09.09.2020–18.10.2020 | Lava sand | 73 | 18 | 13.8 |
| Rhine sand | 82 | 20 | (8.4/22.6) | ||
| 3 | 19.10.2020–29.11.2020 | Lava sand | 63 | 19 | 7.9 |
| Rhine sand | 80 | 24 | (3.2/15.1) | ||
| 4a | 30.11.2020–21.11.2020 | Lava sand | 66 | 37 | 2.8 |
| Rhine sand | 83 | 46 | (−0.2/7.0) | ||
| 4b | 22.12.2020–11.01.2021 | Lava sand | 18 | 8 | 1.6 |
| Rhine sand | 22 | 9 | (−1.3/4.9) | ||
| 4c | 12.01.2021–27.01.2021 | Lava sand | 65 | 15 | 1.4 |
| Rhine sand | 83 | 19 | (−1.9/4.9) | ||
| 5a | 28.01.2021–10.02.2021 | Lava sand | 43 | 10 | 4.2 |
| Rhine sand | 62 | 14 | (1.1/7.6) | ||
| 5b | 11.02.2021–17.02.2021 | Lava sand | out of operation | −2.0 | |
| Rhine sand | (−8.8/7.5) | ||||
| 5c | 18.02.2021–15.03.2021 | Lava sand | 46 | 10 | 6.0 |
| Rhine sand | 56 | 12 | (−0.4/16.6) | ||
| Parameter | Unity | Mean Value ± Std. Dev. | Median | Min–Max | n |
|---|---|---|---|---|---|
| Volume flow | L/(p·d) | 48 ± 22 | 42 | 0.4–82 | 41 |
| COD | mg/L | 328 ± 211 | 258 | 197–1039 | 20 |
| Ntot | mg/L | 28.3 ± 7.1 | 27.9 | 19.0–46.8 | 20 |
| Ptot | mg/L | 1.9 ± 0.5 | 1.8 | 1.3–3.2 | 20 |
| pH | - | 8.4 ± 0.3 | 8.5 | 7.6–8.8 | 18 |
| EC | µS/cm | 737 ± 51 | 722 | 678–837 | 8 |
| Parameter | Unit | Screened Greywater | Lava Sand Chamber HLR = 18–73 L/(m2·d) OLR = 8–37 gCOD/(m2·d) | Rhine Sand Chamber HLR = 22–83 L/(m2·d) OLR = 9–46 gCOD/(m2·d) | Irrigation Water Standards | ||||||
|---|---|---|---|---|---|---|---|---|---|---|---|
| Mean Value ± Std. Dev. | Median (Min–Max) | n | Mean Value ± Std. Dev. | Median (Min–Max) | n | Mean Value ± Std. Dev. | Median (Min–Max) | n | |||
| COD | mg/L | 328 ± 211 | 258 (197–1039) | 20 | 6.3 ± 3.0 | 6.0 (2.5–16.8) | 20 | 11.3 ± 3.9 | 11.7 (2.5–17.9) | 20 | <60 mg/L [11] due to microbiological-hygienic concerns |
| Ntot | mg/L | 28.3 ± 7.1 | 27.9 (19.0–46.8) | 20 | 25.5 ± 8.8 | 25.8 (8.9–37.7) | 20 | 24.4 ± 6.7 | 23.9 (10–37.3) | 20 | - |
| Ptot | mg/L | 1.9 ± 0.5 | 1.8 (1.3–3.2) | 20 | <0.05 | 20 | 0.91 ± 0.36 | 0.94 (0.16–1.37) | 20 | - | |
| pH | - | 8.4 ± 0.3 | 8.5 (7.6–8.8) | 18 | 7.5 ± 0.2 | 7.5 (7.1–7.7) | 17 | 7.2 ± 0.1 | 7.3 (6.9–7.4) | 17 | 6–8 [12] |
| EC | µS/cm | 737 ± 51 | 722 (678–837) | 8 | 872 ± 42 | 877 (807–943) | 9 | 860 ± 36 | 858 (803–902) | 9 | Medium salt tolerance: 300–800 µS/cm [12]; salt sensitive crops: <1400 µS/cm [13] |
| PO43−-P | mg/L | 1.2 ± 0.5 | 1.0 (0.6–2.3) | 20 | <0.05–0.08 D | 20 | 0.93 ± 0.35 | 0.98 (0.14–1.5) | 20 | - | |
| NO3−-N | mg/L | <0.23–0.8 A | 6 | 23.9 ± 8.7 | 23.3 (8.2–38.2) | 20 | 19.7 ± 5.5 | 19.6 (9.6–29.1) | 20 | - | |
| NO2−-N | mg/L | <0.015 | 1 | <0.015 | 6 | 0.40 ± 0.32 | 0.33 (0.06–0.95) | 10 | - | ||
| NH4+-N | mg/L | 13.9 ± 5.6 | 12.8 (2.8–25.9) | 20 | 0.4 ± 0.3 E | 0.3 (0.05–1.0) | 17 | 2.3 ± 1.6 I | 1.7 (0.5–4.9) | 18 | <1 mg/L (NH4+) [11] due to microbiological-hygienic concerns |
| SO42− | mg/L | <40–49.7 B | 19 | 42 ± 16 F | 50 (20–57) | 6 | 46 ± 17 J | 53 (20–62) | 7 | <250 mg/L [31], otherwise corrosive | |
| Cl− | mg/L | 58 ± 8 | 58 (44–80) | 18 | 56 ± 8 | 57 (44–69) | 18 | 56 ± 8 | 57 (42–66) | 16 | Suitable for nearly all plants: <70 mg/L [12]; salt sensitive crops: <250 mg/L [13] |
| Na+ | mg/L | 26.3 ± 6.2 | 27.4 (10.8–38.6) | 19 | 11.8 ± 6.7 G | 11.0 (5.0–35) | 18 | 28.3 ± 7.8 K | 27.9 (5.0–38.6) | 19 | <30 mg/L [12]; salt sensitive crops: <150 mg/L [13] |
| Ca2+ | mg/L | 63 ± 12 | 64 (35–80) | 19 | 95 ± 16 | 100 (58–112) | 18 | 94 ± 16 | 96 (38–116) | 19 | - |
| Mg2+ | mg/L | 9.5 ± 2.0 | 10.4 (5.0–12.4) | 19 | 17.0 ± 3.0 | 18.2 (11.3–21.2) | 18 | 10.4 ± 2.0 | 11.0 (4.7–12.7) | 19 | - |
| K+ | mg/L | <10–72 C | 19 | 23 ± 16 | 20.7 (10.4–86) | 18 | <10–24 L | 19 | - | ||
| Non-ionic surfactants | mg/L | 6.7 ± 7.0 | 4.1 (1.8–16.8) | 4 | <0.2 | 4 | <0.2–0.3 M | 4 | - | ||
| cationic surfactants | mg/L | 0.9 ± 0.2 | 0.9 (0.7–1.2) | 4 | <0.2–0.6 H | 4 | 0.2–0.7 N | 4 | - | ||
| anionic surfactants | mg/L | 12.9 ± 2.5 | 13.7 (9.3–14.9) | 4 | 0.5 ± 0.1 | 0.5 (0.4–0.5) | 4 | 0.9 ± 0.2 | 0.9 (0.6–1.0) | 4 | - |
| SAR | (mmol/L)1/2 | 1.6 ± 0.3 | 1.6 (0.9–2.3) | 19 | 0.6 ± 0.3 | 0.5 (0.3–1.7) | 18 | 1.4 ± 0.3 | 1.4 (0.4–1.9) | 18 | <6 (mmol/L)1/2 [12], suitable for irrigation of nearly all soil types |
Publisher’s Note: MDPI stays neutral with regard to jurisdictional claims in published maps and institutional affiliations. |
© 2021 by the authors. Licensee MDPI, Basel, Switzerland. This article is an open access article distributed under the terms and conditions of the Creative Commons Attribution (CC BY) license (https://creativecommons.org/licenses/by/4.0/).
Share and Cite
Morandi, C.; Schreiner, G.; Moosmann, P.; Steinmetz, H. Elevated Vertical-Flow Constructed Wetlands for Light Greywater Treatment. Water 2021, 13, 2510. https://doi.org/10.3390/w13182510
Morandi C, Schreiner G, Moosmann P, Steinmetz H. Elevated Vertical-Flow Constructed Wetlands for Light Greywater Treatment. Water. 2021; 13(18):2510. https://doi.org/10.3390/w13182510
Chicago/Turabian StyleMorandi, Carlo, Gerhard Schreiner, Patrizia Moosmann, and Heidrun Steinmetz. 2021. "Elevated Vertical-Flow Constructed Wetlands for Light Greywater Treatment" Water 13, no. 18: 2510. https://doi.org/10.3390/w13182510
APA StyleMorandi, C., Schreiner, G., Moosmann, P., & Steinmetz, H. (2021). Elevated Vertical-Flow Constructed Wetlands for Light Greywater Treatment. Water, 13(18), 2510. https://doi.org/10.3390/w13182510

