Measurement of Apparent Electrical Impedance of Soil with Water Flow Inside
Abstract
1. Introduction
2. Materials and Methods
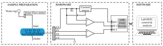
2.1. Experimental System
2.2. Apparent Impedance Measurement
3. Results and Discussion
3.1. Measurement of Water Resistance
3.2. Measurement of Electrical Impedance of Soil
4. Conclusions
Author Contributions
Funding
Acknowledgments
Conflicts of Interest
References
- Li, W.; Ling, W.; Liu, S.; Zhao, J.; Liu, R.; Chen, Q.; Qiang, Z.; Qu, J. Development of systems for detection, early warning, and control of pipeline leakage in drinking water distribution: A case study. J. Environ. Sci. 2011, 23, 1816–1822. [Google Scholar] [CrossRef]
- Gao, C.L.; Zhou, Z.Q.; Yang, W.M.; Lin, C.J.; Li, L.P.; Wang, J. Model test and numerical simulation research of water leakage in operating tunnels passing through intersecting faults. Tunn. Undergr. Space. Technol. 2019, 94, 103134. [Google Scholar] [CrossRef]
- Okumura, Y.; Teshirogi, K.; Kiyono, J. Tsunami disaster mitigation of inland embankment structure. J. Earthq. Eng. 2014, 70, 916–920. [Google Scholar]
- Abe, T.; Tsukamoto, M.; Yokota, S.; Tayama, S. Disaster prevention measures for expressway embankment. In Proceedings of the 15th Asian Regional Conference on Soil Mechanics and Geotechnical Engineering, Fukuoka, Japan, 9–13 November 2015; Japanese Geotechnical Society Special Publication: Tokyo, Japan, 2016. [Google Scholar]
- Brillante, L.; Mathieu, O.; Bois, B.; van Leeuwen, C.; Leveque, J. The use of soil electrical resistivity to monitor plant and soil water relationships in vineyards. Soil 2015, 1, 273–286. [Google Scholar] [CrossRef]
- Binley, A.; Slater, L.D.; Fukes, M.; Cassiani, G. Relationship between spectral induced polarization and hydraulic properties of saturated and unsaturated sandstone. Water Resour. Res. 2005, 41, W12417. [Google Scholar] [CrossRef]
- Schwartz, N.; Furman, A. Spectral induced polarization signature of soil contaminated by organic pollutant: Experiment and modeling. J. Geophys. Res. Atmos. 2012, 117, B10203. [Google Scholar] [CrossRef]
- Gunn, D.A.; Chambers, J.E.; Uhlemann, S.; Wilkinson, P.B.; Meldrum, P.I.; Dijkstra, T.A.; Haslam, E.; Kirkham, M.; Wragg, J.; Holyoake, S.; et al. Moisture monitoring in clay embankments using electrical resistivity tomography. Constr. Build. Mater. 2015, 92, 82–94. [Google Scholar] [CrossRef]
- Sjodahl, P.; Dahlin, T.; Johansson, S. Embankment dam seepage evaluation from resistivity monitoring data. Near Surf. Geophys. 2009, 7, 463–474. [Google Scholar] [CrossRef]
- Nazaruddin, D.A.; Amiruzan, Z.S.; Hussin, H.; Jafar, M.T.M. Integrated geological and multi-electrode resistivity surveys for groundwater investigation in Kampung Rahmat village and its vicinity, Jeli district, Kelantan, Malaysia. J. Appl. Geophys. 2017, 138, 23–32. [Google Scholar] [CrossRef]
- Wang, K.; Li, P.; Liu, J.; Ning, D. Application of μc/os—II in the design of mine dc electrical prospecting instrument. Procedia Earth Planet. Sci. 2011, 3, 485–492. [Google Scholar] [CrossRef]
- Loke, M.H.; Chambers, J.E.; Rucker, D.F.; Kuras, O.; Wilkinson, P.B. Recent developments in direct-current geoelectrical imaging method. J. Appl. Geophys. 2013, 95, 135–156. [Google Scholar] [CrossRef]
- Ning, D.; Xu, W.; Qin, H.; Liu, J. Development of a new mining intrinsically safe DC electrical prospecting apparatus. Procedia Earth Planet. Sci. 2011, 3, 280–286. [Google Scholar] [CrossRef][Green Version]
- Yu, J.; Akira, S.; Masahiro, I. Wenner method of impedance measurement for health evaluation of reinforced concrete structures. Constr. Build. Mater. 2019, 197, 576–586. [Google Scholar] [CrossRef]
- Weigand, M.; Kemna, A. Multi-frequency electrical impedance tomography as a non-invasive tool to characterize and monitor crop root systems. Biogeosciences 2017, 14, 921–939. [Google Scholar] [CrossRef]
- Wang, Y.Q.; Zhao, P.F.; Fan, L.F.; Zhou, Q.; Wang, Z.Y.; Song, C.; Chai, Z.Q.; Yue, Y.; Huang, L.; Wang, A.Y. Determination of water content and characteristic analysis in substrate root zone by electrical impedance spectroscopy. Comput. Electron. Agric. 2019, 156, 243–253. [Google Scholar] [CrossRef]
- Japan Platform for Patent Information. Available online: https://www.j-platpat.inpit.go.jp/c1800/PU/JP-2003227877/C7278C968DC821CD41505541BED6F5575398DF5ACC4A070F4FE85212325E9696/11/en (accessed on 30 March 2020).
- Talapessy, R.; Ikegami, T.; Yoshida, H. Development of digital AC resistivity meter for groundwater survey. In Proceedings of the 13th SEGJ International Symposium, Tokyo, Japan, 12–14 November 2018. [Google Scholar]
- Samouelian, A.; Cousin, I.; Tabbagh, A.; Bruand, A.; Richard, G. Electrical resistivity survey in soil science: A review. Soil Tillage Res. 2005, 83, 173–193. [Google Scholar] [CrossRef]
- Fan, X.; Bai, Y.; Ren, Z. The effect of high voltage pulsed electric field on water molecular. J. Phys. Conf. Ser. 2017, 916, 012029. [Google Scholar] [CrossRef]
- Yustres, A.; Lopez-Vizcaino, R.; Saez, C.; Canizares, P.; Rodrigo, M.A.; Navarro, V. Water transport in electrokinetic remediation of unsaturated kaolinite. Experimental and numerical study. Sep. Purif. Technol. 2018, 192, 196–204. [Google Scholar] [CrossRef]
- Santamarina, J.C. Electrical conductivity in soils: Underlying phenomena. J. Environ. Eng. Geophys. 2003, 8, 221–276. [Google Scholar]









© 2020 by the authors. Licensee MDPI, Basel, Switzerland. This article is an open access article distributed under the terms and conditions of the Creative Commons Attribution (CC BY) license (http://creativecommons.org/licenses/by/4.0/).
Share and Cite
Talapessy, R.; Ikegami, T.; Yoshida, H. Measurement of Apparent Electrical Impedance of Soil with Water Flow Inside. Water 2020, 12, 2328. https://doi.org/10.3390/w12092328
Talapessy R, Ikegami T, Yoshida H. Measurement of Apparent Electrical Impedance of Soil with Water Flow Inside. Water. 2020; 12(9):2328. https://doi.org/10.3390/w12092328
Chicago/Turabian StyleTalapessy, Ronaldo, Tomoaki Ikegami, and Hiroaki Yoshida. 2020. "Measurement of Apparent Electrical Impedance of Soil with Water Flow Inside" Water 12, no. 9: 2328. https://doi.org/10.3390/w12092328
APA StyleTalapessy, R., Ikegami, T., & Yoshida, H. (2020). Measurement of Apparent Electrical Impedance of Soil with Water Flow Inside. Water, 12(9), 2328. https://doi.org/10.3390/w12092328

