Towards Model-Free Pressure Control in Water Distribution Networks
Abstract
1. Introduction
2. Related Works
3. Water Distribution Network Modelling
4. Pressure Control in Water Distribution Networks
4.1. Classical Model-Based Pressure Control Problem Formulation
- The continuity equation at each node expressed as
- The head pressure loss constraint (conservation of energy) of each pipe.
- Nodal head constraint
- Pipe Flow constraint
- Valve opening
4.2. The Proposed Model-Free Pressure Control
| Algorithm 1: Value Iteration Algorithm |
![]() |
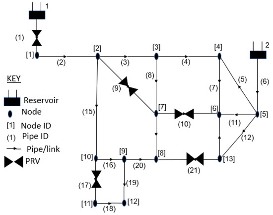
5. Numerical Experiments
5.1. Numerical Experiment 1
5.2. Numerical Experiment 2
6. Conclusions
Author Contributions
Funding
Acknowledgments
Conflicts of Interest
Appendix A. Test Cases Parameters
| Pipe ID | Start Node | End Node | Length (m) | Diameter (mm) | Chw |
|---|---|---|---|---|---|
| 1 | 14 | 1 | 609.90 | 762 | 130 |
| 2 | 1 | 2 | 243.80 | 762 | 128 |
| 3 | 2 | 3 | 1524 | 609 | 126 |
| 4 | 3 | 4 | 1127.76 | 609 | 124 |
| 5 | 5 | 4 | 1188.72 | 609 | 122 |
| 6 | 15 | 5 | 640.08 | 406 | 120 |
| 7 | 4 | 6 | 762.00 | 254 | 118 |
| 8 | 3 | 7 | 944.88 | 254 | 116 |
| 9 | 2 | 7 | 1676.40 | 381 | 114 |
| 10 | 7 | 6 | 883.92 | 305 | 112 |
| 11 | 5 | 6 | 883.92 | 305 | 110 |
| 12 | 5 | 13 | 1371.60 | 381 | 108 |
| 13 | 13 | 6 | 762.00 | 254 | 106 |
| 14 | 7 | 8 | 822.96 | 254 | 104 |
| 15 | 2 | 10 | 944.88 | 305 | 102 |
| 16 | 10 | 9 | 579.00 | 305 | 100 |
| 17 | 10 | 11 | 487.68 | 203 | 98 |
| 18 | 11 | 12 | 457.20 | 152 | 96 |
| 19 | 9 | 12 | 502.92 | 203 | 94 |
| 20 | 9 | 8 | 883.92 | 203 | 92 |
| 21 | 13 | 8 | 944.88 | 305 | 90 |
| Node ID | Elevation (m) | Demand (L/s) |
|---|---|---|
| 1 | 27.43 | 0 |
| 2 | 33.53 | 59 |
| 3 | 28.96 | 59 |
| 4 | 32.00 | 178 |
| 5 | 30.48 | 59 |
| 6 | 31.39 | 190 |
| 7 | 29.56 | 178 |
| 8 | 31.39 | 91 |
| 9 | 32.61 | 0 |
| 10 | 34.14 | 0 |
| 11 | 35.05 | 30 |
| 12 | 36.58 | 30 |
| 13 | 33.53 | 0 |
| 14 | 60.96 | Source Node |
| 15 | 60.96 | Source Node |
| Pipe ID | Start Node | End Node | Length (m) | Diameter (mm) | Chw | Pipe ID | Start Node | End Node | Length (m) | Diameter (mm) | Chw |
|---|---|---|---|---|---|---|---|---|---|---|---|
| 1 | 1 | 15 | 1000 | 0.6 | 120 | 55 | 26 | 35 | 600 | 0.15 | 100 |
| 2 | 15 | 28 | 1000 | 0.45 | 120 | 56 | 27 | 33 | 1100 | 0.25 | 120 |
| 3 | 28 | 27 | 894 | 0.45 | 120 | 57 | 33 | 34 | 400 | 0.15 | 100 |
| 4 | 28 | 30 | 1020 | 0.45 | 120 | 58 | 30 | 35 | 1400 | 0.15 | 100 |
| 5 | 30 | 31 | 500 | 0.45 | 120 | 59 | 33 | 32 | 400 | 0.15 | 100 |
| 6 | 31 | 45 | 800 | 0.45 | 120 | 60 | 31 | 32 | 600 | 0.15 | 100 |
| 7 | 45 | 51 | 800 | 0.45 | 120 | 61 | 30 | 29 | 400 | 0.15 | 100 |
| 8 | 51 | 57 | 800 | 0.2 | 120 | 62 | 29 | 44 | 1100 | 0.15 | 100 |
| 9 | 57 | 58 | 800 | 0.2 | 120 | 63 | 44 | 46 | 400 | 0.15 | 100 |
| 10 | 15 | 14 | 500 | 0.25 | 120 | 64 | 46 | 47 | 1077 | 0.15 | 100 |
| 11 | 15 | 4 | 949 | 0.25 | 120 | 65 | 48 | 47 | 600 | 0.15 | 100 |
| 12 | 4 | 5 | 300 | 0.25 | 120 | 66 | 47 | 50 | 800 | 0.15 | 100 |
| 13 | 11 | 5 | 500 | 0.25 | 120 | 67 | 49 | 50 | 600 | 0.15 | 100 |
| 14 | 14 | 11 | 400 | 0.25 | 120 | 68 | 49 | 48 | 800 | 0.15 | 100 |
| 15 | 14 | 16 | 400 | 0.25 | 120 | 69 | 51 | 48 | 600 | 0.15 | 100 |
| 16 | 16 | 27 | 104 | 0.25 | 120 | 70 | 51 | 52 | 600 | 0.25 | 120 |
| 17 | 14 | 13 | 400 | 0.25 | 120 | 71 | 52 | 43 | 800 | 0.20 | 120 |
| 18 | 13 | 12 | 700 | 0.25 | 120 | 72 | 45 | 43 | 600 | 0.15 | 100 |
| 19 | 12 | 9 | 400 | 0.25 | 120 | 73 | 43 | 32 | 800 | 0.20 | 120 |
| 20 | 9 | 8 | 500 | 0.25 | 120 | 74 | 33 | 42 | 825 | 0.25 | 120 |
| 21 | 8 | 5 | 1100 | 0.25 | 120 | 75 | 42 | 43 | 600 | 0.15 | 100 |
| 22 | 8 | 7 | 600 | 0.15 | 120 | 76 | 53 | 52 | 600 | 0.25 | 120 |
| 23 | 6 | 7 | 1400 | 0.15 | 120 | 77 | 42 | 53 | 800 | 0.25 | 120 |
| 24 | 4 | 6 | 600 | 0.15 | 100 | 78 | 41 | 42 | 600 | 0.25 | 120 |
| 25 | 3 | 4 | 800 | 0.15 | 100 | 79 | 41 | 36 | 800 | 0.25 | 120 |
| 26 | 3 | 2 | 1300 | 0.15 | 100 | 80 | 37 | 39 | 800 | 0.25 | 120 |
| 27 | 16 | 2 | 1100 | 0.20 | 120 | 81 | 39 | 40 | 800 | 0.15 | 120 |
| 28 | 2 | 29 | 1600 | 0.15 | 100 | 82 | 41 | 39 | 800 | 0.15 | 100 |
| 29 | 16 | 17 | 400 | 0.20 | 120 | 83 | 39 | 64 | 2400 | 0.25 | 120 |
| 30 | 17 | 13 | 400 | 0.20 | 120 | 84 | 70 | 41 | 2262 | 0.45 | 120 |
| 31 | 13 | 10 | 400 | 0.20 | 120 | 85 | 41 | 54 | 1600 | 0.15 | 100 |
| 32 | 10 | 11 | 400 | 0.15 | 120 | 86 | 55 | 54 | 400 | 0.20 | 120 |
| 33 | 10 | 9 | 700 | 0.15 | 100 | 87 | 53 | 55 | 825 | 0.25 | 120 |
| 34 | 18 | 17 | 700 | 0.15 | 100 | 88 | 56 | 55 | 800 | 0.20 | 120 |
| 35 | 12 | 18 | 400 | 0.15 | 100 | 89 | 52 | 56 | 800 | 0.20 | 120 |
| 36 | 19 | 12 | 800 | 0.15 | 100 | 90 | 57 | 56 | 600 | 0.20 | 120 |
| 37 | 69 | 19 | 806 | 0.45 | 120 | 91 | 57 | 49 | 600 | 0.20 | 120 |
| 38 | 19 | 21 | 700 | 0.25 | 120 | 92 | 49 | 59 | 800 | 0.20 | 120 |
| 39 | 21 | 20 | 1200 | 0.15 | 100 | 93 | 58 | 59 | 600 | 0.15 | 100 |
| 40 | 21 | 22 | 800 | 0.15 | 100 | 94 | 59 | 60 | 800 | 0.15 | 100 |
| 41 | 22 | 23 | 700 | 0.15 | 100 | 95 | 60 | 61 | 1200 | 0.15 | 100 |
| 42 | 21 | 24 | 700 | 0.25 | 120 | 96 | 68 | 61 | 300 | 0.15 | 100 |
| 43 | 20 | 26 | 700 | 0.20 | 120 | 97 | 62 | 68 | 500 | 0.15 | 100 |
| 44 | 17 | 20 | 424 | 0.20 | 120 | 98 | 58 | 62 | 600 | 0.15 | 100 |
| 45 | 27 | 26 | 400 | 0.25 | 120 | 99 | 56 | 62 | 900 | 0.20 | 120 |
| 46 | 26 | 25 | 400 | 0.25 | 120 | 100 | 63 | 62 | 1000 | 0.15 | 100 |
| 47 | 24 | 25 | 800 | 0.25 | 120 | 101 | 66 | 68 | 1000 | 0.15 | 100 |
| 48 | 24 | 23 | 800 | 0.25 | 120 | 102 | 63 | 66 | 500 | 0.25 | 120 |
| 49 | 23 | 38 | 1118 | 0.25 | 120 | 103 | 66 | 67 | 600 | 0.25 | 120 |
| 50 | 38 | 37 | 600 | 0.25 | 120 | 104 | 63 | 64 | 1100 | 0.25 | 120 |
| 51 | 24 | 37 | 1100 | 0.15 | 100 | 105 | 66 | 65 | 1100 | 0.15 | 100 |
| 52 | 37 | 36 | 800 | 0.15 | 100 | 106 | 55 | 63 | 825 | 0.25 | 120 |
| 53 | 34 | 36 | 400 | 0.15 | 100 | 107 | 64 | 65 | 500 | 0.15 | 120 |
| 54 | 34 | 35 | 500 | 0.15 | 100 | 108 | 25 | 36 | 1100 | 0.25 | 120 |
| Node ID | Elevation (m) | Demand (L/s) | Node ID | Elevation (m) | Demand (L/s) |
|---|---|---|---|---|---|
| 1 | 90 | Source Node | 36 | 57 | 0 |
| 2 | 78 | 5.00 | 37 | 55 | 0 |
| 3 | 72 | 5.00 | 38 | 56 | 15.0 |
| 4 | 63 | 15.0 | 39 | 62 | 10.0 |
| 5 | 60 | 20.0 | 40 | 57 | 10.0 |
| 6 | 60 | 10.0 | 41 | 62 | 0.0 |
| 7 | 64 | 10.0 | 42 | 55 | 0.0 |
| 8 | 65 | 10.0 | 43 | 49 | 10.0 |
| 9 | 65 | 0.0 | 44 | 55 | 15.0 |
| 10 | 55 | 20.0 | 45 | 50 | 0.0 |
| 11 | 61 | 0 | 46 | 58 | 0.0 |
| 12 | 65 | 15.0 | 47 | 55 | 10.0 |
| 13 | 55 | 20.0 | 48 | 50 | 0.0 |
| 14 | 61 | 0 | 49 | 48 | 5.0 |
| 15 | 69 | 10.0 | 50 | 50 | 0.0 |
| 16 | 62 | 0 | 51 | 49 | 5.0 |
| 17 | 55 | 20.0 | 52 | 46 | 15.0 |
| 18 | 62 | 15.0 | 53 | 53 | 0.0 |
| 19 | 74 | 0 | 54 | 59 | 0.0 |
| 20 | 55 | 0 | 55 | 56 | 10.0 |
| 21 | 70 | 0 | 56 | 47 | 10.0 |
| 22 | 72 | 5.0 | 57 | 44 | 5.0 |
| 23 | 70 | 20.0 | 58 | 42 | 10.0 |
| 24 | 66 | 15.0 | 59 | 45 | 0.0 |
| 25 | 59 | 30.0 | 60 | 40 | 5.0 |
| 26 | 55 | 0 | 61 | 45 | 10.0 |
| 27 | 58 | 20.0 | 62 | 48 | 5.0 |
| 28 | 67 | 0 | 63 | 55 | 0.0 |
| 29 | 63 | 0 | 64 | 68 | 30.0 |
| 30 | 62 | 40.0 | 65 | 68 | 5.0 |
| 31 | 58 | 0.0 | 66 | 55 | 0.0 |
| 32 | 51 | 0 | 67 | 55 | 30.0 |
| 33 | 51 | 15.0 | 68 | 45 | 0.0 |
| 34 | 55 | 0 | 69 | 90 | Source Node |
| 35 | 55 | 0 | 70 | 90 | Source Node |
References
- Piller, O.; Bremond, B.; Poulton, M. Least action principles appropriate to pressure driven models of pipe networks. In World Water & Environmental Resources Congress; ACSE: Reston, VA, USA, 2003; pp. 1–15. [Google Scholar]
- Jowitt, P.W.; Xu, C. Optimal valve control in water-distribution networks. J. Water Resour. Plan. Manag. 1990, 116, 455–472. [Google Scholar]
- Hamam, Y.; Hindi, K. Optimised on-line leakage minimisation in water piping networks using neural nets. In Proceedings of the IFIP Working Conference, Dagschul, Germany, 16–20 November 1992; Volume 28, pp. 57–64. [Google Scholar]
- Nazif, S.; Karamouz, M.; Tabesh, M.; Moridi, A. Pressure management model for urban water distribution networks. Water Resour. Manag. 2010, 24, 437–458. [Google Scholar] [CrossRef]
- Gupta, A.; Bokde, N.; Marathe, D.; Kulat, K. Leakage Reduction in Water Distribution Systems with Efficient Placement and Control of Pressure Reducing Valves Using Soft Computing Techniques. Eng. Technol. Appl. Sci. Res. 2016, 7, 1528–1534. [Google Scholar]
- Dai, P.D.; Li, P. Optimal pressure regulation in water distribution systems based on an extended model for pressure reducing valves. Water Resour. Manag. 2016, 30, 1239–1254. [Google Scholar] [CrossRef]
- Bello, O.; Abu-Mahfouz, A.M.; Hamam, Y.; Page, P.R.; Adedeji, K.B.; Piller, O. Solving management problems in water distribution networks: A survey of approaches and mathematical models. Water 2019, 11, 562. [Google Scholar] [CrossRef]
- Mosetlhe, T.C.; Hamam, Y.; Du, S.; Monacelli, E. A Survey of Pressure Control Approaches in Water Supply Systems. Water 2020, 12, 1732. [Google Scholar] [CrossRef]
- Lei, Z.; Jing, Z. Implement of increment-model PID control of PLC in constant-pressure water system. In Proceedings of the 2007 8th International Conference on Electronic Measurement and Instruments, Xi’an, China, 16–18 August 2007; pp. 4–336. [Google Scholar]
- Wang, D.L.; Wang, A.M. The Pressure Control on Non-negative Pressure Water Supply Based on the Fuzzy PID Control. In Proceedings of the 2009 International Joint Conference on Artificial Intelligence, Hainan Island, China, 25–26 April 2009; pp. 140–143. [Google Scholar]
- Peng, X.; Xiao, L.; Mo, Z.; Liu, G. The variable frequency and speed regulation constant pressure water supply system based on PLC and fuzzy control. In Proceedings of the 2009 International Conference on Measuring Technology and Mechatronics Automation, Zhangjiajie, Hunan, China, 11–12 April 2009; Volume 1, pp. 910–913. [Google Scholar]
- Hindi, K.; Hamam, Y. Pressure control for leakage minimization in water supply networks: Part 2. Multi-period models. Int. J. Syst. Sci. 1991, 22, 1587–1598. [Google Scholar] [CrossRef]
- Dai, P.D.; Li, P. Optimal Localization of Pressure Reducing Valves in Water Distribution Systems by a Reformulation Approach. Water Resour. Manag. 2014, 28, 3057–3074. [Google Scholar] [CrossRef]
- Nicolini, M. Optimal pressure management in water networks: increased efficiency and reduced energy costs. In Proceedings of the 2011 Defense Science Research Conference and Expo (DSR), Singapore, 3–5 August 2011; pp. 1–4. [Google Scholar]
- Araujo, L.S.; Ramos, H.; Coelho, S.T. Pressure Control for Leakage Minimisation in Water Distribution Systems Management. Water Resour. Manag. 2006, 20, 133–149. [Google Scholar] [CrossRef]
- Rao, Z.; Salomons, E. Development of a real-time, near-optimal control process for water-distribution networks. J. Hydroinform. 2007, 9, 25–37. [Google Scholar] [CrossRef]
- Rao, Z.; Alvarruiz, F. Use of an artificial neural network to capture the domain knowledge of a conventional hydraulic simulation model. J. Hydroinform. 2007, 9, 15–24. [Google Scholar]
- Mosetlhe, T.; Hamam, Y.; Du, S.; Alayli, Y. Artificial neural networks in water distribution systems: A literature synopsis. In Proceedings of the 2018 International Conference on Intelligent and Innovative Computing Applications (ICONIC), Plaine Magnien, Mauritius, 6–7 December 2018; pp. 1–5. [Google Scholar]
- Liu, G.R.; Han, X. Computational Inverse Techniques in Nondestructive Evaluation; CRC Press: Boca Raton, FL, USA, 2003. [Google Scholar]
- Page, P.R.; Abu-Mahfouz, A.M.; Yoyo, S. Real-time adjustment of pressure to demand in water distribution systems: Parameter-less P-controller algorithm. Procedia Eng. 2016, 154, 391–397. [Google Scholar] [CrossRef]
- Page, P.R.; Abu-Mahfouz, A.M.; Yoyo, S. Parameter-less remote real-time control for the adjustment of pressure in water distribution systems. J. Water Resour. Plan. Manag. 2017, 143, 04017050. [Google Scholar] [CrossRef]
- Hindi, K.; Hamam, Y. Pressure control for leakage minimization in water supply networks Part 1: Single period models. Int. J. Syst. Sci. 1991, 22, 1573–1585. [Google Scholar]
- Oikonomou, K.; Parvania, M.; Khatami, R. Optimal demand response scheduling for water distribution systems. IEEE Trans. Ind. Inform. 2018, 14, 5112–5122. [Google Scholar] [CrossRef]
- Eck, B.J.; Mevissen, M. Valve Placement in Water Networks: Mixed-Integer Non-Linear Optimization with Quadratic Pipe Friction; Report No RC25307 (IRE1209-014), IBM Research; IBM: Armonk, NY, USA, 2012. [Google Scholar]
- Rossman, L.A. EPANET 2: Users Manual; US Environmental Protection Agency: Columbus, OH, USA, 2000. [Google Scholar]
- Pecci, F.; Abraham, E.; Stoianov, I. Mathematical programming methods for pressure management in water distribution systems. Procedia Eng. 2015, 119, 937–946. [Google Scholar] [CrossRef]
- Wright, R.; Abraham, E.; Parpas, P.; Stoianov, I. Optimized control of pressure reducing valves in water distribution networks with dynamic topology. Procedia Eng. 2015, 119, 1003–1011. [Google Scholar]
- Fanni, A.; Liberatore, S.; Sechi, G.; Soro, M.; Zuddas, P. Optimization of water distribution systems by a tabu search metaheuristic. In Computing Tools for Modeling, Optimization and Simulation; Springer: Cham, Switzerland, 2000; pp. 279–298. [Google Scholar]
- Puust, R.; Kapelan, Z.; Savic, D.; Koppel, T. A review of methods for leakage management in pipe networks. Urban Water J. 2010, 7, 25–45. [Google Scholar] [CrossRef]
- Berardi, L.; Laucelli, D.; Ugarelli, R.; Giustolisi, O. Leakage management: Planning remote real time controlled pressure reduction in Oppegård municipality. Procedia Eng. 2015, 119, 72–81. [Google Scholar] [CrossRef]
- Ozger, S.S.; Mays, L. A Semi-Pressure-Driven Approach to Reliability Assessment of Water Distribution Networks. Ph.D. Thesis, Arizona State University Arizona, Tempe, AZ, USA, 2003. [Google Scholar]
- Adedeji, K.B. Development of a Leakage Detection and Localization Technique for Real-time Applications in Water Distribution Networks. Ph.D. Thesis, Tshwane University of Technology, Pretoria, South Africa, 2018. Available online: http://tutvital.tut.ac.za:8080/vital/access/manager/Repository/tut:4620 (accessed on 25 March 2020).







| Demand | RL Output | L Prior | L Post | |||
|---|---|---|---|---|---|---|
| Factor | Prior Control | Post MBC | Post MFC | Tested on a Model | ||
| 80% | 52.84 m | 46.04 m | 45.93 m | 45.89 m | 699 L/s | 699 L/s |
| 100% | 48.69 m | 44.16 m | 43.71 m | 44.19 m | 874 L/s | 874 L/s |
| 120% | 43.76 m | 41.49 m | 41.95 m | 41.34 m | 1048.8 L/s | 1048.8 L/s |
| Demand | RL Output | Prior | Post | |||
|---|---|---|---|---|---|---|
| Factor | Prior Control | Post MBC | Post MFC | Tested on a Model | ||
| 80% | 79.47 m | 62.85 m | 63.04 m | 62.57 m | 428 L/s | 428 L/s |
| 100% | 74.07 m | 62.61 m | 62.90 m | 62.91 m | 535 L/s | 535 L/s |
| 120% | 67.67 m | 60.65 m | 60.55 m | 60.49 m | 642 L/s | 642 L/s |
© 2020 by the authors. Licensee MDPI, Basel, Switzerland. This article is an open access article distributed under the terms and conditions of the Creative Commons Attribution (CC BY) license (http://creativecommons.org/licenses/by/4.0/).
Share and Cite
Mosetlhe, T.C.; Hamam, Y.; Du, S.; Monacelli, E.; Yusuff, A.A. Towards Model-Free Pressure Control in Water Distribution Networks. Water 2020, 12, 2697. https://doi.org/10.3390/w12102697
Mosetlhe TC, Hamam Y, Du S, Monacelli E, Yusuff AA. Towards Model-Free Pressure Control in Water Distribution Networks. Water. 2020; 12(10):2697. https://doi.org/10.3390/w12102697
Chicago/Turabian StyleMosetlhe, Thapelo C., Yskandar Hamam, Shengzhi Du, Eric Monacelli, and Adedayo A. Yusuff. 2020. "Towards Model-Free Pressure Control in Water Distribution Networks" Water 12, no. 10: 2697. https://doi.org/10.3390/w12102697
APA StyleMosetlhe, T. C., Hamam, Y., Du, S., Monacelli, E., & Yusuff, A. A. (2020). Towards Model-Free Pressure Control in Water Distribution Networks. Water, 12(10), 2697. https://doi.org/10.3390/w12102697


