The Wall Stress of the Capsule Surface in the Straight Pipe
Abstract
1. Introduction
2. Theoretical Analysis
2.1. Capsule Structure
2.2. Discrimination of Concentric Annular Gap Flow Patterns
2.3. Wall Shear-Stress Calculation
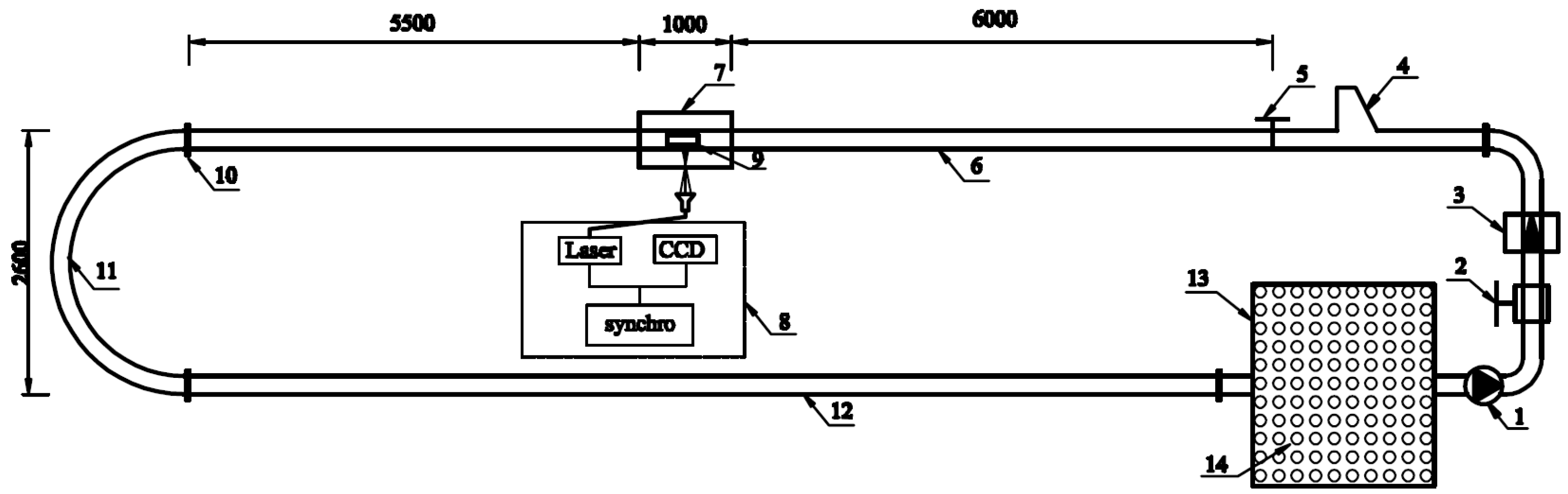
3. Experimental Arrangement
3.1. Particle Image Velocimetry (PIV)Test of Flow-Field Characteristics
3.1.1. PIV System
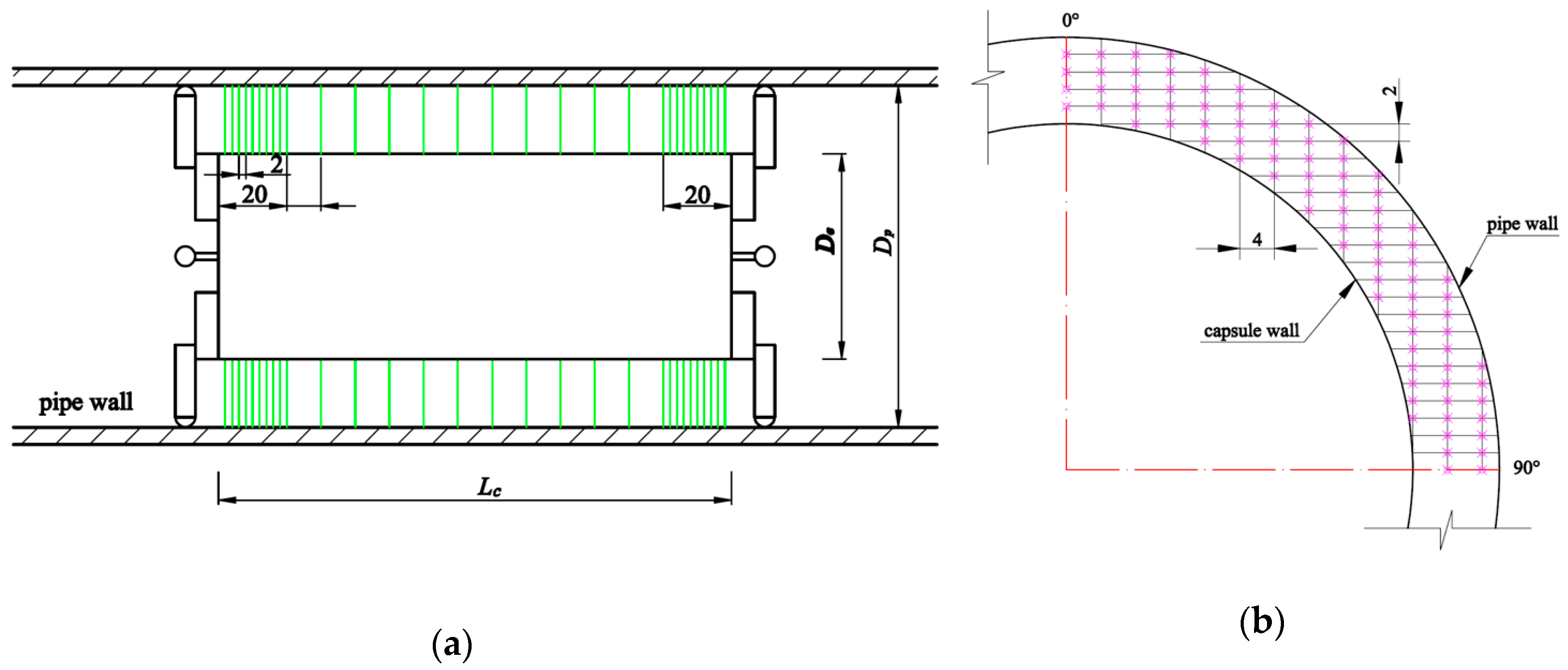
3.1.2. Cross-Section Selection and Measurement-Point Layout
3.2. Force-Measuring System on Capsule Surface
3.2.1. TST5925C-Capsule Force-Measuring System
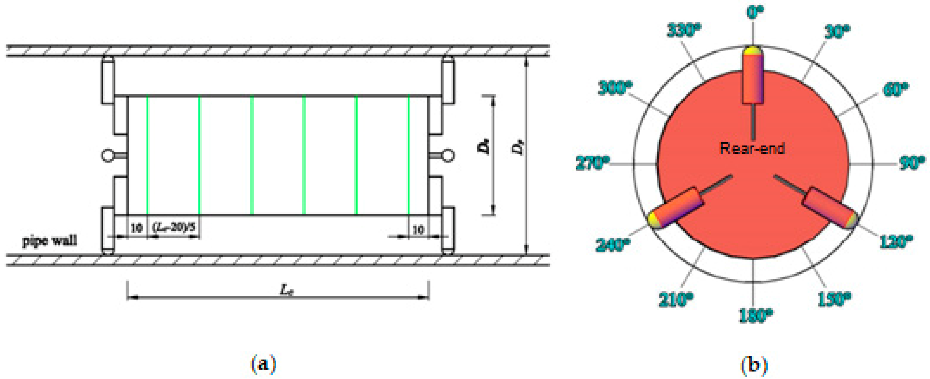
3.2.2. Measuring-Point Layout for Capsule-Stress Measurement
3.3. Experimental Condition Design
4. Results
4.1. Wall Shear-Stress Distribution
4.2. Principal-Stress Distribution
4.2.1. Circumferential Principal-Stress Component
4.2.2. Axial Principal-Stress Component.
4.2.3. Radial Principal-Stress Component
4.3. Discharge Effect on Capsule-Wall Stress
4.4. τc and σc
5. Conclusions
- (1)
- Shear stress on the capsule surface had little effect on the capsule. When pipe flow Re was 105,366–210,731, capsule-surface shear stress ranged between 0 and 38 Pa. Shear stress on the wall of the rear section of the capsule was relatively large. The maximal value appeared on position of 140 mm at the rear section of the capsule when θ = 150°.
- (2)
- Principal stress on the capsule surface exerted great force on the capsule, the circumferential component was the largest, and the radial component was the smallest from the three components, i.e., σc > σa> σr. The maximal circumferential component appeared at the front end of the capsule when θ = 90°, which was about 40,000 Pa. The maximal value of the axial component also appeared at the front end of the capsule when θ = 90°, which was about 35,000 Pa. When the discharge of pipe flow was maximal, the maximal value of the radial component was about 28,000 Pa, which appeared at the rear-end position of the capsule when θ = 90°.
- (3)
- The larger the pipe-flow discharge, the greater the influence of the unit discharge on the wall shear stress and principal stress of the capsule, that is, k1 < k2< k3. With the increase of discharge, the circumferential principal-stress component was most affected, followed by the axial component, and the shear stress of the capsule surface was the least affected, that is, > > > .
- (4)
- Under this experimental condition, σa should contain τc. Shear stress on the capsule surfaces should be the sum of the viscous stress and Reynolds stress of water flow on the capsule. Therefore, Reynolds stress on the capsule surface caused by water-flow turbulence cannot be neglected.
Author Contributions
Funding
Acknowledgments
Conflicts of Interest
References
- Kroonenberg, H.H. Mathematical model for concentric horizontal capsule transport. Can. J. Chem. Eng. 1962, 56, 538–543. [Google Scholar] [CrossRef]
- Charles, M.E. The pipeline flow of capsules: Part 2: Theoretical analysis of the concentric flow of cylindrical forms. Can. J. Chem. Eng. 1963, 41, 46–51. [Google Scholar]
- Tomita, Y.; Yamamoto, M.; Funatsu, K. Motion of a single capsule in a hydraulic pipeline. J. Fluid Mech. 1986, 171, 495–508. [Google Scholar] [CrossRef]
- Latto, B.; Chow, K.W. Hydrodynamic transport of cylindrical capsules in a vertical pipeline. Can. J. Chem. Eng. 1982, 60, 713–722. [Google Scholar] [CrossRef]
- Michiyoshp, I.; Nakajima, T. Fully Developed Turbulent Flow in a Concentric Annulus11. J. Nucl. Sci. Technol. 1968, 5, 354–359. [Google Scholar] [CrossRef]
- Nouri, J.M.; Umur, H.; Whitelaw, J.H. Flow of Newtonian and non-Newtonian concentric and eccentric annuli. J. Fluid Mech. 1993, 253, 617–641. [Google Scholar] [CrossRef]
- Quadrio, M.; Luchini, P. Direct numerical simulation of the turbulent flow in a pipe with annular cross section. Eur. J. Mech. 2002, 21, 413–427. [Google Scholar] [CrossRef]
- Khalil, M.F.; Kassab, S.Z.; Adam, I.G.; Samaha, M.A. Turbulent flow around single concentric long capsule in a pipe. Appl. Math. Model. 2010, 34, 2000–2017. [Google Scholar] [CrossRef]
- Asim, T.; Mishra, R.; Nearchou, A.; Ubbi, K. Effect of the length and diameter of a cylindrical capsule on the pressure drop in a horizontal pipeline. J. Phys. Conf. Ser. 2012, 1, 364. [Google Scholar] [CrossRef]
- Asim, T.; Mishra, R. Computational fluid dynamics based optimal design of hydraulic capsule pipelines transporting cylindrical capsules. Powder Technol. 2016, 295, 180–201. [Google Scholar] [CrossRef]
- Asim, T.; Algadi, A.; Mishra, R. Effect of capsule shape on hydrodynamic characteristics and optimal design of hydraulic capsule pipelines. J. Petrol. Sci. Eng. 2017, 161, 390–408. [Google Scholar] [CrossRef]
- Maolin, L.; Yao, Y.; Yang, L. Optimization of the Vibro-Impact Capsule System for Promoting Progression Speed. In Proceedings of the Matec Web of Conferences, Barcelona, Spain, 22–25 February 2018; p. 10002. [Google Scholar]
- Zhang, C.J.; Sun, X.H.; Li, Y.Y.; Zhang, X.; Yang, X.; Li, F. Hydraulic characteristics of transporting a piped carriage in a horizontal pipe based on the bidirectional fluid-structure interaction. Math. Problems Eng. 2018, 2018, 8317843. [Google Scholar] [CrossRef]
- Zhang, C.J.; Sun, X.H.; Li, Y.Y.; Zhang, X.; Yang, X.; Li, F. Effects of guide vane placement angle on hydraulic characteristics of flow field and optimal design of hydraulic capsule pipelines. Water 2018, 10, 1378. [Google Scholar] [CrossRef]
- Zhang, C.J.; Sun, X.H.; Li, Y.Y.; School of Hydro Science & Engineering, Taiyuan University of Technology; Jinzhong University; Zhangqiu Yellow River Bureau. Effects of guide strip angles on hydraulic characteristics of moving boundary annular gap flow. J. Drain. Irrig. Mach. Eng. 2019, 37, 136–141, 147. [Google Scholar]
- Yang, X.N.; Li, Y.Y.; Sun, X.H. Analysis on hydraulic characteristics of hydrocyclone in horizontal straight pipeline under operation. J. Hydroelectr. Eng. 2015, 34, 98–102. [Google Scholar]
- Yang, X.N. Study on the Character of Spiral Flow Caused by Different Length Guide Vanes. Master’s Thesis, Taiyuan University of Technology, Taiyuan, China, 2013. [Google Scholar]
- Li, Y.Y.; Sun, X.H.; Yan, Q.F. Experimental research on the piped hydraulic transportation with the different diversion angle. J. Hydrodyn. 2008, 23, 86–89. [Google Scholar]
- Li, Y.Y.; Sun, X.H.; Zhang, X.L. Experimental study of the wheeled capsule motion inside hydraulic pipeline. Adv. Mech. Eng. 2019, 11. [Google Scholar] [CrossRef]
- Lin, J.Z.; Ruan, X.D.; Chen, B.G.; Lin, J.P.; Zhou, J.; Ren, A.L. Fluid Mechanics, 2nd ed.; Tsinghua University Press: Beijing, China, 2005. [Google Scholar]
- Tennekes, H.; Lumley, J.L. A First Course in Turbulence; MIT Press: Cambridge, UK, 1972. [Google Scholar]
- Durst, F.; Kikura, H.; Lekakis, I.; Jovanović, J.; Ye, Q. Wall shear stress determination from near-wall mean velocity data in turbulent pipe and channel flows. Exp. Fluids 1996, 20, 417–428. [Google Scholar] [CrossRef]
- Feng, F. Research on Aerodynamic Characteristics of Combined Vertical Axis Wind Turbine with Lift Drag Combined Starting Structure. Ph.D. Thesis, Northeast Agricultural University, Heilongjiang, China, 2018. [Google Scholar]
- Zhang, J.D. Research on Measurement Method of Three-Dimensional Flow Field Downstream of Single-Bend Base on PIV. Master’s Thesis, Tianjin University, Tianjin, China, 2014. [Google Scholar]
- Chang, X.W. Research on the Velocity of Spiral Flow Caused by Hydrocyclone with Different Wrap Angle of Guide. Master’s Thesis, Taiyuan University of Technology, Taiyuan, China, 2018. [Google Scholar]
- Sundstrom, L.R.J.; Cervantes, M.J. Characteristics of the wall shear stress in pulsating wall-bounded turbulent flows. Exp. Therm. Fluid Sci. 2018, 96, 257–265. [Google Scholar] [CrossRef]
- Marusic, I.; Mckeon, B.J.; Monkewitz, P.A.; Nagib, H.M.; Smits, A.J.; Sreenivasan, K.R. Wall-bounded turbulent flows at high Reynolds numbers: Recent advances and key issues. Phys. Fluids. 2010, 22, 065103. [Google Scholar] [CrossRef]
- Zheng, D.S.; Jiang, Y.Z. Determination of optimum location of a right angle strain flower using optimization. J. Vib. Meas. Diagn. 1997, 17, 53–56. [Google Scholar]












| Runs | Q (L/s) | Uc (m/s) | E (pa) | μ | Re |
|---|---|---|---|---|---|
| 1 | 8.33 | 1.06 | 11.2×109 | 0.49 | 105,366 |
| 2 | 11.11 | 1.41 | 140,488 | ||
| 3 | 13.89 | 1.77 | 175,610 | ||
| 4 | 16.67 | 2.12 | 210,731 |
| Stress | k1 | k2 | k3 | |
|---|---|---|---|---|
| τc | 1.89 | 2.29 | 2.67 | 2.28 |
| σc | 1367.95 | 1831.35 | 2289.42 | 1829.57 |
| σa | 732.49 | 977.26 | 1219.77 | 976.51 |
| σr | 176.72 | 236.21 | 294.88 | 235.94 |
© 2020 by the authors. Licensee MDPI, Basel, Switzerland. This article is an open access article distributed under the terms and conditions of the Creative Commons Attribution (CC BY) license (http://creativecommons.org/licenses/by/4.0/).
Share and Cite
Yang, X.; Ma, J. The Wall Stress of the Capsule Surface in the Straight Pipe. Water 2020, 12, 242. https://doi.org/10.3390/w12010242
Yang X, Ma J. The Wall Stress of the Capsule Surface in the Straight Pipe. Water. 2020; 12(1):242. https://doi.org/10.3390/w12010242
Chicago/Turabian StyleYang, Xiaoni, and Juanjuan Ma. 2020. "The Wall Stress of the Capsule Surface in the Straight Pipe" Water 12, no. 1: 242. https://doi.org/10.3390/w12010242
APA StyleYang, X., & Ma, J. (2020). The Wall Stress of the Capsule Surface in the Straight Pipe. Water, 12(1), 242. https://doi.org/10.3390/w12010242
