Next Article in Journal
Investigation of Karst Spring Flow Cessation Using Grey System Models
Next Article in Special Issue
Degrees and Forms of Commercialization: Community-Managed Water Operators in Lamongan Regency, Indonesia
Previous Article in Journal
A Continuous Drought Probability Monitoring System, CDPMS, Based on Copulas
Previous Article in Special Issue
Water Brokers: Exploring Urban Water Governance through the Practices of Tanker Water Supply in Accra
 
 
Font Type:
Arial Georgia Verdana
Font Size:
Aa Aa Aa
Line Spacing:
Column Width:
Background:
Article

Water Infrastructure Always In-The-Making: Distributing Water and Authority through the Water Supply Network in Moamba, Mozambique

by
Luis Miguel Silva-Novoa Sanchez
1,*,
Jeltsje Sanne Kemerink-Seyoum
2,3 and
Margreet Zwarteveen
2,3
1
Silvanovoa Consultores S.A.C., Jr. Tarapacá 131, Barranco, Lima 04, Peru
2
Integrated Water Systems and Governance Department, IHE Delft, Westvest 7, 2611 AX Delft, The Netherlands
3
Governance and Inclusive Development Group, University of Amsterdam, Postbus 15718, 1001 NE, Amsterdam, The Netherlands
*
Author to whom correspondence should be addressed.
Water 2019, 11(9), 1926; https://doi.org/10.3390/w11091926
Submission received: 20 June 2019 / Revised: 30 August 2019 / Accepted: 2 September 2019 / Published: 15 September 2019

Abstract

Using the concept of sociotechnical tinkering, this paper provides detailed empirical observations about the everyday practices of design, construction, operation, maintenance and use of a piped water supply network in a small town in Mozambique. We use these to show that the form, materiality, and functioning of this water infrastructure are constantly changing as result of interactions with its physical environment as well as in response to experimentation and improvisation by engineers, construction workers, operators and water users. Sociotechnical tinkering not just (re)distributes water, but also provides an avenue through which powers to control water flows can be wielded and exercised. In this sense, empirical attention to sociotechnical tinkering provides a useful entry-point for rethinking the distribution of control, authority and responsibility in water governance, or more broadly the relations between power and infrastructure. This, in turn, may yield new inspirations for identifying pragmatic possibilities for progressive water politics.

1. Introduction

As stated elsewhere in this special issue, original infrastructural designs are not a very good guide for understanding how these infrastructures are laid-out and functioning in practice [1].When constructed and in-use, water infrastructures are constantly changing in form and materiality as a result of interactions with their physical environment, for instance through the scouring and creeping of water, the sedimentation of soils, changes in water and air pressures, algae blooms that block or roots of vegetation that punctures pipes. Changes are also induced by the actions of different actors, who may tinker with the infrastructure to make the water flow in the desired quantities and qualities to particular locations at specific times. In this sense, water infrastructure and its functioning are never fully stable or finished but always in-the-making, producing emergent spatial and temporal configurations and relationships (see also [2,3]).
To better understand (the implications and possibilities of) this emergent nature of water infrastructure, the study of the everyday practices of engaging with and modifying flows of water is a good empirical entry-point (see also [4]). These importantly include practices of tinkering with the infrastructure to abstract, direct, store, drain, and spill water. In this paper, we use the term sociotechnical tinkering to refer to such acts, acts that produce deviations from the original infrastructural plans and designs [1]. Rather than considering these deviations as shortcomings that need to be redressed, we take them to be symptomatic for the work needed to make the infrastructure function. Hence, sociotechnical tinkering is inherent in any water infrastructure. As we show, sociotechnical tinkering changes the original intentions of the infrastructure, as well as the effects of its use. Hence, what it means for the infrastructure to function also changes.
The evidence presented in this paper shows that not only those who are trained to do so—engineers—tinker with water infrastructure but also many other actors actively alter the infrastructure’s form or materiality. These include construction workers, operators, and water users. Acknowledging these challenges, the existence of identifiable centers of control in water management and governance, and prompts (more) modesty about the extent to which water flows can be centrally controlled. By expanding the number and types of people who interfere with and make decisions about how and where water flows, it also prompts a rethinking of how roles, responsibilities, authority, and expertise are (to be) distributed in water service provisioning. In this paper we want to explore further how sociotechnical tinkering provokes changes in the understanding of the relationship between water infrastructure, power, and politics.
Paying empirical and analytical attention to everyday attempts to make water flow is an interesting way of documenting how authority and expertise get decentralized in practice (see also [5]): It reveals that operators, plumbers and water users have more agency than is usually assumed in analyses or than is formally granted to them. In this way, a research focus on rather mundane acts of sociotechnical tinkering helps to explain that the ways in which water actually flows—and who can direct it, access it, store it, use it and spill it—is not determined in a top-down fashion by know-it-all engineers, utility managers or policymakers in far-away-offices, but happens through a range of actors who make use of the emerging nature of water infrastructure (see also [6,7,8,9,10]). As we show in this paper, even though many acts of tinkering are experimental and pragmatic, the possibility to tinker provides a deeply political possibility. Making use of it may allow even marginal actors to claim entitlements to the town’s water supply, and in that way push for social change.
Pointing out that infrastructure can be tinkered with and is always in-the-making does not mean that the initial form and materiality of the water infrastructure do not matter; acts of tinkering are conditioned by the tenacious nature of the infrastructure. However, recognizing that engineers and operators never fully control the infrastructure and the water it conveys, and accepting that water infrastructure is never fully known nor knowable, draws attention to the possibility that actual water flows are—at least partly—the contingent outcomes of the interactions and negotiations between different people, water(s), infrastructure and much else [1,2,11,12]. Moreover, since only a few of those actors have formal responsibilities, rights and powers, tinkering with infrastructure is as much about making the water flow as it is about redistributing authority—authority to speak and decide on water.
The work presented in this paper is based on a detailed qualitative study of the piped water system in Moamba, a small town located 62.5 km from Maputo, Mozambique. Four months of fieldwork were carried out between November 2017 and February 2018 with a follow-up fieldwork period from January to March 2019. These months correspond to the rainy season. Systematic observations of the water infrastructure and its functioning, as well as the everyday practices of operators and water users, were cross-checked with data collected through in-depth semi-structured interviews conducted with 47 actors. Four of the informants are staff of local authorities; nine are workers in the water utility company (including the general manager); two are construction workers that participated in the rehabilitation and extension of the system undertaken between 2011 and 2013. The remaining thirty-two interviewees are water users in a specific neighborhood which was selected for this research. In addition, original design documents and satellite images were analyzed to track changes in the designs and the built infrastructure. As a methodological device, we compared the different stages of development of this particular water infrastructure to analyze the water supply system in its entirety and trace its modifications through different political eras. As our research approach reveals, this research should not be considered as a piece of engineering research aimed at identifying malfunctions in the water infrastructure nor to present possible (technical or managerial) solutions to these problems but rather ethnographic-oriented research aimed at documenting acts of tinkering with the water infrastructure in the case-study area.
The paper is organized into six sections. The following one is a description of Moamba’s water treatment and distribution system. After providing some context, the paper presents and analyses our primary research findings, which revolve around the sociotechnical tinkering practices observed among engineers and construction workers, operators, and water users. We use one section for each type of actor. Finally, we present a section of conclusions in which we use our findings to reflect on the role played by water infrastructure in distributing technical expertise and agency in society. We also discuss how sociotechnical tinkering creates room for social change, especially in relation to providing alternative means to claim access to the town’s piped water supply. We particularly pay attention to how the collective action invested in the practices of modification and maintenance of the infrastructure opens spaces for the (re)production of hydraulic rights and property.

2. Setting the Scene

The town of Moamba is the capital of the district that carries the same name, Moamba. It is located approximately 60 km north-west from Maputo, the national capital city of Mozambique. Its rapid and unplanned growth has been correlated to the fact that Moamba is located at the intersection of national roads and the railway that connects Mozambique to the Republic of South Africa, making of Moamba a corridor of persons and goods [13]. People interviewed during fieldwork pointed out that the civil war, which ravaged Mozambique between 1976 and 1992, led to a first wave of migrants settling in Moamba in the early 1980s.
Moamba’s water treatment and distribution network was selected as our main unit of analysis with a specific focus on the practices of the actors tinkering with it. The first version of the infrastructure was built in the early 1960s by the Portuguese colonial government to abstract water from the Incomati River and provide it to the Portuguese population that had settled in Moamba. This population was constituted mainly by employees of the Railway Company and public servants. Later in 1972, the water distribution network was extended to also provide water to the small sections of the Mozambican population who worked for the railway company and collaborated with the colonial authorities. In 1975 Mozambique became independent and the government modernized the treatment plant in 1989 and extended the distribution network during the following years. In 2011 a new project to rehabilitate and extend the system was commissioned by the national government, which coincided with the implementation of new water and economic policies, characterized by the commercialization of the potable water provision service in the country. In 2013 this renewed water infrastructure was inaugurated to be operated by a private operator in a concession area with a population of approximately 24,650 inhabitants and projected coverage of 45%.
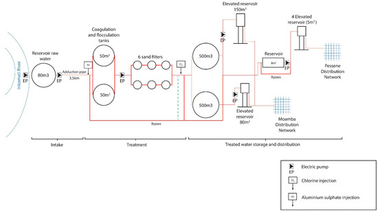
Nowadays Moamba’s water supply system has three general components (Figure 1): An intake station in Incomati River, approximately 3 km north from the town; a small water treatment station; and a water distribution system composed by two elevated reservoirs and piped water distribution network (see Figure A1 in Appendix B). The mainline transports water from the intake station to the treatment station; and the water distribution network. Additionally, from Moamba’s water distribution network the water is transported towards the Administrative Post of Pessene, 14 km away in South-Eastern direction from Moamba, and from there to the settlements of Tenga 9 km away from Pessene. For a more detailed list of the components of the system, please see Table A1 in Appendix A.
Moamba water supply is intermittent for different reasons. One is the frequent interruptions in the electricity needed for the pumps to abstract water from the river. Another reason is the recurrent droughts, which affect the water table of the Incomati River and reduce the capacity of the intake station to inject water into the water treatment and distribution system. Finally, another common cause for interruptions in the water supply service is frequent ruptures and leakages in the distribution network. These breakdowns force the operators to turn off the pumps and interrupt the service until they have fixed the problem. Based on the interviews conducted with managers and operators of the water utility, we identified Bairro Central (meaning central neighborhood) as one of the areas with major challenges in supplying water in Moamba. The interviewees stated that these difficulties have to do with the typography of the terrain and with the low pressure in the distribution network. Knowing the historical development of the water infrastructure in Moamba as a whole, we decided to zoom in on this particular neighborhood to further explore the emerging nature of the infrastructure in this problematic area, also looking at the outcomes.

3. Imagining the Water Flow: The Technical Expertise of Engineers

Analyzing the water infrastructure and the issue of providing water services to Bairro Central reveals important features about everyday practices of engineering. According to the general manager of the water utility and the operators of the system, the challenges of supplying water to Bairro Central are caused by its elevated terrain and the insufficient pressure in the system. In relation to this, the General Manager of the water utility stated that: “… every time the water supply system is stopped, the water in the pipes in Bairro Central is completely removed. This reduces the water pressure and increases the time needed to refill the pipes. This is why when the system is restarted, residents of Bairro Central have to wait more [than the rest of neighborhoods] to have water in their taps” (IN37).
Studying the design drawings and maps of the distribution network shows that Bairro Central is separated from the better-supplied neighborhoods in the north by the railway. The shortest way to connect the distribution network of Bairro Central with the rest of the network in the north is by installing an underground pipe that crosses the railway at a point next to the train station. This is how it was originally envisioned, as indicated in the 2008 design drawing of the water network (Figure 2). This pipe would not need to be longer than 150 m, and the water would flow by gravity to Bairro Central. However, the Mozambican Railway Company (CMF) insisted that the installation of this pipe be done by their staff to guarantee that the construction works would not negatively affect the railway infrastructure. Since the water utility and the railway company could not come to an agreement about how much money should be paid to the railway company to carry out these works, it was decided (in 2011) to delete the pipe from the design map.
The engineers thus had to adjust the design. They now proposed conveying water to Bairro Central through a pipe crossing the railway at its intersection with the highway in the south-eastern part of the town. This meant the water had to travel a distance of approximately 2600 m, first downhill and later uphill, to reach Bairro Central.
Engineers are often portrayed as non-political actors whose task is a mere technical one, consisting of making optimal designs based on precise calculations and rational decisions. The above example shows that they cannot escape from the power dynamics in which they operate. Indeed, the work of engineers importantly also consists of mediating and adjusting their designs to make it fit the socio-political environment in which the infrastructure is located. The changes they had to make to avoid installing a pipe that crossed the railway suggests the influence of the railway company, its ability to impose its will and have its interests materialized. This influence drastically altered the water flow, jeopardizing the reliability of the water supply for the residents of Bairro Central.
The railway company was not the only one to affect the work of the engineers. Also, the residents of Bairro Central shaped the form and layout of the water infrastructure during construction. The numerous changes in the number and position of pipes in the distribution network of Bairro Central are a testimony of this. When comparing the 2011 design map used for the construction of the network with the infrastructure that was actually build, it is striking that the section of the network with the shape of an inverted ‘P’ on the map (see dotted circle in Figure 3) follows straight lines, while the satellite image of the built infrastructure (Figure 4) presents a narrower shape just in the area where it connects with a standpipe. The standpipe is also located in a different location than indicated on the design map.
According to two construction workers involved in the extension of the water distribution system in Bairro Central, they were forced to modify the position and length of the pipes every time they found that a building was constructed precisely in the area where the design map indicated that pipes should be placed. They also had to creatively modify the layout of the pipes when the streets were too narrow to allow the passage of the machinery needed to install the pipes. These deviations from the design were needed mainly because the original design stemmed from 2008, while the construction only started in 2011. The rapid and unplanned construction of houses in Bairro Central drastically changed the urban map, with many new buildings being erected in the time between design and construction. Since the project budget did not include funds for compensating families to move elsewhere, it could not remove houses to make space for the installation of the pipes. Therefore, the construction company had to find creative ways of modifying the layout of the pipe in some sections of the network, in such a way that the interests of particular families and neighborhoods were met. This example shows that the construction of infrastructure often happens in a never fully known and constantly changing environment, which requires engineers and construction workers to tinker with the original design in order to make it fit.
Construction workers also modified the infrastructural design to make it fit with the form and materiality of the materials available to assemble the infrastructure. For instance, two construction workers explained that they had made a small change in the installation of the elevated tank in the distribution center: “… we should have used an iron bend of 45 degrees while we only had an iron bend of 90 degrees available. Here we used curves made of galvanized iron that are not easy to bend. So, we preferred to cut the accessory to place the tank, but even by doing so the entrance of the tank was not exactly where they [the engineers] projected it“. The construction workers made these pragmatic changes in consultation with the supervisor of the construction works. They state that “…it happened several times that the map said that the pipe had to go through a particular point, but we did not have the right assembling ironware and we had to make an adjustment to be able to place the pipes” (IN44, IN45).
The need for tinkering during the construction of water infrastructure also arose because of biophysical processes that are never fully known in advance, especially in places where historical records or sophisticated forecasting technologies are not available. In the case of Moamba, the engineers had very little data on the fluctuations in the water flow of the Incomati River when they designed the intake structure. As a result, the capacity of the intake station that injects water into the piped system is compromised every time the water table in Incomati River drops. This usually happened during the dry season between July and September. However, according to one of the operators of the water supply system, recent changes in the rainfall pattern caused more frequent dry spells, also during the rest of the year, with low flows in the river regularly compromising the capacity of the intake structure. He also attributed lower river flows to an increase in water abstractions in upstream South Africa. Currently, the water utility company deals with this problem by renting mechanical excavators to build a small weir of stones and sand to create a small pond in the river at the water abstraction point with a higher water level (Figure 5). Since the water utility company depends on the availability of this machinery for implementing this solution, its execution and the restarting of the water supply system can take a long time. During the fieldwork in January 2018, the interruption in the water supply service as a result of this issue lasted five days. In the absence of an available excavator, a group of six water utility employees tried, with no success, to manually rebuild the weir. Luckily, after five days, the water table in the river recovered to the minimum level required to restart the water supply system.
This ‘add-on’ infrastructure, the weir built with sand and stones, shows how the form and functioning of the infrastructure is the outcome of the interactions between the infrastructure and its social and biophysical environment. As these environments are not entirely predictable and only partially known, the performance of the infrastructure is also not totally predictable. On the other hand, as the barrier is washed away every rainy season, it has to be reconstructed every year to ensure the intake structure can abstract a fair amount of water also during the drier parts of the year. For this reason, the weir was rebuilt mid-2018, just before the start of the dry season, so that interruption of the water supply system due to low water levels in the river could be prevented. The operators foresee that this measure has to be carried out again in 2019 as the high water levels at the start of the year indicate that the weir will be washed away again by the force of the river. This improvised solution and its provisional nature is something that needs to be dealt with until other materials become available for a more permanent resolution for the problem at hand. Regardless of the specificity of the context of this case, our thesis here is that this experimental and improvised way in which the water infrastructure is used and developed, and how its materiality matters in this process, is not anecdotal nor exceptional, but rather an intrinsic characteristic of its making.
The water treatment station is another example of how (data on) natural processes shape the design and functioning of water infrastructure. Between 2011 and 2013, the period in which the water supply system was rehabilitated and extended, the National Water Authority reported a lower turbidity level in the Incomati River than current measurements show. Based on this relative low turbidity and because of the limited budget available, the engineers decided that an expensive clarifier, a sedimentation tank that helps to reduce turbidity, was not needed. Instead, they gave priority to other components of the water treatment system. Since turbidity is higher than was anticipated, during the rainy season water users complain that they receive muddy water through their taps. To overcome this, some households have ‘made’ their own clarifier, a simple barrel in which they store water until the sediments have settled.
The infrastructure does not only interact with its physical and social environment but also with the matter it conveys: Water. A clear example of this interaction ‘between matters’ within the water supply system of Moamba is the recurrent problem of what is referred to as the “water hammer” effect. This phenomena mainly happens in the section of the pipe that transports water from the intake station to the water treatment plant. The water hammer effect is produced by the slope in the terrain (and thus as well in the pipe) in this area which causes the water in the pipe to flow down suddenly when the pumps in the intake station stop working. According to the general manager of the water utility “…this mobilizes big amounts of positive and negative pressure and as a result the pipe tends to break in the more fragile points of this section of the pipe.” According to one of the operators, on average, this happens once every three months and leads to major bursts in the pipe (IN33).
The water hammer effect could be avoided by the installation of hydro-pneumatic tanks that can store compressed water (and air) and as such act as a cushion by exerting or absorbing pressure to maintain consistent pressure in the pipes. However, installing such tanks is not a straightforward intervention as it requires a detailed understanding of the functioning of the system. According to the general manager of the water utility, they need to “…register the frequency of the problem and identify the exact location of the water hammer and the pressures it mobilizes to decide where the tanks need to be installed” (IN37). This information is currently not available, nor do they have sufficient funding to determine the best location of the pneumatic tanks by trial and error. Consequently, the utility is forced to carry out reactive maintenance every time the pipe bursts. That the pipe bursts in specific, more fragile, points are a reminder of how the particularities of each individual piece of the infrastructure, in this case a section of pipe, can make a difference. The manager of the local office (IN32) of the water utility explains that the fragility of the pipes in Moamba is, at least partly, caused by exposing the pipes to severe weather conditions, in particular, intense sunlight, when storing the pipes before they are installed as the water utility has no shed available for storing construction materials.

4. Forcing the Water Flow: The Technical Expertise of the Operators

In the previous section, we described how engineers and construction workers are tinkering with the infrastructure, as making it work requires continuous alignments to dynamic physical and social-political environments. These tinkering practices results in a water supply system that deviates from the original design. The responsibility to operate this oft-changing system in order to distribute water lies with the operators of the water utility. On an everyday basis, they tinker with the system to make it deliver a distribution of water that comes as close as possible to what was agreed. For instance, to deal with the insufficient pressure in the pipelines that direct water to Bairro Central, the operators established a rotational water distribution schedule for the whole town. During five hours per day (from 10:00 h to 15:00 h they supply water only to Bairro Central and Passene and not to other neighborhoods. The operators do this by manually closing five valves located in different sections of the distribution network, to make all available water flow towards the south. At 15:00 h the operators need to go to the valves located in the different parts of town again to manually open them. Since valves are not metered, some operators judge whether the valves are sufficiently open or closed based on the vibration and sound of the water flowing through the pipe, while other operators base it on the number of times, they turn the wheel that operates the valve.
However, the problem is not only to make water flow to Bairro Central, but also to make it stay there. As mentioned before, every time there is a prolonged interruption in the water supply service, water flows downhill from Bairro Central back into the main pipe, aking the pipes in Bairro Central run empty. When the supply service is restarted, it takes time (up to 24 h) to make water reach this neighborhood. To compensate the residents of Bairro Central, the operators usually extend the duration of water provision to this area as soon as water flows through the pipes again. For instance, because of a broken pipe due to the water hammer effect no water was available in the network during mid-December 2017. After four days, the water supply system was restarted, but the residents of Bairro Central did not receive any water until the next day. To allow them to refill their water storage containers, this day the operator decided to extend the duration of water provision to this neighborhood until 23:00 h by keeping the mentioned valves closed during this period. The next day, to compensate the residents of the other neighborhoods, the operators kept these valves opened until 17:00 h, instead of closing them at 10:00 h as the schedule stipulates. After that, the water distribution schedule returned to normal.
To solve the challenges of providing water to Bairro Central the operators requested the local water utility manager (in 2016) to purchase a non-return valve to be installed at the point the slope begins. However, the person in charge of buying this piece of hardware bought a valve that did not fit the diameter of the pipes, and for this reason, the valve could not be installed. In 2018, the original idea of installing a pipe under the rail to shorten the distance that water has to travel before reaching Bairro Central was revived by the operators. One of them came with the idea to install the water pipe inside an abandoned pipe that was put in place by the colonial authority and already crosses the railway. In this way the water utility would not have to disturb the railway service and would not depend on the railway company to carry out the works. Since the water utility does not have (detailed) maps of the colonial water supply network, the operator who initiated this plan had to rely on the memory of his grandfather to locate the old pipe. This grandfather used to be an operator of the water supply system during colonial times and luckily remembered the exact location of the pipe. Early 2019, the operators unclogged the 110 mm wide and 96 m long iron colonial pipe under the railway, using a large piece of iron they found elsewhere and inserted the brand new 63 mm wide polyethylene pipe inside of it. This pipe now supplies water to Bairro Central much faster and with more pressure than before. Only in the southern part of the neighborhood it still takes time to resume water provision after interruptions in the network for (yet) unknown reasons. This case shows that even though this intervention did not solve all challenges in providing water to Bairro Central, the creativity and tacit knowledge of the system acquired by (generations of) operators greatly improved the situation for large part of the residents in this neighborhood.
The empirical data also shows that acts of tinkering with infrastructure often necessitate and/or trigger further acts of tinkering. This is best illustrated by the following example of the practices of the water operators in the water treatment plant. Due to an omission in the original design of this station a bypass, meant as an emergency measure during prolonged interruption of the water supply, was placed in the wrong location. As explained earlier, in case the water supply system needs to be restarted it is necessary to refill the pipes in the distribution network in order to recover the water pressure in the pipes which is needed to convey water to the different neighborhoods in town. When the population has been suffering from a prolonged interruption in the water supply, the bypass can be used by the operators to refill the distribution network in the shortest possible time by skipping parts of the water purification process. Currently, the system is designed such that when operators open the valve of the bypass, raw water flows directly into a 500 m3 storage tank, skipping the decantation, filtration and disinfection processes. However, to prevent outbreaks of waterborne diseases, the raw water should be redirected to the section of the pipe where the chlorine is automatically injected instead of flowing straight to the storage tank (Figure 6). The result is that now the operators need to add the chlorine manually and on their own discretion in the 500 m3 storage tank to safeguard not only the quantity but also the quality of the water they deliver. Interestingly, however, not only the amount of chlorine is determined by the operators but also the practice of using the bypass itself. Depending on the operator in charge, the practice has become part of normal business. During our fieldwork at least one out of the two operators in charge of Moamba’s water distribution center used the bypass several times at moments he noticed that the water level in the tank was getting low. His practice thus aimed at preventing any interruption in the water supply service rather than addressing emergency situations of prolonged cuts in the water provision. In other words, manually treating the water has become, at least for this operator, a normalized practice.
The operators also tinker with the infrastructure in order to respond to requests or complaints of residents, for instance, in the reports of false readings of the water meters installed in Bairro Central. These meters are meant to monitor the water consumption of individual households and form the basis for the water bills. However, residents complain that the meters indicate much higher amounts than the volume of water they used. According to the water utility, the false readings in the meters are generated by air trapped in the pipes which goes out through the taps in the households. This phenomenon is especially prevalent in Bairro Central as the pipes regularly dry when the water service is interrupted. To solve the problem, the operators have installed air-valves in the area. Every time the pipe is refilled, the valves automatically force the air out of the pipes and thus prevent it from passaging through the water meters. However, during a visit to Bairro Central, one of the operators explained that the problem is not yet completely solved. According to him, at least two more air-valves need to be installed in the main pipe that is buried under the main road in Bairro Central. The operators do not exactly know what the best location is for these additional air-valves. According to the interviewees, the only way to determine the correct location of the air-valves is by trial and error (IN33). This is a clear example of the experimental process of infrastructural development and the emerging nature of the infrastructure itself.

5. Appropriating the Water Flow: The Technical Expertise of Water Users

Sociotechnical tinkering is not only reserved for those employed or hired by the water utility. Also, water users in Moamba are actively involved in making changes to the water infrastructure. Two types of interventions illustrate well the expertise of these actors. One is the extension of the water distribution network carried out by collectives of residents in several neighborhoods in Moamba, including Bairro Central. This allowed users in marginalized areas of the town also to access water from the water distribution network. Such access would, given the limitations of the water utility company to implement extension works, otherwise have taken much longer to materialize. The other type of intervention that (collectives of) residents carry out is the fixing of recurrent leaks in the part of the network that runs through their neighborhood. Both types of interventions are made with materials water users have at hand and by using very pragmatic and improvised methods. To further illustrate this tinkering with infrastructure by residents, we focus here on the case of one specific block of households in Bairro Central, called Quarteirão 11 (Block Q11).
Residents of Block Q11 twice requested for an extension of the network in their area: once when the infrastructure was constructed, and later when the infrastructure started to be operated. The water utility informed the residents that it was impossible for the company to implement these extension works because of insufficient budget to buy the required materials. If the residents of Block Q11 wanted to extend the network, they therefore needed to cover the costs of the materials themselves. The residents of this block could not afford this. In 2014 they came up with the idea of unearthing old pipes from the surrounding lands and reuse them to extend the network by themselves. The pipes recycled by the residents of Block Q11 are made of high-density polyethylene, have a diameter of 63 mm and cover a length of approximately 250 m.
In order to carry out the work, the residents gathered to manually remove the old pipes from the original location, while other neighbors in the meantime dug a trench where these pipes were to be installed. Once the pipes were in place, the chief of Block Q11 talked to the water utility staff and requested help to connect these pipes to the main branch of the existent network. They agreed on sending a technician to do the work, without complaining about the unauthorized works done by the residents of Block Q11. In the office of the water utility, the chief of Block Q11 received the list of additional materials such as the joints, they had to buy and the estimated costs. With this list, he requested money from the participating households, 50 MT (approximately USD 0.8) per household. Those households that refused or could not afford to pay for the installation costs were prohibited from installing private household connections to the pipe. Nowadays, households who wish to be connected to the pipe but who did not contribute to the installation of the pipe have to pay 500 MT. This money is collected by the chief of Block Q11 to be used in case they need to invest in repairs. In this way, the installation of the recycled pipeline created new rules that divided the neighborhood between households who have the right to use the water from the self-installed pipe and those who do not have this entitlement. Those excluded—and often poorer—households have to buy water from households that are connected to the pipe, leaving them on the mercy of their neighbors, or search of water elsewhere.
Once water was flowing through the self-installed pipe, the residents of Block Q11 had to deal with leakages regularly. Initially, there were only three joints in this pipeline, bought in a local hardware store. Two residents of Block Q11 explained that Joint 1 (Figure 7) burst at least four times, and the neighbors did not want to spend more money to replace this piece. The solution was to replace the original joint with an improvised handmade joint that the neighbors together fabricated. One pipe was heated with fire in order to make it soft and then they widened it at one end so that they could insert the other pipe. Once this was done, the neighbors proceeded to tie up the section in which the two pipes joined with a piece of rubber, recycled from an old tire. Then they used a piece of old wire to secure the joint. According to the testimony of the neighbors interviewed, this handcrafted joint has not generated further leakages (interviews IN23; IN17: IN14; IN15).
Not only the joints leak but also sections of the pipe in between the joints regularly burst. To deal with this, residents had to install three other joints to replace broken pieces of the pipe (Figure 7). Joint A and Joint B were bought and installed to replace one section of the pipe that frequently leaked because it is located under a busy street crossing and is only covered with approximately 10 cm of soil. Hence, passing cars cause the recurrent breakdowns of this shallowly buried pipe. The interviewees indicated that they used a similar unearthed high-density polyethylene pipe to replace the damaged section (IN9, IN14, IN15, IN17, IN18, IN22, IN23). Early January 2018, the pipe broke again, and this time the water utility company provided a brand new piece of pipe to replace the damaged one, but this pipe cracked again early in 2019. The continuous piecing together of infrastructure becomes clear from the fact that this pipeline of circa 200 m is currently composed of seven pieces held together by six joints.
These acts of tinkering by water users do not only have technical implications in the sense of modifying the infrastructure itself but also shape relations between actors as well as between actors and the infrastructure. For instance, early January 2018 the pipeline between “Joint A” and “Joint B” ruptured again. It took fifteen days before the pipe was fixed. Noticing the leak for the first time, the neighbors did not notify the water utility because they knew that if they did so, the utility would send their staff to close the valve so that no water would flow to the pipe in order to avoid wasting water. Moreover, they realized that repairing the pipe meant investing labor and possibly other resources, and organizing the collective action needed to this task required time and efforts to mobilize the neighborhood.
A few days later, the operators noticed the leak and they indeed stopped the water flow towards this section of the pipe without taking any measures to fix the crack. They argued that because the pipe was not the property of the water utility, they needed permission from the collective of water users to intervene in this part of the system (IN37, IN33, IN47). Taking into account the water users connected to this pipe are nowadays formal clients of the utility with signed contracts and monthly payments of the water bills, it could be argued that, in order to better serve its clients, it might be reasonable for the water utility to replace the self-installed pipe entirely with a brand new pipe. The fact the water utility does not act in this way is interesting because it shows how the perceived ownership of this self-installed pipe is different from the pipes installed by the water utility, which makes the roles and the responsibilities for maintenance of this pipe more blurred than elsewhere in Moamba. Nevertheless, the water users initially also had no incentive to fix the pipe as most households store water in drums and barrels. Only when their water reservoirs ran dry, they started coordinating among themselves and with the utility company to agree on the date to carry out the repair works. As a condition to repair the pipe, the water utility demanded investment labor and materials from the water users as proof of their commitment to keep the infrastructure in a good state. On the day of the repair works, fifteen residents of Block Q11, representing 60% of the households connected to the pipeline, gathered to assist with excavation. The neighbors started digging in the morning and after a few hours two plumbers from the utility company arrived with a brand new 63 mm diameter high density polyethylene pipe to replace the damaged section. The plumbers were in charge of directing and supervising the whole process of removing the damaged pipe and installing the new one. The water users that were present during these repair works actively participated. In a sort of performative act, they were eager to demonstrate that they did their fair share of the work, both towards the staff of the water utility and towards each other. In this sense being seen doing the work became as important as doing the work itself because is a way to avoid the risk of being perceived as a free-rider by the others who did contribute to the repair works. Being considered as free-rider might jeopardize the rights to use the piped water and can lead to social sanctions, such as public accusations and gossips, giving rise to conflicts that affect other spheres of the social life of those affected (see also [14]). Households that could not provide labor also felt the need to contribute to the repair works, resulting in some of these households providing the sand required to cover the pipe as a measure to protect the pipe against rocks in the soil. This example shows the complex relationships between the actors involved and the ambiguous hydraulic property relations that emerge from it, which require to periodically invest labor and resources by different actors to reconfirm and reinforce their relations vis-à-vis the pipe and ensure their access to water (see also [15,16,17].

6. Conclusions and Discussion

By shifting the focus of research from formal designs and official rules of operation to the detailed documentation of everyday practices of tinkering with water infrastructure, we show that Moamba’s water infrastructure is constantly in-the-making. Just like other researchers who engage with everyday practices to show how actors exercise agency to (re)produce disparate access to water (see amongst others [6,7,8,9,18]), our findings reveal how water infrastructure itself co-constitutes social processes. As pointed out in this paper, the physical environment, in which infrastructure is constructed, is never fully known nor knowable as it constantly changes due to human interventions as well as natural processes. This does not only mean that during construction, to speak in engineering jargon, ‘in situ’ deviations from design need to be made to make the infrastructure fit its environment, and later on further modifications are done as part of the everyday operation and maintenance practices, but also that its functioning can never be fully predicted nor apprehended by the engineers who designed it (see also [8,11,19,20,21]). This inherently emerging and—at least partly—obscure nature of water infrastructure means that everyday interventions are needed to make it function. These are, to a great extent, governed by a logic of trial and error. As the various examples described in this paper show, every undesired performance of the infrastructure requires further calibration, adjustments, and corrections, making infrastructural development an essentially experimental process [2]. Acknowledging this prompts a re-thinking of what engineers are and do: instead of merely following blueprint designs, much of their actual job consists of improvisations needed to steer capricious flows of water (see also [1,22]).
As the case of Moamba’s water supply system shows, different kinds of actors tinker with the form and materiality of the infrastructure in attempts to make the water flow. Engineers, construction workers, operators, and water users are thus all involved, at least to some extent, in the continuous process of making and remaking the infrastructure. Through these acts of tinkering, they also experiment with (parts of) the system, in the process acquiring know-how on its intricate behavior (see also [5,23]). De facto, the involvement of users and operators in changing the layout and functioning of pipes thus implies a re-distribution of expertise, to some extent challenging formal hierarchies between engineers and operators and between water utilities and water users [24]. It also entails shifts in how roles and responsibilities are defined and distributed in water provisioning. It reveals that operators, plumbers, and water users have much more agency than is usually assumed or granted to them. Acknowledging that this is so has important social-political implications; the need for continuous tinkering with infrastructure rips open spaces for a range of actors to get involved, (re)negotiate and establish hydraulic property rights, spaces to claim access to water potentially even for actors with less formal powers and rights like the residents in Bairro Central.
We like to end this paper with a plea for more ethnographic research to document the everyday practices of tinkering with (water) infrastructure in various contexts. As shown in this case study, attention to sociotechnical tinkering provides an interesting provocation to accepted ideas about how water provisioning works (or should work). It sheds light on how actual water flows—at least partly—escape formal plans and official designs as the result of the contingent coming together of different people, water(s), infrastructure, and much else (see also [2,11,12]. This prompts modesty in terms of the central controllability of water and creates a much-needed appreciation for how conveying and distributing water always requires many creative collaborations—between engineers, operators, and users. As our anecdotes suggest, these collaborations also shed a refreshing light on why people invest labor and money in water provisioning, showing that it is about much more than money or rational economic motives. Collaborations are anchored in friendships and neighborliness between users and rest on the professional pride of operators who are keen to help to provide water to all. Also, methodologically, attention to sociotechnical tinkering provides an attractive empirical entry point to study water service provision, and water governance processes in general, because acts of tinkering with infrastructure are visible and traceable rallying points of wider water politics, marking people’s attempts and struggles to access and claim water. Documenting these acts, therefore provides new impetus for understanding water politics, as well as the relations between power and infrastructure.

Author Contributions

Conceptualization, methodology, formal analysis, investigation, and writing, L.M.S.-N.S.; Validation, writing—review and editing, and supervision, J.S.K.-S. and M.Z.

Funding

This research was funded by the Dutch Ministry of Foreign Affairs through the DGIS IHE Delft Programmatic Cooperation 2016–2020 (DUPC2) through the research SMALL project on water supply and sanitation in small towns on the urban-rural intersection.

Acknowledgments

Fieldwork was supported by Eduardo Mondlane University and Collins. Our special gratitude goes to Pedro Cardoso, Taurai Tomossene, Jorge Tomé Vicente, Herculano Francisco, Alfredo Jorge Chauque, Rojasse A. Macamo, Cremildo Alfredo Lampeão, Remígio Castro João, and Eugenia Inacio for facilitating and participating in this research. We would like to thank the residents of Moamba, and Bairro Central in particular, for sharing their views and experiences with us as it forms the core of this research. We thank Tavengwa Chitata for the support provided with the figures and the anonymous reviewers of this journal for their valuable comments and suggestions to improve an earlier version of this manuscript.

Conflicts of Interest

The authors declare no conflict of interest.

Appendix A

Table A1. Components of the piped water supply infrastructure of Moamba.
Table A1. Components of the piped water supply infrastructure of Moamba.
ComponentsSub-ComponentsFunctioning
Intake stationCollection well, infiltration chamber, and suction chamber.The electric pumps in the intake well work separately and alternately.
Two submersible pumps 160 m3/h
Intake building with two surface electric pumps.The electric pumps propel the water from the transition tank to the water treatment plant.
80 m3 transition tankServes as a buffer between the submersible and the superficial pumps.
PVC pipeline 250 mm diameter. It connects the catchment station with the ETA for about 3.5 km.
Water treatment plantTank and injector of aluminium sulphite.Water treatment capacity of 3000 m3/day, whose treatment sequence consists of flocculation, sedimentation, filtration and chlorine disinfection process.
Two 50 m3 sedimentation tanks.
Tank and injector of aluminium sulphite and calcium hypochlorite.
Six 45 m3/h capacity filters connected to three electric pumps with a maximum flow rate of 80 m3/h.
Tank and injector of chlorine.
Water distribution centreTwo treated water reservoirs of 500 m3 and another of 150 m3.By gravity the water goes from these elevated reservoirs to the water distribution network of Moamba.
Two elevated reservoirs of 150 m3 and 80 m3.
Four electric pumps.Two sets of pumps for the 150 m3 elevated reservoir and two sets of pumps for the 80 m3 elevated reservoir.
Water distribution network composed by pipes with the following characteristics:
PVC, PN9, D = 50 mm, 2480 m
PVC, PN9, D = 75 mm, 4880 m
PVC, PN9, D = 90 mm, 4520 m
PVC, PN9, D = 110 mm, 2545 m
PVC, PN9, D = 125 mm,
PVC, PN9, D = 140 mm
PVC, PN9, D = 200 mm

Appendix B

Figure A1. Design map of Moamba’s water distribution network 2012. Source: Collins Sistemas de Agua Lda.
Figure A1. Design map of Moamba’s water distribution network 2012. Source: Collins Sistemas de Agua Lda.
Water 11 01926 g0a1

References

  1. Kemerink-Seyoum, J.S.; Chitata, T.; Domínguez Guzmán, C.; Novoa-Sanchez, L.M.; Zwarteveen, M.Z. Attention to sociotechnical tinkering of irrigation infrastructure as a way to rethink water governance. Water 2019, 11, 1670. [Google Scholar] [CrossRef]
  2. Jensen, C.B.; Morita, A. Infrastructures as Ontological Experiments. Ethnos J. Anthropol. 2016, 82. [Google Scholar] [CrossRef]
  3. Harvey, P.; Jensen, C.B.; Morita, A. Introduction. Infrastructural complications. In Infrastructures and Social Complexity. A companion; Harvey, P., Jensen, C.B., Morita, A., Eds.; Routledge: New York, NY, USA, 2017; p. 423. [Google Scholar]
  4. Van der Zaag, P. Chicanery at the Canal: Changing Practice in Irrigation Management in Western Mexico; Latin America Studies, 65; CEDLA: Amsterdam, The Netherlands, 1992; p. 267. [Google Scholar]
  5. Graham, S.; Thrift, N. Out of order: Understanding repair and maintenance. Theory Culture Soc. 2007, 24, 1–25. [Google Scholar] [CrossRef]
  6. Anand, N. PRESSURE: The PoliTechnics of Water Supply in Mumbai. Cult. Anthropol. 2011, 26, 542–564. [Google Scholar] [CrossRef] [PubMed]
  7. Anand, N.; O’Neill, B. Municipal disconnect: On abject water and its urban infrastructures. Ethnography 2012, 13, 487–509. [Google Scholar] [CrossRef]
  8. Björkman, L. Un/known Waters: Navigating Everyday Risks of Infrastructural Breakdown in Mumbai. Comp. Stud. South Asia Afr. Middle East 2014, 34, 497–517. [Google Scholar] [CrossRef]
  9. Alda-Vidal, C.; Kooy, M.; Rusca, M. Mapping operation and maintenance: An everyday urbanism analysis of inequalities within piped water supply in Lilongwe, Malawi. Urban Geogr. 2017, 39, 104–121. [Google Scholar] [CrossRef]
  10. Furlong, K.; Kooy, M. Worlding Water Supply: Thinking Beyond the Network in Jakarta. Int. J. Urban Reg. Res. 2017, 41, 888–903. [Google Scholar] [CrossRef]
  11. Jensen, C.B. Pipe Dreams: Sewage Infrastructure and Activity Trails in Phnom Penh. Ethnos 2017, 82, 627–647. [Google Scholar] [CrossRef]
  12. Dwiartama, A.; Rosin, C. Exploring agency beyond humans: The compatibility of Actor-Network Theory (ANT) and resilience thinking. Ecol. Soc. 2014, 19, 10. [Google Scholar] [CrossRef]
  13. Project Water Supply and Sanitation in Small Towns; Relatório De Água E Saneamento (Versão Final-Volume I); Universidade Eduardo Mondlane: Mabdo, Mozambique, 2017; p. 61.
  14. Trawick, P. Comedy and Tragedy in the Andean Commons. J. Polit. Ecol. 2002, 9, 35–68. [Google Scholar] [CrossRef]
  15. Boelens, R.; Vos, J. Legal pluralism, hydraulic property creation and sustainability: The materialized nature of water rights in user-managed systems. Curr. Opin. Environ. Sustain. 2014, 11, 55–62. [Google Scholar] [CrossRef]
  16. Coward, E.W. Direct or Indirect Alternative for Irrigation Investment and the Creation of Property. Irrigation Investment, Technology, and Management Strategies for Development. Studies in Water Policy and Management, No. 9; Westview Press: Boulder, CO, USA; London, UK, 1986; pp. 225–244. [Google Scholar]
  17. Sijbrandij, P.; van der Zaag, P. Canal maintenance: A key to restructuring irrigation management: A case of farmer participation and turnover from Mexico. Irrig. Drain. Syst. 1993, 7, 189–204. [Google Scholar] [CrossRef]
  18. Boakye-Ansah, A.S.; Ferrero, G.; Rusca, M.; Van Der Zaag, P. Inequalities in microbial contamination of drinking water supplies in urban areas: The case of Lilongwe, Malawi. J. Water Health 2016, 14, 851–863. [Google Scholar] [CrossRef] [PubMed]
  19. Pickering, A. The Mangle of Practice: Agency and Emergence in the Sociology of Science. Am. J. Soc. 1993, 99, 559–589. [Google Scholar] [CrossRef]
  20. Barnes, J. Pumping possibility: Agricultural expansion through desert reclamation in Egypt. Soc. Stud. Sci. 2012, 42, 517–538. [Google Scholar] [CrossRef]
  21. Bouleau, G. The co-production of science and waterscapes: The case of the Seine and the Rhône Rivers, France. Geoforum 2014, 57, 248–257. [Google Scholar] [CrossRef]
  22. Rap, E.; van der Zaag, P. The pivotal role of canal operators in irrigation schemes. The case of the canalero. Irrig. Drain. 2012, 61, 436–448. [Google Scholar]
  23. Zwarteveen, M. Decentering the technology: Explaining the drip irrigation paradox. In Drip Irrigation for Agriculture: Untold Stories of Efficiency, Innovation and Development; Venot, J.P.K., Zwarteveen, M., Eds.; Routledge: London, UK, 2017; pp. 54–67. [Google Scholar]
  24. Karpouzoglou, T.; Zimmer, A. Ways of knowing the wastewaterscape: Urban political ecology and the politics of wastewater in Delhi, India. Habitat Int. 2016, 54, 150–160. [Google Scholar] [CrossRef]
Figure 1. Moamba’s Water Supply System Scheme. (Source: Collins Sistemas de Agua Lda.).
Figure 1. Moamba’s Water Supply System Scheme. (Source: Collins Sistemas de Agua Lda.).
Water 11 01926 g001
Figure 2. 2008 design map of the water distribution network in Bairro Central. Red circle 1 shows the proposed pipeline under the railway. Red circle 2 shows the absence of the pipe connecting to Bairro Central (source: Collins Sistemas de Agua Lda.).
Figure 2. 2008 design map of the water distribution network in Bairro Central. Red circle 1 shows the proposed pipeline under the railway. Red circle 2 shows the absence of the pipe connecting to Bairro Central (source: Collins Sistemas de Agua Lda.).
Water 11 01926 g002
Figure 3. Detail of the shape and layout of the water distribution network in Bairro Central in design map 2011. (Source: Collins Sistemas de Agua Lda.).
Figure 3. Detail of the shape and layout of the water distribution network in Bairro Central in design map 2011. (Source: Collins Sistemas de Agua Lda.).
Water 11 01926 g003
Figure 4. Shape and layout of the built water distribution network in Bairro Central 2017.
Figure 4. Shape and layout of the built water distribution network in Bairro Central 2017.
Water 11 01926 g004
Figure 5. Picture of small weir next to the intake structure (Silva-Novoa. 24 January 2018).
Figure 5. Picture of small weir next to the intake structure (Silva-Novoa. 24 January 2018).
Water 11 01926 g005
Figure 6. Detail of the bypass in the water treatment station. In red the bypass in its current state. The green dotted line represents how it should be to prevent adding the chlorine manually.
Figure 6. Detail of the bypass in the water treatment station. In red the bypass in its current state. The green dotted line represents how it should be to prevent adding the chlorine manually.
Water 11 01926 g006
Figure 7. Location of joints in the pipe installed by the neighbors in Block Q11 (Map: Chitata, 2019).
Figure 7. Location of joints in the pipe installed by the neighbors in Block Q11 (Map: Chitata, 2019).
Water 11 01926 g007

Share and Cite

MDPI and ACS Style

Silva-Novoa Sanchez, L.M.; Kemerink-Seyoum, J.S.; Zwarteveen, M. Water Infrastructure Always In-The-Making: Distributing Water and Authority through the Water Supply Network in Moamba, Mozambique. Water 2019, 11, 1926. https://doi.org/10.3390/w11091926

AMA Style

Silva-Novoa Sanchez LM, Kemerink-Seyoum JS, Zwarteveen M. Water Infrastructure Always In-The-Making: Distributing Water and Authority through the Water Supply Network in Moamba, Mozambique. Water. 2019; 11(9):1926. https://doi.org/10.3390/w11091926

Chicago/Turabian Style

Silva-Novoa Sanchez, Luis Miguel, Jeltsje Sanne Kemerink-Seyoum, and Margreet Zwarteveen. 2019. "Water Infrastructure Always In-The-Making: Distributing Water and Authority through the Water Supply Network in Moamba, Mozambique" Water 11, no. 9: 1926. https://doi.org/10.3390/w11091926

APA Style

Silva-Novoa Sanchez, L. M., Kemerink-Seyoum, J. S., & Zwarteveen, M. (2019). Water Infrastructure Always In-The-Making: Distributing Water and Authority through the Water Supply Network in Moamba, Mozambique. Water, 11(9), 1926. https://doi.org/10.3390/w11091926

Note that from the first issue of 2016, this journal uses article numbers instead of page numbers. See further details here.

Article Metrics

Back to TopTop